メカニカル部品技術窓口



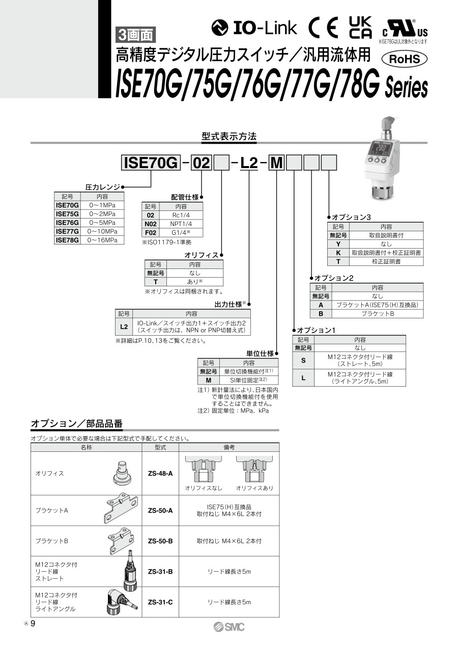
| 型番 | ISE70G | ISE75G | ISE76G | ISE77G | ||
|---|---|---|---|---|---|---|
| 適用流体 | 接流体部材質を腐食させない液体または気体 | |||||
| 圧力仕様 | 定格圧力範囲 | 0~1.000MPa | 0~2.000MPa | 0~5.00MPa | 0~10.00MPa | |
| 表示/設定圧力範囲 | -0.105~1.050MPa | -0.105~2.100MPa | -0.25~5.25MPa | -0.50~10.50MPa | ||
| 表示/設定最小単位 | 0.001MPa | 0.001MPa | 0.01MPa | 0.01MPa | ||
| 耐圧力 | 3.0MPa | 5.0MPa | 12.5MPa | 30MPa | ||
| 電源仕様 | 電源電圧 | スイッチ出力機器として使用する場合 | DC12~24V±10%、かつ電源リップル10%以下 | |||
| IO-Linkデバイスとして使用する場合 | DC18~30V リップル(p-p)10%含む | |||||
| 消費電流 | 35mA以下 | |||||
| 保護 | 逆接続保護 | |||||
| 精度 | 表示精度 | ±2%F.S.±1digit(周囲温度25±3℃時) | ||||
| 繰返し精度 | ±0.5%F.S. | |||||
| 温度特性(25℃基準) | ±3%F.S. | ±5%F.S. | ||||
| スイッチ出力 (SIO モード時) | 出力形式 | NPNオープンコレクタ出力、PNPオープンコレクタ出力より選択 | ||||
| 出力モード | ヒステリシス、ウインドコンパレータ、エラー出力、出力オフ | |||||
| スイッチ動作 | 正転出力、反転出力 | |||||
| 最大負荷電流 | 80mA | |||||
| 最大印加電圧 | 30V(NPN出力時) | |||||
| 内部降下電圧(残留電圧) | 1.5V以下(負荷電流80mA時) | |||||
| ディレー時間注1) | 2ms以下、0~60s/0.01sステップで可変 | |||||
| 応差 | ヒステリシスモード | 0から可変注2) | ||||
| ウインドコンパレータモード | ||||||
| 短絡保護 | 装備 | |||||
| 表示 | 単位注3) | MPa、kPa、kgf/cm2、bar、psi | ||||
| 表示方式 | LCD | |||||
| 画面数 | 3画面(メイン画面、サブ画面×2) | |||||
| 表示色 | メイン画面:赤/緑、サブ画面:橙 | |||||
| 表示桁 | メイン画面:4桁 7セグメント、サブ画面:4桁(上位1桁11セグメント、その他7セグメント) | |||||
| 動作表示灯 | スイッチ出力ON 点灯 OUT1、OUT2:橙 | |||||
| デジタルフィルタ注4) | 0~30s/0.01sステップで可変 | |||||
| 耐環境 | 保護等級 | IP67 | ||||
| 耐電圧 | AC500V 1分間 充電部一括と筐体間 | |||||
| 絶縁抵抗 | 50MΩ以上(DC500Vメガにて)充電部一括と筐体間 | |||||
| 使用温度範囲 | 動作時:-5~50℃、保存時: -10~60℃(結露および凍結しないこと) | |||||
| 使用湿度範囲 | 動作時および保存時:35~85%RH(結露しないこと) | |||||
| 規格 | UL/CSA?(E216656)、CE、RoHS | |||||
| 配管仕様 | 管接続口径 | Rc1/4、NPT1/4、G1/4 | ||||
| 接流体部材質 | センサ受圧部:Al2O3(アルミナ96%)、配管ポート部:C3604(無電解ニッケルめっき) Oリング:FKM+グリース(1MPa)、角リング:FKM(2,5,10MPa) | |||||
| 質量 | 本体 | 管接続口径 Rc1/4 | 184g | |||
| 管接続口径 NPT1/4 | 183g | |||||
| 管接続口径 G1/4 | 181g | |||||
| オプション | コネクタ付リード線 | 139g | ||||
| ブラケットA | 17.7g | |||||
| ブラケットB | 14.2g | |||||
| オリフィス | 1.2g | |||||
| 通信仕様 (IO-Link モード時) | IO-Linkタイプ | デバイス | ||||
| IO-Linkバージョン | V1.1 | |||||
| 通信速度 | COM2 (38.4kbps) | |||||
| 設定ファイル | IODDファイル | |||||
| 最小サイクルタイム | 2.3ms | |||||
| プロセスデータ長 | Input Data:2byte、Output Data:0byte | |||||
| オンリクエス卜データ通信 | 対応 | |||||
| データストレージ機能 | 対応 | |||||
| イベン卜機能 | 対応 | |||||
| ベンダID | 131(0×0083) | |||||
注1) デジタルフィルタなし(0ms)時の値です。
注2) 印加圧が設定付近で変動する場合、変動幅以上の応差を設定しないとチヤタリングが発生します。
注3) 単位切替機能付の製品をご使用の場合に設定できます。
単位切替機能なしの場合、ISE70G/ISE75GはMPa/kPaのみの選択になります。ISE76G/ISE77GはMPaのみとなります。
注4) ステップ入力に対する90%応答の時間です。
注5) 品質向上に努めておりますが、性能上支障のない外観の僅かなキズ、汚れ、表示色、輝度むら等は良品としております。
| 型番 |
|---|
通常単価(税別)
(税込単価) | 通常出荷日 |
|---|
23,618円 ( 25,980円 ) | 6日目 |
26,513円 ( 29,164円 ) | 19日目 |
27,049円 ( 29,754円 ) | 19日目 |
28,005円 ( 30,806円 ) | 19日目 |
26,519円 ( 29,171円 ) | 19日目 |
23,618円 ( 25,980円 ) | 19日目 |
24,155円 ( 26,571円 ) | 19日目 |
25,556円 ( 28,112円 ) | 19日目 |
26,513円 ( 29,164円 ) | 19日目 |
27,049円 ( 29,754円 ) | 19日目 |
27,049円 ( 29,754円 ) | 19日目 |
28,384円 ( 31,222円 ) | 19日目 |
27,580円 ( 30,338円 ) | 19日目 |
26,513円 ( 29,164円 ) | 19日目 |
27,049円 ( 29,754円 ) | 19日目 |
27,049円 ( 29,754円 ) | 19日目 |
28,117円 ( 30,929円 ) | 19日目 |
27,449円 ( 30,194円 ) | 19日目 |
28,005円 ( 30,806円 ) | 19日目 |
28,005円 ( 30,806円 ) | 19日目 |
24,227円 ( 26,650円 ) | 19日目 |
24,227円 ( 26,650円 ) | 19日目 |
25,639円 ( 28,203円 ) | 19日目 |
27,122円 ( 29,834円 ) | 19日目 |
27,659円 ( 30,425円 ) | 19日目 |
27,659円 ( 30,425円 ) | 19日目 |
27,122円 ( 29,834円 ) | 19日目 |
28,080円 ( 30,888円 ) | 19日目 |
24,452円 ( 26,897円 ) | 6日目 |
26,113円 ( 28,724円 ) | 19日目 |
26,513円 ( 29,164円 ) | 19日目 |
27,023円 ( 29,725円 ) | 19日目 |
27,035円 ( 29,739円 ) | 19日目 |
23,618円 ( 25,980円 ) | 19日目 |
27,449円 ( 30,194円 ) | 19日目 |
27,580円 ( 30,338円 ) | 19日目 |
26,513円 ( 29,164円 ) | 19日目 |
26,513円 ( 29,164円 ) | 19日目 |
28,005円 ( 30,806円 ) | 19日目 |
24,452円 ( 26,897円 ) | 19日目 |
26,595円 ( 29,255円 ) | 19日目 |
27,122円 ( 29,834円 ) | 19日目 |
25,294円 ( 27,823円 ) | 19日目 |
24,203円 ( 26,623円 ) | 19日目 |
23,618円 ( 25,980円 ) | 19日目 |
25,556円 ( 28,112円 ) | 19日目 |
27,449円 ( 30,194円 ) | 19日目 |
28,005円 ( 30,806円 ) | 19日目 |
27,922円 ( 30,714円 ) | 19日目 |
23,618円 ( 25,980円 ) | 19日目 |
26,513円 ( 29,164円 ) | 19日目 |
28,005円 ( 30,806円 ) | 19日目 |
27,023円 ( 29,725円 ) | 19日目 |
23,618円 ( 25,980円 ) | 19日目 |
24,155円 ( 26,571円 ) | 19日目 |
25,007円 ( 27,508円 ) | 19日目 |
26,513円 ( 29,164円 ) | 19日目 |
27,049円 ( 29,754円 ) | 19日目 |
27,023円 ( 29,725円 ) | 19日目 |
27,842円 ( 30,626円 ) | 19日目 |
通常価格、通常出荷日が表示と異なる場合がございます
通常価格、通常出荷日が表示と異なる場合がございます

SMC
3画面 高精度デジタル圧力スイッチ ZSE20(F)・ISE20シリーズ
4.5通常価格(税別):239円~

Panasonic
圧力センサDP-100/DP-100L/DPH-100/DPC-100/DP-0シリーズ用オプション
5通常価格(税別):356円~

SMC
2色表示式 デジタル圧力センサコントローラ PSE300シリーズ
4.5通常価格(税別):262円~

SMC
汎用圧力スイッチ ISGシリーズ
4.3通常価格(税別):7,199円~

ミスミ
デジタル圧力センサ
4通常価格(税別):7,280円

SMC
エアチェッカ 電子式圧力確認スイッチ PS1000/1100/1200シリーズ
5通常価格(税別):6,868円~

SMC
汎用流体用圧力センサ PSE560シリーズ
0通常価格(税別):1,565円~

SMC
デジタル圧力スイッチ(レギュレータ内蔵タイプ) ISE35シリーズ
5通常価格(税別):307円~

SMC
小形空気圧用圧力センサ PSE540シリーズ
5通常価格(税別):4,506円~