メカニカル部品技術窓口

注1)原点復帰動作等により、フィンガが可動する範囲です。周辺にあるワーク、設備等と干渉しないようにご注意ください。
注2) モータケーブルを繰返し屈曲動作させないよう固定してご使用ください。
| 型式 | L | (L1) |
| LEHZ10K2-4□ | 103.8 | (59.7) |
| LEHZ10LK2-4□ | 87.2 | (43.1) |

注1)原点復帰動作等により、フィンガが可動する範囲です。周辺にあるワーク、設備等と干渉しないようにご注意ください。
注2) モータケーブルを繰返し屈曲動作させないよう固定してご使用ください。
| 型式 | L | (L1) |
| LEHZ16K2-6□ | 112.8 | (59.7) |
| LEHZ16LK2-6□ | 96.2 | (43.1) |

注1)原点復帰動作等により、フィンガが可動する範囲です。周辺にあるワーク、設備等と干渉しないようにご注意ください。
注2) モータケーブルを繰返し屈曲動作させないよう固定してご使用ください。
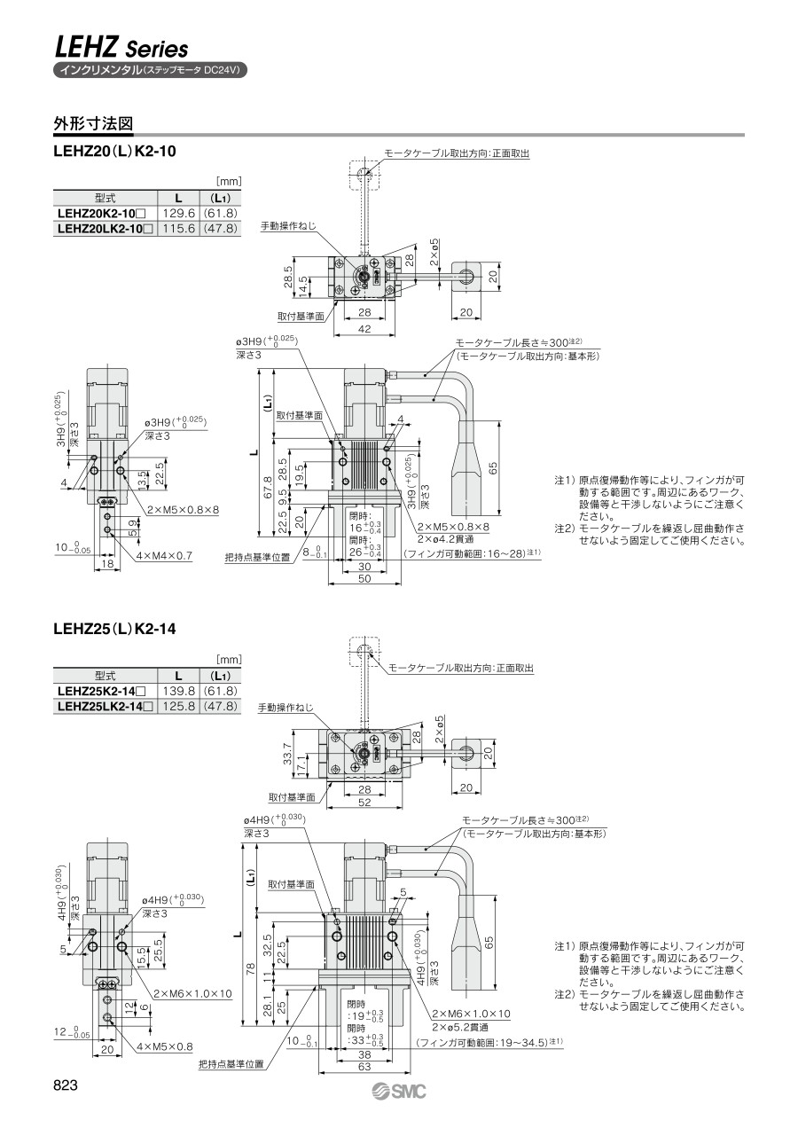
| 型式 | L | (L1) |
| LEHZ20K2-10□ | 129.6 | (61.8) |
| LEHZ20LK2-10□ | 115.6 | (47.8) |

注1)原点復帰動作等により、フィンガが可動する範囲です。周辺にあるワーク、設備等と干渉しないようにご注意ください。
注2) モータケーブルを繰返し屈曲動作させないよう固定してご使用ください。
| 型式 | L | (L1) |
| LEHZ25K2-14□ | 139.8 | (61.8) |
| LEHZ25LK2-14□ | 125.8 | (47.8) |

注1)原点復帰動作等により、フィンガが可動する範囲です。周辺にあるワーク、設備等と干渉しないようにご注意ください。
注2) モータケーブルを繰返し屈曲動作させないよう固定してご使用ください。

注1)原点復帰動作等により、フィンガが可動する範囲です。周辺にあるワーク、設備等と干渉しないようにご注意ください。
注2) モータケーブルを繰返し屈曲動作させないよう固定してご使用ください。
| 型式 | LEHZ10 | LEHZ16 | LEHZ20 | LEHZ25 | LEHZ32 | LEHZ40 | ||
|---|---|---|---|---|---|---|---|---|
| ア ク チ ュ エ ー タ 仕 様 | 開閉ストローク/両側[mm] | 4 | 6 | 10 | 14 | 22 | 30 | |
| リード[mm] | 251/73 (3.438) | 249/77 (3.234) | 246/53 (4.642) | 243/48 (5.063) | 242/39 (6.205) | 254/43 (5.907) | ||
| 把持力[N]注1)注3) | 基本 | 6~14 | 16~40 | 52~130 | 84~210 | |||
| コンパクト | 2~6 | 3~8 | 11~28 | - | - | |||
| 開閉速度/押当て速度[mm/s]注2)注3) | 5~80/5~50 | 5~100/5~50 | 5~120/5~50 | |||||
| 駆動方式 | すべりねじ+スライドカム | |||||||
| フィンガガイド方式 | リニアガイド(無循環) | |||||||
| 繰返し測長精度[mm]注4) | ±0.05 | |||||||
| フィンガバックラッシ量/片側[mm]注5) | 0.25以下 | 0.5以下 | ||||||
| 繰返し精度[mm]注6) | ±0.02 | |||||||
| 繰返し位置決め精度/片側[mm] | ±0.05 | |||||||
| ロストモーション/片側[mm]注7) | 0.25以下 | 0.3以下 | ||||||
| 耐衝撃/耐振動[m/s2]注8) | 150/30 | |||||||
| 最高使用頻度[C.P.M] | 60 | |||||||
| 使用温度範囲[℃] | 5~40 | |||||||
| 使用湿度範囲[%RH] | 90以下(結露なきこと) | |||||||
| 保護等級 | IP20 | |||||||
| 本体質量[g] | 基本 | 165 | 220 | 430 | 585 | 1120 | 1760 | |
| コンパクト | 135 | 190 | 365 | 520 | - | - | ||
| 電 気 仕 様 | モータサイズ | □20 | □28 | □42 | ||||
| モータ種類 | ステップモータ(サーボ DC24V) | |||||||
| エンコーダ | インクリメンタル | |||||||
| 定格電圧[V] | DC24±10% | |||||||
| 電力[W]注9) | 基本 | 最大電力 19 | 最大電力 51 | 最大電力 57 | 最大電力 61 | |||
| コンパクト | 最大電力 14 | 最大電力 42 | - | - | ||||
注1)把持力はワーク重量の10~20倍以上にて使用してください。また、ワークを開放する場合は位置決推力を150%としてください。把持力の精度はLEHZ10,16:±30%(F.S.)、LEHZ20, 25:±25%
(F.S.)、LEHZ32, 40:±20%(F.S.)となります。また、アタッチメントが重い、押当速度が速い状態にてワークの把持を行うと仕様を満足しない場合があります。その場合はアタッチメントを
軽量、押当速度を低速に変更してください。
注2)押当て(把持)時は、押当て速度の範囲に設定してください。動作不良の原因になります。また、開閉速度・押当て速度は両フィンガの速度です。片フィンガ当たりの速度は1/2となります。
注3)ケーブル長さ・負荷・取付条件等により、速度・推力は変化する場合があります。ケーブル長さ5mを超える場合は、速度・推力は5m毎に最大10%低下します。(15mの場合:最大20%減)
注4)繰返し測長精度とは、作動条件が同条件にて、同ワークを繰返し把持した際のばらつき(コントローラモニタ値)を示します。
注5)押当て(把持)時はガイドおよび送りねじ部が押付けられ、バックラッシ量の影響はありません。
開口時、バックラッシ量分ストロークを大きく設定してください。
注6)繰返し精度とは、作動条件が同条件にて、同ワークを繰返し把持した際のワークの移動量を示します。
注7)位置決め運転時の往復動作の誤差を補正する場合の目安値になります。
注8)耐衝撃…落下式衝撃試験で、送りねじの軸方向および直角方向にて誤作動なし。(初期における値)
耐振動…45~2000Hz 1掃引、送りねじの軸方向および直角方向にて誤作動なし。(初期における値)
注9)コントローラを含む運転時の最大電力を示します。電源容量の選定時にご使用ください。
| 型番 |
|---|
通常単価(税別)
(税込単価) | 通常出荷日 |
|---|
38,879円 ( 42,767円 ) | 6日目 |
73,258円 ( 80,584円 ) | 19日目 |
42,932円 ( 47,225円 ) | 19日目 |
60,333円 ( 66,366円 ) | 19日目 |
78,938円 ( 86,832円 ) | 19日目 |
116,242円 ( 127,866円 ) | 19日目 |
46,410円 ( 51,051円 ) | 19日目 |
81,873円 ( 90,060円 ) | 19日目 |
65,021円 ( 71,523円 ) | 19日目 |
66,357円 ( 72,993円 ) | 19日目 |
83,978円 ( 92,376円 ) | 19日目 |
52,259円 ( 57,485円 ) | 19日目 |
67,294円 ( 74,023円 ) | 19日目 |
69,658円 ( 76,624円 ) | 19日目 |
127,254円 ( 139,979円 ) | 19日目 |
104,908円 ( 115,399円 ) | 19日目 |
63,724円 ( 70,096円 ) | 19日目 |
101,987円 ( 112,186円 ) | 19日目 |
70,061円 ( 77,067円 ) | 19日目 |
85,817円 ( 94,399円 ) | 19日目 |
124,109円 ( 136,520円 ) | 19日目 |
41,367円 ( 45,504円 ) | 19日目 |
56,409円 ( 62,050円 ) | 19日目 |
58,773円 ( 64,650円 ) | 19日目 |
60,110円 ( 66,121円 ) | 19日目 |
58,773円 ( 64,650円 ) | 19日目 |
81,366円 ( 89,503円 ) | 19日目 |
43,065円 ( 47,372円 ) | 19日目 |
60,467円 ( 66,514円 ) | 19日目 |
68,414円 ( 75,255円 ) | 19日目 |
78,118円 ( 85,930円 ) | 19日目 |
46,275円 ( 50,903円 ) | 19日目 |
37,083円 ( 40,791円 ) | 19日目 |
46,410円 ( 51,051円 ) | 19日目 |
61,671円 ( 67,838円 ) | 19日目 |
65,017円 ( 71,519円 ) | 19日目 |
37,083円 ( 40,791円 ) | 19日目 |
85,399円 ( 93,939円 ) | 19日目 |
37,083円 ( 40,791円 ) | 19日目 |
63,816円 ( 70,198円 ) | 19日目 |
37,083円 ( 40,791円 ) | 19日目 |
77,376円 ( 85,114円 ) | 19日目 |
51,501円 ( 56,651円 ) | 19日目 |
110,673円 ( 121,740円 ) | 19日目 |
44,100円 ( 48,510円 ) | 19日目 |
62,636円 ( 68,900円 ) | 19日目 |
91,840円 ( 101,024円 ) | 19日目 |
37,083円 ( 40,791円 ) | 19日目 |
37,083円 ( 40,791円 ) | 19日目 |
81,873円 ( 90,060円 ) | 19日目 |
83,978円 ( 92,376円 ) | 19日目 |
71,002円 ( 78,102円 ) | 19日目 |
38,879円 ( 42,767円 ) | 6日目 |
42,932円 ( 47,225円 ) | 19日目 |
57,967円 ( 63,764円 ) | 19日目 |
60,333円 ( 66,366円 ) | 19日目 |
92,126円 ( 101,339円 ) | 19日目 |
46,410円 ( 51,051円 ) | 19日目 |
63,816円 ( 70,198円 ) | 19日目 |
83,544円 ( 91,898円 ) | 19日目 |
【特長】
・簡単設定:位置と推力の2項目で設定完了
・コントローラはアクチュエータ仕様を設定出荷(アクチュエータ、コントローラセット販売)
・落下防止機能付(全シリーズセルフロック機能付)
・セルフロックにより、消費電力を低減
・把持確認機能付
・位置・速度・力の設定(64点)
通常価格、通常出荷日が表示と異なる場合がございます
通常価格、通常出荷日が表示と異なる場合がございます

SMC
薄形エアチャック MHF2シリーズ
4.7通常価格(税別):77円~

SMC
平行開閉形エアチャック 標準タイプ MHZ2シリーズ
4.5通常価格(税別):381円~

SMC
支点開閉形エアチャック 標準タイプ MHC2シリーズ
4通常価格(税別):782円~

SMC
ロータリチャック MRHQシリーズ
0通常価格(税別):1,109円~

近藤製作所
小型クロスローラ平行ハンド BHAシリーズ
5通常価格(税別):20,790円~

SMC
平行開閉形エアチャック 3爪 MHS3シリーズ
5通常価格(税別):29,506円~

SMC
180°開閉形カム式エアチャック MHY2シリーズ
5通常価格(税別):369円~

CKD
リニアスライドハンド LSH-HPシリーズ
5通常価格(税別):3,095円~

マシンエンジニアリング
MEPAC 平行開閉チャック エコマルチタイプ
4.5通常価格(税別):13,343円~