メカニカル部品技術窓口
※商品画像はイメージです。実際の商品とは異なりますのでご注意ください。回り止め倍力シリンダ MGZシリ...
詳細を確認閲覧中の商品と併せてご検討ください

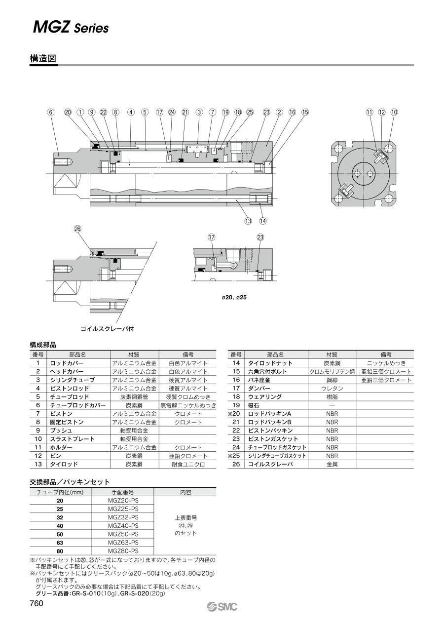
| 番号 | 名称 | 材質 | 備考 |
|---|---|---|---|
| (20) | ロッドパッキンA | NBR | 21,22,23,24は交換不可部品ですので、 パッキンセットには含まれません。 |
| 21 | ロッドパッキンB | ||
| 22 | ピストンパッキン | ||
| 23 | ピストンガスケット | ||
| 24 | チューブロッドガスケット | ||
| (25) | シリンダチューブガスケット |

※パッキンセット(20)、(25)が一式になっておりますので、各チューブ内径の手配番号にて手配してください。
※パッキンセットにはグリースパック(φ20~φ50は10g、φ63、φ80は20g)が付属されます。
グリースパックのみ必要な場合は下記品番にて手配してください。
グリース品番:GR-S-010(10g)、GR-S-020(20g)
※商品画像はイメージです。実際の商品とは異なりますのでご注意ください。
回り止め倍力シリンダ MGZシリーズの交換部品、パッキンセットです。
【カタログはこちらをご参照ください】
P.165 回り止め倍力シリンダ
P.166 回り止め倍力シリンダ ロッド側エンドロック付
P.167 倍力シリンダ 回り止めなし
通常価格、通常出荷日が表示と異なる場合がございます
通常価格、通常出荷日が表示と異なる場合がございます

SMC
ガイド付シリンダ MG・ファインロックシリンダ CLG1・ロック付シリンダ CNG パッキンセット
4.7通常価格(税別):217円~

SMC
薄形シリンダ CQ2・ピンクランプシリンダ CKQ・バルブ付薄形シリンダ CVQ パッキンセット
5通常価格(税別):257円~

SMC
エアシリンダ MB・CA2・MNB・CNA2シリーズ パッキンセット ロックユニット グリースパック
4.7通常価格(税別):120円~

SMC
エアハイドロシリンダ CS1シリーズ・ロック付シリンダ CNS・CLSシリーズ パッキンセット
4通常価格(税別):1,137円~

SMC
エアシリンダ CM2シリーズ・バルブ付エアシリンダ CVシリーズ パッキンセット グリースパック
4.5通常価格(税別):123円~

SMC
ロータリクランプシリンダ MKシリーズ パッキンセット ガイドピンセット アーム
4.5通常価格(税別):554円~

SMC
フリーマウントシリンダ CUシリーズ・真空用フリーマウントシリンダ ZCUKシリーズ パッキンセット
4.5通常価格(税別):285円~

SMC
エアスライドテーブル MXシリーズ パッキンセット ショックアブソーバ
3.8通常価格(税別):606円~

SMC
薄形シリンダ プレート形 CQUシリーズ パッキンセット
5通常価格(税別):1,026円