メカニカル部品技術窓口



サイズ
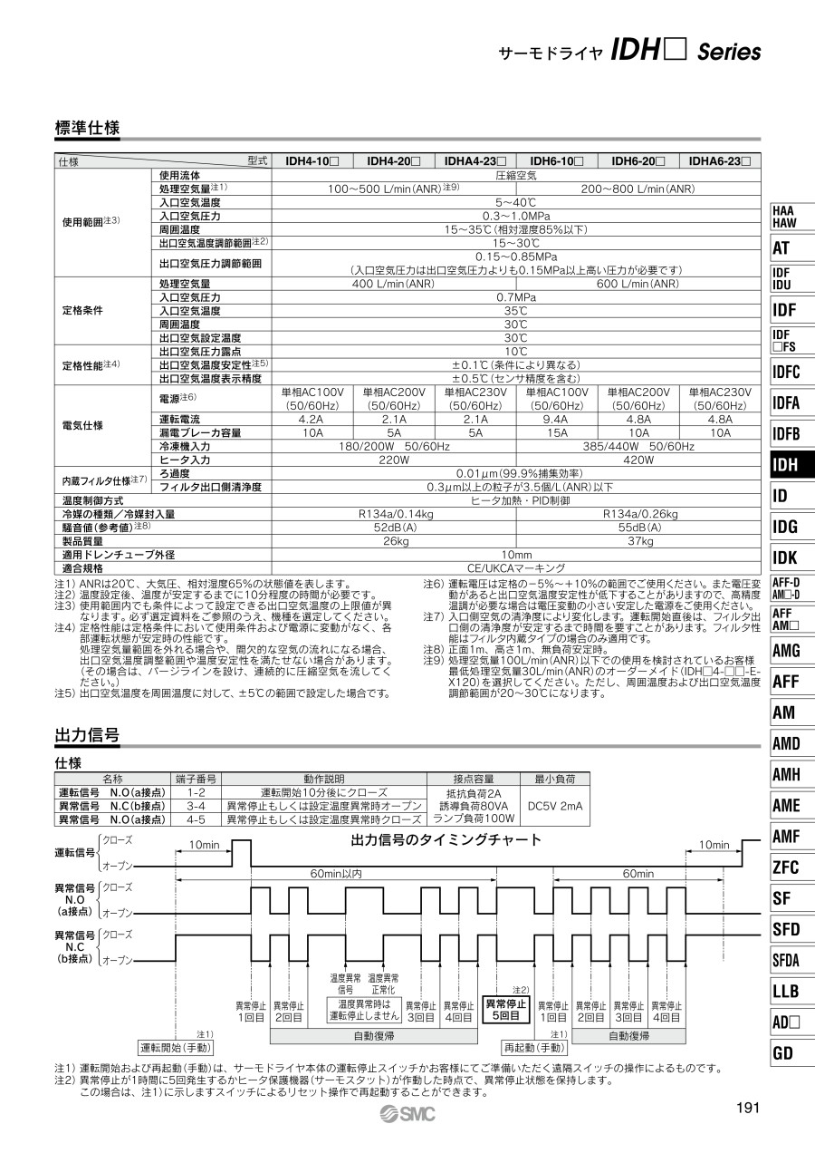
| 仕様 | 型番 | ||||||
|---|---|---|---|---|---|---|---|
| IDH4-10□ | IDH4-20□ | IDHA4-23□ | IDH6-10□ | IDH6-20□ | IDHA6-23□ | ||
| 使用範注3) | 使用流体 | 圧縮空気 | |||||
| 処理空気量注1) | 100~500 L/min(ANR) | 200~800 L/min(ANR) | |||||
| 入口空気温度 | 5~40℃ | ||||||
| 入口空気圧力 | 0.3~1.0MPa | ||||||
| 周囲温度 | 15~35℃(相対湿度85%以下) | ||||||
| 出口空気温度調節範囲注2) | 15~30℃ | ||||||
| 出口空気圧力調節範囲 | 0.15~0.85MPa (入口空気圧力は出口空気圧力よりも0.15MPa以上高い圧力が必要です) | ||||||
| 定格条件 | 処理空気量 | 400 L/min(ANR) | 600 L/min(ANR) | ||||
| 入口空気圧力 | 0.7MPa | ||||||
| 入口空気温度 | 35℃ | ||||||
| 周囲温度 | 30℃ | ||||||
| 出口空気設定温度 | 30℃ | ||||||
| 定格性注4) | 出口空気圧力露点 | 10℃ | |||||
| 出口空気温度安定性注5) | ±0.1℃(条件により異なる) | ||||||
| 出口空気温度表示精度 | ±0.5℃(センサ精度を含む) | ||||||
| 電気仕様 | 電源注6) | 単相AC100V (50/60Hz) | 単相AC200V (50/60Hz) | 単相AC230V (50/60Hz) | 単相AC100V (50/60Hz) | 単相AC200V (50/60Hz) | 単相AC230V (50/60Hz) |
| 運転電流 | 4.2A | 2.1A | 2.1A | 9.4A | 4.8A | 4.8A | |
| 漏電ブレーカ容量 | 10A | 5A | 5A | 15A | 10A | 10A | |
| 冷凍機入力 | 180/200W 50/60Hz | 385/440W 50/60Hz | |||||
| ヒータ入力 | 220W | 420W | |||||
| 内蔵フィルタ仕様注7) | ろ過度 | 0.01μm(99.9%捕集効率) | |||||
| フィルタ出口側清浄度 | 0.3μm以上の粒子が3.5個/L(ANR)以下 | ||||||
| 温度制御方式 | ヒータ加熱・PID制御 | ||||||
| 冷媒の種類/冷媒封入量 | R134a/0.14kg | R134a/0.26kg | |||||
| 騒音値(参考値)注8) | 52dB(A) | 55dB(A) | |||||
| 製品質量 | 26kg | 37kg | |||||
| 適用ドレンチューブ外径 | 10mm | ||||||
| 塗装色 | 本体パネル:アーバンホワイト1 ベース:アーバングレー 2 | ||||||
| 適合規格 | CEマーキング | ||||||
注1)ANRは20℃、大気圧、相対湿度65%の状態値を表します。
注2)温度設定後、温度が安定するまでに10分程度の時間が必要です。
注3)使用範囲内でも条件によって設定できる出口空気温度の上限値が異なります。必ず選定資料をご参照のうえ、機種を選定してください。
注4)定格性能は定格条件において使用条件および電源に変動がなく、各部運転状態が安定時の性能です。処理空気量範囲を外れる場合や、間欠的な空気の流れになる場合、出口空気温度調整範囲や温度安定性を満たせない場合があります。(その場合は、パージラインを設け、連続的に圧縮空気を流してください。)
注5)出口空気温度を周囲温度に対して、±5℃の範囲で設定した場合です。
注6)運転電圧は定格の-5~+10%の範囲でご使用ください。また電圧変動があると出口空気温度安定性が低下することがありますので、高精度温調が必要な場合は電圧変動の小さい安定した電源をご使用ください。
注7)入口側空気の清浄度により変化します。運転開始直後は、フィルタ出口側の清浄度が安定するまで時間を要すことがあります。フィルタ性能はフィルタ内蔵タイプの場合のみ適用です。
注8)正面1m、高さ1m、無負荷安定時。

本製品に入ってきた湿った熱い空気は、クーラで冷却される。この時凝縮された水分はドレンセパレータで分離され自動的に排出される。水分が分離された空気は減圧弁で圧力調整し、プリフィルタ付きマイクロミストセパレータとスーパーミストセパレータでオイルミストや微粒固形物を取り、乾燥した高い清浄度の空気はヒータで温度調整して出口側に供給される。
※フィルタを内蔵しないタイプは適用外です。
冷媒回路内に封入されているフロンガスは冷凍機により圧縮された後、コンデンサで冷却され液化する。そしてキャピラリチューブを通過する際に、減圧され低温になり、クーラ部を通過する間に圧縮空気から熱を奪って激しく蒸発し冷凍機に吸入される。容量調整弁は圧縮空気が十分に冷却されている場合に開き、冷え過ぎによる結露水の凍結を防止する。

出力信号のタイミングチャート
| 名称 | 端子番号 | 動作説明 | 接点容量 | 最小負荷 |
|---|---|---|---|---|
| 運転信号 N.O(a接点) | 1-2 | 運転開始10分後にクローズ | 抵抗負荷2A 誘導負荷80VA ランプ負荷100W | DC5V 2mA |
| 異常信号 N.C(b接点) | 3-4 | 異常停止もしくは設定温度異常時オープン | ||
| 異常信号 N.O(a接点) | 4-5 | 異常停止もしくは設定温度異常時クローズ |
注1)運転開始および再起動(手動)は、サーモドライヤ本体の運転停止スイッチかお客様にてご準備いただく遠隔スイッチの操作によるものです。
注2)異常停止が1時間に5回発生するかヒータ保護機器(サーモスタット)が作動した時点で、異常停止状態を保持します。この場合は、注1)に示しますスイッチによるリセット操作で再起動することができます。

凝縮水量の算出方法
周囲温度30℃、相対湿度60%に設置されているエアコンプレッサで0.7MPaまで加圧し、その圧縮空気を25℃まで冷却したときに凝縮する水分量を算出する場合。
(1m3当り) 交点Cの水分量-交点Hの水分量=凝縮する水分量 18.2-3=15.2g/m3

露点換算図の見方
(例)圧力露点10℃圧力0.7MPaの大気圧露点を求める場合。
※上記以外の製品情報につきましては、カタログを参照下さい。
| 型番 |
|---|
通常単価(税別)
(税込単価) | 通常出荷日 |
|---|
473,025円 ( 520,328円 ) | 6日目 |
473,917円 ( 521,309円 ) | 18日目 |
465,488円 ( 512,037円 ) | 18日目 |
466,380円 ( 513,018円 ) | 18日目 |
447,281円 ( 492,009円 ) | 18日目 |
448,173円 ( 492,990円 ) | 18日目 |
473,025円 ( 520,328円 ) | 5日目 |
473,917円 ( 521,309円 ) | 18日目 |
465,488円 ( 512,037円 ) | 18日目 |
460,459円 ( 506,505円 ) | 18日目 |
447,281円 ( 492,009円 ) | 18日目 |
448,173円 ( 492,990円 ) | 18日目 |
601,545円 ( 661,700円 ) | 3日目 |
602,437円 ( 662,681円 ) | 18日目 |
590,164円 ( 649,180円 ) | 18日目 |
591,057円 ( 650,163円 ) | 18日目 |
565,888円 ( 622,477円 ) | 18日目 |
559,596円 ( 615,556円 ) | 18日目 |
601,545円 ( 661,700円 ) | 5日目 |
602,437円 ( 662,681円 ) | 18日目 |
590,164円 ( 649,180円 ) | 18日目 |
583,565円 ( 641,922円 ) | 18日目 |
565,888円 ( 622,477円 ) | 18日目 |
566,781円 ( 623,459円 ) | 18日目 |
490,875円 ( 539,963円 ) | 5日目 |
491,767円 ( 540,944円 ) | 18日目 |
483,338円 ( 531,672円 ) | 18日目 |
484,230円 ( 532,653円 ) | 18日目 |
465,130円 ( 511,643円 ) | 18日目 |
466,023円 ( 512,625円 ) | 18日目 |
618,450円 ( 680,295円 ) | 5日目 |
628,950円 ( 691,845円 ) | 18日目 |
600,308円 ( 660,339円 ) | 18日目 |
519,728円 ( 571,701円 ) | 18日目 |
586,949円 ( 645,644円 ) | 18日目 |
584,631円 ( 643,094円 ) | 18日目 |
季節を問わずに同じ条件・質の圧縮空気を供給可能なサーモドライヤ。
【特長】
・温調・調圧されたドライクリーンエアを安定供給
・電源はワールドワイドに対応
・コンパクト・省スペース
・壁面密着設置が可能
・電源電圧:単相AC100V、AC200V、AC230V(50/60Hz)

SMC
冷凍式エアドライヤ 使用冷媒 R134a(HFC)標準入気 IDF□Eシリーズ
ステンレス製熱交換器採用により、耐食性が向上しました。処理空気量はMAX40%増でありながら、消費電力はMAX40%減と省エネ設計です。

SMC
冷凍式エアドライヤ 使用冷媒 R134a(HFC)高温入気 IDU□Eシリーズ
コンプレッサから送られてくる湿った圧縮空気の水分を取り除き、水分による空気圧機器の不具合を防止します。ステンレス製熱交換器採用により、耐食性が向上しました。

SMC
冷凍式エアドライヤ 使用冷媒 R134a(HFC) 標準入気 IDFB□Eシリーズ
UL認証取得品です。ステンレス製熱交換器採用により、耐食性が向上しました。電源電圧は単相AC115V(60Hz)、AC230V(60Hz)、三相AC460V(60Hz)となります。
通常価格、通常出荷日が表示と異なる場合がございます
通常価格、通常出荷日が表示と異なる場合がございます

SMC
増圧弁 VBAシリーズ
4.3通常価格(税別):391円~

ミスミ
ターボブロワ
4通常価格(税別):52,810円~

昭和電機
電動送風機 コンパクトシリーズ(Eタイプ)
5通常価格(税別):32,264円~

昭和電機
電動送風機 汎用シリーズ(SF・SBタイプ)
5通常価格(税別):18,832円~

SMC
中継機器/タイムディレーバルブ VR2110シリーズ
5通常価格(税別):16,425円~

SMC
エアタンク VBATシリーズ
4.6通常価格(税別):783円~

アネスト岩田
補助タンク
4通常価格(税別):52,021円

SMC
中継機器 ワンタッチ管継手付シャトルバルブ VR1210F・1220Fシリーズ
3通常価格(税別):1,795円~

SMC
中継機器/リレーバルブ VR4151・4152シリーズ
0通常価格(税別):6,836円~