メカニカル部品技術窓口
シリンダ新ボディにより4面に小型オートスイッチ取付可能なエアチャック。【特長】・重量ワークの把持に適応...
詳細を確認
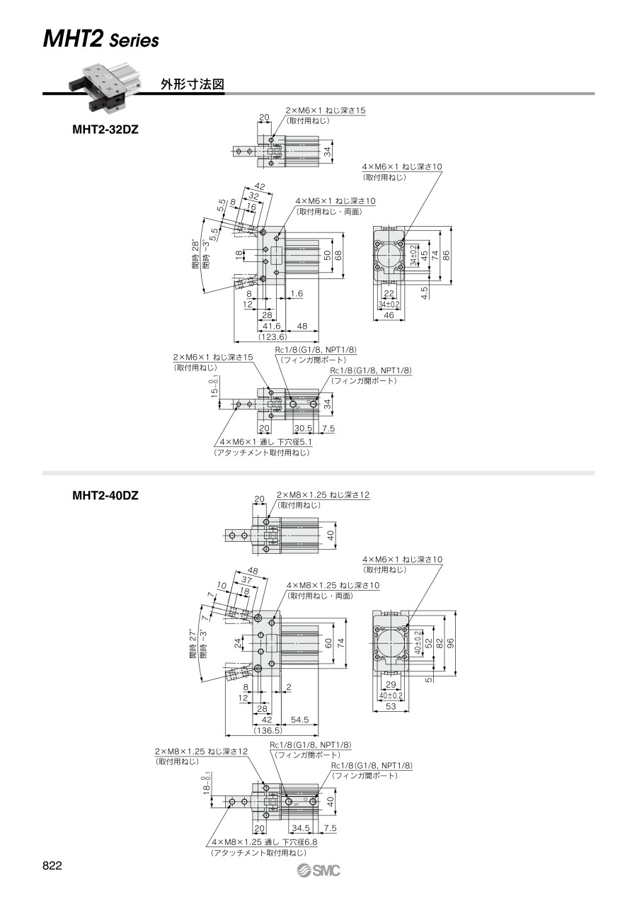
MHT2-32DZ

MHT2-40DZ

MHT2シリーズのJIS記号(複動・外径把持)

| 番号 | 部品名 | 材質 | 備考 |
|---|---|---|---|
| 1 | サイドプレート | アルミニウム合金 | 硬質アルマイト処理 |
| 2 | フィンガ | 炭素鋼 | 黒色亜鉛クロメート |
| 3 | レバー | 炭素鋼 | 黒色亜鉛クロメート |
| 4 | ジョイント | 炭素鋼 | 黒色亜鉛クロメート |
| 5 | シャフト | ステンレス鋼 | - |
| 6 | ジョイントピン | ステンレス鋼 | - |
| 7 | シリンダプレート | 軟鋼板 | 黒色亜鉛クロメート |
| 8 | レバーピン | ステンレス鋼 | - |
| 9 | 軸受 | - | 鋼裏金付き含油アセタール樹脂軸受 |
| 10 | 軸受 | - | 鋼裏金付き含油アセタール樹脂軸受 |
| 11 | シリンダ | - | 薄形シリンダ |
| 型式 | MHT2-32DZ | MHT2-40DZ | MHT2-50DZ | MHT2-63DZ |
|---|---|---|---|---|
| シリンダチューブ内径(mm) | 32 | 40 | 50 | 63 |
| 作動方式 | 複動形 | |||
| 使用流体 | 空気 | |||
| 使用圧力 | 0.1~0.6MPa | |||
| 周囲温度および使用流体温度 | 5~60℃ | |||
| 給油 | 無給油 | |||
| フィンガの開き角度(両側) | -3°~+28° | -3°~27° | -2°~23° | -2°~23° |
| 質量(g) | 790 | 1,070 | 1,890 | 2,720 |
| 注)把持モーメント(実効値)N・m | 12.4 | 36.0 | 63.0 | 106 |
注)圧力0.5MPa時
1. アタッチメントは両フィンガが平行になった時に、ワークを把持するように設計する。
2. アタッチメントには調整用のシムなどを入れて微調整できるよう考慮する。
3. シムが薄い場合、把持力が不足しワークが不安定となることがある。また、シムが厚い場合は、トグルが入り難くなり、時には大きな衝撃音を発することもあるので注意すること。
4. 使用中に、軸受や軸の定常的な摩耗により、当初の把持状態よりも不安定となることがあるので、状況に応じてシムを厚くするなど調整する。

L:把持点の長さの寸法図
※ ワークの把持点は実効把持力グラフの範囲内でご使用ください。
※ オーバーハングがある場合はメーカーサポートセンターへお問い合わせください。

フィンガの推力:Fのイメージ
下グラフの実効把持力は、上図に示す様に2ヶのフィンガおよびアタッチメントが全て
ワークに接している状態での1つのフィンガの推力:Fとしてあらわしている。

MHT2-32DZの実効把持力グラフ
L=100mmの場合

MHT2-40DZの実効把持力グラフ
L=120mmの場合

MHT2-50DZの実効把持力グラフ
L=150mmの場合

MHT2-63DZの実効把持力グラフ
L=180mmの場合
※ トグルを利かして把持する場合、搬送の加速度などによりワークがずれないことを定期的に確認してください。把持が不安定の場合、ワークのずれや落下の原因となり危険です。
※ 把持が不安定の場合、アタッチメントにシムなどを入れて調整してください。
※ 把持状態の確認および調整は、エアチャックやワークの落下のないところで行ってください。
※ ご使用の前に必ず製品個別注意事項をお読みください。
※ 上記以外の製品情報につきましては、カタログを参照ください。
| 型番 |
|---|
通常単価(税別)
(税込単価) | 通常出荷日 |
|---|
5,909円 ( 6,500円 ) | 19日目 |
2,402円 ( 2,642円 ) | 19日目 |
20,442円 ( 22,486円 ) | 19日目 |
6,564円 ( 7,220円 ) | 19日目 |
2,501円 ( 2,751円 ) | 19日目 |
22,104円 ( 24,314円 ) | 19日目 |
7,487円 ( 8,236円 ) | 19日目 |
2,585円 ( 2,844円 ) | 19日目 |
27,513円 ( 30,264円 ) | 19日目 |
8,041円 ( 8,845円 ) | 19日目 |
2,956円 ( 3,252円 ) | 19日目 |
27,587円 ( 30,346円 ) | 19日目 |
37,289円 ( 41,018円 ) | 6日目 |
37,210円 ( 40,931円 ) | 19日目 |
37,306円 ( 41,037円 ) | 19日目 |
38,108円 ( 41,919円 ) | 19日目 |
37,867円 ( 41,654円 ) | 19日目 |
38,427円 ( 42,270円 ) | 19日目 |
39,978円 ( 43,976円 ) | 19日目 |
36,698円 ( 40,368円 ) | 19日目 |
36,418円 ( 40,060円 ) | 19日目 |
38,427円 ( 42,270円 ) | 19日目 |
38,989円 ( 42,888円 ) | 19日目 |
36,978円 ( 40,676円 ) | 19日目 |
36,698円 ( 40,368円 ) | 19日目 |
38,989円 ( 42,888円 ) | 19日目 |
43,872円 ( 48,259円 ) | 19日目 |
38,614円 ( 42,475円 ) | 19日目 |
40,443円 ( 44,487円 ) | 19日目 |
39,736円 ( 43,710円 ) | 19日目 |
41,663円 ( 45,829円 ) | 19日目 |
40,448円 ( 44,493円 ) | 19日目 |
41,607円 ( 45,768円 ) | 19日目 |
50,355円 ( 55,391円 ) | 19日目 |
42,168円 ( 46,385円 ) | 19日目 |
49,368円 ( 54,305円 ) | 19日目 |
44,178円 ( 48,596円 ) | 19日目 |
45,685円 ( 50,254円 ) | 19日目 |
38,567円 ( 42,424円 ) | 19日目 |
40,579円 ( 44,637円 ) | 19日目 |
44,572円 ( 49,029円 ) | 19日目 |
42,729円 ( 47,002円 ) | 19日目 |
44,739円 ( 49,213円 ) | 19日目 |
38,849円 ( 42,734円 ) | 19日目 |
43,384円 ( 47,722円 ) | 19日目 |
45,394円 ( 49,933円 ) | 19日目 |
42,729円 ( 47,002円 ) | 19日目 |
42,250円 ( 46,475円 ) | 6日目 |
41,099円 ( 45,209円 ) | 19日目 |
37,640円 ( 41,404円 ) | 19日目 |
38,427円 ( 42,270円 ) | 19日目 |
46,199円 ( 50,819円 ) | 19日目 |
37,500円 ( 41,250円 ) | 19日目 |
37,359円 ( 41,095円 ) | 19日目 |
50,187円 ( 55,206円 ) | 19日目 |
40,484円 ( 44,532円 ) | 19日目 |
43,242円 ( 47,566円 ) | 19日目 |
41,046円 ( 45,151円 ) | 19日目 |
44,086円 ( 48,495円 ) | 19日目 |
40,657円 ( 44,723円 ) | 19日目 |
シリンダ新ボディにより4面に小型オートスイッチ取付可能なエアチャック。
【特長】
・重量ワークの把持に適応
・トグル機構により強力で安定した把持力
・トグル機構によりエアが遮断されてもワークを保持
・ポートねじの種類:Rc、NPT、G
・フィンガ数:2爪
・シリンダ内径:32mm、40mm、50mm、63mm

SMC
支点開閉形エアチャック 標準タイプ MHC2シリーズ
SMC社の支点開閉形エアチャックとなります。ダブルピストン機構により、コンパクトで把持力の大きい製品です。インジケータランプ付き無接点オートスイッチの取り付けが可能です。可変絞りを内蔵しています。

SMC
180°開閉形カム式エアチャック MHY2シリーズ
SMC社の180°開閉形カム式エアチャックとなります。軽量・コンパクトな小口径シリーズです。開口部が小さく異物の侵入を防ぎます。4箇所にオートスイッチの取り付けが可能です。ステンレス鋼を標準で使用しています。

SMC
180°開閉形ギヤ式エアチャック MHW2シリーズ
SMC社の180°開閉形ギヤ式エアチャックとなります。独自のシール構造による全長の短縮化・防塵対策により、工作機械からのワークの取り出しや保持に使用可能です。開閉時同一の把持力が得られます。ベアリングを標準装備しています。
通常価格、通常出荷日が表示と異なる場合がございます
通常価格、通常出荷日が表示と異なる場合がございます

SMC
平行開閉形エアチャック 標準タイプ MHZ2シリーズ
4.5通常価格(税別):381円~

SMC
薄形エアチャック MHF2シリーズ
4.7通常価格(税別):77円~

SMC
平行開閉形エアチャック 2爪 ロングストローク 薄型・軽量 MHZL2シリーズ
4通常価格(税別):381円~

SMC
180°開閉形カム式エアチャック MHY2シリーズ
5通常価格(税別):369円~

AirTAC(エアタック)
エアハンド(Y形) HFYリーズ
5通常価格(税別):4,629円~

SMC
平行開閉形エアチャック 2爪 ダストカバー付 MHZJ2シリーズ
5通常価格(税別):381円~

SMC
平行開閉形エアチャック 3爪 MHS3シリーズ
5通常価格(税別):29,506円~

マシンエンジニアリング
MEPAC 平行開閉チャック エコマルチタイプ
4.5通常価格(税別):13,343円~

CKD
平行ハンドリニアガイド LHAシリーズ
0通常価格(税別):22,133円~