メカニカル部品技術窓口
高さ方向を小型化したハンド・チャック。【特長】・高い繰り返し精度:±0.01mm・クロスローラガイドに...
詳細を確認
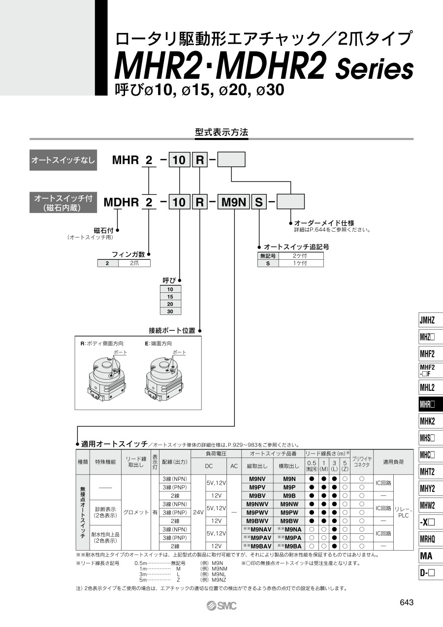
オートスイッチなし:MHR2-10R

MHR2-10Eポート位置

オートスイッチ付(磁石内蔵):MDHR2-10R

MDHR2-10Eポート位置

※ MHRシリーズとMDHRシリーズとは、左図の寸法が異なりますのでご配慮願います。
またオートスイッチの取付溝の有無により、ボディ形状も異なります。
| 機種 | A | B | |
|---|---|---|---|
| MHR2 | -10R | 5 | 14.5 |
| -10E | - | 14.5 | |
| MDHR2 | -10R | 4.7 | 15.5 |
| -10E | - | 15.5 | |

MHR2の構造図

MDHR2 の構造図(01)

MDHR2の構造図(02)
| 番号 | 部品名 | 材質 | 備考 |
|---|---|---|---|
| 1 | ボディ | アルミニウム合金 | 硬質アルマイト処理 |
| 2 | アダプタボディ | アルミニウム合金 | 硬質アルマイト処理 |
| 3 | ガイドホルダ | ステンレス鋼 | - |
| 4 | カム | 冷間圧延鋼板 | 窒化 |
| 5 | フィンガAss'y | ステンレス鋼 | 熱処理 |
| 6 | ガイド | ステンレス鋼 | 熱処理 |
| 7 | ピン | 炭素鋼 | 熱処理 無電解ニッケルめっき |
| 8 | ピンローラ | ステンレス鋼 | 窒化 |
| 9 | ベーンシャフト | ステンレス鋼・NBR | M□HR2-30は炭素鋼・NBR |
| 10 | ジョイントボルト | クロムモリブデン鋼 | 亜鉛クロメート |
| 番号 | 部品名 | 材質 | 備考 |
|---|---|---|---|
| 11 | ストッパ | 樹脂 | - |
| 12 | バックアップリング | ステンレス鋼板 | - |
| 13 | 六角穴付ボルト | ステンレス鋼 | - |
| 14 | ベアリング | 高炭素クロム軸受鋼 | - |
| 15 | 円筒コロ | ステンレス鋼 | - |
| 16 | 磁石 | - | - |
| 17 | マグネットホルダ | アルミニウム合金 | 硬質アルマイト処理 |
| 18 | ローラ | ステンレス鋼 | - |
| 19 | "O"リング | NBR | - |
| 20 | ストッパパッキン | NBR | - |
| 呼び | 10 | 15 | 20 | 30 | |
|---|---|---|---|---|---|
| 作動方式 | 複動 | ||||
| ※1把持力N(実効値)0.5MPa時の値 | 外径把持力 | 12 | 24 | 33 | 58 |
| 内径把持力 | 12 | 25 | 34 | 59 | |
| 開閉ストローク(両側) | フィンガ閉幅(mm) | 10 | 14 | 16 | 19 |
| フィンガ開幅(mm) | 16 | 22 | 28 | 37 | |
| ストローク(mm) | 6 | 8 | 12 | 18 | |
| ※2質量g | 100(95) | 180(175) | 390(380) | 760(740) | |
| 接続口径 | M3×0.5 | M5×0.8 | |||
| 繰り返し精度 | ±0.01mm | ||||
| 使用流体 | 空気 | ||||
| 使用圧力 | 0.2~0.6MPa | 0.15~0.6MPa | |||
| 周囲温度および使用流体温度 | 0~60℃ | ||||
| 最高使用頻度 | 180c.p.m | ||||
| 給油 | ※3無給油 | ||||
※1 各把持点での把持力は、カタログの「実効把持力」データをご参照ください。
実効把持力は開閉ストローク中間位置での値となっております。
※2 ( )内数値はMDHRの質量を示します。ただし、オートスイッチの質量は含んでいません。
※3 この製品は無給油でご使用ください。給油で使用した場合スティックスリップなどの現象が発生します。
※ フィンガ開閉速度を全ストローク0.2秒以上にすると、スティック現象を生じたり、全ストローク作動しなくなることがありますのでご注意ください。
※ その他仕様、外形寸法図につきましてはカタログを参照してください。
| 型番 |
|---|
通常単価(税別)
(税込単価) | 通常出荷日 |
|---|
39,036円 ( 42,940円 ) | 19日目 |
39,598円 ( 43,558円 ) | 19日目 |
36,939円 ( 40,633円 ) | 19日目 |
36,657円 ( 40,323円 ) | 19日目 |
39,783円 ( 43,761円 ) | 19日目 |
40,346円 ( 44,381円 ) | 19日目 |
39,503円 ( 43,453円 ) | 19日目 |
40,063円 ( 44,069円 ) | 19日目 |
40,251円 ( 44,276円 ) | 19日目 |
37,265円 ( 40,992円 ) | 19日目 |
39,223円 ( 43,145円 ) | 19日目 |
39,783円 ( 43,761円 ) | 19日目 |
37,024円 ( 40,726円 ) | 19日目 |
39,503円 ( 43,453円 ) | 19日目 |
36,885円 ( 40,574円 ) | 19日目 |
36,746円 ( 40,421円 ) | 19日目 |
39,783円 ( 43,761円 ) | 19日目 |
36,885円 ( 40,574円 ) | 19日目 |
45,202円 ( 49,722円 ) | 19日目 |
39,036円 ( 42,940円 ) | 19日目 |
41,467円 ( 45,614円 ) | 19日目 |
48,524円 ( 53,376円 ) | 19日目 |
39,598円 ( 43,558円 ) | 19日目 |
41,285円 ( 45,414円 ) | 19日目 |
36,939円 ( 40,633円 ) | 19日目 |
39,315円 ( 43,247円 ) | 19日目 |
36,657円 ( 40,323円 ) | 19日目 |
39,783円 ( 43,761円 ) | 19日目 |
40,346円 ( 44,381円 ) | 19日目 |
48,677円 ( 53,545円 ) | 19日目 |
37,306円 ( 41,037円 ) | 19日目 |
38,402円 ( 42,242円 ) | 19日目 |
37,024円 ( 40,726円 ) | 19日目 |
40,906円 ( 44,997円 ) | 19日目 |
39,503円 ( 43,453円 ) | 19日目 |
40,063円 ( 44,069円 ) | 19日目 |
39,938円 ( 43,932円 ) | 19日目 |
40,625円 ( 44,688円 ) | 19日目 |
47,528円 ( 52,281円 ) | 19日目 |
40,251円 ( 44,276円 ) | 19日目 |
39,223円 ( 43,145円 ) | 19日目 |
39,783円 ( 43,761円 ) | 19日目 |
37,024円 ( 40,726円 ) | 19日目 |
36,746円 ( 40,421円 ) | 19日目 |
42,964円 ( 47,260円 ) | 19日目 |
39,783円 ( 43,761円 ) | 19日目 |
40,346円 ( 44,381円 ) | 19日目 |
42,217円 ( 46,439円 ) | 19日目 |
37,306円 ( 41,037円 ) | 19日目 |
40,063円 ( 44,069円 ) | 19日目 |
37,024円 ( 40,726円 ) | 19日目 |
39,503円 ( 43,453円 ) | 19日目 |
40,063円 ( 44,069円 ) | 19日目 |
39,337円 ( 43,271円 ) | 19日目 |
40,625円 ( 44,688円 ) | 19日目 |
40,346円 ( 44,381円 ) | 19日目 |
39,223円 ( 43,145円 ) | 19日目 |
39,783円 ( 43,761円 ) | 19日目 |
43,242円 ( 47,566円 ) | 19日目 |
42,964円 ( 47,260円 ) | 19日目 |
高さ方向を小型化したハンド・チャック。
【特長】
・高い繰り返し精度:±0.01mm
・クロスローラガイドによる平行開閉機構によりガタのない滑らかな動きで高精度・長寿命
・駆動源にロータリアクチュエータを使用することにより、コンパクトな設計が可能
・自由度の高い取付方向
・作動位置検出が容易なインジケータランプ付無接点オートスイッチD-M9型の取付が可能
・高剛性タイプ
・2方向の接続ポート位置
・1台で内径把持、外径把持が可能
・クリーンシリーズの対応可能

SMC
ロータリ駆動形エアチャック 3爪タイプ MHR3・MDHR3シリーズ
ロータリ駆動形エアチャックです。丸型ワークの軸方向把持に最適です。クロスローラガイドの平行開閉機構により、ガタのない滑らかな動きで高精度・高寿命となっています。高剛性タイプでフィンガのガタつきがありません。

SMC
薄形エアチャック MHF2シリーズ
平行開閉形エアチャックです。高さ寸法を縮小した薄形タイプです。ショート、ミドル、ロングの3種類のストロークを標準化しました。リニアガイド採用により、高剛性・高精度です。

SMC
平行開閉形エアチャック 2爪 MHS2シリーズ
平行開閉形エアチャックです。多様ワークの把持や、圧入など外力の加わる作業に最適です。クサビ形カム構造により高さ方向が小形になっています。本体取付時の心出しが容易で、2方向からの取付が可能です。
通常価格、通常出荷日が表示と異なる場合がございます
通常価格、通常出荷日が表示と異なる場合がございます

SMC
平行開閉形エアチャック 2爪 ロングストローク 薄型・軽量 MHZL2シリーズ
4通常価格(税別):381円~

SMC
平行開閉形エアチャック 標準タイプ MHZ2シリーズ
4.5通常価格(税別):381円~

ミスミ
小型平行チャック
3.7通常価格(税別):10,390円~

SMC
平行開閉形エアチャック 3爪 MHS3シリーズ
5通常価格(税別):29,506円~

SMC
180°開閉形カム式エアチャック MHY2シリーズ
5通常価格(税別):369円~

AirTAC(エアタック)
エアハンド(平行開閉形) HFZシリーズ
4.8通常価格(税別):10,235円~

SMC
薄形エアチャック MHF2シリーズ
4.7通常価格(税別):77円~

SMC
支点開閉形エアチャック 標準タイプ MHC2シリーズ
4通常価格(税別):782円~

近藤製作所
チャック パワフルチャック CKLシリーズ
5通常価格(税別):29,580円~