メカニカル部品技術窓口
ワークに応じたクランプ位置高さの選択が可能なクランプシリンダ。【特長】・4面取付が可能、同一面2個取付...
詳細を確認単位:mm


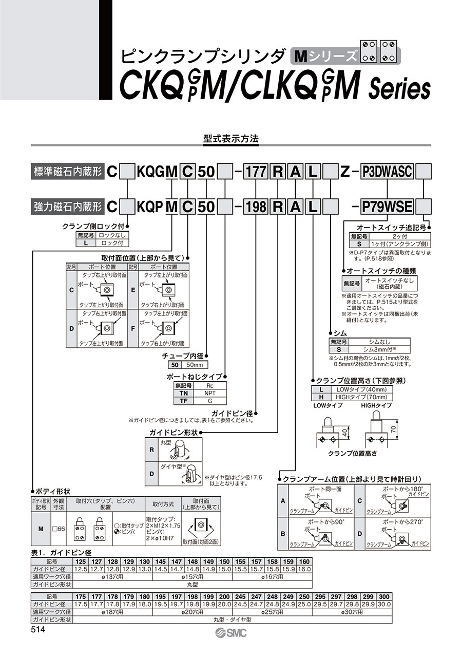
ガイドピン形状

シム付 LOWタイプ/シム付 HIGHタイプの場合

LOWタイプの場合


ガイドピン形状

シム付 LOWタイプ/シム付 HIGHタイプの場合

LOWタイプの場合
| 作動方式 | 複動式 | |||
|---|---|---|---|---|
| チューブ内径 | 50mm | |||
| 使用流体 | 空気 | |||
| 最低使用圧力 | CKQ□:0.1MPa | CLKQ□(ロック付):0.15MPa※ | ||
| 最高使用圧力 | ガイドピン径 | φ12.5~13.0(直径12.5~13.0mm) | 0.7MPa | |
| φ14.5~30.0(直径14.5~30.0mm) | 1.0MPa | |||
| 保証耐圧力 | ガイドピン径 | φ12.5~13.0(直径12.5~13.0mm) | 1.0MPa | |
| φ14.5~30.0(直径14.5~30.0mm) | 1.5MPa | |||
| 周囲温度および使用流体温度 | -10~+60℃(ただし、凍結なきこと) | |||
| クッション | なし | |||
| 給油 | 無給油 | |||
| 使用ピストン速度(クランプ速度) | 50~150mm/sec | |||
| 接続口径(シリンダポート) | 1/4(Rc、NPT、G) | |||

■リード線・コネクタ仕様の詳細は下記をご参照下さい。

単位:mm
| ワーク穴径 | C | φD | φd | E | G | H | K | L | SR | W | φZ | ||
|---|---|---|---|---|---|---|---|---|---|---|---|---|---|
| LOW タイプ | HIGH タイプ | LOW タイプ | HIGH タイプ | ||||||||||
| φ13(直径13mm) | 9 | φ30(直径30mm) | φ13.0(直径13.0mm) | ≒7 | 33 | シムなし 40±0.05 | シムなし 70±0.05 | 6 | 204.5 | 234.5 | 4 | - | φ36(直径36mm) |
| シム付 40 | シム付 70 | ||||||||||||
| φ15(直径15mm) | 11 | φ30(直径30mm) | φ14.7(直径14.7mm) | ≒8 | 34 | シムなし 40±0.05 | シムなし 70±0.05 | 7 | 205.5 | 235.5 | 5 | - | φ36(直径36mm) |
| シム付 40 | シム付 70 | ||||||||||||
| φ16(直径16mm) | 11 | φ30(直径30mm) | φ16.0(直径16.0mm) | ≒7 | 34 | シムなし 40±0.05 | シムなし 70±0.05 | 7 | 205.5 | 235.5 | 5.5 | - | φ36(直径36mm) |
| シム付 40 | シム付 70 | ||||||||||||
| φ18(直径18mm) | 12 | φ35(直径35mm) | - | - | 37 | シムなし 40±0.05 | シムなし 70±0.05 | 7 | 208.5 | 238.5 | 6 | 6 | φ40(直径40mm) |
| シム付 40 | シム付 70 | ||||||||||||
| φ20(直径20mm) | 13 | φ35(直径35mm) | φ19.7(直径19.7mm) | ≒9 | 39 | シムなし 40±0.05 | シムなし 70±0.05 | 8 | 210.5 | 240.5 | 7 | 7 | φ40(直径40mm) |
| φ19.8(直径19.8mm) | ≒8 | ||||||||||||
| シム付 40 | シム付 70 | ||||||||||||
| φ20.0(直径20.0mm) | ≒7 | ||||||||||||
| ワーク穴径 | C | φD | φd | E | G | H | K | L | SR | W | φZ | ||
|---|---|---|---|---|---|---|---|---|---|---|---|---|---|
| LOW タイプ | HIGH タイプ | LOW タイプ | HIGH タイプ | ||||||||||
| φ15(直径15mm) | 11 | φ30(直径30mm) | φ14.8(直径14.8mm) | ≒8 | 34 | シムなし 40±0.05 | シムなし 70±0.05 | 7 | 240.5 | 270.5 | 5 | - | φ36(直径36mm) |
| シム付 40 | シム付 70 | ||||||||||||
| φ25(直径25mm) | 16 | φ40(直径40mm) | φ24.8(直径24.8mm) | ≒8 | 39 | シムなし 40±0.05 | シムなし 70±0.05 | 8 | 245.5 | 275.5 | 9.5 | 7 | φ47(直径47mm) |
| シム付 40 | シム付 70 | ||||||||||||
| φ30(直径30mm) | 18 | φ40(直径40mm) | φ29.8(直径29.8mm) | ≒8 | 39 | シムなし 40±0.05 | シムなし 70±0.05 | 8 | 245.5 | 275.5 | 11 | 9 | φ47(直径47mm) |
| シム付 40 | シム付 70 | ||||||||||||
| 型番 |
|---|
通常単価(税別)
(税込単価) | 通常出荷日 |
|---|
81,611円 ( 89,772円 ) | 19日目 |
81,045円 ( 89,150円 ) | 19日目 |
65,696円 ( 72,266円 ) | 19日目 |
67,043円 ( 73,747円 ) | 19日目 |
70,242円 ( 77,266円 ) | 19日目 |
70,242円 ( 77,266円 ) | 19日目 |
70,242円 ( 77,266円 ) | 19日目 |
67,043円 ( 73,747円 ) | 19日目 |
67,043円 ( 73,747円 ) | 19日目 |
68,109円 ( 74,920円 ) | 19日目 |
80,298円 ( 88,328円 ) | 19日目 |
70,242円 ( 77,266円 ) | 19日目 |
67,043円 ( 73,747円 ) | 19日目 |
67,721円 ( 74,493円 ) | 19日目 |
70,242円 ( 77,266円 ) | 19日目 |
67,721円 ( 74,493円 ) | 19日目 |
66,741円 ( 73,415円 ) | 19日目 |
67,043円 ( 73,747円 ) | 19日目 |
67,043円 ( 73,747円 ) | 19日目 |
67,043円 ( 73,747円 ) | 19日目 |
72,515円 ( 79,767円 ) | 19日目 |
85,099円 ( 93,609円 ) | 19日目 |
72,515円 ( 79,767円 ) | 19日目 |
72,515円 ( 79,767円 ) | 19日目 |
85,099円 ( 93,609円 ) | 19日目 |
79,695円 ( 87,665円 ) | 19日目 |
72,515円 ( 79,767円 ) | 19日目 |
81,794円 ( 89,973円 ) | 19日目 |
95,049円 ( 104,554円 ) | 19日目 |
103,844円 ( 114,228円 ) | 19日目 |
124,950円 ( 137,445円 ) | 19日目 |
114,450円 ( 125,895円 ) | 19日目 |
99,644円 ( 109,608円 ) | 19日目 |
114,449円 ( 125,894円 ) | 19日目 |
ワークに応じたクランプ位置高さの選択が可能なクランプシリンダ。
【特長】
・4面取付が可能、同一面2個取付可能
・設計自由度の向上
・オートスイッチ出っ張り5mm短縮
・直接取付が可能
・取付金具不要で作業性が向上します
・ガイドピン55種類
・シム付タイプを選択することによりクランプ位置高さの微調節が可能
・ロック機構付選択可能
・D-P4DW型オートスイッチも取付可能
・同一面に2個取付可能

SMC
ピンクランプシリンダ Dシリーズ CKQGD・CKQPD・CLKQGD・CLKQPD
ワークに応じたクランプ位置高さの選択が可能です。Dシリーズは取付方式が取付タップ:4×M10×1.5、ピン穴:2×φ8(直径8mm)H7、取付穴(タップ、ピン穴)配置がタップ平行となっています。

SMC
ピンクランプシリンダ Uシリーズ CKQGU・CKQPU・CLKQGU・CLKQPU
ワークに応じたクランプ位置高さの選択が可能です。Uシリーズは取付方式が取付タップ:2×M10×1.5、ピン穴:2×φ8(直径8mm)H7、取付穴(タップ、ピン穴)配置がタップ右上がりとなっています。

SMC
ピンクランプシリンダ Kシリーズ CKQGK・CKQPK・CLKQGK・CLKQPK
ワークに応じたクランプ位置高さの選択が可能です。Kシリーズは取付方式が取付タップ:2×M10×1.5、ピン穴:2×φ10(直径10mm)H7、取付穴(タップ、ピン穴)配置がタップ右上がり・左上がりとなっています。
通常価格、通常出荷日が表示と異なる場合がございます
通常価格、通常出荷日が表示と異なる場合がございます

SMC
ロータリクランプシリンダ 標準形 MKシリーズ
4.2通常価格(税別):7,944円~

コスメック
キャッチシリンダ WKAシリーズ
0通常価格(税別):3,395円~

コスメック
エアスイングクランプ WHCシリーズ
0通常価格(税別):11,730円~

ミスミ
フローティングジョイント -スタンダ-ドめねじタイプ-
4.3通常価格(税別):580円~

ミスミ
ホルダ -サイドマウントフランジタイプ-
4.8通常価格(税別):890円~

ミスミ
フローティングジョイント フランジ取付型
4.9通常価格(税別):530円~

ミスミ
フローティングジョイント 簡易接続型 -【めねじ】 シリンダコネクタ セパレ-トタイプ-
4.7通常価格(税別):490円~

ミスミ
フロ-テイングジョイント フランジ取付型 -角プランジタイプ-セット品
4.5通常価格(税別):1,270円~

ミスミ
シリコンゴムプッシャ/ふっ素ゴムプッシャ めねじタイプ
4.5通常価格(税別):1,260円~