メカニカル部品技術窓口
単位:mm


シム付きLOWタイプの場合

シム付きHIGHタイプの場合

LOWタイプの場合

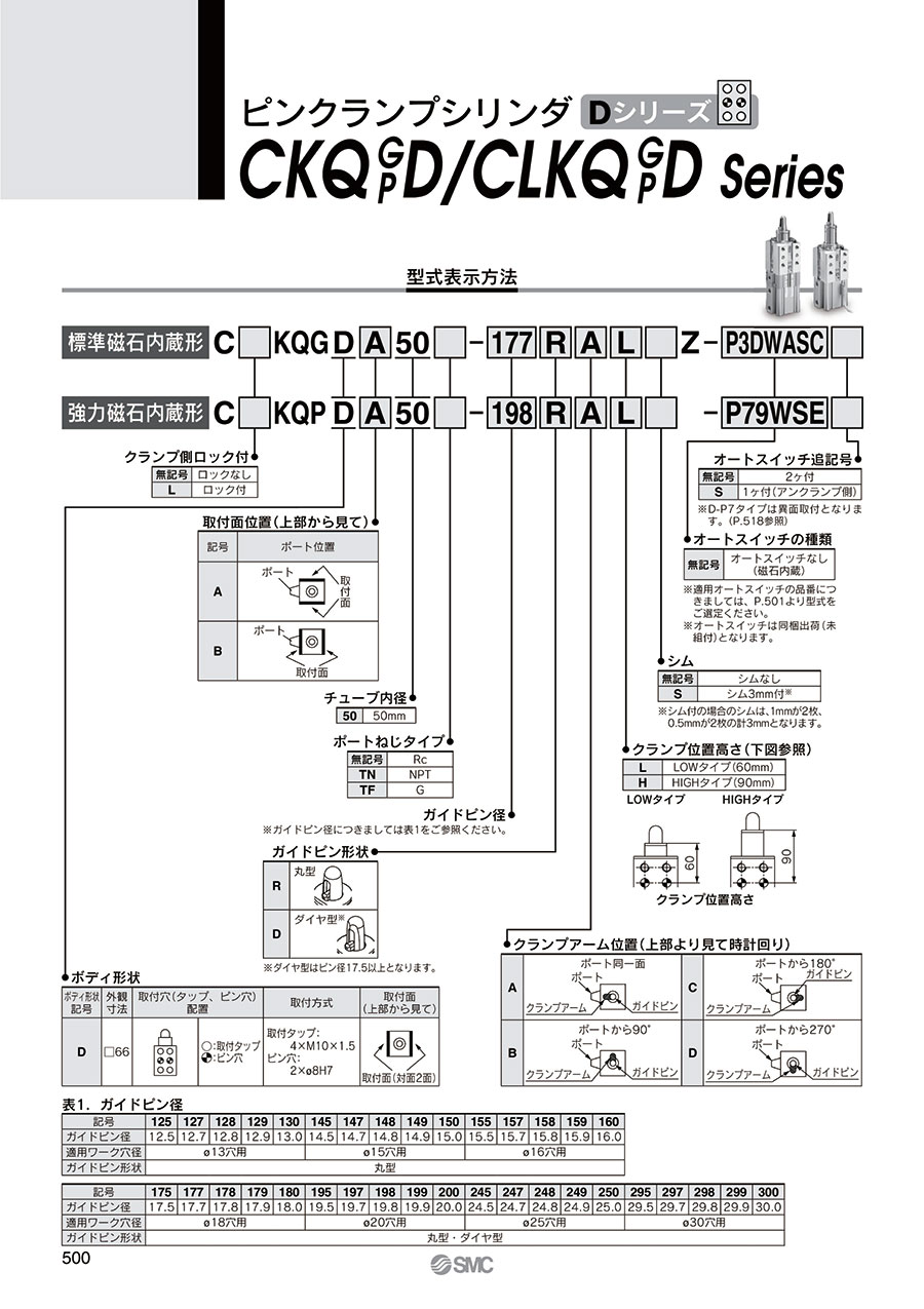
ガイドピン形状:丸型

ガイドピン形状:ダイヤ型(φ17.5(ガイドピン径17.5mm)以上)

外観

Dシリーズの外観(取り付けタップ:4×M10×1.5/ピン穴:2×φ8(直径8mm)H7)

タップ平行:取り付け穴(タップ、ピン穴) の配置図

位置決めとクランプが同時にできる
| 作動方式 | 複動式 | |||
|---|---|---|---|---|
| チューブ内径 | 50mm | |||
| 使用流体 | 空気 | |||
| 最低使用圧力 | CKQ□:0.1MPa | CLKQ□(ロック付):0.15MPa※ | ||
| 最高使用圧力 | ガイドピン径 | φ12.5~13.0(ガイドピン径12.5~13.0mm) | 0.7MPa | |
| φ14.5~30.0(ガイドピン径14.5~30.0mm) | 1.0MPa | |||
| 保証耐圧力 | ガイドピン径 | φ12.5~13.0(ガイドピン径12.5~13.0mm) | 1.0MPa | |
| φ14.5~30.0(ガイドピン径14.5~30.0mm) | 1.5MPa | |||
| 周囲温度および使用流体温度 | -10~+60℃(ただし、凍結なきこと) | |||
| クッション | なし | |||
| 給油 | 無給油 | |||
| 使用ピストン速度(クランプ速度) | 50~150mm/sec | |||
| 接続口径(シリンダポート) | 1/4(Rc、NPT、G) | |||
※シリンダ部とロック部を同一配管とした場合最低作動圧力は0.2MPaとなります。
| ロック作動形式 | スプリングロック(排気ロック) |
|---|---|
| ロック開放圧力 | 0.2MPa以上 |
| ロック開始圧力 | 0.05MPa以下 |
| ロック方向 | 前進方向時ロック(クランプ保持) |
| 接続口径(ロック開放ポート) | 1/8(Rc、NPT、G) |
| 保持力(最大静荷重) | 982N |
単位:N
| 型番 | ガイドピン径 | 使用圧力 MPa | ||||||||
|---|---|---|---|---|---|---|---|---|---|---|
| 0.2 | 0.3 | 0.4 | 0.5 | 0.6 | 0.7 | 0.8 | 0.9 | 1.0 | ||
| CKQG CKQP | φ12.5~13.0(ガイドピン径12.5~13.0mm) | 164.9 | 329.8 | 494.7 | 659.6 | 824.5 | 989.4 | - | - | - |
| φ14.5~30.0(ガイドピン径14.5~30.0mm) | 164.9 | 329.8 | 494.7 | 659.6 | 824.5 | 989.4 | 1,154.3 | 1,319.2 | 1,484.1 | |
| CLKQG CLKQP | φ12.5~13.0(ガイドピン径12.5~13.0mm) | 82.4 | 247.3 | 412.2 | 577.1 | 742.0 | 906.9 | - | - | - |
| φ14.5~30.0(ガイドピン径14.5~30.0mm) | 82.4 | 247.3 | 412.2 | 577.1 | 742.0 | 906.9 | 1,071.8注1) | 1,236.7注1) | 1,401.6注1) | |
注1)CLKQ□ロック保持力は982Nですので使用圧力が0.75MPaを超える場合は、ロック保持力を考慮した回路設計を行ってください。ロック保持力を超える負荷が加わった場合にはロック部の磨耗、損傷による寿命低下および、事故につながるのでロック保持力以下でご使用ください。
注2)アンクランプ状態からシリンダが作動しクランプ力が発生するまで0.3sec程度(スピードコントローラを装着しない場合)かかりますので、クランプ力を考慮した回路設計を行ってください。
注3)クランプ力が大きいとワークを傷つける場合がありますのでワーク強度を考慮したうえでクランプ力を決定してください。
単位:kg
| 型番 | C(L)KQGD C(L)KQPD | |||
|---|---|---|---|---|
| ガイドピン径 (mm) | ロックなし | ロック付 | ||
| LOW | HIGH | LOW | HIGH | |
| φ12.5~13.0(ガイドピン径12.5~13.0mm) | 1.62 | 1.79 | 2.14 | 2.3 |
| φ14.5~15.0(ガイドピン径14.5~15.0mm) | 1.62 | 1.79 | 2.14 | 2.3 |
| φ15.5~16.0(ガイドピン径15.5~16.0mm) | 1.63 | 1.79 | 2.14 | 2.31 |
| φ17.5~18.0(ガイドピン径17.5~18.0mm) | 1.67 | 1.84 | 2.18 | 2.36 |
| φ19.5~20.0(ガイドピン径19.5~20.0mm) | 1.68 | 1.85 | 2.19 | 2.37 |
| φ24.5~25.0(ガイドピン径24.5~25.0mm) | 1.74 | 1.94 | 2.25 | 2.46 |
| φ29.5~30.0(ガイドピン径29.5~30.0mm) | 1.78 | 1.98 | 2.29 | 2.5 |

リード線・コネクタ仕様の詳細は下記をご参照下さい。



単位:mm
| ワーク穴径 | C | φD | φd | E | G | H | K | L | SR | W | φZ | ||
|---|---|---|---|---|---|---|---|---|---|---|---|---|---|
| LOW タイプ | HIGH タイプ | LOW タイプ | HIGH タイプ | ||||||||||
| φ13(ワーク穴径13mm) | 9 | φ30(直径30mm) | φ12.5(直径12.5mm) | ≒10 | 33 | シムなし 60±0.05 | シムなし 90±0.05 | 6 | 204.5 | 234.5 | 4 | - | φ36(直径36mm) |
| φ12.7(直径12.7mm) | ≒9 | ||||||||||||
| φ12.8(直径12.8mm) | ≒8 | ||||||||||||
| シム付 60 | シム付 90 | ||||||||||||
| φ12.9(直径12.9mm) | ≒8 | ||||||||||||
| φ13.0(直径13.0mm) | ≒7 | ||||||||||||
| φ15(ワーク穴径15mm) | 11 | φ30(直径30mm) | φ14.5(直径14.5mm) | ≒9 | 34 | シムなし 60±0.05 | シムなし 90±0.05 | 7 | 205.5 | 235.5 | 5 | - | φ36(直径36mm) |
| φ14.7(直径14.7mm) | ≒8 | ||||||||||||
| φ14.8(直径14.8mm) | ≒8 | ||||||||||||
| シム付 60 | シム付 90 | ||||||||||||
| φ14.9(直径14.9mm) | ≒7 | ||||||||||||
| φ15.0(直径15.0mm) | ≒7 | ||||||||||||
| φ16(ワーク穴径16mm) | 11 | φ30(直径30mm) | φ15.5(直径15.5mm) | ≒10 | 34 | シムなし 60±0.05 | シムなし 90±0.05 | 7 | 205.5 | 235.5 | 5.5 | - | φ36(直径36mm) |
| φ15.7(直径15.7mm) | ≒9 | ||||||||||||
| φ15.8(直径15.8mm) | ≒8 | ||||||||||||
| シム付 60 | シム付 90 | ||||||||||||
| φ15.9(直径15.9mm) | ≒8 | ||||||||||||
| φ16.0(直径16.0mm) | ≒7 | ||||||||||||
| φ18(ワーク穴径18mm) | 12 | φ35(直径35mm) | φ17.5(直径17.5mm) | ≒10 | 37 | シムなし 60±0.05 | シムなし 90±0.05 | 7 | 208.5 | 238.5 | 6 | 6 | φ40(直径40mm) |
| φ17.7(直径17.7mm) | ≒9 | ||||||||||||
| φ17.8(直径17.8mm) | ≒8 | ||||||||||||
| シム付 60 | シム付 90 | ||||||||||||
| φ17.9(直径17.9mm) | ≒8 | ||||||||||||
| φ18.0(直径18.0mm) | ≒7 | ||||||||||||
| φ20(ワーク穴径20mm) | 13 | φ35(直径35mm) | φ19.5(直径19.5mm) | ≒10 | 39 | シムなし 60±0.05 | シムなし 90±0.05 | 8 | 210.5 | 240.5 | 7 | 7 | φ40(直径40mm) |
| φ19.7(直径19.7mm) | ≒9 | ||||||||||||
| φ19.8(直径19.8mm) | ≒8 | ||||||||||||
| シム付 60 | シム付 90 | ||||||||||||
| φ19.9(直径19.9mm) | ≒8 | ||||||||||||
| φ20.0(直径20.0mm) | ≒7 | ||||||||||||
| φ25(ワーク穴径25mm) | 16 | φ40(直径40mm) | φ24.5(直径24.5mm) | ≒10 | 39 | シムなし 60±0.05 | シムなし 90±0.05 | 8 | 210.5 | 240.5 | 9.5 | 7 | φ47(直径47mm) |
| φ24.7(直径24.7mm) | ≒9 | ||||||||||||
| φ24.8(直径24.8mm) | ≒8 | ||||||||||||
| シム付 60 | シム付 90 | ||||||||||||
| φ24.9(直径24.9mm) | ≒8 | ||||||||||||
| φ25.0(直径25.0mm) | ≒7 | ||||||||||||
| φ30(ワーク穴径30mm) | 18 | φ40(直径40mm) | φ29.5(直径29.5mm) | ≒10 | 39 | シムなし 60±0.05 | シムなし 90±0.05 | 8 | 210.5 | 240.5 | 11 | 9 | φ47(直径47mm) |
| φ29.7(直径29.7mm) | ≒9 | ||||||||||||
| φ29.8(直径29.8mm) | ≒8 | ||||||||||||
| シム付 60 | シム付 90 | ||||||||||||
| φ29.9(直径29.9mm) | ≒8 | ||||||||||||
| φ30.0(直径30.0mm) | ≒7 | ||||||||||||
P:ポートねじタイプ
| 型番 |
|---|
通常単価(税別)
(税込単価) | 通常出荷日 |
|---|
80,759円 ( 88,835円 ) | 19日目 |
59,126円 ( 65,039円 ) | 19日目 |
68,443円 ( 75,287円 ) | 19日目 |
63,082円 ( 69,390円 ) | 19日目 |
73,218円 ( 80,540円 ) | 19日目 |
70,183円 ( 77,201円 ) | 19日目 |
66,373円 ( 73,010円 ) | 19日目 |
79,811円 ( 87,792円 ) | 19日目 |
65,823円 ( 72,405円 ) | 19日目 |
79,330円 ( 87,263円 ) | 19日目 |
80,616円 ( 88,678円 ) | 19日目 |
74,899円 ( 82,389円 ) | 19日目 |
63,958円 ( 70,354円 ) | 19日目 |
64,465円 ( 70,912円 ) | 19日目 |
58,629円 ( 64,492円 ) | 19日目 |
60,067円 ( 66,074円 ) | 19日目 |
59,126円 ( 65,039円 ) | 19日目 |
61,293円 ( 67,422円 ) | 19日目 |
62,359円 ( 68,595円 ) | 19日目 |
75,664円 ( 83,230円 ) | 19日目 |
60,339円 ( 66,373円 ) | 19日目 |
75,824円 ( 83,406円 ) | 19日目 |
76,836円 ( 84,520円 ) | 19日目 |
74,752円 ( 82,227円 ) | 19日目 |
76,836円 ( 84,520円 ) | 19日目 |
74,665円 ( 82,132円 ) | 19日目 |
59,562円 ( 65,518円 ) | 19日目 |
63,293円 ( 69,622円 ) | 19日目 |
66,490円 ( 73,139円 ) | 19日目 |
58,629円 ( 64,492円 ) | 19日目 |
74,665円 ( 82,132円 ) | 19日目 |
70,976円 ( 78,074円 ) | 19日目 |
74,752円 ( 82,227円 ) | 19日目 |
68,151円 ( 74,966円 ) | 19日目 |
78,483円 ( 86,331円 ) | 19日目 |
66,373円 ( 73,010円 ) | 19日目 |
76,483円 ( 84,131円 ) | 19日目 |
74,752円 ( 82,227円 ) | 19日目 |
59,126円 ( 65,039円 ) | 19日目 |
75,664円 ( 83,230円 ) | 19日目 |
62,043円 ( 68,247円 ) | 19日目 |
77,705円 ( 85,476円 ) | 19日目 |
75,646円 ( 83,211円 ) | 19日目 |
68,844円 ( 75,728円 ) | 19日目 |
61,071円 ( 67,178円 ) | 19日目 |
74,674円 ( 82,141円 ) | 19日目 |
67,873円 ( 74,660円 ) | 19日目 |
75,664円 ( 83,230円 ) | 19日目 |
60,339円 ( 66,373円 ) | 19日目 |
80,643円 ( 88,707円 ) | 19日目 |
62,043円 ( 68,247円 ) | 19日目 |
77,705円 ( 85,476円 ) | 19日目 |
75,646円 ( 83,211円 ) | 19日目 |
68,844円 ( 75,728円 ) | 19日目 |
61,071円 ( 67,178円 ) | 19日目 |
74,674円 ( 82,141円 ) | 19日目 |
67,873円 ( 74,660円 ) | 19日目 |
71,049円 ( 78,154円 ) | 19日目 |
83,046円 ( 91,351円 ) | 19日目 |
66,373円 ( 73,010円 ) | 19日目 |
ワークに応じたクランプ位置高さの選択が可能なピンクランプシリンダ。
【特長】
・4面取付が可能、同一面2個取付可能
・設計自由度の向上
・直接取付が可能
・取付金具不要で作業性が向上する
・ガイドピン55種類
・シム付タイプを選択することによりクランプ位置高さの微調節が可能
・ロック機構付選択可能
・D-P4DW型オートスイッチも取付可能
・同一面に2個取付可能

SMC
ピンクランプシリンダ Uシリーズ CKQGU・CKQPU・CLKQGU・CLKQPU
ワークに応じたクランプ位置高さの選択が可能です。Uシリーズは取り付け方式が取り付けタップ:2×M10×1.5、ピン穴:2×φ8(直径8mm)H7、取り付け穴(タップ、ピン穴)配置がタップ右上がりとなっています。

SMC
ピンクランプシリンダ Kシリーズ CKQGK・CKQPK・CLKQGK・CLKQPK
ワークに応じたクランプ位置高さの選択が可能です。Kシリーズは取り付け方式が取り付けタップ:2×M10×1.5、ピン穴:2×φ10(直径10mm)H7、取り付け穴(タップ、ピン穴)配置がタップ右上がり・左上がりとなっています。

SMC
ピンクランプシリンダ Mシリーズ CKQGM・CKQPM・CLKQGM・CLKQPM
ワークに応じたクランプ位置高さの選択が可能です。Mシリーズは取り付け方式が取り付けタップ:2×M12×1.75、ピン穴:2×φ10(直径10mm)H7、取り付け穴(タップ、ピン穴)配置がタップ右上がり・左上がりとなっています。
通常価格、通常出荷日が表示と異なる場合がございます
通常価格、通常出荷日が表示と異なる場合がございます

SMC
ロータリクランプシリンダ 標準形 MKシリーズ
4.2通常価格(税別):7,944円~

コスメック
キャッチシリンダ WKAシリーズ
0通常価格(税別):3,395円~

コスメック
エアスイングクランプ WHCシリーズ
0通常価格(税別):11,730円~

ミスミ
フローティングジョイント -スタンダ-ドめねじタイプ-
4.3通常価格(税別):580円~

ミスミ
ホルダ -サイドマウントフランジタイプ-
4.8通常価格(税別):890円~

ミスミ
フローティングジョイント フランジ取付型
4.9通常価格(税別):530円~

ミスミ
フローティングジョイント 簡易接続型 -【めねじ】 シリンダコネクタ セパレ-トタイプ-
4.7通常価格(税別):490円~

ミスミ
フロ-テイングジョイント フランジ取付型 -角プランジタイプ-セット品
4.5通常価格(税別):1,270円~

ミスミ
シリコンゴムプッシャ/ふっ素ゴムプッシャ めねじタイプ
4.5通常価格(税別):1,260円~