メカニカル部品技術窓口
単位:mm


裏配管
※( )内寸法は、3/4の場合
注1)3/4の場合、横配管仕様と裏配管仕様で取り付け穴のピッチ寸法が異なります。

※( )内寸法は、3/4の場合



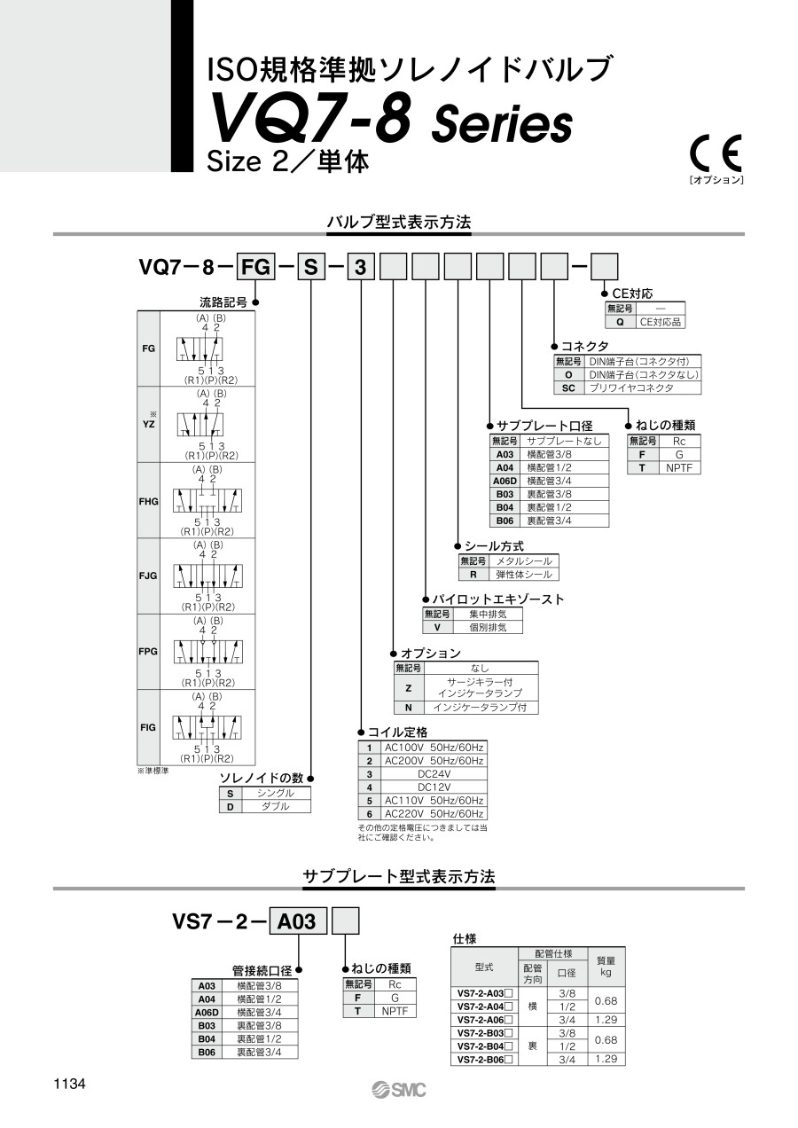
2位置シングルの表示記号

2位置ダブル(メタル)の表示記号
| バルブ仕様 | 弁構造 | メタルシール | 弾性体シール | |
|---|---|---|---|---|
| 使用流体 | 空気 | |||
| 最高使用圧力 | 1.0MPa | |||
| 最低使用圧力 | シングル | 0.15MPa | 0.20MPa | |
| ダブル | 0.15MPa | 0.15MPa | ||
| 3ポジション | 0.15MPa | 0.20MPa | ||
| 周囲温度および使用流体温度 | -10~+60℃注1) | -5~+60℃注1) | ||
| 給油 | 不要 | |||
| 手動操作 | プッシュ式(要工具形) | |||
| 耐衝撃/耐振動 | 150/30m/s2注2) | |||
| 電気仕様 | コイル定格電圧 | DC12V、24V、AC100V、110V、200V、220V、240V(50/60Hz) | ||
| 許容電圧変動 | 定格電圧の±10% | |||
| コイル絶縁の種類 | B種相当 | |||
| 消費電力 (電流値) | DC24V | DC1W(42mA) | ||
| DC12V | DC1W(83mA) | |||
| AC100V注3) | 1.2VA(12mA) | |||
| AC110V注3) | 1.3VA(11.5mA) | |||
| AC120V注3) | 1.5VA(12mA) | |||
| AC200V注3) | 2.5VA(12.5mA) | |||
| AC220V注3) | 2.6VA(13mA) | |||
| AC230V注3) | 2.8VA(12.5mA) | |||
| AC240V注3) | 3VA(13mA) | |||
注1)低温の場合はドライエアを使用し結露なきこと。
注2)耐衝撃:落下式衝撃試験機で主弁・可動鉄心の軸方向および直角方向、通電および非通電の各条件でそれぞれ1回試験したとき誤作動なし。(初期における値)
耐振動:45~2,000Hz 1掃引、主弁・可動鉄心の軸方向および直角方向、通電および非通電の各条件で試験したとき誤作動なし。(初期における値)
注3)ACコイル仕様は整流素子付きになるため、起動と励磁による消費電力の差はありません。
| シリーズ | 位置数 | 型番 | 管接続口径 | ||
|---|---|---|---|---|---|
| VQ7-8 | 2位置 | シングル | メタルシール | VQ7-8-FG-S-□ | 3/8 |
| 弾性体シール | VQ7-8-FG-S-□R | ||||
| ダブル | メタルシール | VQ7-8-FG-D-□ | |||
| 弾性体シール | VQ7-8-FG-D-□R | ||||
| 3位置 | クローズド センタ | メタルシール | VQ7-8-FHG-D-□ | ||
| 弾性体シール | VQ7-8-FHG-D-□R | ||||
| エキゾースト センタ | メタルシール | VQ7-8-FJG-D-□ | |||
| 弾性体シール | VQ7-8-FJG-D-□R | ||||
| パーフェクト タイプ | メタルシール | VQ7-8-FPG-D-□ | |||
| 弾性体シール | VQ7-8-FPG-D-□R | ||||
| プレッシャ センタ | メタルシール | VQ7-8-FIG-D-□ | |||
| 弾性体シール | VQ7-8-FIG-D-□R | ||||
| シリーズ | 流量特性 | 応答時間ms注1) | 質量kg注2) | |||||
|---|---|---|---|---|---|---|---|---|
| 1→4/2(P→A/B) | 4/2→5/3(A/B→EA/EB) | |||||||
| C〔dm3/(s・bar)〕 | b | Cv | C〔dm3/(s・bar)〕 | b | Cv | |||
| VQ7-8 | 10 | 0.18 | 2.4 | 12 | 0.24 | 3.0 | 40以下 | 0.64 |
| 12 | 0.24 | 3.0 | 13 | 0.27 | 3.3 | 45以下 | ||
| 10 | 0.18 | 2.4 | 12 | 0.24 | 3.0 | 15以下 | 0.70 | |
| 12 | 0.24 | 3.0 | 13 | 0.27 | 3.3 | 20以下 | ||
| 10 | 0.28 | 2.4 | 10 | 0.24 | 2.4 | 45以下 | 0.75 | |
| 11 | 0.25 | 2.8 | 11 | 0.27 | 2.8 | 50以下 | ||
| 10 | 0.16 | 2.4 | 10 | 0.20 | 2.4 | 45以下 | 0.75 | |
| 11 | 0.26 | 2.8 | 13 | 0.27 | 3.3 | 50以下 | ||
| 7.2 | - | - | 7.0 | - | - | 60以下 | 1.98 | |
| 7.2 | - | - | 7.0 | - | - | 60以下 | ||
| 10 | 0.26 | 2.4 | 11 | 0.25 | 2.8 | 45以下 | 0.75 | |
| 13 | 0.27 | 3.3 | 12 | 0.29 | 3.0 | 50以下 | ||
注1)JIS B8419:2010による(供給圧力0.5MPaランプ・サージ電圧保護回路付き、クリーンエア使用時の値。)圧力およびエア質によって応答時間の数値は変わります。ダブルタイプはON時の値。
注2)サブプレートなしの質量。(サブプレート:3/8、1/2:0.68kg、3/4:1.29kg)

メタルシールタイプ/VQ7-8-FPG-D-□

弾性体シールタイプ/VQ7-8-FG-S-□R□
各部名称
※上記以外の製品情報につきましては、カタログを参照下さい。
| 型番 |
|---|
通常単価(税別)
(税込単価) | 通常出荷日 |
|---|
17,858円 ( 19,644円 ) | 19日目 |
18,138円 ( 19,952円 ) | 19日目 |
20,194円 ( 22,213円 ) | 6日目 |
20,194円 ( 22,213円 ) | 19日目 |
24,460円 ( 26,906円 ) | 19日目 |
18,723円 ( 20,595円 ) | 6日目 |
18,138円 ( 19,952円 ) | 19日目 |
20,194円 ( 22,213円 ) | 19日目 |
21,363円 ( 23,499円 ) | 19日目 |
20,194円 ( 22,213円 ) | 19日目 |
20,476円 ( 22,524円 ) | 19日目 |
19,963円 ( 21,959円 ) | 19日目 |
21,363円 ( 23,499円 ) | 19日目 |
20,194円 ( 22,213円 ) | 19日目 |
20,194円 ( 22,213円 ) | 19日目 |
19,475円 ( 21,423円 ) | 19日目 |
17,858円 ( 19,644円 ) | 19日目 |
18,138円 ( 19,952円 ) | 19日目 |
20,194円 ( 22,213円 ) | 19日目 |
21,363円 ( 23,499円 ) | 19日目 |
20,194円 ( 22,213円 ) | 19日目 |
21,363円 ( 23,499円 ) | 19日目 |
20,194円 ( 22,213円 ) | 19日目 |
19,027円 ( 20,930円 ) | 19日目 |
19,027円 ( 20,930円 ) | 19日目 |
20,769円 ( 22,846円 ) | 19日目 |
20,856円 ( 22,942円 ) | 19日目 |
20,856円 ( 22,942円 ) | 19日目 |
20,856円 ( 22,942円 ) | 19日目 |
20,856円 ( 22,942円 ) | 19日目 |
17,858円 ( 19,644円 ) | 19日目 |
20,194円 ( 22,213円 ) | 19日目 |
20,194円 ( 22,213円 ) | 19日目 |
19,027円 ( 20,930円 ) | 19日目 |
19,027円 ( 20,930円 ) | 19日目 |
18,519円 ( 20,371円 ) | 19日目 |
20,622円 ( 22,684円 ) | 19日目 |
18,438円 ( 20,282円 ) | 6日目 |
18,718円 ( 20,590円 ) | 19日目 |
20,775円 ( 22,853円 ) | 19日目 |
21,945円 ( 24,140円 ) | 19日目 |
20,775円 ( 22,853円 ) | 6日目 |
24,129円 ( 26,542円 ) | 19日目 |
21,945円 ( 24,140円 ) | 19日目 |
20,775円 ( 22,853円 ) | 19日目 |
20,775円 ( 22,853円 ) | 19日目 |
18,204円 ( 20,024円 ) | 19日目 |
19,522円 ( 21,474円 ) | 6日目 |
18,718円 ( 20,590円 ) | 19日目 |
20,775円 ( 22,853円 ) | 19日目 |
21,056円 ( 23,162円 ) | 19日目 |
21,945円 ( 24,140円 ) | 19日目 |
20,775円 ( 22,853円 ) | 19日目 |
21,945円 ( 24,140円 ) | 19日目 |
20,775円 ( 22,853円 ) | 19日目 |
20,775円 ( 22,853円 ) | 19日目 |
18,204円 ( 20,024円 ) | 19日目 |
19,606円 ( 21,567円 ) | 19日目 |
19,606円 ( 21,567円 ) | 19日目 |
21,137円 ( 23,251円 ) | 19日目 |
抜群の応答性能・長寿命なソレノイドバルブ。
【特長】
・ISO 5599/I 規格準拠
・保護構造でIP65対応
・耐塵・防噴流形
・豊富なマニホールドオプション
・軽量で省スペース・省容積
・主弁構造にメタルシールと弾性体シールを用意し、あらゆる使用環境・条件に対応
・ソレノイドの数:シングル、ダブル
・ねじの種類:Rc、G、NPTF

SMC
ISO規格準拠ソレノイドバルブ VQ7-6シリーズ Size1 単体
ソレノイドバルブとなります。ISO規格に準拠したインターフェイスで抜群の応答性能・長寿命です。主弁構造にメタルシールと弾性体シールを用意し、あらゆる使用環境・条件に対応します。


SMC
【在庫品多数】薄形シリンダ 標準形 複動・片ロッド CQ2シリーズ
薄形シリンダ/標準形:複動・片ロッド CQ2シリーズとなります。全長が薄形に設計された省スペースシリンダです。各種冶具や装置のコンパクト化を実現しているため最小限のスペースでワークが可能です。
通常価格、通常出荷日が表示と異なる場合がございます
通常価格、通常出荷日が表示と異なる場合がございます

SMC
5ポートソレノイドバルブ ベース配管形 単体 SY3000・5000・7000・9000シリーズ
4.3通常価格(税別):5,579円~

SMC
5ポートソレノイドバルブ 直接配管形 単体 SY3000シリーズ
4通常価格(税別):5,483円~

CKD
圧縮空気用パイロット式2ポート電磁弁 小形エアブローバルブ EXAシリーズ
4.6通常価格(税別):2,937円~

SMC
3ポートソレノイドバルブ 直動ポペットタイプ 弾性体シール VT307シリーズ
4.6通常価格(税別):4,934円~

SMC
5ポートソレノイドバルブ 直接配管形 単体 SY5000シリーズ
4.2通常価格(税別):5,939円~

ミスミ
電磁弁 5ポート 直接配管型/ベース配管型(単体)
3.3通常価格(税別):6,850円~

AirTAC(エアタック)
7Vシリーズ ソレノイドバルブ(5ポート2位置/5ポート3位置)
4.5通常価格(税別):1,907円~

SMC
5ポートソレノイドバルブ 直接配管形 単体 SY7000シリーズ
4.5通常価格(税別):6,439円~

SMC
5ポートパイロット形ソレノイドバルブ 直接配管形 単体 VF1000・3000・5000シリーズ
4通常価格(税別):274円~