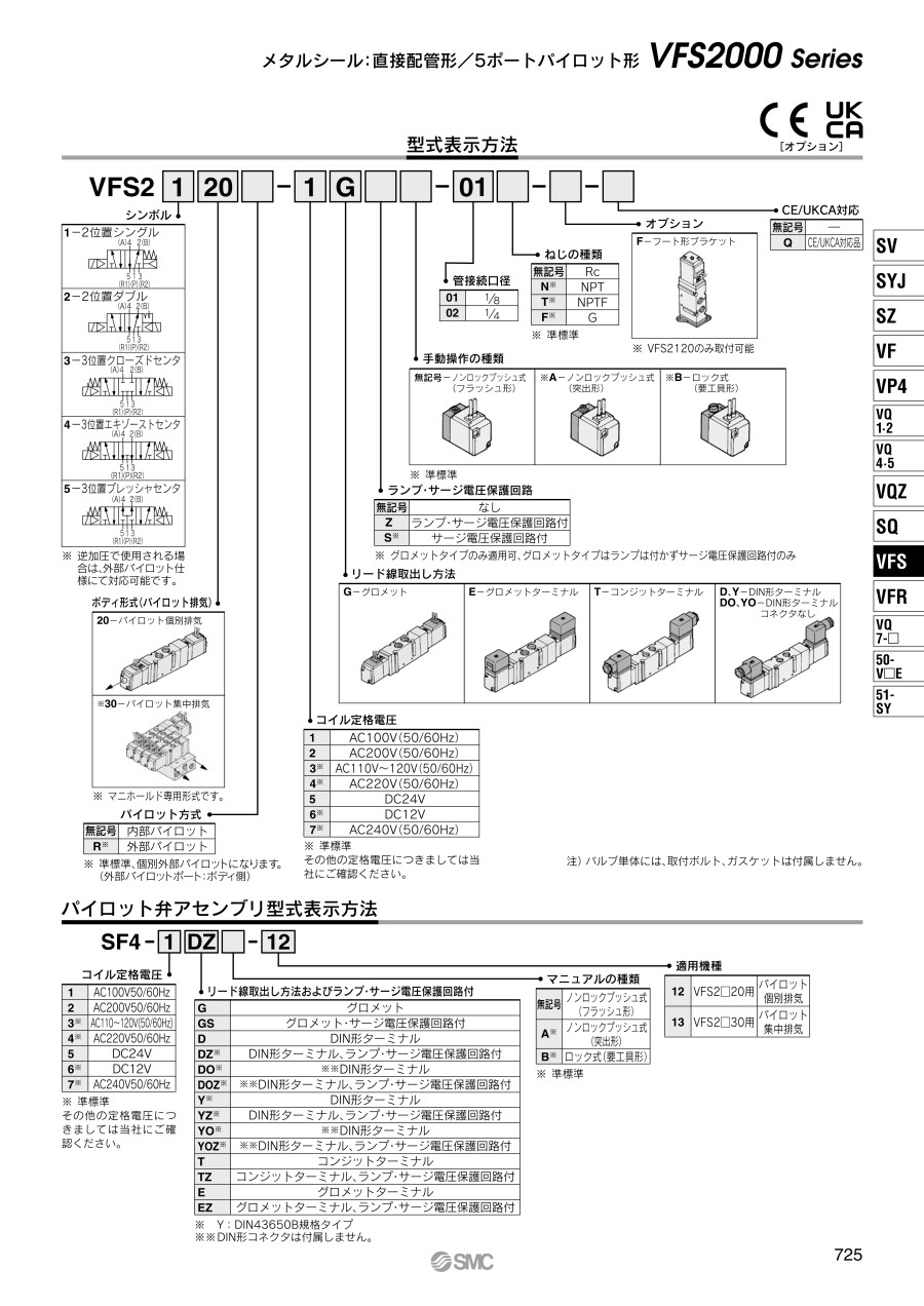
メカニカル部品技術窓口
小さな消費電力(1.8W DC)のソレノイドバルブ。【特長】・直接配管形のVFS2000シリーズ・大き...
詳細を確認単位:mm

グロメット:VFS2120-□G

フート形ブラケット付き(F)型番:VFN200-17A

グロメットターミナル:VFS2120-□E、EZ

コンジットターミナル:VFS2120-□T、TZ

VFS2320-□T-02

VFS2220-□E-02

VFS2120-□G-02

VFS2120-□E-02-F
| バルブ仕様 | 使用流体 | 空気 | |
|---|---|---|---|
| 最高使用圧力 | 1.0MPa | ||
| 最低使用圧力 | 0.1MPa | ||
| 保証耐圧力 | 1.5MPa | ||
| 周囲温度および使用流体温度 | 注1)-10~+60℃ | ||
| 給油 | 注2)無給油 | ||
| パイロット弁手動操作 | ノンロックプッシュ式(フラッシュ形) | ||
| 耐衝撃/耐振動 | 注3)150/50m/s2 | ||
| 保護構造 | 注4)防塵(IP50相当) | ||
| 電気仕様 | コイル定格電圧 | AC100V、200V(50/60Hz)、DC24V | |
| 許容電圧変動 | 定格電圧の-15~+10% | ||
| コイル絶縁の種類 | 注5)B種相当(130℃) | ||
| 皮相電力(消費電力)AC | 起動 | 5.6VA(50Hz)、5.0VA(60Hz) | |
| 励磁 | 3.4VA(2.1W)/50Hz、2.3VA(1.5W)/60Hz | ||
| 消費電力 | 1.8W(2.04W:ランプ・サージ付) | ||
| リード線取出し方法 | グロメット、グロメットターミナル、 コンジットターミナル、DIN形ターミナル | ||
注1)低温の場合は、ドライエアでご使用ください。
注2)給油する場合には、タービン油1種(ISO VG32)を使用してください。
注3)耐衝撃:落下式衝撃試験機で主弁・可動鉄心の軸方向および直角方向、通電および非通電の各条件でそれぞれ1回試験したとき誤動作なし。(初期における値)
耐振動:45~2,000Hz 1掃引、主弁・可動鉄心の軸方向および直角方向、通電および非通電の各条件で試験したとき誤動作なし。(初期における値)
注4)JIS C 0920による。
注5)JIS C 4003による。
| 位置ソレノイド数 | 型番 | 管接続口径 Rc | 流量特性 | 注1)最大作動頻度 CPM | 注2)応答時間 ms | 注3)質量 kg | |||||||
|---|---|---|---|---|---|---|---|---|---|---|---|---|---|
| 1→4/2(P→A/B) | 4/2→5/3(A/B→R/R2) | ||||||||||||
| C 〔dm3/(s・bar)〕 | b | Cv | C 〔dm3/(s・bar)〕 | b | Cv | ||||||||
| 2位置 | シングル | VFS2120 | VFS2130 | 1/8 | 3.2 | 0.24 | 0.78 | 3.4 | 0.28 | 0.82 | 1,200 | 22以下 | 0.26 |
| 1/4 | 4.0 | 0.20 | 0.90 | 3.5 | 0.32 | 0.85 | |||||||
| ダブル | VFS2220 | VFS2230 | 1/8 | 3.2 | 0.24 | 0.78 | 3.4 | 0.28 | 0.82 | 1,200 | 13以下 | 0.35 | |
| 1/4 | 4.0 | 0.20 | 0.90 | 3.5 | 0.32 | 0.85 | |||||||
| 3位置 | クローズドセンタ | VFS2320 | VFS2330 | 1/8 | 3.2 | 0.24 | 0.78 | 3.2 | 0.27 | 0.80 | 600 | 40以下 | 0.42 |
| 1/4 | 4.0 | 0.20 | 0.90 | 3.4 | 0.29 | 0.83 | |||||||
| エキゾーストセンタ | VFS2420 | VFS2430 | 1/8 | 3.2 | 0.25 | 0.79 | 3.4 | 0.26 | 0.82 | 600 | 40以下 | 0.42 | |
| 1/4 | 4.0 | 0.20 | 0.90 | 3.4 | 0.32 | 0.84 | |||||||
| プレッシャセンタ | VFS2520 | VFS2530 | 1/8 | 3.1 | 0.23 | 0.75 | 3.3 | 0.27 | 0.80 | 600 | 40以下 | 0.42 | |
| 1/4 | 4.0 | 0.24 | 0.92 | 3.3 | 0.30 | 0.82 | |||||||
注1)最小作動頻度はJIS B 8419:2010(30日に1回)による。
注2)JIS B 8419:2010による。(供給圧力0.5MPa時の値)
注3)グロメットタイプの値
注4)注1)、注2)は管理されたクリーンエアによる。
| パイロット方式 | 注1)外部パイロット形 |
|---|---|
| パイロット弁手動操作 | ノンロックプッシュ式(突出形)、ロック式(要工具形) |
| コイル定格電圧 | AC110~120V、220V、240V(50/60Hz) |
| DC12V、100V | |
| オプション | 注2)ランプ・サージ電圧保護回路付 |
| フート形ブラケット(ビス付) | 型番:VFN200-17A、VFS2120(シングル)にのみ取付可能 |
注1)使用圧力:0~1MPa/パイロット圧力:0.1~1MPa
注2)ただし、グロメットタイプはランプはつかず、サージ電圧保護回路付き(リード線直結形)となります。

2位置シングル

2位置ダブル
| 番号 | 部品名 | 材質 |
|---|---|---|
| 1 | ボディ | アルミダイカスト |
| 2 | スプール・スリーブ | ステンレス鋼 |
| 3 | エンドプレート | 樹脂 |
| 4 | ピストン | 樹脂 |
| 5 | 復帰スプリング | ステンレス鋼 |
| 6 | パイロット弁アセンブリ | - |
| 7 | ディテントアセンブリ | - |
※カタログのパイロット弁アセンブリ型番表示方法をご参照ください。
| 型番 |
|---|
通常単価(税別)
(税込単価) | 通常出荷日 |
|---|
3,289円 ( 3,618円 ) | 19日目 |
3,289円 ( 3,618円 ) | 19日目 |
3,289円 ( 3,618円 ) | 19日目 |
3,289円 ( 3,618円 ) | 19日目 |
3,289円 ( 3,618円 ) | 19日目 |
3,289円 ( 3,618円 ) | 19日目 |
3,178円 ( 3,496円 ) | 19日目 |
3,178円 ( 3,496円 ) | 19日目 |
3,178円 ( 3,496円 ) | 19日目 |
3,178円 ( 3,496円 ) | 19日目 |
3,178円 ( 3,496円 ) | 19日目 |
3,178円 ( 3,496円 ) | 19日目 |
3,618円 ( 3,980円 ) | 19日目 |
3,618円 ( 3,980円 ) | 19日目 |
3,618円 ( 3,980円 ) | 19日目 |
3,618円 ( 3,980円 ) | 19日目 |
3,618円 ( 3,980円 ) | 19日目 |
3,618円 ( 3,980円 ) | 19日目 |
3,838円 ( 4,222円 ) | 19日目 |
3,838円 ( 4,222円 ) | 19日目 |
3,838円 ( 4,222円 ) | 19日目 |
3,838円 ( 4,222円 ) | 19日目 |
3,838円 ( 4,222円 ) | 19日目 |
3,838円 ( 4,222円 ) | 19日目 |
3,186円 ( 3,505円 ) | 19日目 |
3,186円 ( 3,505円 ) | 19日目 |
3,186円 ( 3,505円 ) | 19日目 |
3,186円 ( 3,505円 ) | 19日目 |
3,186円 ( 3,505円 ) | 19日目 |
3,186円 ( 3,505円 ) | 19日目 |
3,625円 ( 3,988円 ) | 19日目 |
3,625円 ( 3,988円 ) | 19日目 |
3,625円 ( 3,988円 ) | 19日目 |
3,625円 ( 3,988円 ) | 19日目 |
3,625円 ( 3,988円 ) | 19日目 |
3,625円 ( 3,988円 ) | 19日目 |
2,629円 ( 2,892円 ) | 19日目 |
2,629円 ( 2,892円 ) | 19日目 |
2,629円 ( 2,892円 ) | 19日目 |
2,629円 ( 2,892円 ) | 19日目 |
2,629円 ( 2,892円 ) | 19日目 |
2,629円 ( 2,892円 ) | 19日目 |
3,069円 ( 3,376円 ) | 19日目 |
3,069円 ( 3,376円 ) | 19日目 |
3,069円 ( 3,376円 ) | 19日目 |
3,069円 ( 3,376円 ) | 19日目 |
3,069円 ( 3,376円 ) | 19日目 |
3,069円 ( 3,376円 ) | 19日目 |
3,178円 ( 3,496円 ) | 19日目 |
3,178円 ( 3,496円 ) | 19日目 |
3,178円 ( 3,496円 ) | 19日目 |
3,178円 ( 3,496円 ) | 19日目 |
3,178円 ( 3,496円 ) | 19日目 |
3,178円 ( 3,496円 ) | 19日目 |
3,618円 ( 3,980円 ) | 19日目 |
3,618円 ( 3,980円 ) | 19日目 |
3,618円 ( 3,980円 ) | 19日目 |
3,618円 ( 3,980円 ) | 19日目 |
3,618円 ( 3,980円 ) | 19日目 |
3,618円 ( 3,980円 ) | 19日目 |
小さな消費電力(1.8W DC)のソレノイドバルブ。
【特長】
・直接配管形のVFS2000シリーズ
・大きなバルブ容量は1/4:C:3.4dm3/(s・bar)

SMC
5ポートソレノイドバルブ パイロット形 メタルシール 直接配管形 VFS3000シリーズ
SMC社のソレノイドバルブとなります。中・大型シリンダの駆動に適しています。大容量、低消費電力です。用途に合わせて比較検討可能です。

SMC
5ポートソレノイドバルブ 直接配管形 単体 VQZ1000・2000・3000シリーズ
SMC社のソレノイドバルブとなります。ワンタッチ管継手内蔵で配管作業が簡単です。3ポート弁と5ポート弁の混合取り付け、DINレールの取り付けも可能です。

SMC
【在庫品多数】薄形シリンダ 標準形 複動・片ロッド CQ2シリーズ
SMC社売れ筋の薄形シリンダ/標準形:複動・片ロッド CQ2シリーズとなります。全長が薄形に設計された省スペースシリンダです。各種冶具や装置のコンパクト化を実現しているため最小限のスペースでワーク可能です。
通常価格、通常出荷日が表示と異なる場合がございます
通常価格、通常出荷日が表示と異なる場合がございます

SMC
5ポートソレノイドバルブ 直接配管形 単体 SY3000シリーズ
4通常価格(税別):5,483円~

CKD
圧縮空気用パイロット式2ポート電磁弁 小形エアブローバルブ EXAシリーズ
4.6通常価格(税別):2,937円~

SMC
3ポートソレノイドバルブ 直動ポペットタイプ 弾性体シール VT307シリーズ
4.6通常価格(税別):4,934円~

SMC
5ポートソレノイドバルブ 直接配管形 単体 SY5000シリーズ
4.2通常価格(税別):5,939円~

AirTAC(エアタック)
【在庫品】電磁弁 4V100シリーズ 5ポート2位置・5ポート3位置
4.4通常価格(税別):1,787円~

ミスミ
電磁弁 5ポート ベース配管型(ベース+電磁弁)/ベース単体
4.2通常価格(税別):2,580円~

SMC
5ポートパイロット形ソレノイドバルブ 直接配管形 単体 VF1000・3000・5000シリーズ
4通常価格(税別):274円~

SMC
5ポートソレノイドバルブ ベース配管形 単体 VQZ1000・2000・3000シリーズ
5通常価格(税別):5,049円~

SMC
5ポートソレノイドバルブ ベース配管形 単体 SY3000・5000・7000・9000シリーズ
4.3通常価格(税別):5,579円~