メカニカル部品技術窓口
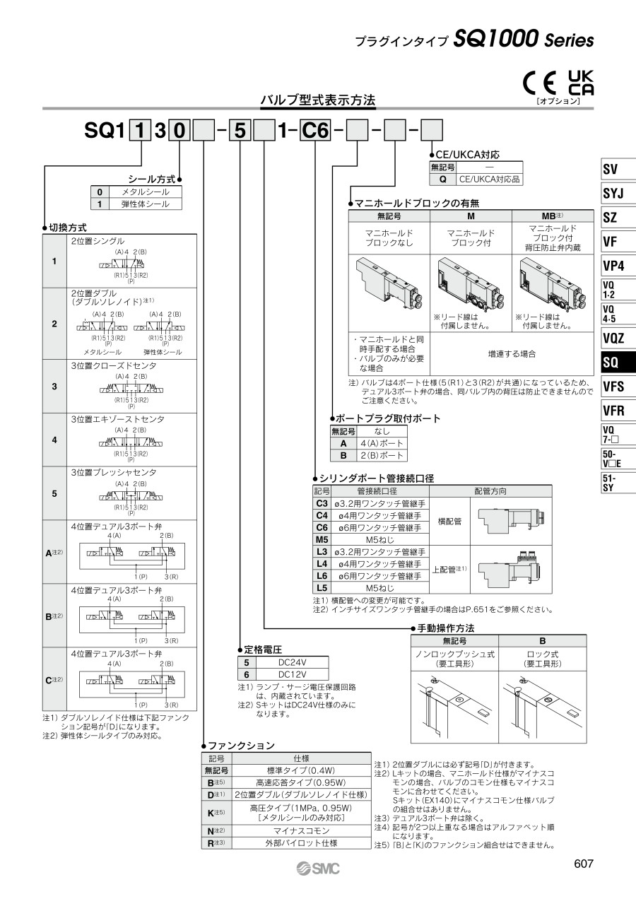
【特長】・プラグインタイプ SQ1000シリーズ・ワンタッチ管継手交換が、クリップ式で簡単・マニュアル...
詳細を確認
| バルブ仕様 | 弁構造 | メタルシール | 弾性体シール | |
|---|---|---|---|---|
| 使用流体 | 空気 | |||
| 最高使用圧力 | 0.7MPa(高圧タイプ注3):1.0MPa) | |||
| 最低使用圧力 | シングル | 0.1MPa | 0.15MPa | |
| ダブル(ダブルソレノイド) | 0.1MPa | 0.1MPa | ||
| 3ポジション | 0.1MPa | 0.2MPa | ||
| 4ポジション | - | 0.15MPa | ||
| 周囲温度および使用流体温度 | -10~+50℃注1) | |||
| 給油 | 不要 | |||
| パイロット弁手動操作 | プッシュ式/ロック式(要工具形) | |||
| 耐振動/耐衝撃注2) | 30/150m/s2 | |||
| 保護構造 | 防塵 | |||
| ソレノイド仕様 | コイル定格電圧 | DC12V, 24V | ||
| 許容電圧変動 | 定格電圧の±10% | |||
| コイル絶縁の種類 | B種相当 | |||
| 消費電力 (電流値) | DC24V | DC0.4W(17mA)、DC0.95W(40mA)注4) | ||
| DC12V | DC0.4W(34mA)、DC0.95W(80mA)注4) | |||
注1)低温の場合はドライエアを使用し結露なきこと。
注2)耐振動:45~2,000Hz 1掃引、主弁・可動鉄心の軸方向および直角方向、通電および非通電の各条件で試験したとき誤作動なし。(初期における値)
耐衝撃:落下式衝撃試験機で、主弁・可動鉄心の軸方向および直角方向、通電および非通電の各条件でそれぞれ1回試験したとき誤作動なし。
注3)メタルシールタイプのみ。
注4)高速応答・高圧タイプの値。
| シリーズ | 切換方式 | シール方式 | 型番 | 流量特性注1) | 応答時間[ms]注2) | 質量 (g) | |||||||
|---|---|---|---|---|---|---|---|---|---|---|---|---|---|
| 1→4/2(P→A/B) | 4→5(A→R1) | 標準 (0.4W) | 高速応答 (0.95W) | ||||||||||
| C〔dm3/(s・bar)〕 | b | Cv | C〔dm3/(s・bar)〕 | b | Cv | ||||||||
| SQ1000 | 2位置 | シングル | メタルシール | SQ1130 | 0.62 | 0.10 | 0.14 | 0.63 | 0.11 | 0.14 | 26以下 | 12以下 | 80 |
| 弾性体シール | SQ1131 | 0.79 | 0.20 | 0.19 | 0.80 | 0.20 | 0.19 | 24以下 | 15以下 | 80 | |||
| ダブル | メタルシール | SQ1230D | 0.62 | 0.10 | 0.14 | 0.63 | 0.11 | 0.14 | 13以下 | 10以下 | 95 | ||
| 弾性体シール | SQ1231D | 0.79 | 0.20 | 0.19 | 0.80 | 0.20 | 0.19 | 20以下 | 15以下 | 95 | |||
| 3位置 | クローズドセンタ | メタルシール | SQ1330 | 0.58 | 0.12 | 0.14 | 0.63 | 0.11 | 0.14 | 44以下 | 29以下 | 100 | |
| 弾性体シール | SQ1331 | 0.64 | 0.20 | 0.15 | 0.58 | 0.26 | 0.16 | 39以下 | 25以下 | 100 | |||
| エキゾーストセンタ | メタルシール | SQ1430 | 0.58 | 0.12 | 0.14 | 0.60 | 0.14 | 0.14 | 44以下 | 29以下 | 100 | ||
| 弾性体シール | SQ1431 | 0.64 | 0.20 | 0.15 | 0.80 | 0.20 | 0.19 | 39以下 | 25以下 | 100 | |||
| プレッシャセンタ | メタルシール | SQ1530 | 0.62 | 0.12 | 0.14 | 0.63 | 0.14 | 0.14 | 44以下 | 29以下 | 100 | ||
| 弾性体シール | SQ1531 | 0.79 | 0.21 | 0.19 | 0.59 | 0.20 | 0.14 | 39以下 | 25以下 | 100 | |||
| 4位置 | デュアル3ポート弁 | 弾性体シール | SQ1A31 SQ1B31 SQ1C31 | 0.59 | 0.28 | 0.15 | 0.59 | 0.28 | 0.15 | 27以下 | 14以下 | 95 | |
注1)シリンダポート管接続口径C6、CYL.→EXH.の値。2→3(B→R2)は4→5(A→R1)に対し、約30%低下します。
注2)JIS B 8419:2010による。(供給圧力0.5MPa、ランプ・サージ電圧保護回路付きの値。圧力およびエア質によって変わります。)

2位置シングル

3位置クローズドセンタ

4位置デュアル3ポート弁(B)

マニホールドブロックなしの外観

マニホールドブロック付き(背圧防止弁内蔵)の外観
※リード線は付属しません。
※バルブは4ポート仕様(5(R1)と3(R2)が共通)になっているため、デュアル3ポート弁の場合、同バルブ内の背圧は防止できませんのでご注意ください。

ノンロックプッシュ式(要工具形)の外観

ロック式(要工具形)の外観

バルブを取り外すことなく、ワンタッチ管継手の交換が可能

コネクタ取り出し方向がワンプッシュで変更可能
| 型番 |
|---|
通常単価(税別)
(税込単価) | 通常出荷日 |
|---|
9,458円 ( 10,404円 ) | 9日目 |
9,303円 ( 10,233円 ) | 9日目 |
7,580円 ( 8,338円 ) | 6日目 |
7,860円 ( 8,646円 ) | 6日目 |
7,580円 ( 8,338円 ) | 6日目 |
7,580円 ( 8,338円 ) | 9日目 |
8,507円 ( 9,358円 ) | 9日目 |
7,860円 ( 8,646円 ) | 6日目 |
8,140円 ( 8,954円 ) | 6日目 |
10,049円 ( 11,054円 ) | 9日目 |
8,515円 ( 9,367円 ) | 6日目 |
8,795円 ( 9,675円 ) | 6日目 |
9,021円 ( 9,923円 ) | 6日目 |
9,021円 ( 9,923円 ) | 9日目 |
7,860円 ( 8,646円 ) | 9日目 |
7,580円 ( 8,338円 ) | 6日目 |
7,860円 ( 8,646円 ) | 6日目 |
7,580円 ( 8,338円 ) | 6日目 |
7,860円 ( 8,646円 ) | 6日目 |
8,369円 ( 9,206円 ) | 6日目 |
7,860円 ( 8,646円 ) | 9日目 |
7,860円 ( 8,646円 ) | 6日目 |
9,665円 ( 10,632円 ) | 9日目 |
7,860円 ( 8,646円 ) | 6日目 |
6,589円 ( 7,248円 ) | 5日目 |
6,368円 ( 7,005円 ) | 9日目 |
5,656円 ( 6,222円 ) | 6日目 |
5,658円 ( 6,224円 ) | 9日目 |
5,658円 ( 6,224円 ) | 6日目 |
5,933円 ( 6,526円 ) | 6日目 |
5,936円 ( 6,530円 ) | 6日目 |
6,685円 ( 7,354円 ) | 9日目 |
5,936円 ( 6,530円 ) | 9日目 |
6,217円 ( 6,839円 ) | 9日目 |
5,516円 ( 6,068円 ) | 9日目 |
5,516円 ( 6,068円 ) | 9日目 |
6,332円 ( 6,965円 ) | 9日目 |
5,929円 ( 6,522円 ) | 4日目 |
5,329円 ( 5,862円 ) | 6日目 |
5,929円 ( 6,522円 ) | 在庫品1日目当日出荷可能 |
6,131円 ( 6,744円 ) | 9日目 |
5,329円 ( 5,862円 ) | 6日目 |
6,814円 ( 7,495円 ) | 在庫品1日目当日出荷可能 |
5,569円 ( 6,126円 ) | 6日目 |
6,077円 ( 6,685円 ) | 9日目 |
5,329円 ( 5,862円 ) | 9日目 |
7,784円 ( 8,562円 ) | 9日目 |
6,614円 ( 7,275円 ) | 9日目 |
5,610円 ( 6,171円 ) | 9日目 |
5,797円 ( 6,377円 ) | 6日目 |
5,516円 ( 6,068円 ) | 9日目 |
6,177円 ( 6,795円 ) | 9日目 |
5,797円 ( 6,377円 ) | 6日目 |
5,049円 ( 5,554円 ) | 6日目 |
5,329円 ( 5,862円 ) | 6日目 |
5,049円 ( 5,554円 ) | 6日目 |
5,329円 ( 5,862円 ) | 6日目 |
5,848円 ( 6,433円 ) | 6日目 |
6,077円 ( 6,685円 ) | 6日目 |
5,610円 ( 6,171円 ) | 6日目 |
【特長】
・プラグインタイプ SQ1000シリーズ
・ワンタッチ管継手交換が、クリップ式で簡単
・マニュアルを押すだけで、コネクタの取り出し方向が、上・横に変更できる
・横→上へ変更する場合は、マニュアル操作は不要
・バルブメンテナンスが容易
・ワンビス取り付けによりメンテナンス工数削減
・バルブとマニホールドがカセット化されており、DINレール上で簡単に増減連が可能
・プラグインタイプは2連分の予備コネクタが付属しているので増連時に結線作業が不要

SMC
5ポートソレノイドバルブ プラグインタイプ SQ2000シリーズ
バルブとマニホールドがカセット化されており、DINレール上で増減連が容易です。クリップ式なのでバルブを取り外すことなくワンタッチ管継手の交換が可能です。

SMC
5ポートソレノイドバルブ プラグインタイプ SZ3000シリーズ
カセットタイプ方式でプラグインのためバルブ交換が容易です。スイッチ付きバルブにより装置の調整またはメンテナンスをより安全に行うことができます。

SMC
【在庫品多数】薄形シリンダ 標準形 複動・片ロッド CQ2シリーズ
薄形シリンダ/標準形:複動・片ロッド CQ2シリーズとなります。全長が薄形に設計された省スペースシリンダです。各種冶具や装置のコンパクト化を実現しているため最小限のスペースでワーク可能です。
通常価格、通常出荷日が表示と異なる場合がございます
通常価格、通常出荷日が表示と異なる場合がございます

SMC
5ポートソレノイドバルブ 直接配管形 単体 SY5000シリーズ
4.2通常価格(税別):5,939円~

SMC
5ポートソレノイドバルブ 直接配管形 単体 SY3000シリーズ
4通常価格(税別):5,483円~

SMC
5ポートソレノイドバルブ ベース配管形 単体 SY3000・5000・7000・9000シリーズ
4.3通常価格(税別):5,579円~

ミスミ
電磁弁 5ポート 直接配管型/ベース配管型(単体)
3.3通常価格(税別):6,850円~

CKD
【在庫品】単体バルブ パイロット式5ポート弁 4KB1~4シリーズ
4.8通常価格(税別):7,996円~

CKD
圧縮空気用パイロット式2ポート電磁弁 小形エアブローバルブ EXAシリーズ
4.6通常価格(税別):2,937円~

AirTAC(エアタック)
7Vシリーズ ソレノイドバルブ(5ポート2位置/5ポート3位置)
4.5通常価格(税別):1,907円~

SMC
5ポートソレノイドバルブ パイロット形 メタルシール VFS2000
4.5通常価格(税別):2,543円~

ミスミ
電磁弁 5ポート ベース配管型(ベース+電磁弁)/ベース単体
4.2通常価格(税別):2,580円~