メカニカル部品技術窓口
単位:mm

単位:mm
| 型番 | 記号 | ||||||||||||
|---|---|---|---|---|---|---|---|---|---|---|---|---|---|
| 管接続口径 P | A | B | C | D | E | F | G | H | J | ブラケット付 | |||
| K | L | M | |||||||||||
| VXA31 | 1/8 | 19 | 20 | 18 | 20 | 22.5 | 42.5 | 71 | 81 | 21 | 6 | 29 | 14.5 |
| VXA32 | 1/4・3/8 | 25 | 20 | 21 | 20 | 27.5 | 47.5 | 80 | 90 | 27 | 7.5 | 32 | 17 |


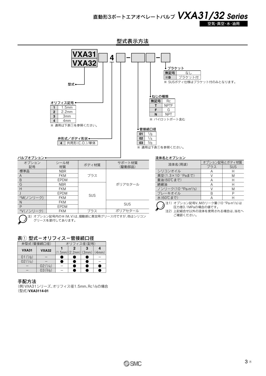
共用形(C.O.)の表示記号
| 管接続口径 | オリフィス径 mm | 型番 | 最高作動圧力差 MPa | 流量特性 | 最高システム圧力 MPa | 保証耐圧力 MPa | 質量 g | ||||
|---|---|---|---|---|---|---|---|---|---|---|---|
| 水・油 | 空気 | ||||||||||
| Av×10-6m2 | 換算Cv | C〔dm3/(s・bar)〕 | b | Cv | |||||||
| 1/8(6A) | 3 | VXA3134 | 0.3 | 8.0 | 0.24 | 0.82 | 0.20 | 0.20 | 1.0 | 1.5 | 280 |
| 1/4(8A) | 3 | VXA3234 | 0.6 | 9.0 | 0.33 | 1.1 | 0.25 | 0.27 | 410 | ||
| 3/8(10A) | 4 | VXA3244 | 0.3 | 12 | 0.50 | 1.6 | 0.20 | 0.38 | |||
| 温度条件 | 使用流体温度℃ | 周囲温度 ℃ | |||
|---|---|---|---|---|---|
| 水 (標準) | 空気 (標準) | 油 (標準) | 注3) 真空 (V、M) | ||
| 最高 | 40 | 60 | 40 | 40 | 40 |
| 最低 | 1 | 注1) -5 | 注2) -5 | -5 | -5 |
標準仕様
オプション※
※標準外の特殊流体とオプション仕様の詳細については「適用流体チェックリスト」カタログをご参照ください。
シール材:NBR、FKM
※オプション記号V、M、ノンリーク、真空用の値です。

| 番号 | 部品名 | 材質 | |
|---|---|---|---|
| 標準 | オプション | ||
| 1 | ボディアセンブリ | ブラス | SUS |
| 2 | リティナアセンブリ | ブラス | SUS |
| 3 | バルブアセンブリ | NBR・PPS | FKM/EPDM PPS |
| 4 | アダプタ | ブラス | SUS |
| 5 | トラベルアセンブリ | SUS・NBR・ポリアセタール | FKM/EPDM SUS |
| 6 | パイロットカバー | アルミ | - |
| 7 | ピストンスプリング | SUS | - |
| 8 | ピストンアセンブリ | ポリアセタール・NBR | - |
| 9 | Oリング | NBR | FKM |
※上記以外の製品情報につきましては、カタログを参照下さい。
| 型番 |
|---|
通常単価(税別)
(税込単価) | 通常出荷日 |
|---|
2,746円 ( 3,021円 ) | 9日目 |
4,836円 ( 5,320円 ) | 9日目 |
8,135円 ( 8,949円 ) | 9日目 |
5,055円 ( 5,561円 ) | 6日目 |
8,796円 ( 9,676円 ) | 4日目 |
6,914円 ( 7,605円 ) | 9日目 |
6,914円 ( 7,605円 ) | 9日目 |
10,988円 ( 12,087円 ) | 6日目 |
15,288円 ( 16,817円 ) | 在庫品1日目当日出荷可能 |
分解・組み付けは短時間でOKのエアオペレートバルブ。
【特長】
・幅広い流体制御が可能。豊富な組合せバリエーション
・使いやすい常時閉、常時開使用可能な共用形(C.O.)
・高粘度(500mm2/s)制御可能
・ねじの種類:Rc
・管接続口径:1/8・1/4・3/8
・ボディ材質:ブラス、SUS
・シール材質:NBR、FKM
・パイロット圧力:0.25~0.7MPa



SMC
【在庫品多数】薄形シリンダ 標準形 複動・片ロッド CQ2シリーズ
薄形シリンダ/標準形:複動・片ロッド CQ2シリーズとなります。全長が薄形に設計された省スペースシリンダです。各種冶具や装置のコンパクト化を実現しているため最小限のスペースでワーク可能です。
通常価格、通常出荷日が表示と異なる場合がございます
通常価格、通常出荷日が表示と異なる場合がございます

SMC
直動形2ポートソレノイドバルブ VX21・22・23シリーズ
4.5通常価格(税別):2,059円~

SMC
パイロット形2ポートソレノイドバルブ VXDシリーズ
5通常価格(税別):3,708円~

SMC
小型直動2ポートソレノイドバルブ VDWシリーズ
4.8通常価格(税別):1,387円~

CKD
直動式2ポート電磁弁 単体 マルチレックスバルブAB31・AB41/42シリーズ
4通常価格(税別):2,986円~

SMC
3ポートエアオペレートバルブ VTA301シリーズ
0通常価格(税別):152円~

SMC
5ポートエアオペレートバルブ SYA3000・5000・7000シリーズ
5通常価格(税別):4,797円~

CKD
【在庫品多数】パイロットキック式2ポート電磁弁 マルチレックスバルブ ADK11・ADK12シリーズ
4.9通常価格(税別):8,237円~

CKD
直動式2ポート電磁弁 マルチレックスバルブ AB21シリーズ
5通常価格(税別):1,837円~

SMC
差圧ゼロ作動パイロット形 2ポートソレノイドバルブ VXZシリーズ
5通常価格(税別):390円~