メカニカル部品技術窓口
真空ラインの圧力制御が可能な真空レギュレータ。【特長】・一面配管仕様をシリーズ化。パネルマウント取付時...
詳細を確認IRV10-□□□Z(N・P・A・B):デジタル圧力スイッチ付
IRV10A-□□□Z(N・P・A・B):デジタル圧力スイッチ付
| 継手部寸法 | VAC/SET | |||
| ストレート | エルボ | エルボ | エルボ | |
| R | S | T | U | |
| Φ6 | 9.9 | 19.1 | 25.5 | 20 |
| Φ8 | 11.6 | 20.3 | 27.9 | 23 |
| Φ1/4” | 9.9 | 19.3 | 25.9 | 20.5 |
| Φ5/16” | 11.6 | 20.3 | 27.9 | 23 |
| 継手部寸法 | VAC/SET | ||||
| ストレート | エルボ | エルボ | エルボ | エルボ | |
| R | S | T | U | V | |
| Φ6 | 9.9 | 19.1 | 25.5 | 24.5 | 28 |
| Φ8 | 11.6 | 20.3 | 27.9 | 27.5 | 31 |
| Φ1/4” | 9.9 | 19.3 | 25.9 | 25 | 28.5 |
| Φ5/16” | 11.6 | 20.3 | 27.9 | 27.5 | 31 |
IRV20-□□□Z(N・P・A・B):デジタル圧力スイッチ付
IRV20A-□□□Z(N・P・A・B):デジタル圧力スイッチ付
| 継手部寸法 | VAC/SET | |||
| ストレート | エルボ | エルボ | エルボ | |
| R | S | T | U | |
| Φ6 | 9.1 | 18 | 24.4 | 20.3 |
| Φ8 | 10.5 | 19.2 | 26.8 | 23.3 |
| Φ10 | 11.1 | 20.7 | 30 | 26.4 |
| Φ1/4” | 8.8 | 18.2 | 24.8 | 20.6 |
| Φ5/16” | 10.5 | 19.2 | 26.8 | 23.3 |
| Φ3/8” | 11 | 20.4 | 29.4 | 26.2 |
| 継手部寸法 | VAC/SET | ||||
| ストレート | エルボ | エルボ | エルボ | エルボ | |
| R | S | T | U | V | |
| Φ6 | 9.1 | 18 | 24.4 | 26.3 | 33.3 |
| Φ8 | 10.5 | 19.2 | 26.8 | 29.3 | 36.3 |
| Φ10 | 11.1 | 20.7 | 30 | 32.4 | 39.4 |
| Φ1/4” | 8.8 | 18.2 | 24.8 | 26.2 | 33.6 |
| Φ5/16” | 10.5 | 19.2 | 26.8 | 29.3 | 36.3 |
| Φ3/8” | 11 | 20.4 | 29.4 | 32.2 | 39.2 |
| 型番 | IRV10 | IRV20 | |
| 使用流体 | 空気 | ||
| 設定圧力範囲注1) | -100~-1.3kPa | ||
| 耐圧力注2) | 100kPa(圧力計付を除く) | ||
| 大気吸込消費量注3) | 0.6L/min(ANR)以下 | ||
| ハンドル分解能 | 0.13kPa以下 | ||
| 周囲温度および使用流体温度 | +5~+60℃ | ||
| VAC.側チューブ外径 | Φ6、Φ8 Φ1/4"、Φ5/16" | Φ6、Φ8、Φ10 Φ1/4"、Φ5/16"、Φ3/8" | |
| SET.側チューブ外径 | |||
| 質量(付属品なし) | 標準配管仕様 | 135g(IRV10-C08) | 250g(IRV20-C10) |
| 一面配管仕様 | 125g(IRV10A-C08) | 250g(IRV20A-C10) | |
注1)真空ポンプの圧力により変化しますのでご注意ください。
注2)圧力計付の場合、正圧を入力しますと圧力計が破損します。また、正圧が加わった場合、本真空レギュレータは破損することはありませんが、主弁部が"開"の状態になり、真空ポンプまで正圧が導入されることとなりますので、真空ポンプが故障する恐れがあります。吸着搬送システムなどで、本真空レギュレータをご使用の際は下記配管例を参考にして真空ポンプまで正圧が導入されないようご注意ください。なお、本真空レギュレータでは正圧の調圧はできません。

注3)常時大気から空気を取込んでいます。
[!]ミスミでのお取り扱いは一部の商品となります。詳細は絞り込み条件でご確認ください。
[!]真空レギュレータ IRVシリーズの取扱説明書は>>こちらをご参照ください。
[!]デジタル圧力スイッチ(ZSE30A)の取扱説明書は>>こちらをご参照ください。

作動原理
ハンドルを右回転させると設定スプリングの力によって、ダイヤフラムとバルブが押し下げられVAC.側とSET.側が通じ、SET.側の真空度が高くなります(絶対真空寄りに変化する)。
さらにSET.側の真空圧力はエア通路を通り、真空室に導かれ、ダイヤフラムの上面に作用し、設定スプリングの圧縮力と対抗し、SET.側圧力が設定されます。SET.側が所定の設定値より真空度が高くなった場合(絶対真空寄りに変化する)は、設定スプリングと真空室のSET.側圧力との平衡が崩れ、ダイヤフラムが上に押し上げられます。よって、バルブが閉じて、大気吸込み弁が開き、大気がSET.側に流入して、設定スプリングの圧縮力とSET.側圧力が平衡したところで、SET.側圧力となります。また、SET.側圧力が所定の設定値より真空度が低くなった場合(大気圧寄りに変化する)は、設定スプリングと真空室との平衡が崩れ、ダイヤフラムが下へ押し下げられます。
よって、大気吸込み弁が閉じて、バルブが開き、VAC.側に吸入され、設定スプリング圧縮力とSET.側圧力が平衡したところで、SET.側圧力となります。
ボディサイズ| 10 | 最大流量140ℓ/min(ANR) |
| 20 | 最大流量240ℓ/min(ANR) |
| 無記号 | ストレート |
| L | エルボ |
| 記号 | チューブ外径 | IRV10 | IRV20 | |
| C06 | ミリ | Φ6 | ● | ● |
| C07 | Φ8 | ● | ● | |
| C08 | Φ10 | - | ● | |
| C09 | インチ | Φ1/4" | ● | ● |
| C10 | Φ5/16" | ● | ● | |
| C11 | Φ3/8" | ● | - | |
| 無記号 | なし |
| B | ブラケット付 |
| L | 底面ブラケット付 |
| 無記号 | なし注1) | ||
| G | 圧力計付注2)注3) (IRV10:GZ33-K-01付、IRV20:GZ43-K-01付) | ||
| ZN | 注3) デジタル 圧力 スイッチ付 | NPNオープンコレクタ1出力 | ZSE30A-01-N-ML付 |
| ZP | PNPオープンコレクタ1出力 | ZSE30A-01-P-ML付 | |
| ZA | NPNオープンコレクタ2出力 | ZSE30A-01-A-ML付 | |
| ZB | PNPオープンコレクタ2出力 | ZSE30A-01-B-ML付 | |
| 無記号 | なし |
| X1 | パネルマウント用デジタル圧力スイッチ一体型 |
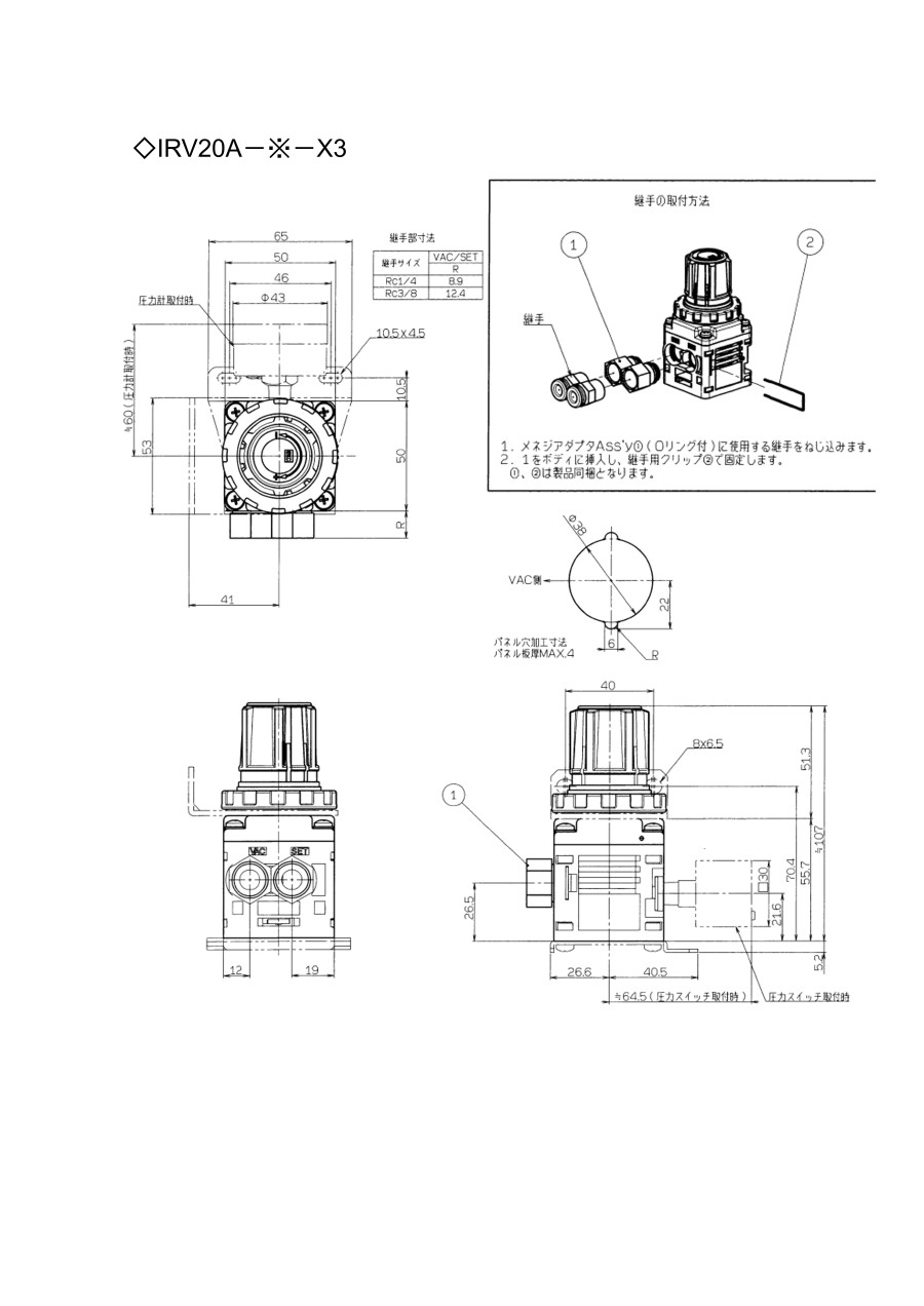
| X3 | メネジ対応 |
ボディサイズ| 10 | 最大流量140ℓ/min(ANR) |
| 20 | 最大流量240ℓ/min(ANR) |
| A | 一面配管仕様 |
| 無記号 | ストレート |
| L | エルボ |
| 記号 | チューブ外径 | IRV10 | IRV20 | |
| C06 | ミリ | Φ6 | ● | ● |
| C07 | Φ8 | ● | ● | |
| C08 | Φ10 | - | ● | |
| C09 | インチ | Φ1/4" | ● | ● |
| C10 | Φ5/16" | ● | ● | |
| C11 | Φ3/8" | ● | - | |
| 無記号 | なし |
| B | ブラケット付 |
| L | 底面ブラケット付 |
| 無記号 | なし注1) | ||
| G | 圧力計付注2)注3) (IRV10:GZ33-K-01付、IRV20:GZ43-K-01付) | ||
| ZN | 注3) デジタル 圧力 スイッチ付 | NPNオープンコレクタ1出力 | ZSE30A-01-N-ML付 |
| ZP | PNPオープンコレクタ1出力 | ZSE30A-01-P-ML付 | |
| ZA | NPNオープンコレクタ2出力 | ZSE30A-01-A-ML付 | |
| ZB | PNPオープンコレクタ2出力 | ZSE30A-01-B-ML付 | |
| 無記号 | なし |
| X1 | パネルマウント用デジタル圧力スイッチ一体型 |
| X3 | メネジ対応 |
| X4 | 耐熱仕様(-10~100℃) |
| 番号 | 継手種類 | 継手サイズ | 部品品番 |
|---|---|---|---|
| IRV20 | |||
| 1 | ストレート | Φ6 | VVQ2000-51A-C6 |
| 2 | エルボ | Φ6 | VVQ2000-51A-L1C6 |
| 3 | ストレート | Φ1/4” | VVQ2000-51A-N7 |
| 番号 | 商品名 | 部品品番 |
|---|---|---|
| 1 | IRV10(A)用 | P601010-17 |
| 2 | IRV20(A)用 | P601020-17 |
| 番号 | 部品名 | 部品品番 |
|---|---|---|
| 1 | プラグナット | P601010-11 |
| 2 | Oリング |
| 番号 | 商品名 | 部品品番 |
|---|---|---|
| 1 | IRV10(A)用 | P601010-14 |
| 2 | IRV20(A)用 | P601020-14 |
| 番号 | 商品名 |
|---|---|
| 1 | 底面ブラケット |
| 2 | 四角ナット×4 |
| 3 | 十字穴付なべ小ねじ×4 |
| IRV10(A)用:M3 | 0.32±0.03N・m |
|---|---|
| IRV20(A)用:M4 | 0.76±0.05N・m |
| 部品番号 | GZ33-K-01 | GZ43-K-01 |
|---|---|---|
| 適用機種 | IRV10 | IRV20 |
| 圧力表示範囲 | -100~0kPa | |
| 単位表示 | kPa | |
| 目盛角度 | 180° | 270° |
| 番号 | 部品名 | 部品品番 |
|---|---|---|
| 1 | 圧力計 | P601010-12 |
| 2 | ゲージナット | |
| 3 | Oリング |
| 番号 | 部品名 | 部品品番 |
|---|---|---|
| 1 | 圧力計 | P601020-12 |
| 2 | ゲージナット | |
| 3 | Oリング |
| 番号 | デジタル圧力スイッチ型式 | デジタル圧力スイッチ 仕様 | 部品品番 |
|---|---|---|---|
| 1 | ZSE30A-01-N-ML | NPNオープンコレクタ1出力 コネクタ付リード線(長さ2m) | P601010-13-1 |
| 2 | ZSE30A-01-P-ML | PNPオープンコレクタ1出力 コネクタ付リード線(長さ2m) | P601010-13-2 |
| 3 | ZSE30A-01-A-ML | NPNオープンコレクタ2出力 コネクタ付リード線(長さ2m) | P601010-13-3 |
| 4 | ZSE30A-01-B-ML | PNPオープンコレクタ2出力 コネクタ付リード線(長さ2m) | P601010-13-4 |
| 番号 | 部品名 |
|---|---|
| 1 | デジタル圧力スイッチ |
| 2 | ゲージナット |
| 3 | Oリング |
※その他型番、仕様等につきましてはカタログをご参照ください。
| 型番 |
|---|
通常単価(税別)
(税込単価) | 通常出荷日 |
|---|
7,584円 ( 8,342円 ) | 6日目 |
7,817円 ( 8,599円 ) | 19日目 |
9,825円 ( 10,808円 ) | 在庫品1日目当日出荷可能 |
14,940円 ( 16,434円 ) | 19日目 |
14,940円 ( 16,434円 ) | 19日目 |
14,940円 ( 16,434円 ) | 19日目 |
9,581円 ( 10,539円 ) | 在庫品1日目当日出荷可能 |
9,507円 ( 10,458円 ) | 19日目 |
15,076円 ( 16,584円 ) | 19日目 |
14,716円 ( 16,188円 ) | 19日目 |
14,716円 ( 16,188円 ) | 19日目 |
7,720円 ( 8,492円 ) | 6日目 |
8,749円 ( 9,624円 ) | 在庫品1日目当日出荷可能 |
10,356円 ( 11,392円 ) | 在庫品1日目当日出荷可能 |
15,076円 ( 16,584円 ) | 19日目 |
15,076円 ( 16,584円 ) | 19日目 |
15,076円 ( 16,584円 ) | 19日目 |
10,102円 ( 11,112円 ) | 在庫品1日目当日出荷可能 |
10,114円 ( 11,125円 ) | 19日目 |
15,212円 ( 16,733円 ) | 19日目 |
14,853円 ( 16,338円 ) | 9日目 |
14,853円 ( 16,338円 ) | 19日目 |
7,804円 ( 8,584円 ) | 在庫品1日目当日出荷可能 |
7,918円 ( 8,710円 ) | 在庫品1日目当日出荷可能 |
9,249円 ( 10,174円 ) | 在庫品1日目当日出荷可能 |
7,269円 ( 7,996円 ) | 19日目 |
14,391円 ( 15,830円 ) | 19日目 |
14,391円 ( 15,830円 ) | 19日目 |
15,089円 ( 16,598円 ) | 19日目 |
14,391円 ( 15,830円 ) | 19日目 |
9,126円 ( 10,039円 ) | 在庫品1日目当日出荷可能 |
7,035円 ( 7,739円 ) | 19日目 |
7,406円 ( 8,147円 ) | 9日目 |
9,562円 ( 10,518円 ) | 在庫品1日目当日出荷可能 |
7,406円 ( 8,147円 ) | 19日目 |
14,528円 ( 15,981円 ) | 19日目 |
18,588円 ( 20,447円 ) | 19日目 |
14,528円 ( 15,981円 ) | 19日目 |
14,528円 ( 15,981円 ) | 19日目 |
14,168円 ( 15,585円 ) | 19日目 |
14,168円 ( 15,585円 ) | 19日目 |
14,168円 ( 15,585円 ) | 19日目 |
14,168円 ( 15,585円 ) | 19日目 |
7,035円 ( 7,739円 ) | 6日目 |
7,269円 ( 7,996円 ) | 6日目 |
9,249円 ( 10,174円 ) | 在庫品1日目当日出荷可能 |
7,810円 ( 8,591円 ) | 在庫品1日目当日出荷可能 |
14,391円 ( 15,830円 ) | 19日目 |
14,391円 ( 15,830円 ) | 19日目 |
14,391円 ( 15,830円 ) | 6日目 |
14,391円 ( 15,830円 ) | 19日目 |
8,589円 ( 9,448円 ) | 19日目 |
7,035円 ( 7,739円 ) | 19日目 |
7,406円 ( 8,147円 ) | 19日目 |
9,394円 ( 10,333円 ) | 6日目 |
7,406円 ( 8,147円 ) | 19日目 |
14,528円 ( 15,981円 ) | 19日目 |
14,528円 ( 15,981円 ) | 19日目 |
14,168円 ( 15,585円 ) | 19日目 |
14,855円 ( 16,341円 ) | 19日目 |
真空ラインの圧力制御が可能な真空レギュレータ。
【特長】
・一面配管仕様をシリーズ化。パネルマウント取付時の省スペースを実現
・質量20%減(従来比)
・ワンタッチ管継手内蔵
・クリップ固定式により圧力計・デジタル圧力スイッチの着脱が容易
・圧力計・デジタル圧力スイッチの取付方向変更が可能(標準配管仕様のみ)
・圧力計・デジタル圧力スイッチの取付角度(60°刻み)変更が容易



SMC
【在庫品多数】薄形シリンダ 標準形 複動・片ロッド CQ2シリーズ
SMC社売れ筋の薄形シリンダ、標準形:複動・片ロッド CQ2シリーズです。全長が薄形に設計された省スペースシリンダです。各種冶具や装置のコンパクト化を実現しているため最小限のスペースでワーク可能です。
通常価格、通常出荷日が表示と異なる場合がございます
通常価格、通常出荷日が表示と異なる場合がございます

SMC
真空レギュレータ IRV10・20シリーズ
5通常価格(税別):241円~

SMC
サクションアシストバルブ ZP2Vシリーズ
4通常価格(税別):1,503円~

フジ・テクノロジー
手動スロットルバタフライバルブ_AXシリーズ
0通常価格(税別):81,029円~

ミスミ
真空配管用継手 クランプ
3.9通常価格(税別):1,140円~

SMC
真空パッド コンパクトタイプ ZP3シリーズ
4.1通常価格(税別):402円~

SMC
真空パッド ZPシリーズ パッド単体
4.4通常価格(税別):278円~

コンバム(旧:妙徳)
三段じゃばら形パッド PCG
3.6通常価格(税別):536円~

ミスミ
真空配管部品 NW(KF)フレキシブルチューブ
4.6通常価格(税別):4,650円~

ミスミ
吸着パッド
4.2通常価格(税別):200円~