メカニカル部品技術窓口
【特長】・ワーク形状になじみやすく円柱の側面に吸着が可能・ワークの吸着面が湾曲している場合、ワークの質...
詳細を確認単位:mm

ZPT(50、40)HB□-A14(おねじ)

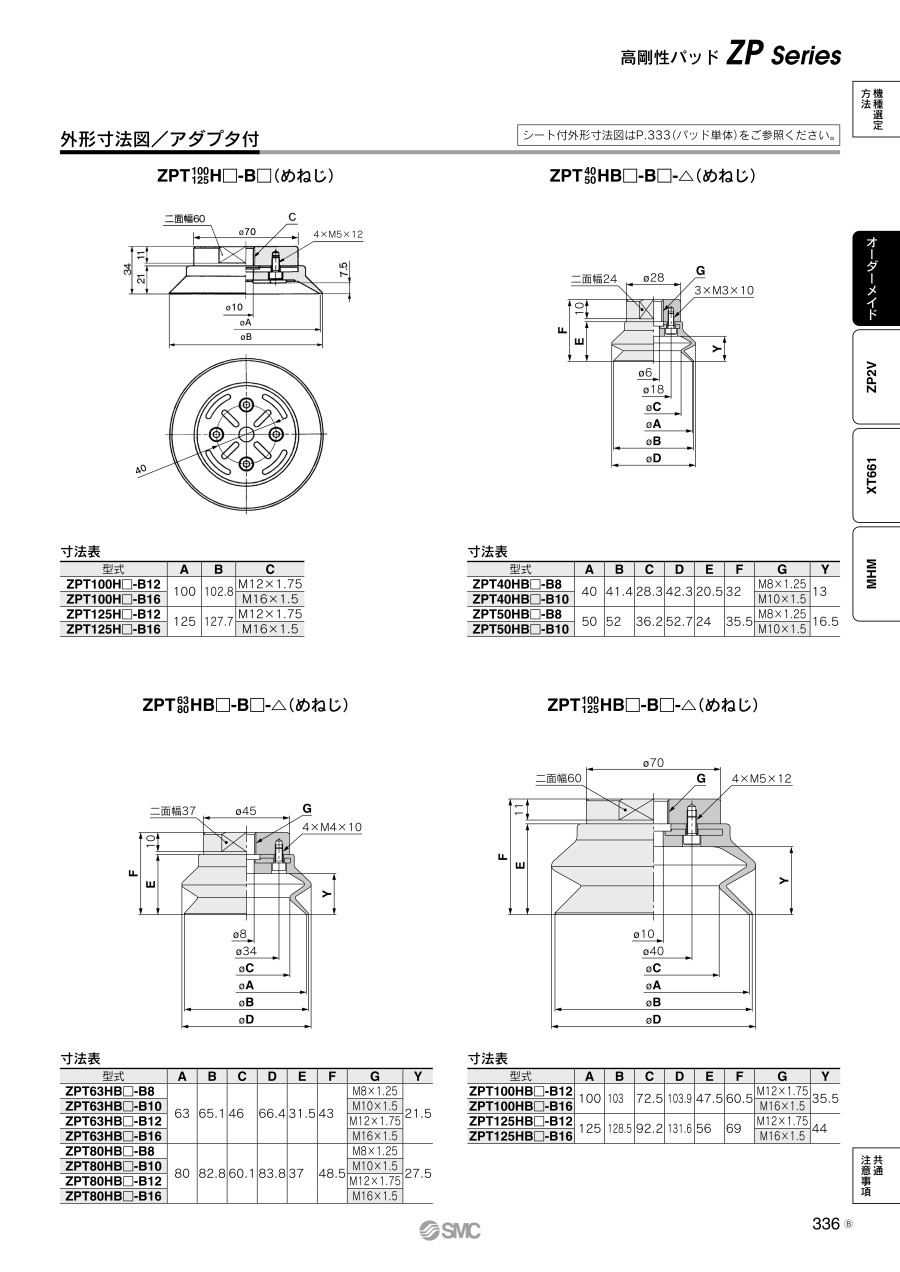
ZPT(50、40)HB□-B□(めねじ)

ZPT(63、80)HB□-A16(おねじ)

ZPT(63、80)HB□-B□(めねじ)

ZPT(100、125)HB□-A16(おねじ)

ZPT(100、125)HB□-B□(めねじ)

| 取付接続 | 真空取出方向 | 縦方向 | ||
|---|---|---|---|---|
| 接続方法 | おねじ | めねじ | ||
| ねじ径 | φ40(直径40mm)・φ50(直径50mm) | M14×1 | M8×1.25・M10×1.5 | |
| φ63(直径63mm)・φ80(直径80mm) | M16×1.5 | M8×1.25・M10×1.5・M12×1.75・M16×1.5 | ||
| φ100(直径100mm)・φ125(直径125mm) | M16×1.5 | M12×1.75・M16×1.5 | ||
| 真空取出口 | 1/8(Rc, NPT, NPTF) | 取付接続と兼用になります | ||
| 型番 | A | B | C | D | E | F | G | Y |
|---|---|---|---|---|---|---|---|---|
| ZPT40HB□-A14 | 40 | 41 | 28 | 43 | 20.5 | 32 | 62 | 13 |
| ZPT50HB□-A14 | 50 | 52 | 36 | 54 | 24 | 35.5 | 65.5 | 16.5 |
| 型番 | A | B | C | D | E | F | G | Y |
|---|---|---|---|---|---|---|---|---|
| ZPT40HB□-B8 | 40 | 41 | 28 | 43 | 20.5 | 32 | M8×1.25 | 13 |
| ZPT40HB□-B10 | M10×1.5 | |||||||
| ZPT50HB□-B8 | 50 | 52 | 36 | 54 | 24 | 35.5 | M8×1.25 | 16.5 |
| ZPT50HB□-B10 | M10×1.5 |
| 型番 | A | B | C | D | E | F | G | Y |
|---|---|---|---|---|---|---|---|---|
| ZPT63HB□-A16 | 63 | 65 | 46 | 68 | 31.5 | 43 | 73 | 21.5 |
| ZPT80HB□-A16 | 80 | 83 | 58 | 85 | 37 | 48.5 | 78.5 | 27.5 |
| 型番 | A | B | C | D | E | F | G | Y |
|---|---|---|---|---|---|---|---|---|
| ZPT63HB□-B8 | 63 | 65 | 46 | 68 | 31.5 | 43 | M8×1.25 | 21.5 |
| ZPT63HB□-B10 | M10×1.5 | |||||||
| ZPT63HB□-B12 | M12×1.75 | |||||||
| ZPT63HB□-B16 | M16×1.5 | |||||||
| ZPT80HB□-B8 | 80 | 83 | 58 | 85 | 37 | 48.5 | M8×1.25 | 27.5 |
| ZPT80HB□-B10 | M10×1.5 | |||||||
| ZPT80HB□-B12 | M12×1.75 | |||||||
| ZPT80HB□-B16 | M16×1.5 |
| 型番 | A | B | C | D | E | F | G | Y |
|---|---|---|---|---|---|---|---|---|
| ZPT100HB□-A16 | 100 | 103 | 69 | 107 | 47.5 | 60.5 | 90.5 | 35.5 |
| ZPT125HB□-A16 | 125 | 129 | 89 | 135 | 56 | 69 | 99 | 44 |
| 型番 | A | B | C | D | E | F | G | Y |
|---|---|---|---|---|---|---|---|---|
| ZPT100HB□-B12 | 100 | 103 | 69 | 107 | 47.5 | 60.5 | M12×1.75 | 35.5 |
| ZPT100HB□-B16 | M16×1.5 | |||||||
| ZPT125HB□-B12 | 125 | 129 | 89 | 135 | 56 | 69 | M12×1.75 | 44 |
| ZPT125HB□-B16 | M16×1.5 |
| 型番 |
|---|
通常単価(税別)
(税込単価) | 通常出荷日 |
|---|
4,618円 ( 5,080円 ) | 在庫品1日目当日出荷可能 |
3,075円 ( 3,383円 ) | 在庫品1日目当日出荷可能 |
3,075円 ( 3,383円 ) | 6日目 |
5,072円 ( 5,579円 ) | 在庫品1日目当日出荷可能 |
5,541円 ( 6,095円 ) | 9日目 |
3,288円 ( 3,617円 ) | 19日目 |
3,178円 ( 3,496円 ) | 6日目 |
4,725円 ( 5,198円 ) | 6日目 |
4,611円 ( 5,072円 ) | 在庫品1日目当日出荷可能 |
2,958円 ( 3,254円 ) | 6日目 |
2,958円 ( 3,254円 ) | 6日目 |
4,945円 ( 5,440円 ) | 6日目 |
3,294円 ( 3,623円 ) | 6日目 |
3,294円 ( 3,623円 ) | 6日目 |
5,269円 ( 5,796円 ) | 6日目 |
4,725円 ( 5,198円 ) | 9日目 |
5,311円 ( 5,842円 ) | 在庫品1日目当日出荷可能 |
3,295円 ( 3,625円 ) | 6日目 |
3,626円 ( 3,989円 ) | 6日目 |
3,295円 ( 3,625円 ) | 6日目 |
5,165円 ( 5,682円 ) | 6日目 |
3,955円 ( 4,351円 ) | 6日目 |
4,822円 ( 5,304円 ) | 9日目 |
9,778円 ( 10,756円 ) | 7日目 |
5,166円 ( 5,683円 ) | 在庫品1日目当日出荷可能 |
3,625円 ( 3,988円 ) | 6日目 |
3,625円 ( 3,988円 ) | 6日目 |
3,956円 ( 4,352円 ) | 6日目 |
3,625円 ( 3,988円 ) | 6日目 |
5,489円 ( 6,038円 ) | 6日目 |
5,506円 ( 6,057円 ) | 6日目 |
4,725円 ( 5,198円 ) | 6日目 |
4,395円 ( 4,835円 ) | 6日目 |
7,608円 ( 8,369円 ) | 在庫品1日目当日出荷可能 |
6,455円 ( 7,101円 ) | 6日目 |
4,836円 ( 5,320円 ) | 6日目 |
【特長】
・ワーク形状になじみやすく円柱の側面に吸着が可能
・ワークの吸着面が湾曲している場合、ワークの質量が重い場合やワークが大きい場合に最適
・高荷重平形リブ付パッドとの互換性あり
・パッド形状により吸着面が斜面であっても吸着可能
・縦方向真空取出形、バッファなし


SMC
真空・大型ベロウパッド ZPT・ZPXシリーズ パッド単体
大型ベロウパッドZPシリーズ用パッド単体です。ワーク形状になじみやすく、円柱の側面や斜面の吸着面でも吸着可能です。同シリーズの高荷重平形リブ付パッドとの互換性もあります。

SMC
【在庫品多数】薄形シリンダ 標準形 複動・片ロッド CQ2シリーズ
薄形シリンダ、標準形:複動・片ロッド CQ2シリーズです。全長が薄形に設計された省スペースシリンダです。各種冶具や装置のコンパクト化を実現しているため最小限のスペースでワーク可能です。
通常価格、通常出荷日が表示と異なる場合がございます
通常価格、通常出荷日が表示と異なる場合がございます

SMC
真空パッド コンパクトタイプ ZP3シリーズ
4.1通常価格(税別):402円~

SMC
真空パッド ZPシリーズ パッド単体
4.4通常価格(税別):278円~

ミスミ
吸着パッド単体 スタンダードタイプ・深型タイプ・小型タイプ
4.3通常価格(税別):320円~

ミスミ
ミニ吸着パッド
5通常価格(税別):330円~

コンバム(旧:妙徳)
じゃばら形パッド PJシリーズ 保守部品(パッド)PJG
4.5通常価格(税別):347円~

ミスミ
吸着パッド
4.2通常価格(税別):200円~

コンバム(旧:妙徳)
三段じゃばら形パッド PCG
3.6通常価格(税別):536円~

ミスミ
吸着ホルダ スプリング式 横:ワンタッチタイプ(L形状) スタンダードタイプ/深型タイプ
3通常価格(税別):2,130円~

ミスミ
吸着パッド取付アタッチメント
0通常価格(税別):390円