メカニカル部品技術窓口

[!]ミスミでのお取り扱いは一部の商品となります。詳細は絞り込み条件でご確認ください。

[!]ミスミでのお取り扱いは一部の商品となります。詳細は絞り込み条件でご確認ください。

[!]ミスミでのお取り扱いは一部の商品となります。詳細は絞り込み条件でご確認ください。

[!]ミスミでのお取り扱いは一部の商品となります。詳細は絞り込み条件でご確認ください。

[!]ミスミでのお取り扱いは一部の商品となります。詳細は絞り込み条件でご確認ください。
型番構成例冷却能力| 012 | 冷却能力 1100/1300W(50/60Hz) |
| 018 | 冷却能力 1700/1900W(50/60Hz) |
| 024 | 冷却能力 2100/2400W(50/60Hz) |
| 030 | 冷却能力 2600/3200W(50/60Hz) |
| 040 | 冷却能力 3800/4200W(50/60Hz) |
| 050 | 冷却能力 4700/5100W(50/60Hz) |
| 060 | 冷却能力 4900/5900W(50/60Hz) |
| A | 空冷冷凍式 |
| W | 水冷冷凍式 |
| 無記号 | Rc |
| F | G (PT-G変換継手セットを付属) |
| N | NPT (PT-NPT変換継手セットを付属) |
| 記号 | オプション仕様 | 対応機種 |
| 無記号 | なし | FRS012/018/024 030/040/050/060 |
| B | 漏電ブレーカ付 | |
| J | 自動給水付 | |
| M | 脱イオン水(純水)配管対応注1) | |
| T | 高揚程ポンプ仕様注2) | HRS012/018/024/030/040 |
| G(空冷のみ) | 高温環境仕様 | HRS012/018/024 |
| W | SI単位固定 | HRS012/018/024 030/040/050/060 |
| Z(空冷のみ) | UL非対応 | HRS040 |
| 記号 | 電源 |
| 20 | 単相AC200V~230V(50/60Hz) |

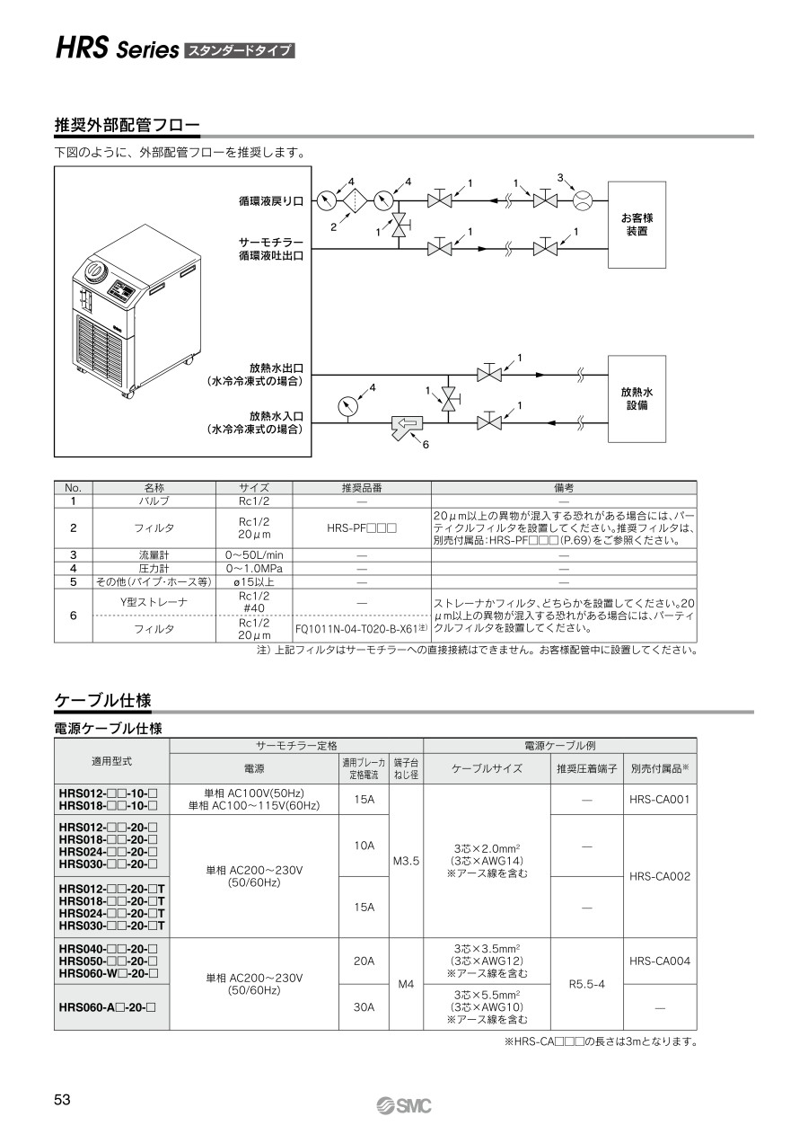
外観
【仕様】
| 型番 | HRS012-A□-20 | HRS018-A□-20 | HRS024-A□-20 | HRS030-A□-20 | HRS050-A□-20 | HRS060-A□-20 | ||
|---|---|---|---|---|---|---|---|---|
| 冷却方式 | 空冷冷凍式 | |||||||
| 使用冷媒 | R407C(HFC) | R410A(HFC) | ||||||
| 冷媒封入量 kg | 0.35 | 0.36 | 0.36 | 0.57 | 0.65 | 0.85 | ||
| 制御方式 | PID制御 | |||||||
| 使用周囲温度・湿度・標高注1)注12) | 温度:5~40℃、高温環境仕様(オプション):5~45℃、湿度:30~70%、標高:3,000mm未満 | |||||||
| 循環液系 | 循環液注2) | 清水、エチレングリコール15%水溶液注4) | ||||||
| 設定温度範囲注1) ℃ | 5~40 | |||||||
| 冷却能力注3)(50/60Hz) W | 1,100/1,300 | 1,700/1,900 | 2,100/2,400 | 2,600/3,200 | 4,700/5,100 | 4,900/5,900 | ||
| 加熱能力注3)(50/60Hz) W | 530/650 | 600/640 | 1,100/1,400 | 1,000/1,300 | ||||
| 温度安定性注5) ℃ | ±0.1 | |||||||
| ポンプ | 定格流量注6)注7)(50/60Hz) L/min | 7(0.13MPa)/7(0.18MPa) | 23(0.24MPa)/28(0.32MPa) | 23(0.21MPa)/28(0.29MPa) | ||||
| 最大流量(50/60Hz) L/min | 27/29 | 34/40 | 31/42 | 29/38 | ||||
| 最大揚程(50/60Hz) m | 14/19 | 50 | ||||||
| 出力 W | 200 | 550 | ||||||
| タンク容量 L | 約5 | |||||||
| 管接続口径 | Rc1/2 | |||||||
| 接液部材質 | ステンレス、銅(熱交換器ブレージング)、青銅、アルミナセラミック、カーボン、PP、PE、POM、FKM、EPDM、PVC | |||||||
| 電気系 | 電源 | 単相AC200~230V(50/60Hz) 許容電圧変動±10% | ||||||
| サーキットプロテクタ A | 10 | 20 | 30 | |||||
| 適用漏電ブレーカ容量注8) A | 10 | 20 | 30 | |||||
| 定格運転電流 (50/60Hz)A | 4.6/5.1 | 4.7/5.2 | 5.1/5.9 | 5.2/6.0 | 8/11 | 8.9/11.5 | ||
| 定格消費電力注3)(50/60Hz) kVA | 0.9/1.0 | 0.9/1.0 | 1.0/1.2 | 1.0/1.2 | 1.7/2.2 | 1.8/2.3 | ||
| 騒音値注9)(50/60Hz) dB | 60/61 | 62/65 | 65/68 | 66/68 | ||||
| 付属品 | 配管継手(ドレン口用) 1個注11)、入出力信号コネクタ 1個、電源コネクタ 1個注11) 取扱説明書(設置・運転編)1冊、クイックマニュアル(クリアケース付け) 1部注11) アラームコード一覧シール 1枚、フェライトコア(通信用) 1個 電源ケーブルは別売品を購入いただくか、お客様にてご用意お願います。 | |||||||
| 質量注10) kg | 43 | 47 | 69 | 73 | ||||
※オプションによって標準仕様と異なる値があります。詳細はカタログをご参照ください。
注1)結露しない条件でご使用ください。
注2)清水をご使用の場合は、日本冷凍空調工業会水質基準(JRA GL-02-1994/冷却水系−循環式−補給水)を満たすものをご使用ください。
注3)1使用周囲温度:25℃、2循環液温度:20℃、3循環液定格流量、4循環液:清水の値です。詳細はカタログ冷却能力図をご参照ください。
注4)循環液温度が10℃以下で使用する場合、エチレングリコール15%水溶液をご使用ください。
注5)循環液が定格流量で循環液吐出口と戻り口を直結した場合の本装置出口温度。設置環境、電源が仕様範囲内かつ安定している場合。
注6)循環液温度20℃時の本装置出口での能力です。
注7)冷却能力、温度安定性などを維持するために必要な最低流量です。定格流量を下回る場合には、冷却能力や温度安定性が仕様を満たせない場合があります。(その場合は、バイパス配管セット(別売)をご使用ください。)
注8)お客様にてご用意ください。漏電ブレーカは感度電流30mAをご使用ください。(オプション漏電ブレーカ付き(記号B)もご用意しております。)
注9)正面1m・高さ1m・無負荷安定時。その他条件は注3)をご参照ください。
注10)循環液を含まない乾燥状態での質量です。
注11)HRS050/060には付属しません。
注12)標高1,000m以上の場合はカタログの「使用環境・保管環境」の「※標高1,000m以上の場合」をご参照ください。
[ ! ]取扱説明書は>>こちらをご参照ください。
[ ! ]サーモチラー HRSシリーズ適応の別売付属品は>>こちら

外観
【仕様】
| 型番 | HRS012-W□-20 | HRS018-W□-20 | HRS024-W□-20 | HRS030-W□-20 | HRS050-W□-20 | HRS060-W□-20 | ||
|---|---|---|---|---|---|---|---|---|
| 冷却方式 | 水冷冷凍式 | |||||||
| 使用冷媒 | R407C(HFC) | R410A(HFC) | ||||||
| 冷媒封入量 kg | 0.3 | 0.31 | 0.31 | 0.5 | 0.65 | 0.75 | ||
| 制御方式 | PID制御 | |||||||
| 使用周囲温度・湿度・標高注1) | 温度:5~40℃、湿度:30~70%、標高:3,000mm未満 | |||||||
| 循環液系 | 循環液注2) | 清水、エチレングリコール15%水溶液注4) | ||||||
| 設定温度範囲注1) ℃ | 5~40 | |||||||
| 冷却能力注3)(50/60Hz) W | 1,100/1,300 | 1,700/1,900 | 2,100/2,400 | 2,600/3,200 | 4,700/5,100 | 4,900/5,900 | ||
| 加熱能力注3)(50/60Hz) W | 530/650 | 400/600 | 1,000/1,300 | |||||
| 温度安定性注5) ℃ | ±0.1 | |||||||
| ポンプ | 定格流量注6)注7)(50/60Hz) L/min | 7(0.13MPa)/7(0.18MPa) | 23(0.24MPa)/28(0.32MPa) | 23(0.21MPa)/28(0.29MPa) | ||||
| 最大流量(50/60Hz) L/min | 27/29 | 34/40 | 31/42 | 29/38 | ||||
| 最大揚程(50/60Hz) m | 14/19 | 50 | ||||||
| 出力 W | 200 | 550 | ||||||
| タンク容量 L | 約5 | |||||||
| 管接続口径 | Rc1/2 | |||||||
| 接液部材質 | ステンレス、銅(熱交換器ブレージング)、青銅、アルミナセラミック、カーボン、PP、PE、POM、FKM、EPDM、PVC | |||||||
| 放熱水径 | 温度範囲 ℃ | 5~40 | ||||||
| 圧力範囲 MPa | +0.3~+0.5 | |||||||
| 必要流量注11)(50/60Hz) L/min | 8 | 12 | 14 | 15 | 16 | 17 | ||
| 放熱水入口出口圧力差 MPa | 0.3以上 | |||||||
| 管接続口径 | Rc3/8 | Rc1/2 | ||||||
| 接液部材質 | ステンレス、銅(熱交換器ブレージング)、青銅、合成ゴム | |||||||
| 電気系 | 電源 | 単相AC200~230V(50/60Hz) 許容電圧変動±10% | ||||||
| サーキットプロテクタ A | 10 | 20 | ||||||
| 適用漏電ブレーカ容量注8) A | 10 | 20 | ||||||
| 定格運転電流 (50/60Hz)A | 4.6/5.1 | 4.7/5.2 | 5.1/5.9 | 5.2/6.0 | 7.6/10 | 7.6/10.4 | ||
| 定格消費電力注3)(50/60Hz) kVA | 0.9/1.0 | 0.9/1.0 | 1.0/1.2 | 1.0/1.2 | 1.5/2.0 | 1.5/2.1 | ||
| 騒音値注9)(50/60Hz) dB | 60/61 | 62/65 | 65/68 | 66/68 | ||||
| 付属品 | 配管継手(ドレン口用) 1個注12)、入出力信号コネクタ 1個、電源コネクタ 1個注12) 取扱説明書(設置・運転編)1冊、クイックマニュアル(クリアケース付け) 1部注12) アラームコード一覧シール 1枚、フェライトコア(通信用) 1個 電源ケーブルは別売品を購入いただくか、お客様にてご用意お願います。 | |||||||
| 質量注10) kg | 43 | 46 | 67 | |||||
※オプションによって標準仕様と異なる値があります。詳細はカタログをご参照ください。
注1)結露しない条件でご使用ください。
注2)清水をご使用の場合は、日本冷凍空調工業会水質基準(JRA GL-02-1994/冷却水系−循環式−補給水)を満たすものをご使用ください。
注3)1使用周囲温度:25℃、2循環液温度:20℃、3循環液定格流量、4循環液:清水、t放熱水温度:25℃時の値です。詳細はカタログの冷却能力図をご参照ください。
注4)循環液温度が10℃以下で使用する場合、エチレングリコール15%水溶液をご使用ください。
注5)循環液が定格流量で循環液吐出口と戻り口を直結した場合の本装置出口温度。設置環境、電源が仕様範囲内かつ安定している場合。
注6)循環液温度20℃時の本装置出口での能力です。
注7)冷却能力、温度安定性などを維持するために必要な最低流量です。
定格流量を下回る場合には、冷却能力や温度安定性が仕様を満たせない場合があります。(その場合は、バイパス配管セット(別売)をご使用ください。)
注8)お客様にてご用意ください。漏電ブレーカは感度電流30mAをご使用ください。(オプション漏電ブレーカ付き(記号B)もご用意しております。)
注9)正面1m・高さ1m・無負荷安定時。その他条件は注3)をご参照ください。
注10)循環液を含まない乾燥状態での質量です。
注11)循環液温度20℃、循環液定格流量、放熱水温度25℃で冷却能力記載の負荷を印加した時に必要な流量です。
注12)HRS050/060には付属しません。
[ ! ]取扱説明書は>>こちらをご参照ください。
[ ! ]サーモチラー HRSシリーズ適応の別売付属品は>>こちら

HRS012/018-A/W-10(単相AC100/115V)のポンプ能力

HRS-012/018/024-A/W-20(単相AC200〜230V)のポンプ能力

| 型番 |
|---|
通常単価(税別)
(税込単価) | 通常出荷日 |
|---|
328,082円 ( 360,890円 ) | 6日目 |
396,637円 ( 436,301円 ) | 18日目 |
405,121円 ( 445,633円 ) | 18日目 |
360,526円 ( 396,579円 ) | 18日目 |
363,545円 ( 399,900円 ) | 18日目 |
480,362円 ( 528,398円 ) | 18日目 |
406,070円 ( 446,677円 ) | 18日目 |
342,751円 ( 377,026円 ) | 18日目 |
367,204円 ( 403,924円 ) | 18日目 |
484,019円 ( 532,421円 ) | 18日目 |
409,728円 ( 450,701円 ) | 18日目 |
341,202円 ( 375,322円 ) | 18日目 |
345,770円 ( 380,347円 ) | 18日目 |
462,544円 ( 508,798円 ) | 6日目 |
388,253円 ( 427,078円 ) | 6日目 |
321,276円 ( 353,404円 ) | 18日目 |
330,461円 ( 363,507円 ) | 6日目 |
360,112円 ( 396,123円 ) | 18日目 |
394,347円 ( 433,782円 ) | 18日目 |
397,438円 ( 437,182円 ) | 18日目 |
334,119円 ( 367,531円 ) | 18日目 |
358,571円 ( 394,428円 ) | 18日目 |
475,387円 ( 522,926円 ) | 18日目 |
401,095円 ( 441,205円 ) | 18日目 |
337,137円 ( 370,851円 ) | 18日目 |
504,346円 ( 554,781円 ) | 6日目 |
337,137円 ( 370,851円 ) | 18日目 |
379,620円 ( 417,582円 ) | 6日目 |
379,620円 ( 417,582円 ) | 18日目 |
312,643円 ( 343,907円 ) | 18日目 |
384,331円 ( 422,764円 ) | 6日目 |
329,016円 ( 361,918円 ) | 5日目 |
373,752円 ( 411,127円 ) | 18日目 |
355,934円 ( 391,527円 ) | 18日目 |
380,428円 ( 418,471円 ) | 18日目 |
423,719円 ( 466,091円 ) | 18日目 |
353,467円 ( 388,814円 ) | 18日目 |
397,566円 ( 437,323円 ) | 18日目 |
338,158円 ( 371,974円 ) | 18日目 |
347,302円 ( 382,032円 ) | 18日目 |
371,795円 ( 408,975円 ) | 18日目 |
344,834円 ( 379,317円 ) | 6日目 |
463,225円 ( 509,548円 ) | 18日目 |
388,933円 ( 427,826円 ) | 6日目 |
355,981円 ( 391,579円 ) | 6日目 |
393,923円 ( 433,315円 ) | 18日目 |
498,010円 ( 547,811円 ) | 18日目 |
423,719円 ( 466,091円 ) | 18日目 |
355,934円 ( 391,527円 ) | 18日目 |
353,467円 ( 388,814円 ) | 18日目 |
471,857円 ( 519,043円 ) | 18日目 |
397,566円 ( 437,323円 ) | 18日目 |
329,016円 ( 361,918円 ) | 18日目 |
332,538円 ( 365,792円 ) | 19日目 |
347,302円 ( 382,032円 ) | 18日目 |
489,378円 ( 538,316円 ) | 18日目 |
344,834円 ( 379,317円 ) | 18日目 |
463,225円 ( 509,548円 ) | 18日目 |
388,933円 ( 427,826円 ) | 6日目 |
327,017円 ( 359,719円 ) | 6日目 |
【特長】
・膨張弁と温度センサによる精密な温度制御方式のため高い温度安定性±0.1℃
・タンクの小型化を実現
・電源:単相AC200~230V
・設定温度範囲:5~40℃
・HRS-0□□-A:空冷冷凍式
・HRS-0□□-W:水冷冷凍式

SMC
循環液温調装置 サーモチラー スタンダードタイプ 水冷200V・400V仕様 HRS090シリーズ
サーモチラーです。膨張弁と温度センサによる精密な温度制御方式のため、高い温度安定性±0.5℃とタンクの小型化を実現しました。


SMC
【在庫品多数】薄形シリンダ 標準形 複動・片ロッド CQ2シリーズ
売れ筋の薄形シリンダ、標準形:複動・片ロッド CQ2シリーズです。全長が薄形に設計された省スペースシリンダです。各種冶具や装置のコンパクト化を実現しているため最小限のスペースでワーク可能です。
通常価格、通常出荷日が表示と異なる場合がございます
通常価格、通常出荷日が表示と異なる場合がございます

ミスミ
耐熱端子台
4.4通常価格(税別):1,210円~

ミスミ
温度センサ スタンダードタイプ
4.6通常価格(税別):3,320円~

ミスミ
カートリッジヒータ 固定タイプ
3.9通常価格(税別):2,260円~

ミスミ
温度センサ取付部品
4.6通常価格(税別):920円~

ミスミ
カートリッジヒータ-L寸・W数・フランジ選択-
4.2
ミスミ
K熱電対用コネクタ
4.3通常価格(税別):1,610円~

ミスミ
温度センサ シリコン被覆タイプ(K熱電対/測温抵抗体)
4.6通常価格(税別):2,440円~

ミスミ
放熱ゲルシート 高熱伝導タイプ
4.2
ミスミ
カートリッジヒータ L型タイプ(均熱、断線防止)Φ6~Φ16
4