メカニカル部品技術窓口
軸受性能向上 マグネット式ロッドレスシリンダ ダイレクトマウントタイプ CY3Rシリーズ。【特長】・シ...
詳細を確認
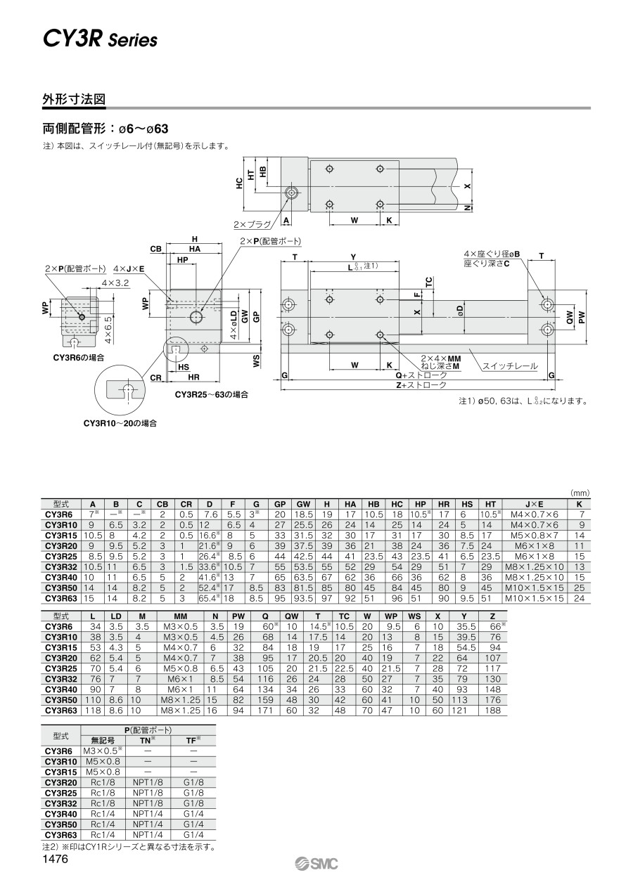
両側配管形:φ6(直径6mm)~φ63(直径63mm)
注1)φ50(直径50mm), φ63(直径63mm)は、L(-0.2~0)になります。

商品イメージ
| チューブ内径(mm) | 6 | 10 | 15 | 20 | 25 | 32 | 40 | 50 | 63 |
|---|---|---|---|---|---|---|---|---|---|
| 使用流体 | 空気 | ||||||||
| 保証耐圧力 | 1.05MPa | ||||||||
| 最高使用圧力 | 0.7MPa | ||||||||
| 最低作動圧力 | 0.16 | 0.16 | 0.16 | 0.16 | 0.15 | 0.14 | 0.12 | 0.12 | 0.12 |
| 周囲温度および使用流体温度 | -10~60℃(ただし凍結なきこと) | ||||||||
| 注)使用ピストン速度 | 50~500mm/s | ||||||||
| クッション | ラバークッション | ||||||||
| 給油 | 不要(無給油) | ||||||||
| ストローク長さ許容差(mm) | 0~250st:(0~+1.0)、251~1,000st:(0~+1.4)、1,001st~:(0~+1.8) | ||||||||
| 取付方法 | ダイレクトマウント形 | ||||||||
| 取付姿勢 | 水平、傾斜、垂直注2) | ||||||||
| 磁石保持力(N) | 19.6 | 53.9 | 137 | 231 | 363 | 588 | 922 | 1,471 | 2,256 |
注1)オートスイッチ付で、中間位置にオートスイッチを設定する場合はリレー等の関係からピストン最大速度は300mm/s以内としてください。
注2)垂直取付の場合は、空気圧回路による中間停止はできません。
| オートスイッチ品番 | 種類 | 特殊機能 | リード線取出し | インジケータランプ | 配線(出力) | 負荷電圧 | ||
|---|---|---|---|---|---|---|---|---|
| DC | AC | |||||||
| M9N | 無接点オートスイッチ | - | グロメット | 有 | 3線(NPN) | 24V | 5V, 12V | - |
| M9P | 3線(PNP) | |||||||
| M9B | 2線 | 12V | ||||||
| M9NW | 診断表示(2色表示) | 3線(NPN) | 5V, 12V | |||||
| M9PW | 3線(PNP) | |||||||
| M9BW | 2線 | 12V | ||||||
| ※1M9NA | 耐水性向上品 (2色表示) | 3線(NPN) | 5V, 12V | |||||
| ※1M9PA | 3線(PNP) | |||||||
| ※1M9BA | 2線 | 12V | ||||||
| A96 | 有接点オートスイッチ | - | グロメット | 有 | 3線(NPN相当) | - | 5V | - |
| A93 | 2線 | 24V | 5V, 12V | 100V | ||||
| A90 | 無 | 100V以下 | ||||||
| オートスイッチ品番 | リード線長さ(m) | プリワイヤコネクタ | 適用負荷 | ||||
|---|---|---|---|---|---|---|---|
| 0.5 (無記号) | 1 (M) | 3 (L) | 5 (Z) | ||||
| M9N | ● | ● | ● | ○ | ○ | IC回路 | リレー、PLC |
| M9P | ● | ● | ● | ○ | ○ | ||
| M9B | ● | ● | ● | ○ | ○ | - | |
| M9NW | ● | ● | ● | ○ | ○ | IC回路 | |
| M9PW | ● | ● | ● | ○ | ○ | ||
| M9BW | ● | ● | ● | ○ | ○ | - | |
| ※1M9NA | ○ | ○ | ● | ○ | ○ | IC回路 | |
| ※1M9PA | ○ | ○ | ● | ○ | ○ | ||
| ※1M9BA | ○ | ○ | ● | ○ | ○ | - | |
| A96 | ● | - | ● | - | - | IC回路 | - |
| A93 | ● | ● | ● | ● | - | リレー、PLC | |
| A90 | ● | - | ● | - | - | - | |

両側配管形
| 番号 | 部品名 | 材質 | 備考 | ||
|---|---|---|---|---|---|
| 1 | ボディ | アルミ合金 | 硬質アルマイト | ||
| 2a | エンドカバー A | アルミ合金 | - | ||
| 2b | エンドカバー C | アルミ合金 | - | ||
| 3a | エンドカバー B | アルミ合金 | - | ||
| 3b | エンドカバー D | アルミ合金 | - | ||
| 4 | シリンダチューブ | ステンレス | - | ||
| 5 | ピストン | φ6(直径6mm) | 真ちゅう | φ6(直径6mm) | 無電解Niめっき |
| φ10~63(直径10~63mm) | アルミ合金 | φ10~63(直径10~63mm) | クロメート | ||
| 6 | シャフト | ステンレス | - | ||
| 7 | ピストン側ヨーク | 圧延鋼板 | 亜鉛クロメート | ||
| 8 | 外部移動子側ヨーク | 圧延鋼板 | 亜鉛クロメート | ||
| 9 | 磁石A | - | - | ||
| 10 | 磁石B | - | - | ||
| 11 | スペーサ | アルミ合金 | φ6(直径6mm)はなし | ||
| 12 | ダンパ | ウレタンゴム | - | ||
| 13 | ピストンナット | 炭素鋼 | 亜鉛クロメート(φ6~15(直径6~15mm)なし) | ||
| 14 | 穴用C形止め輪 | 炭素工具鋼 | 燐酸塩被膜 | ||
| 15 | アタッチメントリング | アルミ合金 | クロメート | ||
| 16 | 軸用C形止め輪 | 硬鋼線材 | - | ||
| 17 | 磁気シールド板 | 圧延鋼板 | ユニクロ(φ6(直径6mm), φ10(直径10mm)なし) | ||
| 18a | スイッチレール(両側配管) | アルミ合金 | 白色アルマイト | ||
| 18b | スイッチレール(集中配管) | アルミ合金 | 白色アルマイト | ||
| 19 | 磁石 | - | - | ||
| 20 | 六角穴付プラグ | クロム鋼 | ニッケルめっき | ||
| 21 | 鋼球 | クロム鋼 | φ40 (直径40mm) | 六角穴付プラグ | |
| φ20(直径20mm), φ50(直径50mm), φ63(直径63mm) | なし | ||||
| 22 | 六角穴付ボルト | クロム鋼 | ニッケルめっき | ||
| 23 | 六角穴付止ねじ | クロム鋼 | ニッケルめっき | ||
| 24 | シリンダチューブ ガスケット | NBR | - | ||
| 25 | ウェアリングA | 特殊樹脂 | φ6(直径6mm)なし | ||
| 26 | ウェアリングB | 特殊樹脂 | - | ||
| 27 | ウェアリングC | 特殊樹脂 | - | ||
| 28 | ピストンパッキン | NBR | - | ||
| 29 | ルブリテーナ | 特殊樹脂 | φ6(直径6mm)なし | ||
| 30 | スイッチレール ガスケット | NBR | 両側配管形の場合なし | ||
| 型式 | A | B | C | CB | CR | D | F | G | GP | GW | H | HA | HB | HC | HP | HR | HS | HT | J×E |
|---|---|---|---|---|---|---|---|---|---|---|---|---|---|---|---|---|---|---|---|
| CY3R6 | 7※ | -※ | -※ | 2 | 0.5 | 7.6 | 5.5 | 3※ | 20 | 18.5 | 19 | 17 | 10.5 | 18 | 10.5※ | 17 | 6 | 10.5※ | M4×0.7×6 |
| CY3R10 | 9 | 6.5 | 3.2 | 2 | 0.5 | 12 | 6.5 | 4 | 27 | 25.5 | 26 | 24 | 14 | 25 | 14 | 24 | 5 | 14 | M4×0.7×6 |
| CY3R15 | 10.5 | 8 | 4.2 | 2 | 0.5 | 16.6※ | 8 | 5 | 33 | 31.5 | 32 | 30 | 17 | 31 | 17 | 30 | 8.5 | 17 | M5×0.8×7 |
| CY3R20 | 9 | 9.5 | 5.2 | 3 | 1 | 21.6※ | 9 | 6 | 39 | 37.5 | 39 | 36 | 21 | 38 | 24 | 36 | 7.5 | 24 | M6×1×8 |
| CY3R25 | 8.5 | 9.5 | 5.2 | 3 | 1 | 26.4※ | 8.5 | 6 | 44 | 42.5 | 44 | 41 | 23.5 | 43 | 23.5 | 41 | 6.5 | 23.5 | M6×1×8 |
| CY3R32 | 10.5 | 11 | 6.5 | 3 | 1.5 | 33.6※ | 10.5 | 7 | 55 | 53.5 | 55 | 52 | 29 | 54 | 29 | 51 | 7 | 29 | M8×1.25×10 |
| CY3R40 | 10 | 11 | 6.5 | 5 | 2 | 41.6※ | 13 | 7 | 65 | 63.5 | 67 | 62 | 36 | 66 | 36 | 62 | 8 | 36 | M8×1.25×10 |
| CY3R50 | 14 | 14 | 8.2 | 5 | 2 | 52.4※ | 17 | 8.5 | 83 | 81.5 | 85 | 80 | 45 | 84 | 45 | 80 | 9 | 45 | M10×1.5×15 |
| CY3R63 | 15 | 14 | 8.2 | 5 | 3 | 65.4※ | 18 | 8.5 | 95 | 93.5 | 97 | 92 | 51 | 96 | 51 | 90 | 9.5 | 51 | M10×1.5×15 |
| 型式 | K | L | LD | M | MM | N | PW | Q | QW | T | TC | W | WP | WS | X | Y | Z |
|---|---|---|---|---|---|---|---|---|---|---|---|---|---|---|---|---|---|
| CY3R6 | 7 | 34 | 3.5 | 3.5 | M3×0.5 | 3.5 | 19 | 60※ | 10 | 14.5※ | 10.5 | 20 | 9.5 | 6 | 10 | 35.5 | 66※ |
| CY3R10 | 9 | 38 | 3.5 | 4 | M3×0.5 | 4.5 | 26 | 68 | 14 | 17.5 | 14 | 20 | 13 | 8 | 15 | 39.5 | 76 |
| CY3R15 | 14 | 53 | 4.3 | 5 | M4×0.7 | 6 | 32 | 84 | 18 | 19 | 17 | 25 | 16 | 7 | 18 | 54.5 | 94 |
| CY3R20 | 11 | 62 | 5.4 | 5 | M4×0.7 | 7 | 38 | 95 | 17 | 20.5 | 20 | 40 | 19 | 7 | 22 | 64 | 107 |
| CY3R25 | 15 | 70 | 5.4 | 6 | M5×0.8 | 6.5 | 43 | 105 | 20 | 21.5 | 22.5 | 40 | 21.5 | 7 | 28 | 72 | 117 |
| CY3R32 | 13 | 76 | 7 | 7 | M6×1 | 8.5 | 54 | 116 | 26 | 24 | 28 | 50 | 27 | 7 | 35 | 79 | 130 |
| CY3R40 | 15 | 90 | 7 | 8 | M6×1 | 11 | 64 | 134 | 34 | 26 | 33 | 60 | 32 | 7 | 40 | 93 | 148 |
| CY3R50 | 25 | 110 | 8.6 | 10 | M8×1.25 | 15 | 82 | 159 | 48 | 30 | 42 | 60 | 41 | 10 | 50 | 113 | 176 |
| CY3R63 | 24 | 118 | 8.6 | 10 | M8×1.25 | 16 | 94 | 171 | 60 | 32 | 48 | 70 | 47 | 10 | 60 | 121 | 188 |
| 型式 | P(配管ポ-ト) | ||
|---|---|---|---|
| 無記号 | TN※ | TF※ | |
| CY3R6 | M3×0.5※ | - | - |
| CY3R10 | M5×0.8 | - | - |
| CY3R15 | M5×0.8 | - | - |
| CY3R20 | Rc1/8 | NPT1/8 | G1/8 |
| CY3R25 | Rc1/8 | NPT1/8 | G1/8 |
| CY3R32 | Rc1/8 | NPT1/8 | G1/8 |
| CY3R40 | Rc1/4 | NPT1/4 | G1/4 |
| CY3R50 | Rc1/4 | NPT1/4 | G1/4 |
| CY3R63 | Rc1/4 | NPT1/4 | G1/4 |
注2)※印はCY1Rシリーズと異なる寸法を示す。

型番例

| 型番 |
|---|
通常単価(税別)
(税込単価) | 通常出荷日 |
|---|
14,757円 ( 16,233円 ) | 19日目 |
17,588円 ( 19,347円 ) | 19日目 |
19,598円 ( 21,558円 ) | 19日目 |
14,757円 ( 16,233円 ) | 19日目 |
14,757円 ( 16,233円 ) | 19日目 |
14,757円 ( 16,233円 ) | 19日目 |
16,381円 ( 18,019円 ) | 19日目 |
14,757円 ( 16,233円 ) | 19日目 |
22,289円 ( 24,518円 ) | 19日目 |
18,940円 ( 20,834円 ) | 19日目 |
16,381円 ( 18,019円 ) | 19日目 |
16,381円 ( 18,019円 ) | 19日目 |
19,272円 ( 21,199円 ) | 19日目 |
17,178円 ( 18,896円 ) | 19日目 |
17,316円 ( 19,048円 ) | 19日目 |
19,704円 ( 21,674円 ) | 19日目 |
14,757円 ( 16,233円 ) | 6日目 |
16,492円 ( 18,141円 ) | 6日目 |
17,588円 ( 19,347円 ) | 6日目 |
20,090円 ( 22,099円 ) | 19日目 |
18,137円 ( 19,951円 ) | 6日目 |
19,828円 ( 21,811円 ) | 6日目 |
22,516円 ( 24,768円 ) | 19日目 |
20,696円 ( 22,766円 ) | 19日目 |
19,252円 ( 21,177円 ) | 6日目 |
18,096円 ( 19,906円 ) | 6日目 |
16,173円 ( 17,790円 ) | 6日目 |
19,006円 ( 20,907円 ) | 6日目 |
19,417円 ( 21,359円 ) | 6日目 |
22,061円 ( 24,267円 ) | 19日目 |
19,964円 ( 21,960円 ) | 6日目 |
22,666円 ( 24,933円 ) | 19日目 |
21,819円 ( 24,001円 ) | 19日目 |
17,092円 ( 18,801円 ) | 6日目 |
19,874円 ( 21,861円 ) | 6日目 |
22,516円 ( 24,768円 ) | 19日目 |
20,422円 ( 22,464円 ) | 6日目 |
22,286円 ( 24,515円 ) | 19日目 |
20,970円 ( 23,067円 ) | 6日目 |
23,581円 ( 25,939円 ) | 6日目 |
19,598円 ( 21,558円 ) | 6日目 |
22,212円 ( 24,433円 ) | 19日目 |
20,148円 ( 22,163円 ) | 6日目 |
22,818円 ( 25,100円 ) | 19日目 |
21,996円 ( 24,196円 ) | 6日目 |
17,178円 ( 18,896円 ) | 6日目 |
19,874円 ( 21,861円 ) | 6日目 |
20,695円 ( 22,765円 ) | 6日目 |
19,598円 ( 21,558円 ) | 6日目 |
20,148円 ( 22,163円 ) | 6日目 |
22,773円 ( 25,050円 ) | 6日目 |
17,058円 ( 18,764円 ) | 19日目 |
13,573円 ( 14,930円 ) | 19日目 |
15,764円 ( 17,340円 ) | 19日目 |
15,127円 ( 16,640円 ) | 19日目 |
21,454円 ( 23,599円 ) | 19日目 |
15,127円 ( 16,640円 ) | 19日目 |
20,598円 ( 22,658円 ) | 19日目 |
20,245円 ( 22,270円 ) | 19日目 |
17,433円 ( 19,176円 ) | 19日目 |
軸受性能向上 マグネット式ロッドレスシリンダ ダイレクトマウントタイプ CY3Rシリーズ。
【特長】
・シリンダチューブ外周面に良好な潤滑膜を形成させ、耐久性が向上
・摺動抵抗低減

SMC
マグネット式ロッドレスシリンダ スライダ形・ボールブッシュ軸受 CY1Lシリーズ
マグネット式ロッドレスシリンダ/スライダ形です。中空シャフトを採用し配管が片側に集中しているため、配管処理が容易です。ショックアブソーバ、アジャストボルトを標準装備しています。

SMC
【在庫品多数】薄形シリンダ 標準形 複動・片ロッド CQ2シリーズ
薄形シリンダ/標準形:複動・片ロッド CQ2シリーズです。全長が薄形に設計された省スペースシリンダです。各種冶具や装置のコンパクト化を実現しているため最小限のスペースでワーク可能です。
通常価格、通常出荷日が表示と異なる場合がございます
通常価格、通常出荷日が表示と異なる場合がございます

SMC
コンパクトスライド/MXHシリーズ
4通常価格(税別):13,797円~

コガネイ
エアスライドシリンダ SUシリーズ
0通常価格(税別):23,210円~

SMC
エアスライドテーブル/MXSシリーズ
0通常価格(税別):22,523円~

SMC
メカジョイント式ロッドレスシリンダ 基本形 MY3A/3Bシリーズ
4通常価格(税別):928円~

SMC
マグネット式ロッドレスシリンダ ダイレクトマウントタイプ CY3Rシリーズ
3通常価格(税別):1,512円~

AirTAC(エアタック)
【在庫品】スライドユニット(ボールブッシュ軸受け) HLQシリーズ
0通常価格(税別):14,102円~

SMC
エアスライドテーブル/MXQシリーズ
0通常価格(税別):21,392円~

SMC
メカジョイント式ロッドレスシリンダ カムフォロアガイド形 MY1Cシリーズ
0通常価格(税別):740円~

AirTAC(エアタック)
マグネット式ロッドレスシリンダ RMHシリーズ
0通常価格(税別):12,164円~