メカニカル部品技術窓口
単位:mm

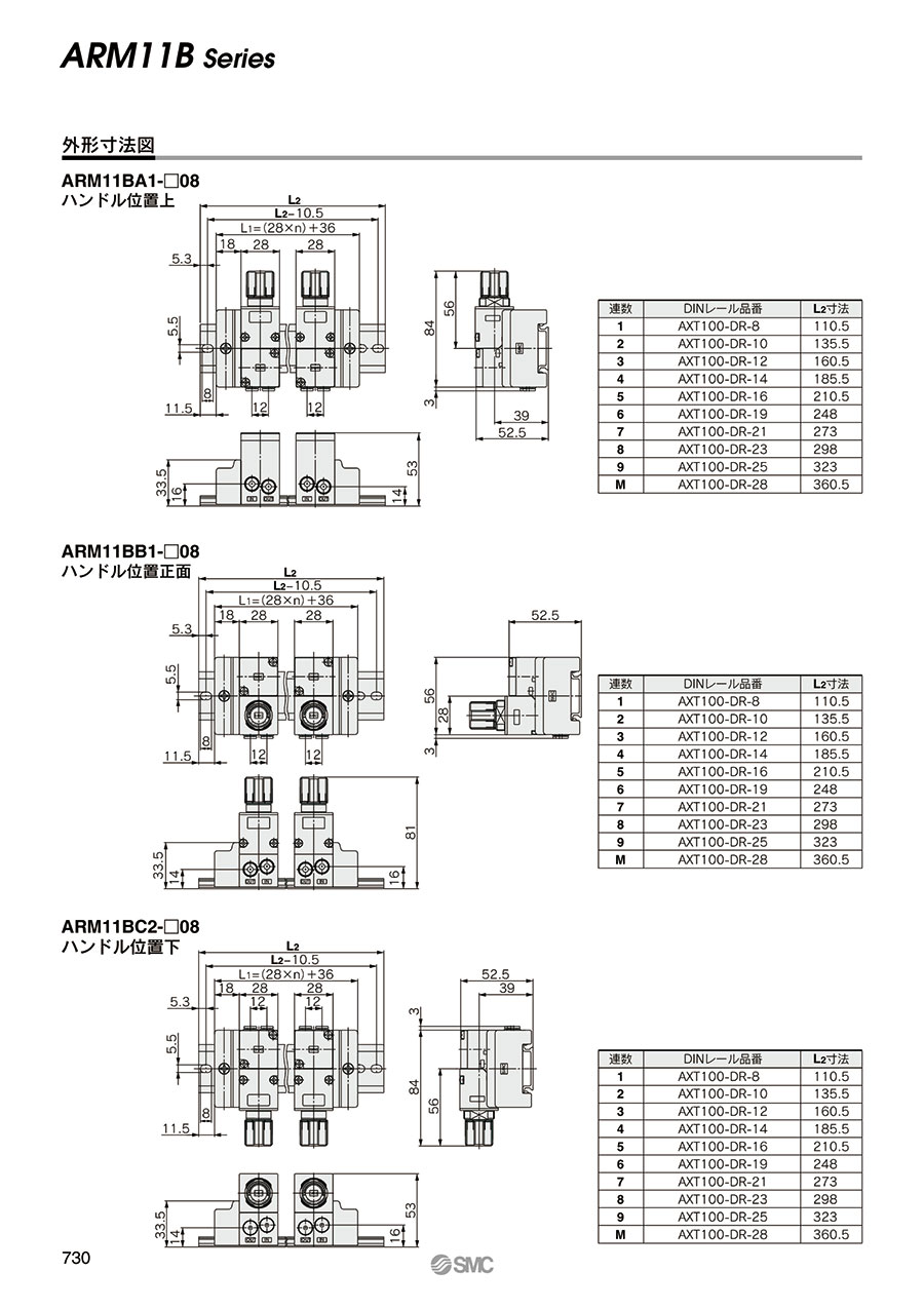
ARM11BA1-□08 ハンドル位置上
| 連数 | DINレール型番 | L2寸法 |
|---|---|---|
| 1 | AXT100-DR-8 | 110.5 |
| 2 | AXT100-DR-10 | 135.5 |
| 3 | AXT100-DR-12 | 160.5 |
| 4 | AXT100-DR-14 | 185.5 |
| 5 | AXT100-DR-16 | 210.5 |
| 6 | AXT100-DR-19 | 248 |
| 7 | AXT100-DR-21 | 273 |
| 8 | AXT100-DR-23 | 298 |
| 9 | AXT100-DR-25 | 323 |
| M | AXT100-DR-28 | 360.5 |

商品イメージ
| 減圧弁構造 | 直動式 | |
|---|---|---|
| 受圧方式 | ダイヤフラム式 | |
| リリーフ構造 | 標準 | リリーフタイプ |
| 準標準 | ノンリリーフタイプ | |
| 逆流機能注1) | あり(アンバランス式) | |
| IN側チューブ外径 | φ4(直径4mm),φ6(直径6mm),φ5/32(直径5/32mm),φ1/4(直径1/4mm) | |
| OUT側チューブ外径 | φ4(直径4mm),φ6(直径6mm),φ5/32(直径5/32mm),φ1/4(直径1/4mm) | |
| 保証耐圧力 | 1.5MPa | |
| 最高使用圧力 | 1.0MPa | |
| 設定圧力範囲 | 標準 | 0.05~0.7MPa |
| 準標準 | 0.05~0.35MPa(低圧タイプ) | |
| 使用流体 | 空気 | |
| 周囲温度および使用流体温度注2) | 5~60℃ | |

(1)ハンドル位置

| 記号 | 位置 |
|---|---|
| A | 上 |
| B | 正面 |
| C | 下 |
(2)IN・OUT配管位置

| 記号 | 位置 | |||
|---|---|---|---|---|
| IN側 | OUT側 | |||
| 下 | 上 | 下 | 上 | |
| 1 | ● | - | ● | - |
| 2 | - | ● | - | ● |
| 3 | ● | - | - | ● |
| 4 | - | ● | ● | - |
(3)レギュレータブロックの連数
| 記号 | 連数 |
|---|---|
| 1 | 1連 |
| 2 | 2連 |
| 3 | 3連 |
| 4 | 4連 |
| 5 | 5連 |
| 6 | 6連 |
| 7 | 7連 |
| 8 | 8連 |
| 9 | 9連 |
| M | 10連 |
(4)IN・OUT継手種類

単位:mm
| 取付位置 | IN側 | OUT側 | ||||||
|---|---|---|---|---|---|---|---|---|
| 記号 | 継手種類 | |||||||
| ストレート | エルボ注) | ストレート | エルボ注) | |||||
| φ4(直径4mm) | φ6(直径6mm) | φ4(直径4mm) | φ6(直径6mm) | φ4(直径4mm) | φ6(直径6mm) | φ4(直径4mm) | φ6(直径6mm) | |
| 06 | ● | - | - | - | ● | - | - | - |
| 07 | - | ● | - | - | ● | - | - | - |
| 08 | - | ● | - | - | - | ● | - | - |
| 18 | - | - | ● | - | - | - | ● | - |
| 19 | - | - | - | ● | - | - | ● | - |
| 20 | - | - | - | ● | - | - | - | ● |
| 25 | ● | - | - | - | - | - | ● | - |
| 26 | - | ● | - | - | - | - | ● | - |
| 27 | - | ● | - | - | - | - | - | ● |
| 32 | - | - | ● | - | ● | - | - | - |
| 33 | - | - | - | ● | ● | - | - | - |
| 34 | - | - | - | ● | - | ● | - | - |
単位:inch
| 取付位置 | IN側 | OUT側 | ||||||
|---|---|---|---|---|---|---|---|---|
| 記号 | 継手種類 | |||||||
| ストレート | エルボ注) | ストレート | エルボ注) | |||||
| φ5/32(直径5/32mm) | φ1/4(直径1/4mm) | φ5/32(直径5/32mm) | φ1/4(直径1/4mm) | φ5/32(直径5/32mm) | φ1/4(直径1/4mm) | φ5/32(直径15/32mm) | φ1/4(直径1/4mm) | |
| 56 | ● | - | - | - | ● | - | - | - |
| 57 | - | ● | - | - | ● | - | - | - |
| 58 | - | ● | - | - | - | ● | - | - |
| 68 | - | - | ● | - | - | - | ● | - |
| 69 | - | - | - | ● | - | - | ● | - |
| 70 | - | - | - | ● | - | - | - | ● |
| 75 | ● | - | - | - | - | - | ● | - |
| 76 | - | ● | - | - | - | - | ● | - |
| 77 | - | ● | - | - | - | - | - | ● |
| 82 | - | - | ● | - | ● | - | - | - |
| 83 | - | - | - | ● | ● | - | - | - |
| 84 | - | - | - | ● | - | ● | - | - |
(5)付属品(圧力表示機能)

| 記号 | 付属品 |
|---|---|
| 無記号 | 圧力表示機能なし |
| A注1) | 圧力表示機能有 |
(6)準標準仕様
| 記号 | なし | 0.35MPa設定注1) | ノンリリーフ | 禁油仕様注2) |
|---|---|---|---|---|
| 無記号 | ● | - | - | - |
| 1 | - | ● | - | - |
| 2 | - | - | ● | - |
| 3 | - | - | - | ● |
| 4 | - | ● | ● | - |
| 5 | - | ● | - | ● |
| 6 | - | - | ● | ● |
| 7 | - | ● | ● | ● |
(7)単位表記
| 記号 | 内容 |
|---|---|
| 無記号 | 製品銘板、圧力表示の単位表記はMPa |
| Z注1,2) | 製品銘板、圧力表示の単位表記はpsi |
| ZA注1,3) | デジタル圧力スイッチ:単位切換機能付(初期設定はMPa) |
(8)デジタル圧力スイッチ出力仕様
| 記号 | 内容 |
|---|---|
| 無記号 | なし |
| N | NPNオープンコレクタ |
| P | PNPオープンコレクタ |

| 番号 | 部品名 | 材質 |
|---|---|---|
| 1 | レギュレータブロック用ボディ | PBT |
| 2 | ボンネット | PBT |
| 3 | ハンドル | POM |
| 4 | 弁座 | POM |
| 5 | 調圧スクリュアセンブリ | 構造用鋼 |
| 6 | 調圧スプリング | 鋼線 |
| 7 | レギュレータ用クリップ | ステンレス鋼 |
| 8 | マニホールドブロック | PBT |
| 9 | ブランキングプレートアセンブリ | - |
| 10 | 四角ナット | 鋼帯 |
| 11 | 個別給気ブッシュ | POM |
| 番号 | 部品名 | 材質 | 部品番号 | 適用 |
|---|---|---|---|---|
| A | ダイヤフラムアセンブリ | 耐候性NBR・POM | 136126A | リリーフタイプ |
| 136126-1A | ノンリリーフタイプ | |||
| B | バルブ | HNBR・アルミニウム合金 | 136127-30#1 | - |
| C | バルブスプリング | ステンレス鋼 | 136131 | - |
| D | ガスケット | HNBR | 136137-30 | - |
| E | Oリング | NBR | 136146 | 標準品 |
| HNBR | 136146-30 | 禁油仕様 | ||
| F | Oリング | NBR | 136147 | 標準品 |
| HNBR | 136147-30 | 禁油仕様 | ||
| G | Oリング | NBR | 136148 | 標準品 |
| HNBR | 136148-30 | 禁油仕様 | ||
| NBR | KA01731 | デジタル圧力スイッチ用標準品 | ||
| HNBR | KA01613 | デジタル圧力スイッチ用禁油仕様 | ||
| H | Oリング | NBR | 136149 | 標準品 |
| HNBR | 136149-30 | 禁油仕様 | ||
| J | 継手アセンブリ | - | - | - |
| K | ポートプラグ | PBT・HNBR | - | - |
| 型番 |
|---|
通常単価(税別)
(税込単価) | 通常出荷日 |
|---|
4,487円 ( 4,936円 ) | 19日目 |
5,617円 ( 6,179円 ) | 19日目 |
5,376円 ( 5,914円 ) | 19日目 |
5,617円 ( 6,179円 ) | 19日目 |
5,616円 ( 6,178円 ) | 19日目 |
6,891円 ( 7,580円 ) | 19日目 |
13,090円 ( 14,399円 ) | 19日目 |
5,378円 ( 5,916円 ) | 19日目 |
12,248円 ( 13,473円 ) | 19日目 |
4,487円 ( 4,936円 ) | 19日目 |
5,376円 ( 5,914円 ) | 19日目 |
5,616円 ( 6,178円 ) | 19日目 |
13,096円 ( 14,406円 ) | 19日目 |
4,487円 ( 4,936円 ) | 19日目 |
5,376円 ( 5,914円 ) | 19日目 |
5,616円 ( 6,178円 ) | 19日目 |
5,617円 ( 6,179円 ) | 19日目 |
5,617円 ( 6,179円 ) | 19日目 |
12,248円 ( 13,473円 ) | 19日目 |
5,377円 ( 5,915円 ) | 19日目 |
13,090円 ( 14,399円 ) | 19日目 |
5,119円 ( 5,631円 ) | 19日目 |
5,656円 ( 6,222円 ) | 19日目 |
5,897円 ( 6,487円 ) | 19日目 |
13,496円 ( 14,846円 ) | 19日目 |
5,656円 ( 6,222円 ) | 19日目 |
4,828円 ( 5,311円 ) | 19日目 |
5,656円 ( 6,222円 ) | 19日目 |
6,588円 ( 7,247円 ) | 19日目 |
5,658円 ( 6,224円 ) | 19日目 |
4,963円 ( 5,459円 ) | 19日目 |
5,488円 ( 6,037円 ) | 19日目 |
5,377円 ( 5,915円 ) | 19日目 |
7,439円 ( 8,183円 ) | 19日目 |
9,216円 ( 10,138円 ) | 19日目 |
9,684円 ( 10,652円 ) | 19日目 |
11,900円 ( 13,090円 ) | 19日目 |
12,359円 ( 13,595円 ) | 19日目 |
22,961円 ( 25,257円 ) | 19日目 |
26,367円 ( 29,004円 ) | 19日目 |
9,217円 ( 10,139円 ) | 19日目 |
22,961円 ( 25,257円 ) | 19日目 |
7,995円 ( 8,795円 ) | 19日目 |
9,216円 ( 10,138円 ) | 19日目 |
23,428円 ( 25,771円 ) | 19日目 |
9,685円 ( 10,654円 ) | 19日目 |
22,996円 ( 25,296円 ) | 19日目 |
7,439円 ( 8,183円 ) | 19日目 |
9,216円 ( 10,138円 ) | 19日目 |
9,684円 ( 10,652円 ) | 19日目 |
23,428円 ( 25,771円 ) | 19日目 |
9,685円 ( 10,654円 ) | 19日目 |
9,684円 ( 10,652円 ) | 19日目 |
10,852円 ( 11,937円 ) | 19日目 |
11,320円 ( 12,452円 ) | 19日目 |
22,961円 ( 25,257円 ) | 19日目 |
9,216円 ( 10,138円 ) | 19日目 |
24,747円 ( 27,222円 ) | 19日目 |
24,747円 ( 27,222円 ) | 19日目 |
22,962円 ( 25,258円 ) | 19日目 |
デジタル圧力スイッチ対応のマニホールドレギュレータ 個別給気仕様 ARM11Bシリーズ。
【特長】
・設置条件に応じた自由な選択が可能
・ワンタッチ管継手種類/サイズの変更が可能
・逆流機能標準対応



SMC
【在庫品多数】薄形シリンダ 標準形 複動・片ロッド CQ2シリーズ
SMC社売れ筋の薄形シリンダ/標準形:複動・片ロッド CQ2シリーズです。全長が薄形に設計された省スペースシリンダです。各種冶具や装置のコンパクト化を実現しているため最小限のスペースでワーク可能です。
通常価格、通常出荷日が表示と異なる場合がございます
通常価格、通常出荷日が表示と異なる場合がございます

SMC
レギュレータ AR20-D~AR60-D 逆流機能付 AR20K-D~AR60K-D
0通常価格(税別):2,972円~

日本ピスコ
レギュレータ プッシュロックタイプ
0通常価格(税別):2,078円~

AirTAC(エアタック)
SDRシリーズレギュレータ
5通常価格(税別):1,040円~

CKD
【在庫品】レギュレータ (モジュラータイプ 標準) R※000シリーズ
4.5通常価格(税別):3,091円~

SMC
直動精密レギュレータ ARP20~ARP40 逆流機能付 ARP20K~ARP40K
4.4通常価格(税別):5,893円~

ミスミ
レギュレータ ユニオン
5通常価格(税別):2,220円~

SMC
レギュレータ 単体仕様 ARM10シリーズ
5通常価格(税別):3,026円~

SMC
ミニチュア減圧弁 ARJ210シリーズ
5通常価格(税別):2,628円~

SMC
精密レギュレータ IR1000-A/2000-A/3000-Aシリーズ
4.8通常価格(税別):6,866円~