メカニカル部品技術窓口
許容慣性モーメントが3倍に向上したロータリクランプシリンダ 標準形 MKシリーズ。【特長】・設置条件に...
詳細を確認
通し穴・両端タップ共通 (基本形)
単位:mm
| 型番 | A | B | C | D | E | F | H | ΦYh9 |
|---|---|---|---|---|---|---|---|---|
| MKB12-Z | 25 | 32 | 15.5 | 5 | M3×0.5 | 5.5 | 6 | 11(-0.043~0) |
| MKB16-Z | 29 | 38 | 20 | 7 | M5×0.8 | 6.5 | 8 | 14(-0.043~0) |
| 型番 | ロッド状態 | クランプストローク | |||||
|---|---|---|---|---|---|---|---|
| 10mm | 20mm | 30mm | |||||
| Q | R | Q | R | Q | R | ||
| MKB12-Z | 引込時 | 68 | 45.5 | 88 | 55.5 | 108 | 65.5 |
| 押出時 | 85.5 | 115.5 | 145.5 | ||||
| MKB16-Z | 引込時 | 68 | 45.5 | 88 | 55.5 | 108 | 65.5 |
| 押出時 | 85.5 | 115.5 | 145.5 | ||||

商品イメージ
| チューブ内径(mm) | 12 | 16 | 20 | 25 | 32 | 40 | 50 | 63 |
|---|---|---|---|---|---|---|---|---|
| 作動方式 | 複動式 | |||||||
| 回転角度注1) | 90°±10° | |||||||
| 回転方向注2) | 左、右 | |||||||
| 回転ストローク(mm) | 7.5 | 9.5 | 15 | 19 | ||||
| クランプストローク(mm) | 10、20、30 | 10、20、30、50 | ||||||
| 理論クランプ力(N)注3) | 40 | 75 | 100 | 185 | 300 | 525 | 825 | 1,400 |
| 使用流体 | 空気 | |||||||
| 保証耐圧力 | 1.5MPa | |||||||
| 使用圧力範囲 | 0.1~1MPa | 0.1~0.6MPa注4) | ||||||
| 周囲および使用流体温度 | オートスイッチなし:-10~70℃(凍結なきこと) オートスイッチ付:-10~60℃(凍結なきこと) | |||||||
| 給油 | 不要 | |||||||
| 配管接続口径 | M5×0.8 | Rc1/8、NPT1/8 G1/8 | Rc1/4、NPT1/4 G1/4 | |||||
| 取付 | 通し穴・両端タップ共通、ヘッド側フランジ | |||||||
| クッション | ラバークッション | |||||||
| ストローク長さの許容差 | -0.4~+0.6 | |||||||
| 使用ピストン速度注5) | 50~200mm/s | |||||||
| 不回転精度(クランプ部)注1) | ±1.4° | ±1.2° | ±0.9° | ±0.7° | ||||


| 番号 | 部品名 | 材質 | 備考 |
|---|---|---|---|
| 1 | シリンダチューブ | アルミニウム合金 | 硬質アルマイト |
| 2 | ロッドカバー | アルミニウム合金 | 硬質アルマイト |
| 3 | ピストン | アルミニウム合金 | - |
| 4 | マグネットホルダ | アルミニウム合金 | - |
| 5 | ピストンロッド | ステンレス鋼 | Φ12~25(直径12~25mm)窒化処理 |
| 炭素鋼 | Φ32~63(直径32~63mm)熱処理、ニッケルめっき | ||
| 6 | ブッシュ | 銅系軸受材 | Φ32~63(直径32~63mm)のみ使用 |
| 7 | ストップリング | ステンレス鋼 | Φ20~32(直径20~32mm)のみ使用 |
| 8 | 丸R形止め輪 | 炭素工具鋼 | Φ12(直径12mm)、Φ16(直径16mm)のみ使用 |
| 9 | C形止め輪 | 炭素工具鋼 | Φ40~63(直径40~63mm)のみ使用 |
| 10 | 六角穴付止めねじ | クロムモリブデン鋼 | とがり先 先端部90° |
| 11 | ガイドピン | ステンレス鋼 | 窒化処理 |
| 12 | Oリング | NBR | - |
| 13 | 丸R形止め輪 | 炭素工具鋼 | Φ12(直径12mm)、Φ16(直径16mm)を除く |
| 14 | コイルスクレーパ | リン青銅 | Φ12(直径12mm)、Φ16(直径16mm)を除く |
| 15 | スクレーパ押エ | ステンレス鋼 | Φ12(直径12mm)、Φ16(直径16mm)を除く |
| 16 | ヘッドカバー | 圧延鋼 | 無電解ニッケルめっき |
| 17 | C形止め輪 | 炭素工具鋼 | Φ20~32(直径20~32mm)のみ使用 |
| 番号 | 部品名 | 材質 | 備考 | |
|---|---|---|---|---|
| 18 | ダンパ | ウレタン | - | |
| 19 | ダンパB | ウレタン | Φ12(直径12mm)、Φ16(直径16mm)のみ使用 | |
| 20 | 磁石 | - | - | |
| 21 | ウエアリング | 樹脂 | Φ12(直径12mm)、Φ16(直径16mm)を除く | |
| 22 | ロッドパッキン | NBR | - | |
| 23 | ピストンパッキン | NBR | - | |
| 24 | ガスケット | NBR | - | |
| 25 | Oリング | NBR | Φ20~32(直径20~32mm)のみ使用 | |
| 26 | アーム | 圧延鋼 | - | |
| 27 | 六角穴付ボルト | クロムモリブデン鋼 | - | |
| 28 | バネ座金 | 硬鋼 | - | |
| 29 | クランプボルト | クロムモリブデン鋼 | - | |
| 30 | 六角ナット | 圧延鋼 | - | |
| 31 | フランジ | 圧延鋼 | ロッド側とヘッド側で互換性なし | |
| 32 | 六角穴付ボルト | クロムモリブデン鋼 | 個数 | Φ12(直径12mm)、Φ16(直径16mm)、Φ32~40(直径32~40mm):4個 |
| Φ20(直径20mm)、Φ25(直径25mm):2個 | ||||

型番例
| 表示記号 | 仕様/内容 |
|---|---|
| -X2094 | 全長寸法をMK2シリーズと同寸法 |
| -XB6 | 耐熱シリンダ(-10~150℃)オートスイッチなしのみ注1) |
| -X2173 | ロッド先端二面幅 |

| 型番 |
|---|
通常単価(税別)
(税込単価) | 通常出荷日 |
|---|
9,561円 ( 10,517円 ) | 在庫品1日目当日出荷可能 |
10,695円 ( 11,765円 ) | 19日目 |
9,827円 ( 10,810円 ) | 19日目 |
11,791円 ( 12,970円 ) | 19日目 |
12,340円 ( 13,574円 ) | 19日目 |
10,650円 ( 11,715円 ) | 19日目 |
10,376円 ( 11,414円 ) | 19日目 |
12,340円 ( 13,574円 ) | 19日目 |
12,888円 ( 14,177円 ) | 19日目 |
10,650円 ( 11,715円 ) | 19日目 |
12,522円 ( 13,774円 ) | 19日目 |
14,421円 ( 15,863円 ) | 在庫品1日目当日出荷可能 |
17,295円 ( 19,025円 ) | 19日目 |
15,995円 ( 17,595円 ) | 19日目 |
12,476円 ( 13,724円 ) | 19日目 |
21,401円 ( 23,541円 ) | 19日目 |
16,543円 ( 18,197円 ) | 19日目 |
16,543円 ( 18,197円 ) | 19日目 |
14,168円 ( 15,585円 ) | 19日目 |
11,560円 ( 12,716円 ) | 19日目 |
11,285円 ( 12,414円 ) | 19日目 |
14,351円 ( 15,786円 ) | 19日目 |
14,899円 ( 16,389円 ) | 19日目 |
14,624円 ( 16,086円 ) | 19日目 |
14,076円 ( 15,484円 ) | 19日目 |
14,624円 ( 16,086円 ) | 19日目 |
11,791円 ( 12,970円 ) | 19日目 |
14,351円 ( 15,786円 ) | 19日目 |
11,518円 ( 12,670円 ) | 19日目 |
14,624円 ( 16,086円 ) | 19日目 |
15,172円 ( 16,689円 ) | 19日目 |
14,899円 ( 16,389円 ) | 19日目 |
15,172円 ( 16,689円 ) | 19日目 |
14,807円 ( 16,288円 ) | 19日目 |
13,802円 ( 15,182円 ) | 19日目 |
14,351円 ( 15,786円 ) | 19日目 |
15,513円 ( 17,064円 ) | 19日目 |
11,380円 ( 12,518円 ) | 19日目 |
14,351円 ( 15,786円 ) | 19日目 |
14,899円 ( 16,389円 ) | 19日目 |
11,930円 ( 13,123円 ) | 19日目 |
14,624円 ( 16,086円 ) | 19日目 |
14,076円 ( 15,484円 ) | 19日目 |
14,624円 ( 16,086円 ) | 19日目 |
13,496円 ( 14,846円 ) | 19日目 |
14,624円 ( 16,086円 ) | 19日目 |
15,172円 ( 16,689円 ) | 19日目 |
14,899円 ( 16,389円 ) | 19日目 |
11,928円 ( 13,121円 ) | 19日目 |
13,802円 ( 15,182円 ) | 19日目 |
14,351円 ( 15,786円 ) | 19日目 |
11,656円 ( 12,822円 ) | 19日目 |
14,351円 ( 15,786円 ) | 19日目 |
12,876円 ( 14,164円 ) | 19日目 |
7,944円 ( 8,738円 ) | 在庫品1日目当日出荷可能 |
9,182円 ( 10,100円 ) | 19日目 |
11,041円 ( 12,145円 ) | 19日目 |
10,279円 ( 11,307円 ) | 6日目 |
10,828円 ( 11,911円 ) | 19日目 |
9,136円 ( 10,050円 ) | 19日目 |
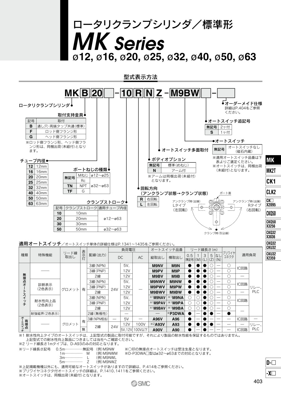
許容慣性モーメントが3倍に向上したロータリクランプシリンダ 標準形 MKシリーズ。
【特長】
・設置条件に応じて4面どの位置にもオートスイッチの取付ができます(Φ20、Φ25は2面)
・オートスイッチの飛出しがない仕様
・2色表示式無接点オートスイッチ
・標準ストローク範囲を拡大
・全長コンパクト化
・2通りのクランプ回転方向が選択可能

SMC
ロータリクランプシリンダ ダブルガイドタイプ MK2Tシリーズ
SMC社のロータリクランプシリンダ/ダブルガイドタイプです。回転機構部にガイドローラを2ヶ所採用し不回転精度、回転精度を向上しました。水平横取付が可能です。


SMC
【在庫品多数】薄形シリンダ 標準形 複動・片ロッド CQ2シリーズ
SMC社売れ筋の薄形シリンダ/標準形:複動・片ロッド CQ2シリーズです。全長が薄形に設計された省スペースシリンダです。各種冶具や装置のコンパクト化を実現しているため最小限のスペースでワーク可能です。
通常価格、通常出荷日が表示と異なる場合がございます
通常価格、通常出荷日が表示と異なる場合がございます

SMC
ロータリクランプシリンダ 標準形 MKシリーズ
4.2通常価格(税別):7,944円~

コスメック
キャッチシリンダ WKAシリーズ
0通常価格(税別):3,395円~

コスメック
エアスイングクランプ WHCシリーズ
0通常価格(税別):11,730円~

ミスミ
フローティングジョイント -スタンダ-ドめねじタイプ-
4.3通常価格(税別):580円~

ミスミ
フローティングジョイント フランジ取付型
4.9通常価格(税別):530円~

ミスミ
ホルダ -サイドマウントフランジタイプ-
4.8通常価格(税別):890円~

ミスミ
フローティングジョイント 簡易接続型 -【めねじ】 シリンダコネクタ セパレ-トタイプ-
4.7通常価格(税別):490円~

ミスミ
フロ-テイングジョイント フランジ取付型 -角プランジタイプ-セット品
4.5通常価格(税別):1,270円~

ミスミ
フローティングジョイント -超短タイプ おねじ取付- めねじ
4.5通常価格(税別):2,380円~