メカニカル部品技術窓口
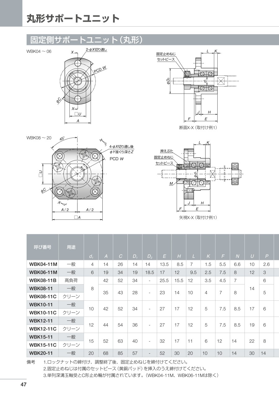
固定側は高剛性のアンギュラ玉軸受を最適な予圧荷重に調整し、適量のグリースを封入して組み立ています


| 呼び番号 | 用途 | d1 | A | C | D1 | D2 | E | H | L | K | F | N | U | P | Q |
|---|---|---|---|---|---|---|---|---|---|---|---|---|---|---|---|
| WBK04-11M | 一般 | 4 | 14 | 26 | 14 | 14 | 13.5 | 8.5 | 7 | 1.5 | 5.5 | 6.6 | 10 | 2.6 | 2.4 |
| WBK06-11M | 一般 | 6 | 19 | 34 | 19 | 18.5 | 17 | 12 | 9.5 | 2.5 | 7.5 | 8 | 12 | 3 | 2 |
| WBK06-11※ | 一般 | 6 | 28 | 35 | 22 | - | 20 | 13 | 9.5 | 3.5 | 5.5 | 6.5 | 12 | 4.5 | 2.5 |
| WBK08-11B | 高負荷 | 8 | 42 | 52 | 34 | - | 25.5 | 15.5 | 12 | 3.5 | 4.5 | 7 | 14 | 6 | 4 |
| WBK08-11※ | 一般 | 35 | 43 | 28 | 23 | 14 | 10 | 4 | 7 | 8 | 5 | ||||
| WBK08-11C※ | クリーン | ||||||||||||||
| WBK10-11 | 一般 | 10 | 42 | 52 | 34 | - | 27 | 17 | 12 | 5 | 7.5 | 8.5 | 17 | 6 | 4 |
| WBK10-11C | クリーン | ||||||||||||||
| WBK12-11 | 一般 | 12 | 44 | 54 | 36 | - | 27 | 17 | 12 | 5 | 7.5 | 8.5 | 19 | 6 | 4 |
| WBK12-11C | クリーン | ||||||||||||||
| WBK15-11 | 一般 | 15 | 52 | 63 | 40 | - | 32 | 17 | 11 | 6 | 12 | 14 | 22 | 8 | 7 |
| WBK15-11C | クリーン | ||||||||||||||
| WBK20-11 | 一般 | 20 | 68 | 85 | 57 | - | 52 | 30 | 20 | 10 | 10 | 14 | 30 | 14 | 8 |
| WBK25-11 | 一般 | 25 | 79 | 98 | 63 | - | 57 | 30 | 20 | 10 | 13 | 20 | 36 | 17 | 10 |
| 呼び番号 | 座ぐり穴寸法 | 質量 (kg) | ロックナット ねじ部 M | 付属支持側軸受 | ||||
|---|---|---|---|---|---|---|---|---|
| J | W | X | Y | Z | ||||
| WBK04-11M | 3 | 20 | 3.5 | - | - | 0.02 | M4×0.5 | - |
| WBK06-11M | 4 | 26 | 4.5 | - | - | 0.04 | M6×0.75 | - |
| WBK06-11※ | 7 | 28 | 2.9 | 5.5 | 3.5 | 0.1 | M6×0.75 | - |
| WBK08-11B | 10 | 42 | 4.5 | 8 | 4 | 0.2 | M8×1 | 606ZZ |
| WBK08-11※ | 9 | 35 | 3.4 | 6.5 | 0.15 | 606ZZ | ||
| WBK08-11C※ | 606VV | |||||||
| WBK10-11 | 10 | 42 | 4.5 | 8 | 4 | 0.2 | M10×1 | 608ZZ |
| WBK10-11C | 608VV | |||||||
| WBK12-11 | 10 | 44 | 4.5 | 8 | 4 | 0.25 | M12×1 | 6000ZZ |
| WBK12-11C | 6000VV | |||||||
| WBK15-11 | 15 | 50 | 5.5 | 9.5 | 6 | 0.4 | M15×1 | 6002ZZ |
| WBK15-11C | 6002VV | |||||||
| WBK20-11 | 22 | 70 | 6.6 | 11 | 10 | 1.1 | M20×1 | 6204ZZ |
| WBK25-11 | 27 | 80 | 9 | 15 | 13 | 1.5 | M25×1.5 | 6205ZZ |
備考
1. ロックナットの締付け、調整終了後、固定止めねじを締付けてください。
2. 固定止めねじは付属のセットピース(黄銅パッド)を挿入のうえ締付けてください。
3. 単列深溝玉軸受とC 形止め輪が付属されています。(WBK04-11M、WBK06-11M、WBK06-11 は除く)
4. WBK04-11M、WBK06-11Mの軸受は両側に非接触金属シールドが付いています。
※)WBK06-11、WBK08-11、WBK08-11Cの押えぶた側にはシールがありません。
| 呼び番号 | 参考締付トルク[N・cm] | |
|---|---|---|
| ロックナット | 固定止めねじ | |
| WBK04-** | 100 | 69(M3) |
| WBK06-** | 190 | 69(M3) |
| WBK08-** | 230 | 69(M3) |
| WBK10-** | 280 | 147(M4) |
| WBK12-** | 630 | 147(M4) |
| WBK15-** | 790 | 147(M4) |
| WBK17-** | 910 | 147(M4) |
| WBK20-** | 1,670 | 147(M4) |
| WBK25-** | 2,060 | 490(M6) |
| 型番 |
|---|
通常単価(税別)
(税込単価) | 通常出荷日 |
|---|
11,175円 ( 12,293円 ) | 11日目 |
10,571円 ( 11,628円 ) | 11日目 |
12,427円 ( 13,670円 ) | 在庫品1日目当日出荷可能 |
13,466円 ( 14,813円 ) | 4日目 |
14,132円 ( 15,545円 ) | 4日目 |
14,984円 ( 16,482円 ) | 在庫品1日目当日出荷可能 |
15,236円 ( 16,760円 ) | 4日目 |
13,849円 ( 15,234円 ) | 在庫品1日目当日出荷可能 |
15,236円 ( 16,760円 ) | 4日目 |
18,408円 ( 20,249円 ) | 在庫品1日目当日出荷可能 |
18,287円 ( 20,116円 ) | 4日目 |
23,047円 ( 25,352円 ) | 在庫品1日目当日出荷可能 |
24,881円 ( 27,369円 ) | 在庫品1日目当日出荷可能 |
固定側は高剛性のアンギュラ玉軸受を最適な予圧荷重に調整し、適量のグリースを封入して組み立ています



通常価格、通常出荷日が表示と異なる場合がございます
通常価格、通常出荷日が表示と異なる場合がございます

ミスミ
サポートユニット角型 固定側標準タイプ アンギュラベアリングJIS5級
4.6通常価格(税別):6,940円~

ミスミ
サポートユニツト角型 支持側標準タイプ
4.3通常価格(税別):2,360円~

ミスミ
サポートユニット丸型 固定側標準タイプ アンギュラベアリングJIS5級
5通常価格(税別):6,940円~

ミスミ
サポートユニット角型 固定側 アンギュラベアリングJIS0級
5通常価格(税別):5,540円~

ミスミ
サポートユニット丸型 固定側 アンギュラベアリングJIS0級
5通常価格(税別):5,540円~

ミスミ
ACサーボモータブラケット一体型
4通常価格(税別):17,500円~

ミスミ
サポートユニット角型 固定側コンパクトタイプ アンギュラベアリングJIS0級
5通常価格(税別):6,230円~

ミスミ
サポートユニット丸型 固定側標準タイプ 海外製アンギュラベアリング5級
5通常価格(税別):4,930円~

THK
サポートユニット支持側 角形 BF形
5通常価格(税別):6,160円~