メカニカル部品技術窓口
中容量、中慣性タイプで安定した駆動を実現。【特長】・構造設計の最適化により全長...
詳細情報を確認する

注)
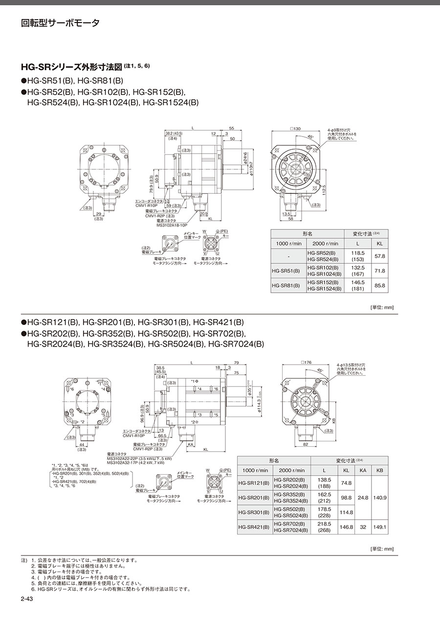
1. 公差なき寸法については、一般公差になります。
2. 電磁ブレーキ端子には極性がありません。
3. 電磁ブレーキ付きの場合です。
4. ( )内の値は電磁ブレーキ付きの場合です。
5. 負荷との連結には、摩擦継手を使用してください。
6. HG-SRシリーズは、オイルシールの有無に関わらず外形寸法は同じです。
注)
1. サーボモータの慣性モーメントに対する負荷慣性モーメントの比率です。
3. 昇降軸のようにアンバランストルクが発生する機械では、アンバランストルクは定格トルクの70%以下で使用してください。
5. 〈 〉はMR-J4-DU900B(-RJ)ドライブユニットと組み合わせて、パラメータの設定で最大トルクを増大させた場合の値です。
6. 記載の値はMR-J4-700GF(-RJ)/MR-J4-700B(-RJ)/MR-J4-700A(-RJ)サーボアンプと組合わせた場合です。

注)
2. 軸貫通部を除きます。オイルシール付きの場合もIP67(軸貫通部を除く)です。

注)
1. 電磁ブレーキは保持用です。制動用途には使用できません。
2. ブレーキギャップは調整できませんので、制動により再調整が必要になるまでの期間を電磁ブレーキ寿命としています。

注)
2. 軸貫通部を除きます。オイルシール付きの場合もIP67(軸貫通部を除く)、減速機付きの場合は減速機部分がIP44相当になります。

注)
1. 電磁ブレーキは保持用です。制動用途には使用できません。
2. ブレーキギャップは調整できませんので、制動により再調整が必要になるまでの期間を電磁ブレーキ寿命としています。

注)
2. 軸貫通部を除きます。オイルシール付きの場合もIP67(軸貫通部を除く)、減速機付きの場合は減速機部分がIP44相当になります。

注)
1. 電磁ブレーキは保持用です。制動用途には使用できません。
2. ブレーキギャップは調整できませんので、制動により再調整が必要になるまでの期間を電磁ブレーキ寿命としています。
キー溝付き軸(キーなし)
| 型番 | 変化寸法 | ||||||||
|---|---|---|---|---|---|---|---|---|---|
| S | R | Q | W | QK | QL | U | r | Y | |
| HG-SR51(B)K、81K HG-SR52(B)K、102K、152(B)K HG-SR524(B)K、1024(B)K、1524(B)K | 24h6 | 55 | 50 | 8 -0.036~0 | 36 | 5 | 4 0~+0.2 | 4 | M8ねじ深さ20 |
| HG-SR121(B)K、201(B)K、301(B)K、421(B)K HG-SR202(B)K、352(B)K、502(B)K、702(B)K HG-SR2024(B)K、3524(B)K、5024(B)K、7024(B)K | 35 0~+0.010 | 79 | 75 | 10 -0.036~0 | 55 | 5 | 5 0~+0.2 | 5 | |
注)
1. 軸破断などの事故の原因になるため、キー溝付き軸のサーボモータは高頻度で始動、停止する用途には使用しないでください。
2. キーは付属していません。お客様でキーを手配してください。

| 型番 |
|---|
通常単価(税別)
(税込単価) | 通常出荷日 |
|---|
95,018円 ( 104,520円 ) | 4日目 |
120,703円 ( 132,773円 ) | 4日目 |
109,726円 ( 120,699円 ) | 39日目 |
69,000円 ( 75,900円 ) | 2日目 |
108,000円 ( 118,800円 ) | 2日目 |
224,128円 ( 246,541円 ) | 39日目 |
417,285円 ( 459,014円 ) | 39日目 |
112,879円 ( 124,167円 ) | 4日目 |
170,314円 ( 187,345円 ) | 39日目 |
282,372円 ( 310,609円 ) | 39日目 |
397,378円 ( 437,116円 ) | 39日目 |
77,868円 ( 85,655円 ) | 4日目 |
121,969円 ( 134,166円 ) | 4日目 |
169,000円 ( 185,900円 ) | 4日目 |
88,000円 ( 96,800円 ) | 4日目 |
99,989円 ( 109,988円 ) | 4日目 |
142,292円130,908円 ( 143,999円 ) | 4日目 |
114,714円 ( 126,185円 ) | 39日目 |
112,535円 ( 123,789円 ) | 4日目 |
323,658円 ( 356,024円 ) | 39日目 |
127,642円 ( 140,406円 ) | 4日目 |
289,741円 ( 318,715円 ) | 39日目 |
93,117円 ( 102,429円 ) | 4日目 |
137,812円126,787円 ( 139,466円 ) | 4日目 |
176,188円162,092円 ( 178,301円 ) | 4日目 |
153,356円 ( 168,692円 ) | 39日目 |
98,083円 ( 107,891円 ) | 4日目 |
123,930円 ( 136,323円 ) | 4日目 |
165,164円151,950円 ( 167,145円 ) | 4日目 |
139,000円 ( 152,900円 ) | 2日目 |
338,408円 ( 372,249円 ) | 39日目 |
329,553円 ( 362,508円 ) | 39日目 |
146,729円134,990円 ( 148,489円 ) | 4日目 |
215,997円 ( 237,597円 ) | 39日目 |
557,366円 ( 613,103円 ) | 39日目 |
107,266円 ( 117,993円 ) | 4日目 |
199,000円 ( 218,900円 ) | 4日目 |
239,000円 ( 262,900円 ) | 4日目 |
119,000円 ( 130,900円 ) | 2日目 |
142,292円130,908円 ( 143,999円 ) | 4日目 |
190,222円175,004円 ( 192,504円 ) | 4日目 |
159,000円 ( 174,900円 ) | 2日目 |
580,957円 ( 639,053円 ) | 39日目 |
166,637円153,306円 ( 168,637円 ) | 4日目 |
230,759円 ( 253,835円 ) | 39日目 |
566,945円 ( 623,640円 ) | 39日目 |
586,850円 ( 645,535円 ) | 39日目 |
143,027円 ( 157,330円 ) | 39日目 |
127,642円 ( 140,406円 ) | 4日目 |
186,363円 ( 204,999円 ) | 4日目 |
257,308円236,723円 ( 260,395円 ) | 5日目 |
268,361円 ( 295,197円 ) | 39日目 |
132,056円 ( 145,262円 ) | 4日目 |
176,188円162,092円 ( 178,301円 ) | 4日目 |
221,178円203,483円 ( 223,831円 ) | 4日目 |
231,495円 ( 254,645円 ) | 39日目 |
179,000円 ( 196,900円 ) | 2日目 |
608,231円 ( 669,054円 ) | 39日目 |
193,906円 ( 213,297円 ) | 4日目 |
153,214円 ( 168,535円 ) | 4日目 |
中容量、中慣性タイプで安定した駆動を実現。
【特長】
・構造設計の最適化により全長はコンパクト化を実現。
・高分解能絶対位置エンコーダ(4,194,304 pulses/rev (22ビット))を標準装備。より高精度な位置決めを実現します。
・IP67を標準採用しています。水も埃も平気
・モータ極数とスロットの組合せの最適化により、トルクリップルを大幅に低減。
・トルクリップルの影響を受けやすい低速運転においても滑らかに駆動し、安定性が向上します。



ニデックドライブテクノロジー
サーボモータ専用 減速機 エイブル減速機 VRXFシリーズ(ダイレクトタイプ)
通常価格、通常出荷日が表示と異なる場合がございます
通常価格、通常出荷日が表示と異なる場合がございます

オムロン
G5シリーズ関連機器・接続ケーブル
0通常価格(税別):1,005円~

三菱電機
サーボアンプ MELSERVO-J5シリーズ(ドライブユニット/コンバータユニット)
0通常価格(税別):22,000円~

三菱電機
モータ関連部品(バッテリ/ケーブル/アクセサリ)
4.4通常価格(税別):1,470円~

三菱電機
MELSERVO-J4シリーズ用 バッテリ関連部品
5通常価格(税別):3,017円~

オリエンタルモーター
インダクションモーター Kシリーズ用 平行軸ギヤヘッド
4.4通常価格(税別):6,003円~

ミスミ
【エコノミーシリーズ】ステッピングモーター 42シリーズ
5通常価格(税別):3,720円~

三菱電機
ギヤードモータ GM-SHYシリーズ
5通常価格(税別):25,174円~

オリエンタルモーター
高トルク ステッピングモーター PKPシリーズ
4.8通常価格(税別):4,684円~

オリエンタルモーター
ステッピングモーター PKシリーズ
0通常価格(税別):5,548円~