メカニカル部品技術窓口
オムロン リミット・マイクロスイッチ用周辺部品 小形電磁ロック・セーフティドアスイッチ(D4SL)コネ...
詳細を確認
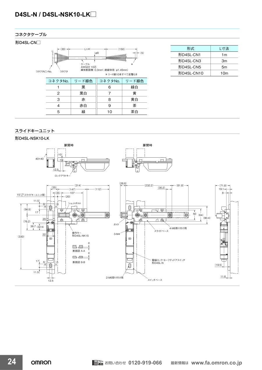
*リード線10本すべて皮覆むき
| コネクタNo. | リード線色 | コネクタNo. | リード線色 |
|---|---|---|---|
| 1 | 黒 | 6 | 緑白 |
| 2 | 黒白 | 7 | 黄 |
| 3 | 赤 | 8 | 黄白 |
| 4 | 赤白 | 9 | 茶 |
| 5 | 緑 | 10 | 茶白 |

通常価格、通常出荷日が表示と異なる場合がございます
通常価格、通常出荷日が表示と異なる場合がございます

ミスミ
スイッチ・センサ用ドグ 止めねじタイプ
4.6通常価格(税別):520円~

ミスミ
スイッチ・センサ用ドグ スリットタイプ
4通常価格(税別):790円~

オムロン
小形電磁ロック・セーフティドアスイッチ 操作キー
5通常価格(税別):358円~

オムロン
端子保護カバー AP
4.8通常価格(税別):126円~

オムロン
小形電磁ロック・セーフティドアスイッチ(D4SL)コネクタケーブル
3通常価格(税別):1,497円~

イマオコーポレーション
リミット スイッチ ブラケット (LSB-A)
5通常価格(税別):1,089円

イマオコーポレーション
リミット スイッチ ブラケット (LSP-T)
4.7通常価格(税別):1,299円

オムロン
小形電磁ロック・セーフティドアスイッチ 操作キー D4SL
4.3通常価格(税別):635円~

オムロン
リミットスイッチ用コネクタ SC
3通常価格(税別):71円~