メカニカル部品技術窓口
コネクタタイプデジタル圧力センサ。【特長】・あらゆる気体、液体、油体環境で使用可能[流体型モデル]。 ...
詳細を確認閲覧中の商品と併せてご検討ください

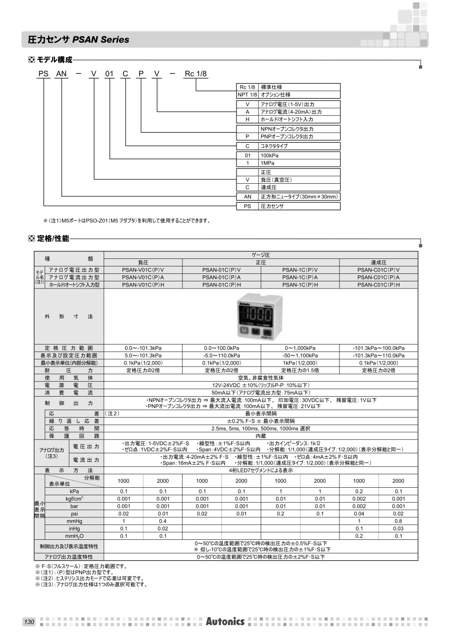
| 種類 | ゲージ圧 | |||
|---|---|---|---|---|
| 正圧 | ||||
| モデル名(注1) | アナログ電流出力型 | PSAN-1C(P)A | ||
| 定格圧力範囲 | 0~1,000kPa | |||
| 表示及び設定圧力範囲 | -50~1,100kPa | |||
| 最小表示単位(内部分解能) | 1kPa(1/2,000) | |||
| 耐圧力 | 定格圧力の1.5倍 | |||
| 使用気体 | 空気、腐食性気体 | |||
| 電源圧力 | 12V-24VDC ±10%(リップルP-P:10%以下) | |||
| 消費電流 | 50mA以下(アナログ電流出力型:75mA以下) | |||
| 制御出力 | - | ・NPNオープンコレクタ出力→最大流入電流:100mA以下、印加電圧:30VDC以下、残留電圧:1V以下 ・PNPオープンコレクタ出力→最大流出電流:100mA以下、残留電圧:21V以下 | ||
| 応差 | (注2)最小表示間隔 | |||
| 繰り返し応差 | ±0.2%F・S ±最小表示間隔 | |||
| 応答時間 | 2.5ms、5ms、100ms、500ms、1,000ms選択 | |||
| 保護回路 | 内蔵 | |||
| アナログ出力(注3) | 電圧出力 | ・出力電圧:1-5VDC±2%F・S ・線型性:±1%F・S以内 ・出力インピーダンス:1kΩ ・ゼロ点:1VDC±2%F・S以内 ・Span:4VDC±2%F・S以内 ・分解能:1/1,000(連成圧タイプ:1/2,000)(表示分解能と同一) | ||
| 電流出力 | ・出力電流:4-20mA±2%F・S ・線型性:±1%F・S以内 ・ゼロ点:4mA±2%F・S以内 ・Span:16mA±2%F・S以内 ・分解能:1/1,000(連成圧タイプ:1/2,000)(表示分解能と同一) | |||
| 表示方法 | 4桁LED7セグメントによる表示 | |||
| 最小表示間隔 | 分解能 | 1,000 | 2,000 | |
| 表示単位 | kPa | 1 | 1 | |
| kgf/cm2 | 0.01 | 0.01 | ||
| bar | 0.01 | 0.01 | ||
| psi | 0.2 | 0.1 | ||
| 制御出力及び表示温度特性 | 0~50℃の温度範囲で25℃時の検出圧力の±0.5%F・S以下 ※但し-10℃の温度範囲で25℃時の検出圧力の±1%F・S以下 | |||
| アナログ出力温度特性 | 0~50℃の温度範囲で25℃時の検出圧力の±2%F・S以下 | |||
※F・S(フルスケール):定格圧力範囲です。
※(注1):(P)型はPNP出力型です。
※(注2):ヒステリシス出力モードで応差は可変です。
※(注3):アナログ出力仕様は1つのみ選択可能です。
・付属品

コネクタタイプデジタル圧力センサ。
【特長】
・あらゆる気体、液体、油体環境で使用可能[流体型モデル]。
(※但し、SUS316Lが腐食する環境を除く)。
・ダイアフラム(Diaphragm)内蔵で耐環境性を強化。
・1/2,000表示分解能を実現。
・オートシフト機能を内蔵:元圧変動と関係なく安定的な出力が可能で、1台で2台の機能。
(※ オートシフト機能はホールド/オートシフト機能が内蔵されているモデル(PSAN-LH)に限ります。)
ホールド機能:信号入力時、圧力センサの現在表示値及び制御出力を保持する機能です。
オートシフト機能:装置の元圧が変動した場合に外部入力で判定レベルを変動値ほど移動して補正する機能です。
・特定時点の出力と表示値固定に容易なホールド機能を内蔵。
・独立2出力機能搭載及び出力別のN.O./N.C.選択可能。
・動作テスト及び点検に便利な強制出力制御モードを内蔵。
・ワンタッチコネクタ型の配線でメンテナンスが容易。
・アナログ出力機能 (1/2,000分解能,電圧出力:1-5V,電流出力:4-20mA)。
・ゼロ点調整機能、ピーク値監視機能、チャタリング防止機能。
通常価格、通常出荷日が表示と異なる場合がございます
通常価格、通常出荷日が表示と異なる場合がございます

SMC
3画面 高精度デジタル圧力スイッチ ZSE20(F)・ISE20シリーズ
4.5通常価格(税別):239円~
![2画面・デジタル圧力センサ [気体用] (DP-100/DP-100L)](https://content.misumi-ec.com/image/upload/t_product_recommend_a/t_log_reco/t_misumi_wm/v1/p/jp/product/series/221300057077/221300057077_001_20230801115837.jpg?$product_recommend_a$)
Panasonic
2画面・デジタル圧力センサ [気体用] (DP-100/DP-100L)
4.7通常価格(税別):7,989円~

CKD
デジタル圧力センサ PPXシリーズ
4.3通常価格(税別):7,347円~

SMC
エアチェッカ 電子式圧力確認スイッチ PS1000/1100/1200シリーズ
5通常価格(税別):6,868円~

SMC
小形空気圧用圧力センサ PSE540シリーズ
5通常価格(税別):4,506円~

Panasonic
圧力センサDP-100/DP-100L/DPH-100/DPC-100/DP-0シリーズ用オプション
5通常価格(税別):356円~

AirTAC(エアタック)
調質機器 DPSシリーズ デジタル圧力スイッチ
5通常価格(税別):137円~

SMC
2色表示式 高精度デジタル圧力スイッチ ZSE30A(F)/ISE30Aシリーズ
4.8通常価格(税別):262円~

SMC
汎用流体用圧力センサ PSE570シリーズ
4.5通常価格(税別):611円~