メカニカル部品技術窓口
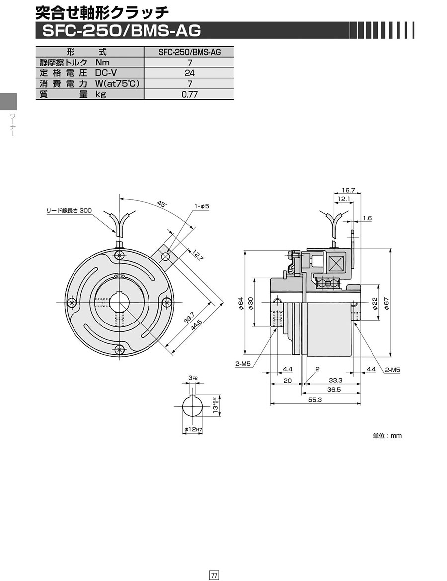
【特長】・乾式単板電磁クラッチで、高応答、高精度、高信頼、長寿命、低消費電力・取付け後の調節不要・高応...
詳細を確認通常単価(税別)
(税込単価) | 通常出荷日 |
|---|
76,671円 ( 84,338円 ) | 4日目 |
133,220円 ( 146,542円 ) | 4日目 |
【特長】
・乾式単板電磁クラッチで、高応答、高精度、高信頼、長寿命、低消費電力
・取付け後の調節不要
・高応答、高精度オン・オフ
・軸への取組みが簡単
・熱放散が抜群
・高頻度運転に最適
高い信頼性と実績にてあらゆる分野での実績を誇る製品
電源箱DMP、EMPシリーズも合わせてご使用下さい
通常価格、通常出荷日が表示と異なる場合がございます
通常価格、通常出荷日が表示と異なる場合がございます

三木プーリ
トルクリミッタ TT-01タイプ(2軸 突き合わせタイプ )
0通常価格(税別):24,008円~

ツバキE&M
ミニキーパー
4通常価格(税別):4,202円~

小倉クラッチ
制御端子付全波/半波整流電源
5通常価格(税別):10,959円~

ツバキE&M
トルクキーパー 軸穴加工無し
0通常価格(税別):32,611円~

マイティ
トルク・リミッタ MTLA-115型
0通常価格(税別):55,525円~

小倉クラッチ
ヒステリシスブレーキ HBシリーズ
0通常価格(税別):56,755円~

協育歯車工業(KG)
KGギヤボックス B-BOX
3通常価格(税別):15,443円~

ニッセイ
サーボモータ用 コンパクト高精度減速機 精度3分・15分仕様 APG(平行軸) 400W相当
5通常価格(税別):46,071円~

マキシンコー
Sシリーズ B・BP形
4通常価格(税別):21,580円~