メカニカル部品技術窓口
ステンレス配管分野に使用されているダブルフェルールタイプチューブ継手のめすラン・ティー。【特長】・高い...
詳細を確認
| 品番 | 名称 | 材質 |
|---|---|---|
| 1 | 本体 | SUS316 |
| 2 | フロントフェルール | SUS316 |
| 3 | バックフェルール | SUS316 |
| 4 | ナット | SUS316 |
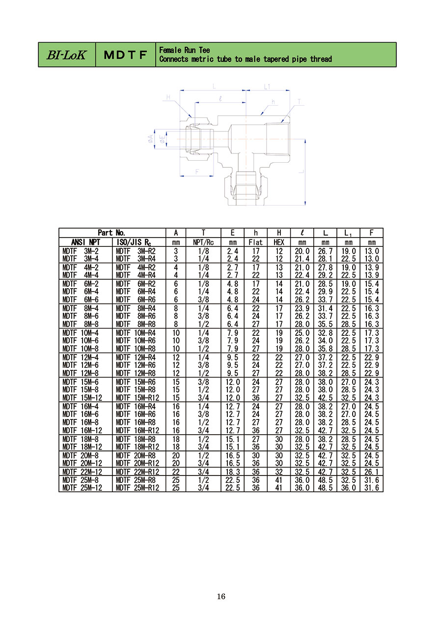
| 型番 | チューブ外径 A | T (NPT) | E | h (FLAT) | H (HEX) | l | L | L1 | F |
|---|---|---|---|---|---|---|---|---|---|
| MDTF12M-8 ss | 12 | 1/2 | 9.5 | 27 | 22 | 28.0 | 38.2 | 28.5 | 22.9 |
| MDTF4M-R2 ss | 4 | 1/8 | 2.7 | 17 | 13 | 21.0 | 27.8 | 19 | 13.9 |
| MDTF4M-R4 ss | 1/4 | 22 | 22.4 | 29.2 | 22.5 | ||||
| MDTF6M-R2 ss | 6 | 1/8 | 4.8 | 17 | 14 | 21.0 | 28.5 | 19.0 | 15.4 |
| MDTF6M-R4 ss | 1/4 | 22 | 22.4 | 29.9 | 22.5 | ||||
| MDTF6M-R6 ss | 3/8 | 24 | 26.2 | 33.7 | 22.5 | ||||
| MDTF8M-R4 ss | 8 | 1/4 | 6.4 | 22 | 17 | 23.9 | 31.4 | 22.5 | 16.3 |
| MDTF8M-R6 ss | 3/8 | 24 | 26.2 | 33.7 | 22.5 | ||||
| MDTF8M-R8 ss | 1/2 | 27 | 28.0 | 35.5 | 28.5 | ||||
| MDTF10M-R4 ss | 10 | 1/4 | 7.9 | 22 | 19 | 25.0 | 32.8 | 22.5 | 17.3 |
| MDTF10M-R6 ss | 3/8 | 24 | 26.2 | 34.0 | 22.5 | ||||
| MDTF10M-R8 ss | 1/2 | 27 | 28.0 | 35.8 | 28.5 | ||||
| MDTF12M-R4 ss | 12 | 1/4 | 9.5 | 22 | 22 | 27.0 | 37.2 | 22.5 | 22.9 |
| MDTF12M-R6 ss | 3/8 | 24 | 27.0 | 37.2 | 22.5 | ||||
| MDTF12M-R8 ss | 1/2 | 27 | 28.0 | 38.2 | 28.5 | ||||
| MDTF15M-R6 ss | 15 | 3/8 | 12.0 | 24 | 27 | 28.0 | 38.0 | 27.0 | 24.3 |
| MDTF15M-R8 ss | 1/2 | 27 | 28.0 | 38.0 | 28.5 | ||||
| MDTF15M-R12 ss | 3/4 | 36 | 32.5 | 42.5 | 32.5 | ||||
| MDTF16M-R6 ss | 16 | 3/8 | 12.7 | 24 | 27 | 28.0 | 38.2 | 27.0 | 24.5 |
| MDTF16M-R8 ss | 1/2 | 27 | 28.0 | 38.2 | 28.5 | ||||
| MDTF16M-R12 ss | 3/4 | 36 | 32.5 | 42.7 | 32.5 | ||||
| MDTF18M-R8 ss | 18 | 1/2 | 15.1 | 27 | 30 | 28.0 | 38.2 | 28.5 | 24.5 |
| MDTF18M-R12 ss | 3/4 | 36 | 32.5 | 42.7 | 32.5 | ||||
| MDTF20M-R8 ss | 20 | 1/2 | 16.5 | 30 | 30 | 32.5 | 42.7 | 32.5 | 24.5 |
| MDTF20M-R12 ss | 3/4 | 36 | 32.5 | 42.7 | 32.5 | ||||
| MDTF22M-R12 ss | 22 | 3/4 | 18.3 | 36 | 32 | 32.5 | 42.7 | 32.5 | 26.1 |
| MDTF25M-R12 ss | 25 | 3/4 | 22.5 | 36 | 41 | 36.0 | 48.5 | 36.0 | 31.6 |
| 型番 |
|---|
通常単価(税別)
(税込単価) | 通常出荷日 |
|---|
10,084円 ( 11,092円 ) | 19日目 |
10,083円 ( 11,091円 ) | 19日目 |
9,275円 ( 10,203円 ) | 19日目 |
10,083円 ( 11,091円 ) | 19日目 |
11,295円 ( 12,425円 ) | 19日目 |
15,988円 ( 17,587円 ) | 19日目 |
10,085円 ( 11,094円 ) | 19日目 |
11,701円 ( 12,871円 ) | 19日目 |
15,987円 ( 17,586円 ) | 19日目 |
11,497円 ( 12,647円 ) | 19日目 |
11,902円 ( 13,092円 ) | 19日目 |
16,169円 ( 17,786円 ) | 19日目 |
13,339円 ( 14,673円 ) | 19日目 |
13,986円 ( 15,385円 ) | 19日目 |
16,350円 ( 17,985円 ) | 19日目 |
15,336円 ( 16,870円 ) | 19日目 |
28,738円 ( 31,612円 ) | 19日目 |
16,351円 ( 17,986円 ) | 19日目 |
19,825円 ( 21,808円 ) | 19日目 |
30,703円 ( 33,773円 ) | 19日目 |
16,352円 ( 17,987円 ) | 19日目 |
19,825円 ( 21,808円 ) | 19日目 |
30,703円 ( 33,773円 ) | 19日目 |
19,826円 ( 21,809円 ) | 19日目 |
31,614円 ( 34,775円 ) | 19日目 |
32,396円 ( 35,636円 ) | 19日目 |
25,920円 ( 28,512円 ) | 19日目 |
32,396円 ( 35,636円 ) | 19日目 |
46,345円 ( 50,980円 ) | 19日目 |
39,834円 ( 43,817円 ) | 19日目 |
42,780円 ( 47,058円 ) | 19日目 |
ステンレス配管分野に使用されているダブルフェルールタイプチューブ継手のめすラン・ティー。
【特長】
・高い品質が要求される高圧用の継手において、高い実績を誇るイハラサイエンス製。
【用途】
・日本国内外のプラント計装、科学機器、半導体製造装置等ステンレス配管分野に広範囲に使用可能。


通常価格、通常出荷日が表示と異なる場合がございます
通常価格、通常出荷日が表示と異なる場合がございます

ミスミ
ステンレス管用継手 コネクタ
4.5通常価格(税別):1,090円~

ミスミ
ステンレス管用継手 エルボ
4.8通常価格(税別):1,550円~

ミスミ
ステンレス管用継手 メスユニオン
4.6通常価格(税別):1,530円~

ミスミ
ステンレス管用継手 ユニオンエルボ
4.5通常価格(税別):2,300円~

ミスミ
ステンレス管用継手 フェルールセット
4.6通常価格(税別):560円~

ミスミ
【クリーン洗浄品】ステンレス管用継手 コネクタ
0
イハラサイエンス
ダブルフェルールタイプチューブ継手 おすコネクタ DCT
5通常価格(税別):2,013円~

ミスミ
ステンレス管用継手 ユニオン
4.7通常価格(税別):1,440円~

ミスミ
ステンレス管用継手 ユニオンテイ
4.5通常価格(税別):3,530円~