メカニカル部品技術窓口
深形パッドの単体商品になります。【材質】ニトリルゴム/シリコンゴム/ウレタンゴム/フッ素ゴムなどからお...
詳細を確認
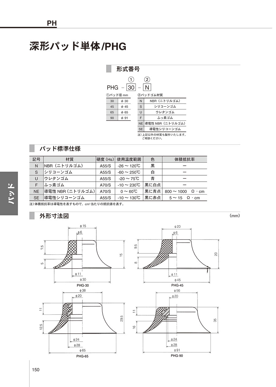
| 記号 | 材質 | 硬度(Hs) | 使用温度範囲 | 色 | 体積抵抗率 |
|---|---|---|---|---|---|
| N | NBR(ニトリルゴム) | A55/S | -26~+120℃ | 黒 | - |
| S | シリコーンゴム | A55/S | -60~+250℃ | 白 | - |
| U | ウレタンゴム | A55/S | -20~+75℃ | 青 | - |
| F | ふっ素ゴム | A70/S | -10~+230℃ | 黒に白点 | - |
| NE | 導電性NBR(ニトリルゴム) | A70/S | 0~+60℃ | 黒に青点 | 800~1,000 Ω・cm |
| SE | 導電性シリコーンゴム | A55/S | -10~+130℃ | 黒に赤点 | 5~15 Ω・cm |
注)体積抵抗率は導電性を表すもので、cm3 当たりの抵抗値を表す。
通常価格、通常出荷日が表示と異なる場合がございます
通常価格、通常出荷日が表示と異なる場合がございます

コンバム(旧:妙徳)
じゃばら形パッド PJシリーズ 保守部品(パッド)PJG
4.5通常価格(税別):347円~

ミスミ
吸着パッド単体 スタンダードタイプ・深型タイプ・小型タイプ
4.3通常価格(税別):320円~

SMC
真空パッド コンパクトタイプ ZP3シリーズ
4.1通常価格(税別):402円~

SMC
真空パッド ZPシリーズ パッド単体
4.4通常価格(税別):278円~

ミスミ
吸着パッド
4.2通常価格(税別):200円~

ミスミ
ミニ吸着パッド
5通常価格(税別):330円~

ミスミ
吸着ホルダ スプリング式ロングストロークタイプ(R形状)
4.7通常価格(税別):1,970円~

ミスミ
吸着パッド単体 スポンジタイプ・ベローズタイプ
4.3通常価格(税別):490円~

ミスミ
吸着パッド取付アタッチメント
0通常価格(税別):390円