メカニカル部品技術窓口
球面、角度のある吸着対象物にも対応できるリップ部薄いタイプのパッド。【特長】・リップ部薄いタイプの2段...
詳細を確認
| - | φ6/8(直径6/8mm) | φ10~50(直径10~50mm) | φ60~80(直径60~80mm) | |||||
|---|---|---|---|---|---|---|---|---|
| 真空取出し方向 | 縦 | 横 | 縦 | 横 | 縦 | 横 | ||
| 配管継手 | 継手なし | M3 | M3 | M5 | M5 | Rc1/8 | Rc1/8 | |
| バーブ継手 | φ4(直径4mm)×2.5 | ○(M3) | ○(M3) | × | × | × | × | |
| φ6(直径6mm)×4 | × | × | ○(M5) | ○(M5) | × | × | ||
| プッシュイン継手 | φ4(直径4mm)×2.5 | ○(M3) | ○(M3) | × | × | × | × | |
| φ6(直径6mm)×4 | × | × | ○(M5) | ○(M5) | × | × | ||
| 金具取付け方法 | おねじ | おねじ | おねじ | おねじ | おねじ | おねじ | ||
注)φ10(直径10mm)以上の金具摺動部にドライべアリングを使用している。
| 記号 | - | 硬度(A/S) | 使用温度範囲 | 色 | 体積抵抗率 注1、2 |
|---|---|---|---|---|---|
| N | NBR(ニトリルゴム) | 55 | -26~120℃ | 黒 | - |
| S | シリコーンゴム | 55 | -60~250℃ | 白 | - |
| U | ウレタンゴム | 55 | -20~75℃ | 青 | - |
| F | ふっ素ゴム | 70 | -10~230℃ | 黒に白点 | - |
| NE | 導電性 NBR(ニトリルゴム) | 70 | -26~120℃ | 黒に青点 | 102~103 Ω・cm |
| SE | 導電性シリコーンゴム | 55 | -60~250℃ | 黒に赤点 | 102~104 Ω・cm |
| - | チューブ外径φ4(直径4mm) | チューブ外径φ6(直径6mm) |
|---|---|---|
| T | 0.5 | 1.5 |
| O | 3.0 | 4.0 |
(単位:g)
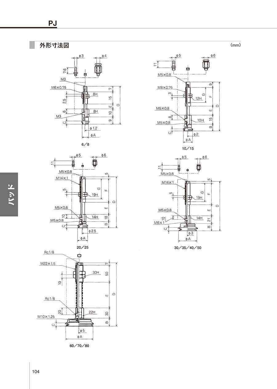
| NAPJT/YS | A | B | C | D | E | F | G | F1 | F2 | 質量(g) |
|---|---|---|---|---|---|---|---|---|---|---|
| NAPJT/YS-6-3 | 6 | - | 4.2 | 44 | 3 | - | - | 0.49 | 0.59 | 7 |
| NAPJT/YS-6-6 | 6 | - | 4.2 | 47 | 6 | - | - | 0.49 | 0.69 | 7 |
| NAPJT/YS-8-3 | 8 | - | 4 | 44 | 3 | - | - | 0.49 | 0.59 | 7 |
| NAPJT/YS-8-6 | 8 | - | 4 | 47 | 6 | - | - | 0.49 | 0.69 | 7 |
| NAPJT/YS-10-3 | 10 | 9.5 | 3 | 59.5 | 3 | 23 | 17 | 0.61 | 0.77 | 30.5 |
| NAPJT/YS-10-10 | 10 | 9.5 | 3 | 66.5 | 10 | 23 | 17 | 0.61 | 1.17 | 31 |
| NAPJT/YS-10-15 | 10 | 9.5 | 3 | 79 | 15 | 30.5 | 24.5 | 0.64 | 1.17 | 33.5 |
| NAPJT/YS-15-3 | 15 | 11 | 3.3 | 61 | 3 | 23 | 17 | 0.61 | 0.77 | 31.5 |
| NAPJT/YS-15-10 | 15 | 11 | 3.3 | 68 | 10 | 23 | 17 | 0.61 | 1.17 | 32 |
| NAPJT/YS-15-15 | 15 | 11 | 3.3 | 80.5 | 15 | 30.5 | 24.5 | 0.64 | 1.17 | 34.5 |
| NAPJT/YS-20-6 | 20 | 13 | 5.5 | 78 | 6 | 36 | 28 | 2.45 | 3.43 | 66 |
| NAPJT/YS-20-15 | 20 | 13 | 5.5 | 87 | 15 | 36 | 28 | 2.45 | 4.9 | 71 |
| NAPJT/YS-20-30 | 20 | 13 | 5.5 | 124 | 30 | 58 | 50 | 2.9 | 5.88 | 96 |
| NAPJT/YS-25-6 | 25 | 15.5 | 6.5 | 80.5 | 6 | 36 | 28 | 2.45 | 3.43 | 68 |
| NAPJT/YS-25-15 | 25 | 15.5 | 6.5 | 89.5 | 15 | 36 | 28 | 2.45 | 4.9 | 73 |
| NAPJT/YS-25-30 | 25 | 15.5 | 6.5 | 126.5 | 30 | 58 | 50 | 2.9 | 5.88 | 98 |
| NAPJT/YS-30-6 | 30 | 18 | 7 | 86 | 6 | 36 | 28 | 2.45 | 3.43 | 69 |
| NAPJT/YS-30-15 | 30 | 18 | 7 | 95 | 15 | 36 | 28 | 2.45 | 4.9 | 74 |
| NAPJT/YS-30-30 | 30 | 18 | 7 | 132 | 30 | 58 | 50 | 2.9 | 5.88 | 99 |
| NAPJT/YS-35-6 | 35 | 18 | 7 | 86 | 6 | 36 | 28 | 2.45 | 3.43 | 71.5 |
| NAPJT/YS-35-15 | 35 | 18 | 7 | 95 | 15 | 36 | 28 | 2.45 | 4.9 | 76.5 |
| NAPJT/YS-35-30 | 35 | 18 | 7 | 132 | 30 | 58 | 50 | 2.9 | 5.88 | 101.5 |
| NAPJT/YS-40-6 | 40 | 18 | 7.2 | 86 | 6 | 36 | 28 | 2.45 | 3.43 | 73.5 |
| NAPJT/YS-40-15 | 40 | 18 | 7.2 | 95 | 15 | 36 | 28 | 2.45 | 4.9 | 78.5 |
| NAPJT/YS-40-30 | 40 | 18 | 7.2 | 132 | 30 | 58 | 50 | 2.9 | 5.88 | 103.5 |
| NAPJT/YS-50-6 | 50 | 20 | 9 | 88 | 6 | 36 | 28 | 2.45 | 3.43 | 89 |
| NAPJT/YS-50-15 | 50 | 20 | 9 | 97 | 15 | 36 | 28 | 2.45 | 4.9 | 94 |
| NAPJT/YS-50-30 | 50 | 20 | 9 | 134 | 30 | 58 | 50 | 2.9 | 5.88 | 119 |
| NAPJT/YS-60-10 | 60 | 22.5 | 8 | 129.5 | 20 | - | - | 8.82 | 11.8 | 294 |
| NAPJT/YS-60-30 | 60 | 22.5 | 8 | 159.5 | 50 | - | - | 6.76 | 15.6 | 328 |
| NAPJT/YS-60-50 | 60 | 22.5 | 8 | 184.5 | 75 | - | - | 8.33 | 19.6 | 355 |
| NAPJT/YS-70-10 | 70 | 23.5 | 9.5 | 130.5 | 20 | - | - | 8.82 | 11.8 | 309 |
| NAPJT/YS-70-30 | 70 | 23.5 | 9.5 | 160.5 | 50 | - | - | 6.76 | 15.6 | 346 |
| NAPJT/YS-70-50 | 70 | 23.5 | 9.5 | 185.5 | 75 | - | - | 8.33 | 19.6 | 370 |
| NAPJT/YS-80-10 | 80 | 23.5 | 9.5 | 130.5 | 20 | - | - | 8.82 | 11.8 | 338 |
| NAPJT/YS-80-30 | 80 | 23.5 | 9.5 | 160.5 | 50 | - | - | 6.76 | 15.6 | 372 |
| NAPJT/YS-80-50 | 80 | 23.5 | 9.5 | 185.5 | 75 | - | - | 8.33 | 19.6 | 399 |
(単位:mm)
注意)表中記号F1は0ストローク時、F2はフルストローク時のバネ荷重(N)を表す。

形式番号の見方
| 型番 |
|---|
通常単価(税別)
(税込単価) | 通常出荷日 |
|---|
3,014円 ( 3,315円 ) | 7日目 |
3,102円 ( 3,412円 ) | 7日目 |
3,385円 ( 3,724円 ) | 7日目 |
3,207円 ( 3,528円 ) | 7日目 |
3,312円 ( 3,643円 ) | 7日目 |
3,367円 ( 3,704円 ) | 7日目 |
3,207円 ( 3,528円 ) | 7日目 |
3,473円 ( 3,820円 ) | 7日目 |
3,296円 ( 3,626円 ) | 7日目 |
3,296円 ( 3,626円 ) | 7日目 |
3,578円 ( 3,936円 ) | 7日目 |
3,385円 ( 3,724円 ) | 7日目 |
3,456円 ( 3,802円 ) | 7日目 |
3,296円 ( 3,626円 ) | 7日目 |
3,207円 ( 3,528円 ) | 7日目 |
3,312円 ( 3,643円 ) | 7日目 |
3,754円 ( 4,129円 ) | 7日目 |
3,207円 ( 3,528円 ) | 7日目 |
3,473円 ( 3,820円 ) | 7日目 |
3,649円 ( 4,014円 ) | 7日目 |
3,296円 ( 3,626円 ) | 7日目 |
3,578円 ( 3,936円 ) | 7日目 |
3,385円 ( 3,724円 ) | 7日目 |
4,212円 ( 4,633円 ) | 7日目 |
4,494円 ( 4,943円 ) | 7日目 |
3,683円 ( 4,051円 ) | 7日目 |
3,790円 ( 4,169円 ) | 7日目 |
3,790円 ( 4,169円 ) | 7日目 |
4,070円 ( 4,477円 ) | 7日目 |
3,877円 ( 4,265円 ) | 7日目 |
4,494円 ( 4,943円 ) | 7日目 |
4,775円 ( 5,253円 ) | 7日目 |
3,966円 ( 4,363円 ) | 7日目 |
4,053円 ( 4,458円 ) | 7日目 |
4,070円 ( 4,477円 ) | 7日目 |
4,353円 ( 4,788円 ) | 7日目 |
4,159円 ( 4,575円 ) | 7日目 |
4,246円 ( 4,671円 ) | 7日目 |
4,529円 ( 4,982円 ) | 7日目 |
4,335円 ( 4,769円 ) | 7日目 |
3,735円 ( 4,109円 ) | 7日目 |
4,001円 ( 4,401円 ) | 7日目 |
3,824円 ( 4,206円 ) | 7日目 |
3,930円 ( 4,323円 ) | 7日目 |
3,824円 ( 4,206円 ) | 7日目 |
4,106円 ( 4,517円 ) | 7日目 |
3,912円 ( 4,303円 ) | 7日目 |
4,018円 ( 4,420円 ) | 7日目 |
4,617円 ( 5,079円 ) | 7日目 |
4,899円 ( 5,389円 ) | 7日目 |
4,001円 ( 4,401円 ) | 7日目 |
4,282円 ( 4,710円 ) | 7日目 |
4,193円 ( 4,612円 ) | 7日目 |
4,106円 ( 4,517円 ) | 7日目 |
4,370円 ( 4,807円 ) | 7日目 |
4,194円 ( 4,613円 ) | 7日目 |
4,300円 ( 4,730円 ) | 7日目 |
4,564円 ( 5,020円 ) | 7日目 |
4,592円 ( 5,051円 ) | 7日目 |
5,023円 ( 5,525円 ) | 7日目 |
球面、角度のある吸着対象物にも対応できるリップ部薄いタイプのパッド。
【特長】
・リップ部薄いタイプの2段じゃばらパッド
・耐久性に優れており長寿命
・ジャバラ部分がありクッション性に優れています
・ローク部分にドライベアリングを採用

コンバム(旧:妙徳)
CONVUM 真空発生器コンバム ユニット 10S
真空、破壊制御用電磁弁、真空フィルタ搭載のオールインワンタイプの真空発生器(エジェクタ)です。弊社吸着パッドの真空発生に最適です。

通常価格、通常出荷日が表示と異なる場合がございます
通常価格、通常出荷日が表示と異なる場合がございます

SMC
真空パッド ZPシリーズ パッド単体
4.4通常価格(税別):278円~

ミスミ
吸着パッド単体 スタンダードタイプ・深型タイプ・小型タイプ
4.3通常価格(税別):320円~

SMC
真空パッド コンパクトタイプ ZP3シリーズ
4.1通常価格(税別):402円~

ミスミ
ミニ吸着パッド
5通常価格(税別):330円~

ミスミ
吸着パッド
4.2通常価格(税別):200円~

ミスミ
吸着ホルダ 直付固定式小型タイプ(J形状)
4.5通常価格(税別):1,200円~

コンバム(旧:妙徳)
止めねじTN
4通常価格(税別):364円~

コンバム(旧:妙徳)
じゃばら形パッド PJシリーズ 保守部品(パッド)PJG
4.5通常価格(税別):347円~

ミスミ
吸着ホルダ 固定式 上:ワンタッチタイプ(K形状) スタンダードタイプ/深型タイプ
4通常価格(税別):1,180円~