メカニカル部品技術窓口
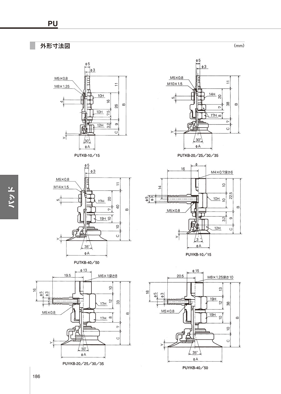
首振りパッド PUシリーズになります。【配管継手】バーブ継手になります。


通常価格、通常出荷日が表示と異なる場合がございます
通常価格、通常出荷日が表示と異なる場合がございます

コンバム(旧:妙徳)
じゃばら形パッド PJシリーズ 保守部品(パッド)PJG
4.5通常価格(税別):347円~

ミスミ
吸着パッド単体 スタンダードタイプ・深型タイプ・小型タイプ
4.3通常価格(税別):320円~

SMC
真空パッド コンパクトタイプ ZP3シリーズ
4.1通常価格(税別):402円~

SMC
真空パッド ZPシリーズ パッド単体
4.4通常価格(税別):278円~

ミスミ
吸着パッド
4.2通常価格(税別):200円~

ミスミ
ミニ吸着パッド
5通常価格(税別):330円~

ミスミ
吸着ホルダ スプリング式ロングストロークタイプ(R形状)
4.7通常価格(税別):1,970円~

ミスミ
吸着パッド単体 スポンジタイプ・ベローズタイプ
4.3通常価格(税別):490円~

ミスミ
吸着パッド取付アタッチメント
0通常価格(税別):390円