メカニカル部品技術窓口
継手付で固定式金具付パッド PDTK/PDYK。【特長】・スポンジ材質のパッド。・凹凸のあるワークに対...
詳細を確認
【φ20~50(直径20~50mm)】
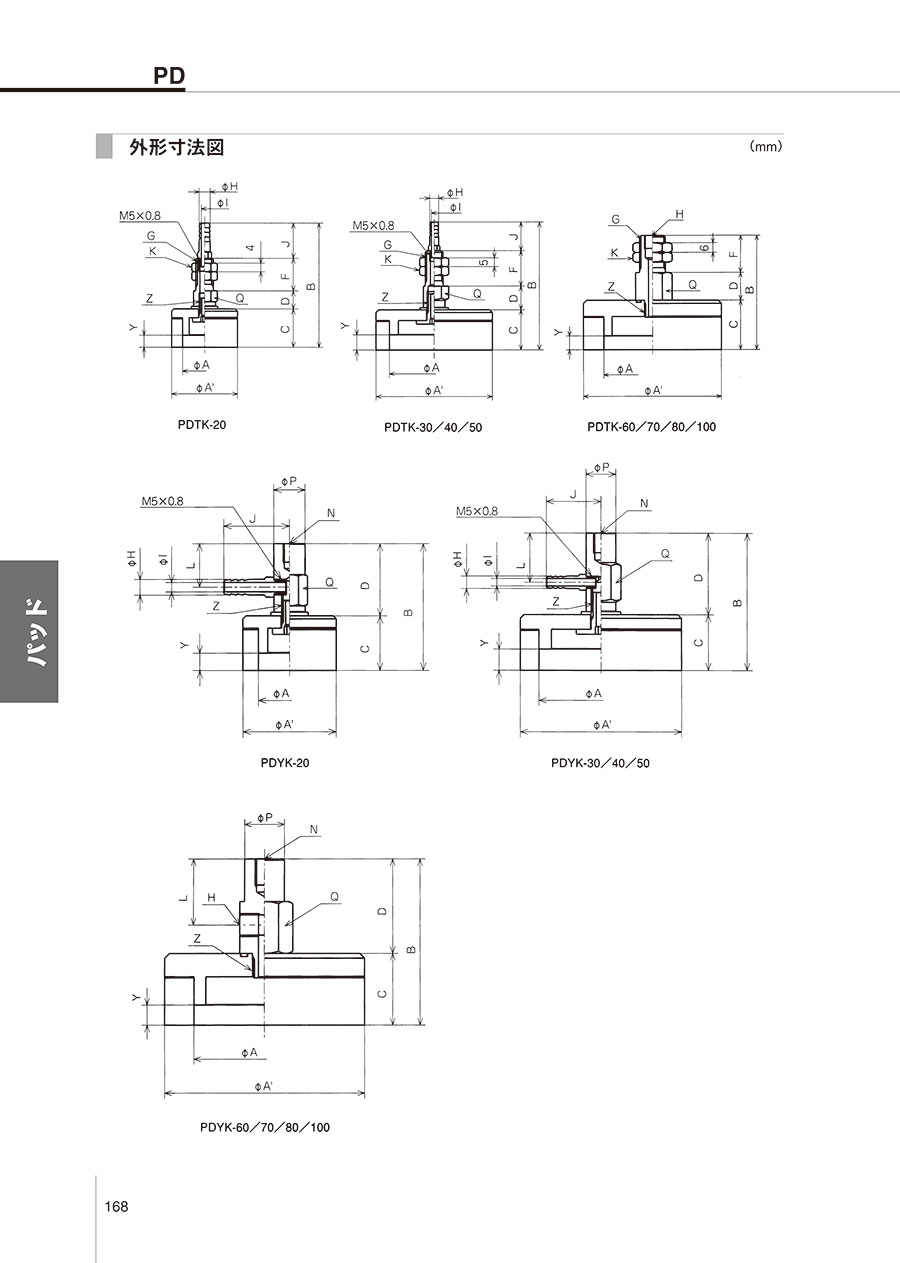
パッドを両面テープでホルダに装着
止めねじでホルダを金具に取付

【φ60~100(直径60~100mm)】
パッドを両面テープでホルダに装着
金具を直接ホルダにねじ込む

形式番号フォーマット
(1)真空取出し方向:T=縦/Y=横
(2)パッド径
(単位:mm)
| 記号 | パッド径 |
|---|---|
| 20 | φ20(パッド径20mm) |
| 30 | φ30(パッド径30mm) |
| 40 | φ40(パッド径40mm) |
| 50 | φ50(パッド径50mm) |
| 記号 | パッド径 |
|---|---|
| 60 | φ60(パッド径60mm) |
| 70 | φ70(パッド径70mm) |
| 80 | φ80(パッド径80mm) |
| 100 | φ100(パッド径100mm) |
(単位:mm)
| 形式番号 | パッド | 止めねじ | 金具セット | ホルダ | 配管部仕様 | |
|---|---|---|---|---|---|---|
| PDTK-20 | PDG-20 | TN-PF-20-M5 | PFTK-15-K | PDH-20-M5 | バーブ継手 | φ6×4(直径6×4mm) |
| PDTK-30 | PDG-30 | TN-PF-25-M6 | PFTK-25-K | PDH-30 | ||
| PDTK-40 | PDG-40 | PDH-40 | ||||
| PDTK-50 | PDG-50 | TN-PF-50-M8 | PFTK-50-K | PDH-50 | ||
| PDTK-60 | PDG-60 | ホルダに直接金具をねじ込む | PFTK-60-K | PDH-60 | Rc1/8 (めねじ) | |
| PDTK-70 | PDG-70 | PDH-70 | ||||
| PDTK-80 | PDG-80 | PDH-80 | ||||
| PDTK-100 | PDG-100 | PDH-100 | ||||
| 形式番号 | パッド | 止めねじ | 金具セット | ホルダ | 配管部仕様 | |
|---|---|---|---|---|---|---|
| PDYK-20 | PDG-20 | TN-PF-20-M5 | PFYK-15-K | PDH-20-M5 | バーブ継手 | φ6×4(直径6×4mm) |
| PDYK-30 | PDG-30 | TN-PF-25-M6 | PFYK-25-K | PDH-30 | ||
| PDYK-40 | PDG-40 | PDH-40 | ||||
| PDYK-50 | PDG-50 | TN-PF-50-M8 | PFYK-50-K | PDH-50 | ||
| PDYK-60 | PDG-60 | ホルダに直接金具をねじ込む | PFYK-60-K | PDH-60 | Rc1/8 (めねじ) | |
| PDYK-70 | PDG-70 | PDH-70 | ||||
| PDYK-80 | PDG-80 | PDH-80 | ||||
| PDYK-100 | PDG-100 | PDH-100 | ||||
継手付で固定式金具付パッド PDTK/PDYK。
【特長】
・スポンジ材質のパッド。
・凹凸のあるワークに対しパッド追従可能。
・金具、止めねじ、ホルダ、パッドの組み合わせによって構成。
【用途】
・段差、溝、突起など複雑な形状のワークの吸着搬送に使用。



通常価格、通常出荷日が表示と異なる場合がございます
通常価格、通常出荷日が表示と異なる場合がございます

SMC
真空パッド コンパクトタイプ ZP3シリーズ
4.1通常価格(税別):402円~

SMC
真空パッド ZPシリーズ パッド単体
4.4通常価格(税別):278円~

ミスミ
吸着パッド単体 スタンダードタイプ・深型タイプ・小型タイプ
4.3通常価格(税別):320円~

ミスミ
ミニ吸着パッド
5通常価格(税別):330円~

コンバム(旧:妙徳)
じゃばら形パッド PJシリーズ 保守部品(パッド)PJG
4.5通常価格(税別):347円~

ミスミ
吸着パッド
4.2通常価格(税別):200円~

コンバム(旧:妙徳)
三段じゃばら形パッド PCG
3.6通常価格(税別):536円~

ミスミ
吸着ホルダ スプリング式 横:ワンタッチタイプ(L形状) スタンダードタイプ/深型タイプ
3通常価格(税別):2,130円~

ミスミ
吸着パッド取付アタッチメント
0通常価格(税別):390円