メカニカル部品技術窓口
微動、粗動を切り替えて使用できるアルミ合金製薄型回転ステージ。【特長】・φ30、90、125(直径30...
詳細を確認








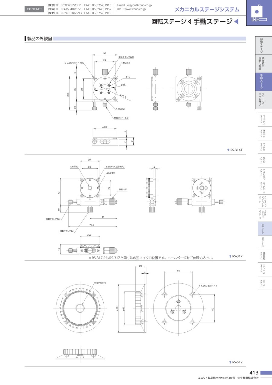
RS-117

RS-147-1

RS-917

RS-317
| 型番 | RS-917 | RS-117 | RS-147-1 |
|---|---|---|---|
| 型番(逆マイクロ) | RS-917-R | RS-117-R | RS-147-1R |
| 製品名 | 微動回転スリムステージ φ90 | 微動回転スリムステージ φ125 | |
| 移動方向 | 回転方向 | ||
| ステージ面 | φ90mm | φ125mm | |
| クランプ方式 | 複合クランプ | 複合クランプ | |
| 操作部取付位置 | 標準位置※-Rは逆マイクロ位置 | 標準位置※-Rは逆マイクロ位置 | |
| 微動送り方式 | CMH-13RM(標準マイクロメータ) | CMH-13RM(標準マイクロメータ) | |
| 移動量 | 粗動360°、微動±5° | 粗動360°、微動±5° | |
| 移動量/ツマミ1回転 | 約0.5° | 約0.39° | |
| 目量 | バーニヤ読み5'/マイクロメータ式0.01mm(1目盛約0.01°) | バーニヤ読み5'/マイクロメータ式0.01mm(1目盛約0.008°) | |
| 移動ガイド | すり合わせ | V溝とクロスローラ | |
| 平行度 | 0.02mm | 0.05mm | 0.06mm |
| 心円度 | 0.04mm | 0.05mm | 0.03mm |
| 面振れ | 0.02mm | 0.03mm | 0.04mm |
| 耐荷重 | 29.4N(3kgf) | 29.4N(3kgf) | 147N(15kgf) |
| 質量 | 0.5kg | 0.9kg | |
| 主要材質/表面処理 | アルミ合金/黒アルマイト梨地 | ||
| 型番 | RS-317 | RS-317-R |
|---|---|---|
| 製品名 | 微動回転スリムステージφ30 | 微動回転スリムステージφ30(逆マイクロタイプ) |
| 移動方向 | 回転方向 | |
| ステージ面 | φ30mm | |
| クランプ方式 | 複合クランプ | |
| 操作部取付位置 | 標準位置 | 逆マイクロ位置 |
| 微動送り方式 | CEH-6.5R(標準マイクロメータ) | |
| 移動量/ツマミ1回転 | 粗動360°、微動±5° | |
| 移動量/ツマミ回転 | 約1.36° | |
| 目量 | 目盛読み2°/マイクロメータ式0.01mm (1目盛約0.027°) | |
| 移動ガイド | すり合わせ | |
| 平行度 | 0.03mm | |
| 心円度 | 0.02mm | |
| 面振れ | 0.02mm | |
| 耐荷重 | 9.8N(1kgf) | |
| 質量 | 0.1kg | |
| 主要材質/表面処理 | アルミ合金/黒アルマイト梨地 | |
微動、粗動を切り替えて使用できるアルミ合金製薄型回転ステージ。
【特長】
・φ30、90、125(直径30、90、125mm)のすり合わせガイド式とφ125(直径125mm)のV溝とクロスローラガイド式。
・それぞれ左右使いを考慮して微動送り用マイクロメータヘッドの勝手違いも用意。
【用途】
・センサ、カメラの水平回転調整に最適。
・測定機の試料台として被検物の回転調整に利用可能。


中央精機
ゴニオステージ(手動ステージ)
回転中心高さと移動量が異なる1軸の傾斜ステージです。回転中心高さが異なる1軸の傾斜ステージを組み合わせ、同一回転中心とした2軸の傾斜ステージにすることが出来ます。

通常価格、通常出荷日が表示と異なる場合がございます
通常価格、通常出荷日が表示と異なる場合がございます

ミスミ
【エコノミーシリーズ】 RoHS対応 回転ステージ
4.2通常価格(税別):16,740円~

中央精機
微動回転スリムステージ(手動ステージ)
5通常価格(税別):19,899円~

ミスミ
【高精度】回転 すりあわせ 粗動式
4通常価格(税別):14,390円~

ミスミ
【高精度】回転 すりあわせ式 マイクロメータヘッド
3.8通常価格(税別):22,600円~

ミスミ
【エコノミーシリーズ】 手動回転ステージ すり合わせ式
0通常価格(税別):13,560円~

ミスミ
【高精度】XY軸 リニアボール 薄型
4通常価格(税別):35,160円~

ミスミ
【エコノミーシリーズ】 RoHS対応 X軸 クロスローラ
4.5通常価格(税別):11,000円~

ミスミ
【高精度】XY軸 アリ溝 送りねじ式 正方形
4通常価格(税別):22,960円~

ミスミ
【エコノミーシリーズ】 RoHS対応 X軸 アリ溝 送りねじ式
4.7通常価格(税別):7,590円~