メカニカル部品技術窓口
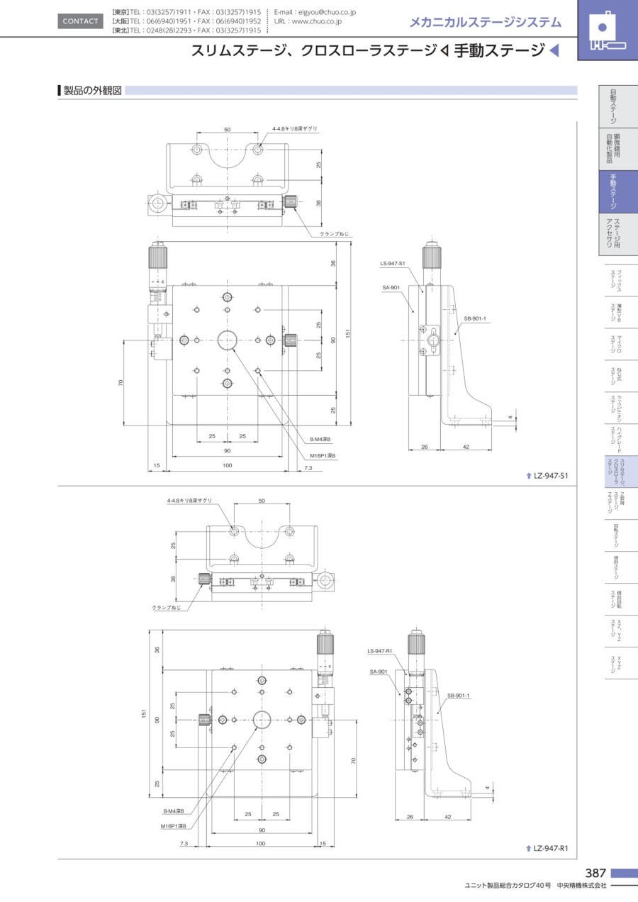
移動ガイドにV溝とクロスローラ(V-CR)を使用した薄型の手動Zステージ。【特長】・主要材質にアルミ合...
詳細を確認
Z軸ブラケットスリムステージ(手動ステージ) LZ-947-S1 イメージ

Z軸ブラケットスリムステージ(手動ステージ) LZ-947-R1 イメージ
| 製品番号 | LZ-947-S1 | LZ-947-R1 |
|---|---|---|
| 移動方向 | Z軸1方向 | |
| ステージ面 | 90mm×90mm | |
| クランプ方式 | 板クランプ | |
| 操作部取付位置 | サイド | 逆サイド |
| 送り方式 | MHM1-15(標準マイクロメータ) | |
| 移動量 | ±7.5mm | |
| 移動量/ツマミ1回転 | 0.5mm | |
| 目量 | マイクロメータ式0.01mm | |
| 感度 | 0.003mm | |
| 移動ガイド | V溝とクロスローラ | |
| 移動精度 | 真直度0.003mm | |
| 耐荷重 | 29.4N(3kgf) | |
| 質量 | 0.91㎏ | |
| 主要材質/表面処理 | アルミ合金/黒アルマイト梨地 | |
移動ガイドにV溝とクロスローラ(V-CR)を使用した薄型の手動Zステージ。
【特長】
・主要材質にアルミ合金を使用。
・移動ガイドにV溝とクロスローラ(V-CR方式)を採用。
・操作部取付位置はサイドと逆サイドの2種。
・XステージにZブラケットを組み合わせ、ステージの移動面を縦方向(垂直)にしたZステージ。
【用途】
・面積の必要な大型ワークの精密位置決め、試料台。
・XYステージを組み合わせた位置決め、光軸出し。

通常価格、通常出荷日が表示と異なる場合がございます
通常価格、通常出荷日が表示と異なる場合がございます

ミスミ
【エコノミーシリーズ】 RoHS対応 水平面Z軸 リニアボール
0通常価格(税別):28,930円~

ミスミ
【エコノミーシリーズ】 RoHS対応 水平面Z軸 ラボジャッキ 高耐荷重
3.5通常価格(税別):39,900円~

ミスミ
【高精度】Z軸 アリ溝 ラック&ピニオン式 正方形
5通常価格(税別):17,150円~

ミスミ
【エコノミーシリーズ】 RoHS対応 水平面Z軸 送りねじ式
4.3通常価格(税別):15,620円~

ミスミ
【高精度】Z軸 アリ溝 ラック&ピニオン式 ロング
4通常価格(税別):21,270円~

ミスミ
【エコノミーシリーズ】 RoHS対応 Z軸 アリ溝 ラック&ピニオン式 ロング
4通常価格(税別):13,860円~

ミスミ
【高精度】Z軸 リニアボール マイクロメータヘッド/送りねじ
5通常価格(税別):16,850円~

ミスミ
【エコノミーシリーズ】 RoHS対応 Z軸 クロスローラ
4通常価格(税別):15,290円~

ミスミ
【エコノミーシリーズ】 RoHS対応 Z軸 アリ溝 ラック&ピニオン式 長方形 薄型
4通常価格(税別):15,400円~