メカニカル部品技術窓口
パイロット式2ポートの電磁弁。【特長】・多種類の流体を制御するマルチレックスバルブシリーズ。・高信頼、...
詳細を確認| 項目 | 標準仕様 |
|---|---|
| 使用流体 | 空気・水・灯油・油(50mm2/s以下) |
| 作動圧力差範囲 MPa | 0.02~1.0(ただしタイプにより違いますので機種別仕様の最高作動圧力差を参照ください) |
| 最高使用圧力 MPa | 2 |
| 耐圧(水圧にて)MPa | 8 |
| 流体温度(注1)℃ | -10~60 |
| 周囲温度℃ | -20~60 |
| 耐熱クラス | B |
| 雰囲気 | 腐食性ガス・爆発性ガスのない場所 |
| 弁構造 | パイロット式ポペット構造 ダイアフラム駆動 |
| 弁座漏れ(注2)cm3/min(ANR) | 0.2以下(空気にて) |
| 取付姿勢 | 自在(ただし作動圧力差範囲内) |
| ボディ・シール材質 | 青銅・ニトリルゴム |
注1:凍結のないこと。
注2:AD11(NC(通電時開)形)は空圧0.02~1.0MPa、AD12(NO(通電時閉)形)は空圧0.02~0.5MPaにおける値です。
| 項目 | 接続口径 | オリ フィス径 (mm) | 最低作動圧力差(MPa) | 最高作動圧力差(MPa) | 定格 電圧 | 皮相電力(VA) | 消費電力(W) | 質量 (kg) | |||||||||
|---|---|---|---|---|---|---|---|---|---|---|---|---|---|---|---|---|---|
| 空気 | 水・灯油 | 油(50mm2/s) | 保持時 | 起動時 | AC 50/60Hz | DC | |||||||||||
| 機種 形番 | AC | DC | AC | DC | AC | DC | 50Hz | 60Hz | 50Hz | 60Hz | |||||||
| ●NC(通電時間)形 | |||||||||||||||||
| AD11-8A | Rc1/4 | 10 | 0.02※5 | 1.0 | 0.7 | 1.0 | 0.7 | 0.7 | 0.7 | AC100V 50/60Hz AC110V 60Hz AC200V 50/60Hz AC220V 60Hz DC 12V DC 24V DC 48V DC 100V | 18 | 15 | 29 | 24 | 6.7/5.7 | 12 | 0.4 |
| AD11-10A | Rc3/8 | 10 | 1.0 | 0.7 | 1.0 | 0.7 | 0.7 | 0.7 | 0.4 | ||||||||
| AD11-15A | Rc1/2 | 15 | 0.02 | 1.0 | 0.6 | 0.7 | 0.6 | 0.6 | 0.6 | 18 | 15 | 29 | 24 | 6.7/5.7 | 11 (10.4) | 1.2 | |
| AD11-20A | Rc3/4 | 20 | 1.0 | 0.6 | 0.7 | 0.6 | 0.6 | 0.6 | 1.2 | ||||||||
| AD11-25A | Rc1 | 25 | 1.0 | 0.6 | 0.7 | 0.6 | 0.6 | 0.6 | 1.9 | ||||||||

内部構造
・ 図は閉動作時
| 品番 | 部品名称 | 材質 | |
|---|---|---|---|
| 1 | コアー組立 | SUS405相当・SUS316L・SUS403 ※1 | ステンレス |
| 2 | シェーディングコイル ※2 | Cu(ボディステンレス時Ag) | 銅(ボディステンレス時銀) |
| 3 | コイル | - | - |
| 4 | プランジャ | SUS405相当 | ステンレス |
| 5 | プランジャばね | SUS304 | ステンレス |
| 6 | 弁ばね | SUS304 | ステンレス |
| 7 | スタフィング ※3 | CAC407(SCS13) | 青銅鋳物(ステンレス鋳物) |
| 8 | シール | NBR(FKM) | ニトリルゴム(フッ素ゴムまたは四フッ化エチレン樹脂) |
| 9 | ダイアフラム組立 | SUS303・SUS304・NBR(SUS303・SUS304・FKM) | ステンレス・ニトリルゴム(ステンレス・フッ素ゴム) |
| 10 | ボディ | CAC407(SCS13) ※4 | 青銅鋳物(ステンレス鋳物) |
| 11 | Oリング | NBR(FKM) | ニトリルゴム(フッ素ゴムまたは四フッ化エチレン樹脂) |
| 12 | オリフィス板 ※3 | SUS304 | ステンレス |
( )内はオプション
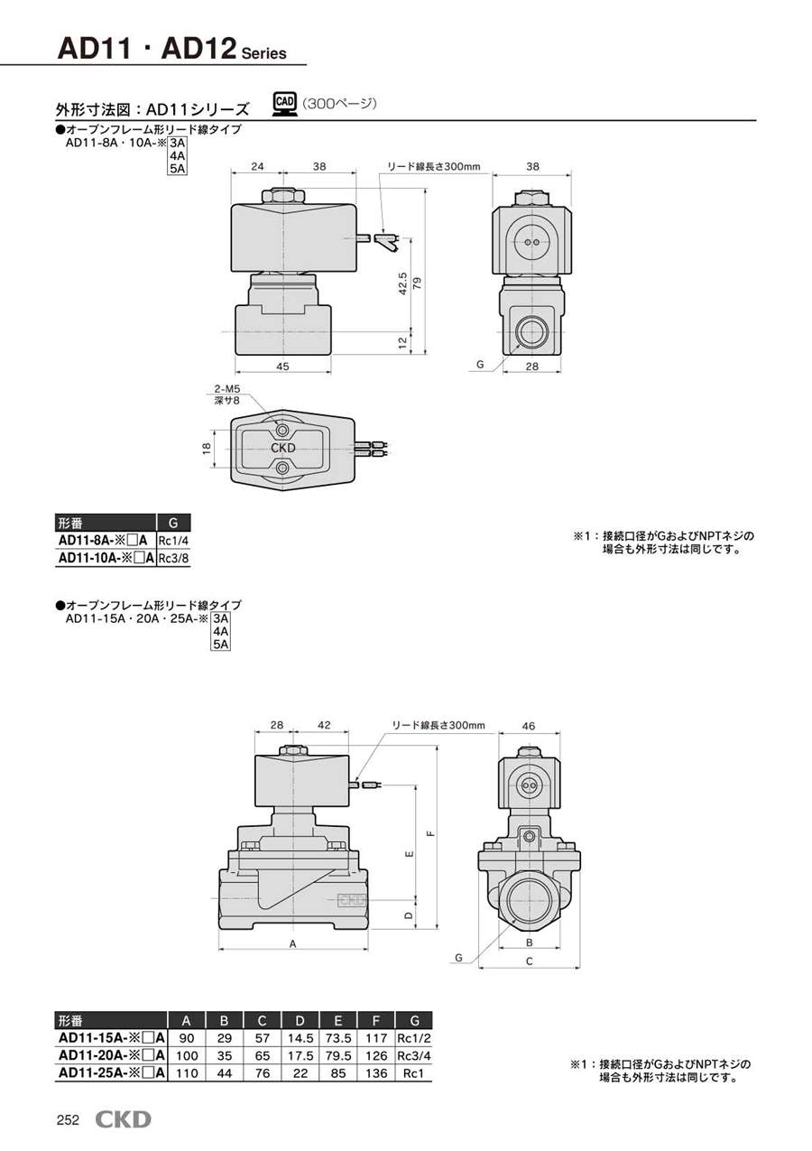
オープンフレーム形リード線タイプ

AD11-8A・10A-※3A/4A/5A
※1:接続口径がGおよびNPTネジの場合も外形寸法は同じです。

AD11-15A・20A・25A-※3A/4A/5A
※1:接続口径がGおよびNPTネジの場合も外形寸法は同じです。
| 形番 | G |
|---|---|
| AD11-8A-※□A | Rc1/4 |
| AD11-10A-※□A | Rc3/8 |
| 形番 | A | B | C | D | E | F | G |
|---|---|---|---|---|---|---|---|
| AD11-15A-※□A | 90 | 29 | 57 | 14.5 | 73.5 | 117 | Rc1/2 |
| AD11-20A-※□A | 100 | 35 | 65 | 17.5 | 79.5 | 126 | Rc3/4 |
| AD11-25A-※□A | 110 | 44 | 76 | 22 | 85 | 136 | Rc1 |
| 型番 |
|---|
通常単価(税別)
(税込単価) | 通常出荷日 |
|---|
7,290円 ( 8,019円 ) | 在庫品1日目当日出荷可能 |
7,199円 ( 7,919円 ) | 5日目 |
7,717円 ( 8,489円 ) | 在庫品1日目当日出荷可能 |
7,717円 ( 8,489円 ) | 在庫品1日目当日出荷可能 |
7,324円 ( 8,056円 ) | 在庫品1日目当日出荷可能 |
8,864円 ( 9,750円 ) | 在庫品1日目当日出荷可能 |
7,851円 ( 8,636円 ) | 在庫品1日目当日出荷可能 |
11,941円 ( 13,135円 ) | 在庫品1日目当日出荷可能 |
10,388円 ( 11,427円 ) | 在庫品1日目当日出荷可能 |
10,388円 ( 11,427円 ) | 在庫品1日目当日出荷可能 |
11,529円 ( 12,682円 ) | 在庫品1日目当日出荷可能 |
11,734円 ( 12,907円 ) | 在庫品1日目当日出荷可能 |
11,734円 ( 12,907円 ) | 在庫品1日目当日出荷可能 |
14,558円 ( 16,014円 ) | 在庫品1日目当日出荷可能 |
13,866円 ( 15,253円 ) | 在庫品1日目当日出荷可能 |
13,749円 ( 15,124円 ) | 在庫品1日目当日出荷可能 |
14,403円 ( 15,843円 ) | 在庫品1日目当日出荷可能 |
14,139円 ( 15,553円 ) | 在庫品1日目当日出荷可能 |
パイロット式2ポートの電磁弁。
【特長】
・多種類の流体を制御するマルチレックスバルブシリーズ。
・高信頼、高品質で、オプション・バリエーションも豊富なため、様々な設備・装置類の性能を確実に高める。
・ボディ材質とシール材の組合せにより、多種類の流体に対応できる。
・NC(通電時開)形。
・接続口径:Rc1/4~Rc1。
・ダイアフラム駆動式。
【用途】
・多種流体の制御に最適。


通常価格、通常出荷日が表示と異なる場合がございます
通常価格、通常出荷日が表示と異なる場合がございます

SMC
直動形2ポートソレノイドバルブ VX21・22・23シリーズ
4.5通常価格(税別):2,059円~

SMC
パイロット形2ポートソレノイドバルブ VXDシリーズ
5通常価格(税別):3,708円~

SMC
小型直動2ポートソレノイドバルブ VDWシリーズ
4.8通常価格(税別):1,387円~

CKD
直動式2ポート電磁弁 単体 マルチレックスバルブAB31・AB41/42シリーズ
4通常価格(税別):2,986円~

CKD
【在庫品多数】パイロットキック式2ポート電磁弁 マルチレックスバルブ ADK11・ADK12シリーズ
4.9通常価格(税別):8,237円~

CKD
小形直動式電磁弁 USG3シリーズ
4通常価格(税別):4,536円~

SMC
3ポートエアオペレートバルブ VTA301シリーズ
0通常価格(税別):152円~

CKD
直動式2ポート電磁弁 マルチレックスバルブ AB21シリーズ
5通常価格(税別):1,837円~

SMC
5ポートエアオペレートバルブ SYA3000・5000・7000シリーズ
5通常価格(税別):4,797円~