メカニカル部品技術窓口
接続口径Rc1/4~50フランジまで幅広いサイズを揃えたシリンダ駆動方式のエアオペレイトバルブです。【...
詳細を確認| 項目 | SVB1W | SVB2W |
|---|---|---|
| 作動区分 | NC(通電時開)形 | NO(通電時閉)形 |
| 使用流体 | 水・腐食性のない液体 | |
| 流体粘度 mm2/s | 500以下 | |
| 作動圧力範囲 MPa | 0~0.7 | 0~1 |
| 耐圧(水圧にて) MPa | 2.0 | |
| 流体温度 ℃ | -10~60(凍結のないこと) | |
| 周囲温度 ℃ | -10~60 | |
| 弁座漏れ cm3/min | 0(水圧にて) | |
| 取付姿勢 | 自在 | |
| ウォーターハンマ値(参考) MPa | 1以下(水道法による) | |
| 電気仕様 | |||
|---|---|---|---|
| 定格電圧 | AC100V(50/60Hz)・110V(60Hz)、AC200V(50/60Hz)・220V(60Hz)、DC24V | ||
| 皮相電力(VA) | 保持時 | 3.6(50Hz)、2.8(60Hz) | |
| 起動時 | 11(50Hz)、9(60Hz) | ||
| 消費電力(W) | AC | 1.9(50Hz)、1.5(60Hz) | |
| DC | 2.0 | ||
| 耐熱クラス | B | ||
| 保護構造 (IEC規格529) | グロメットリード線 | IPX2 | |
| DIN端子箱付(Pg9) | IPX5 | ||
| T型端子箱付(G1/2) | IPX5 | ||
注1:許容電圧範囲は定格電圧の±10%以内でご使用ください。

内部構造
| 品番 | 部品名称 | 材質 | |
|---|---|---|---|
| 1 | パイロット電磁弁 | - | - |
| 2 | シリンダカバー | ADC12 | アルミダイカスト |
| 3 | スプリング | SWP | ピアノ線 |
| 4 | ピストン | A2017 | アルミ |
| 5 | アダプタ | C3604(SUS304) | 黄銅(ステンレス) |
| 6 | ピストンロッド | SUS304 | ステンレス |
| 7 | 主弁体 | NBR(FKM、EPDM) SUS304 | ニトリルゴム(フッ素ゴム、エチレンプロピレンゴム) ステンレス |
| 8 | ボディ | CAC407(SCS13) | 青銅鋳物(ステンレス鋳物) |
| 9 | Oリング | NBR(FKM、EPDM) | ニトリルゴム(フッ素ゴム、エチレンプロピレンゴム) |
| 10 | MYパッキン | NBR(FKM、EPDM) | ニトリルゴム(フッ素ゴム、エチレンプロピレンゴム) |
※1:( )内はオプション。
・ グロメットリード線タイプ

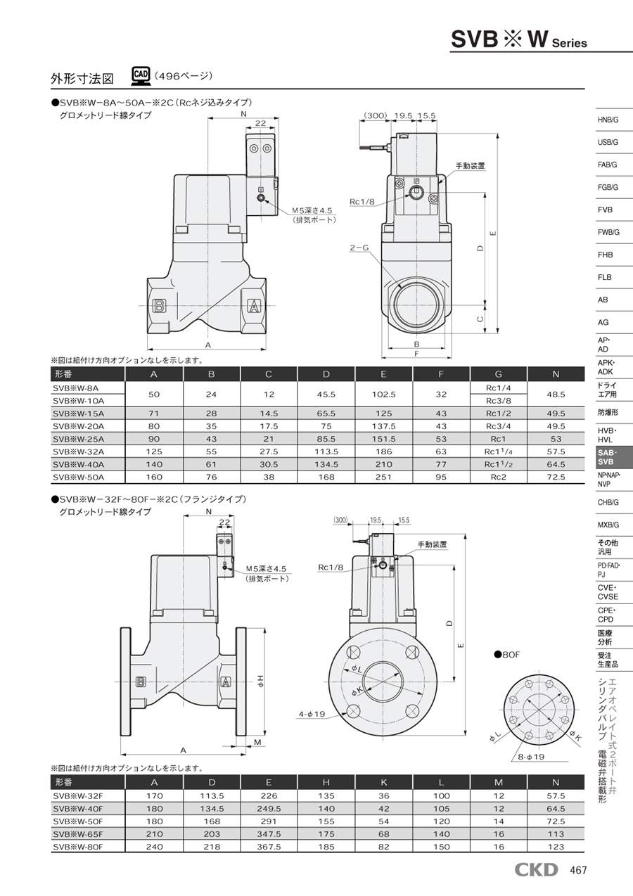
SVB※W-8A~50A-※2C(Rcネジ込みタイプ)の外形寸法図
※図は組付け方向オプションなしを示します。
| 形番 | A | B | C | D | E | F | G | N |
|---|---|---|---|---|---|---|---|---|
| SVB※W-8A | 50 | 24 | 12 | 45.5 | 102.5 | 32 | Rc1/4 | 48.5 |
| SVB※W-10A | Rc3/8 | |||||||
| SVB※W-15A | 71 | 28 | 14.5 | 65.5 | 125 | 43 | Rc1/2 | 49.5 |
| SVB※W-20A | 80 | 35 | 17.5 | 75 | 137.5 | 43 | Rc3/4 | 49.5 |
| SVB※W-25A | 90 | 43 | 21 | 85.5 | 151.5 | 53 | Rc1 | 53 |
| SVB※W-32A | 125 | 55 | 27.5 | 113.5 | 186 | 63 | Rc1 1/4 | 57.5 |
| SVB※W-40A | 140 | 61 | 30.5 | 134.5 | 210 | 77 | Rc1 1/2 | 64.5 |
| SVB※W-50A | 160 | 76 | 38 | 168 | 251 | 95 | Rc2 | 72.5 |

SVB※W-32F~50F-※2C(フランジタイプ)の外形寸法図
※図は組付け方向オプションなしを示します。
| 形番 | A | D | E | H | K | L | M | N |
|---|---|---|---|---|---|---|---|---|
| SVB※W-32F | 170 | 113.5 | 226 | 135 | 36 | 100 | 12 | 57.5 |
| SVB※W-40F | 180 | 134.5 | 249.5 | 140 | 42 | 105 | 12 | 64.5 |
| SVB※W-50F | 180 | 168 | 291 | 155 | 54 | 120 | 14 | 72.5 |
| 型番 |
|---|
通常単価(税別)
(税込単価) | 通常出荷日 |
|---|
- ( - ) | 14日目 |
- ( - ) | 14日目 |
- ( - ) | 14日目 |
- ( - ) | 14日目 |
- ( - ) | 14日目 |
- ( - ) | 14日目 |
- ( - ) | 14日目 |
- ( - ) | 14日目 |
- ( - ) | 14日目 |
19,569円 ( 21,526円 ) | 7日目 |
- ( - ) | 14日目 |
- ( - ) | 14日目 |
- ( - ) | 14日目 |
- ( - ) | 6日目 |
- ( - ) | 6日目 |
- ( - ) | 6日目 |
24,022円 ( 26,424円 ) | 8日目 |
23,650円 ( 26,015円 ) | 7日目 |
- ( - ) | 6日目 |
- ( - ) | 6日目 |
23,381円 ( 25,719円 ) | 7日目 |
- ( - ) | 6日目 |
14,220円 ( 15,642円 ) | 7日目 |
- ( - ) | 14日目 |
- ( - ) | 14日目 |
- ( - ) | 14日目 |
- ( - ) | 14日目 |
- ( - ) | 14日目 |
- ( - ) | 14日目 |
- ( - ) | 14日目 |
- ( - ) | 14日目 |
- ( - ) | 14日目 |
28,903円 ( 31,793円 ) | 7日目 |
- ( - ) | 14日目 |
- ( - ) | 14日目 |
- ( - ) | 14日目 |
- ( - ) | 14日目 |
- ( - ) | 14日目 |
- ( - ) | 14日目 |
- ( - ) | 14日目 |
- ( - ) | 14日目 |
- ( - ) | 14日目 |
- ( - ) | 14日目 |
- ( - ) | 14日目 |
- ( - ) | 14日目 |
- ( - ) | 14日目 |
- ( - ) | 14日目 |
- ( - ) | 14日目 |
- ( - ) | 14日目 |
- ( - ) | 14日目 |
- ( - ) | 14日目 |
- ( - ) | 14日目 |
- ( - ) | 14日目 |
- ( - ) | 14日目 |
- ( - ) | 14日目 |
- ( - ) | 14日目 |
- ( - ) | 14日目 |
- ( - ) | 14日目 |
- ( - ) | 14日目 |
- ( - ) | 14日目 |


通常価格、通常出荷日が表示と異なる場合がございます
通常価格、通常出荷日が表示と異なる場合がございます

SMC
直動形2ポートソレノイドバルブ VX21・22・23シリーズ
4.5通常価格(税別):2,059円~

CKD
直動式2ポート電磁弁 単体 マルチレックスバルブAB31・AB41/42シリーズ
4通常価格(税別):2,986円~

SMC
小型直動2ポートソレノイドバルブ VDWシリーズ
4.8通常価格(税別):1,387円~

CKD
【在庫品多数】パイロットキック式2ポート電磁弁 マルチレックスバルブ ADK11・ADK12シリーズ
4.9通常価格(税別):8,237円~

CKD
小形直動式電磁弁 USB3シリーズ
5通常価格(税別):3,262円~

キッツ
青銅製10K空圧アクチュエータ付ボールバルブ
4.8通常価格(税別):15,979円~

ベン
PS-22型 電磁弁(蒸気・液体・空気用) 桃太郎II
4.7通常価格(税別):31,287円~

キッツ
ステンレス鋼製10K空圧アクチュエータ付ボールバルブ
4.5通常価格(税別):24,212円~

CKD
パイロット式2ポート電磁弁 マルチレックスバルブ AD11シリーズ
4.5通常価格(税別):7,199円~