メカニカル部品技術窓口
ベアリングガイドにより、高負荷の直接取付と高い位置精度を実現したラック・ピニオンタイプのテーブル形ロー...
詳細を確認

※ 上記以外の型番についての情報はデジタルカタログをご参照ください。
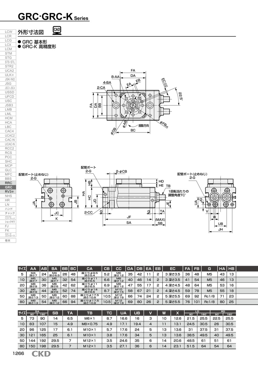
| 項目 | GRC-5 | GRC-10 GRC-K-10 | GRC-20 GRC-K-20 | GRC-30 GRC-K-30 | GRC-50 GRC-K-50 | GRC-80 GRC-K-80 | ||
|---|---|---|---|---|---|---|---|---|
| サイズ | 5 | 10 | 20 | 30 | 50 | 80 | ||
| 理論トルク 注1 N・m | 0.5 | 1.0 | 2.0 | 3.0 | 5.2 | 8.1 | ||
| 作動方式 | ラック&ピニオン形 | |||||||
| 使用流体 | 圧縮空気 | |||||||
| 最高使用圧力 MPa | 1.0 | |||||||
| 最低使用圧力 注2 MPa | 基本形 | 0.10 | ||||||
| 高精度形 | - | 0.15 | 0.10 | |||||
| 外付ショックキラー付 | 0.25 | 2.0 | 0.15 | |||||
| 耐圧力 MPa | 1.6 | |||||||
| 周囲温度 ℃ | 0~60(但し、凍結なきこと) | |||||||
| 接続口径 | M5 | Rc1/8 | ||||||
| クッション | 基本形・高精度形 | ゴムクッション | ||||||
| 外付ショックキラー付 | ショックキラー | |||||||
| ショックキラー形番 | NCK-0.3 | NCK-0.7 | NCK-1.2 | NCK-2.6 | ||||
| 許容吸収エネルギー J | 基本形・高精度形 | 0.005 | 0.008 | 0.03 | 0.04 | 0.11 | ||
| 外付ショックキラー付 注7 | 0.46 | 0.59 | 1.15 | 1.71 | 2.33 | 2.78 | ||
| ショックキラーストローク mm | 3.5 | 3.5 | 5 | 5 | 5.5 | 6.5 | ||
| 給油 | 不要(給油時はタービン油ISOVG32を使用) | |||||||
| 内部容積 注3 cm3 | 90° | 1.3 | 3.5 | 7.0 | 10.5 | 18.1 | 28.3 | |
| 180° | 3.4 | 6.6 | 13.4 | 20.0 | 34.4 | 53.7 | ||
| 揺動角度調整範囲 注4 | 基本形・高精度形 | 90° | 0°~100° | |||||
| 180° | 90°~190° | |||||||
| 外付ショックキラー付 | 90° | 90°±6゜ | ||||||
| 180° | 180°±6゜ | |||||||
| 揺動時間調節範囲 注5 注8 s/90° | 0.2~1.5 | |||||||
| テーブル振れ精度(参考値) 注6 | 基本形 | ±0.17゜ | ±0.23゜ | ±0.26゜ | ±0.32゜ | |||
| 高精度形 | - | ±0.026゜ | ||||||
注1:理論トルクは、使用圧力0.5MPa時のものです。
注2:基本形・高精度に内蔵されているゴムクッションを押し切るためには、使用圧力0.3MPa以上にする必要があります。
注3:内部容積は、揺動角度調整範囲の最大揺動角度時のものです。
注4:揺動角度調整範囲は、両側のストッパボルト(ショックキラー)で調整した場合のものです。
注5:揺動時間調節範囲は、使用圧力0.5MPa時のものです。
注6:技術資料(デジタルカタログ1285ページ)に、回転中心から100mm離れた点におけるテーブルの変位量を示します。
注7:表の値は最大揺動速度時の吸収エネルギーです。吸収エネルギーの値は揺動速度により変化するため、
デジタルカタログ1282ページ「吸収エネルギーと揺動時間」のグラフを参照してください。
注8:ショックキラー付のタイプについては、ショックキラーの先端(ロッド先端)へ衝突するまでの時間です。(ショックキラーのストローク端までの揺動時間ではありません。)
GRC(基本形)/GRC-K(高精度形)

GRC-□-A(外付ショックキラー付)

注:図は90°仕様です。180°仕様も材質等は同じです。
GRC(基本形)/GRC-K(高精度形)
| 品番 | 部品名称 | 材質 | 備考 | 品番 | 部品名称 | 材質 | 備考 |
|---|---|---|---|---|---|---|---|
| 1 | 六角穴付ボルト | ステンレス鋼 | - | 14 | 鋼球 | ステンレス鋼 | - |
| 2 | テーブル | アルミニウム合金 | アルマイト | 15 | シリンダガスケット | ニトリルゴム | - |
| 3 | ベアリングカバー | アルミニウム合金 (高精度形はステンレス鋼) | アルマイト | 16 | ピストンパッキン | ニトリルゴム | - |
| 4 | ボールベアリング(1) | 合金鋼 | - | 17 | ウエアリング | アセタール樹脂 | - |
| 5 | シャフト | 合金鋼 | - | 18 | 磁石 | プラスチック (5.10は特殊合金) | - |
| 6 | シリンダ本体 | アルミニウム合金 | 硬質アルマイト | 19 | ピストン | ステンレス鋼 | - |
| 7 | ボールベアリング(2) | 合金鋼 | - | 20 | クッションゴム | ウレタンゴム | - |
| 8 | 六角穴付ボルト | ステンレス鋼 | - | 21 | シールワッシャ | 鋼. ニトリルゴム | 亜鉛メッキ |
| 9 | ヘッドカバー(1) | アルミニウム合金 | アルマイト | 22 | 六角ナット | 鋼 | ニッケルメッキ |
| 10 | ガスケット | ニトリルゴム | - | 23 | ストッパボルト | 合金鋼 | ニッケルメッキ |
| 11 | 六角穴付ボルト | ステンレス鋼 | - | 24 | 平座金 | ステンレス鋼 | - |
| 12 | ヘッドカバー(2) | アルミニウム合金 | アルマイト | 25 | クロスローラベアリング | 合金鋼 | - |
| 13 | 六角穴付止めねじ | ステンレス鋼 | - | - | - | - | - |
GRC-□-A(外付ショックキラー付)
| 品番 | 部品名称 | 材質 | 備考 | 品番 | 部品名称 | 材質 | 備考 |
|---|---|---|---|---|---|---|---|
| 1 | 六角穴付ボルト | ステンレス鋼 | - | 6 | 六角穴付ボルト | ステンレス鋼 | - |
| 2 | レバー | 炭素鋼または合金鋼 | ニッケルリンメッキ | 7 | 六角ボルト | ステンレス鋼 | - |
| 3 | コネクタ | 鋼 | ニッケルメッキ | 8 | ストッパ | ステンレス鋼 | - |
| 4 | プレート | アルミニウム合金 | アルマイト | 9 | ショックキラー | - | - |
| 5 | 六角穴付ボルト | ステンレス鋼 | - | 10 | 六角ナット | 鋼 | ニッケルメッキ |


※上記以外の型番についての情報はデジタルカタログをご参照ください。
| 型番 |
|---|
通常単価(税別)
(税込単価) | 通常出荷日 |
|---|
40,556円 ( 44,612円 ) | 17日目 |
30,829円 ( 33,912円 ) | 17日目 |
- ( - ) | 11日目 |
- ( - ) | 11日目 |
- ( - ) | 11日目 |
- ( - ) | 11日目 |
- ( - ) | 11日目 |
- ( - ) | 11日目 |
- ( - ) | 11日目 |
- ( - ) | 11日目 |
- ( - ) | 11日目 |
- ( - ) | 11日目 |
- ( - ) | 11日目 |
- ( - ) | 11日目 |
- ( - ) | 11日目 |
- ( - ) | 11日目 |
- ( - ) | 11日目 |
- ( - ) | 11日目 |
- ( - ) | 11日目 |
- ( - ) | 11日目 |
- ( - ) | 11日目 |
- ( - ) | 11日目 |
- ( - ) | 11日目 |
- ( - ) | 11日目 |
- ( - ) | 11日目 |
- ( - ) | 11日目 |
54,155円 ( 59,571円 ) | 17日目 |
- ( - ) | 11日目 |
- ( - ) | 11日目 |
- ( - ) | 11日目 |
- ( - ) | 11日目 |
- ( - ) | 11日目 |
- ( - ) | 11日目 |
- ( - ) | 11日目 |
- ( - ) | 11日目 |
- ( - ) | 11日目 |
- ( - ) | 11日目 |
- ( - ) | 11日目 |
- ( - ) | 11日目 |
- ( - ) | 11日目 |
- ( - ) | 11日目 |
- ( - ) | 11日目 |
- ( - ) | 11日目 |
- ( - ) | 11日目 |
- ( - ) | 11日目 |
- ( - ) | 11日目 |
- ( - ) | 11日目 |
- ( - ) | 11日目 |
- ( - ) | 11日目 |
- ( - ) | 11日目 |
- ( - ) | 11日目 |
44,204円 ( 48,624円 ) | 8日目 |
- ( - ) | 11日目 |
- ( - ) | 11日目 |
- ( - ) | 11日目 |
- ( - ) | 11日目 |
- ( - ) | 11日目 |
- ( - ) | 11日目 |
- ( - ) | 11日目 |
- ( - ) | 11日目 |
ベアリングガイドにより、高負荷の直接取付と高い位置精度を実現したラック・ピニオンタイプのテーブル形ロータリアクチュエータです。
通常価格、通常出荷日が表示と異なる場合がございます
通常価格、通常出荷日が表示と異なる場合がございます

SMC
ロータリアクチュエータ ベーンタイプ CRB2シリーズ
5通常価格(税別):9,685円~

SMC
ロータリテーブル ラックピニオンタイプ MSQシリーズ サイズ:10~200
4通常価格(税別):1,280円~

SMC
ロータリテーブル ベーンタイプ 基本形 MSUBシリーズ
5通常価格(税別):25,692円~

コガネイ
ロータリアクチュエータ ピストンタイプ RAPシリーズ
4.5通常価格(税別):10,710円~

SMC
ロータリテーブル ラックピニオンタイプ MSQシリーズ サイズ:1・2・3・7
4通常価格(税別):23,484円~

SMC
ロータリアクチュエータ ラックピニオンタイプ CRA1シリーズ
0通常価格(税別):21,960円~

ミスミ
フローティングジョイント -スタンダ-ドめねじタイプ-
4.3通常価格(税別):580円~

ミスミ
フローティングジョイント フランジ取付型
4.9通常価格(税別):530円~

ミスミ
ホルダ -サイドマウントフランジタイプ-
4.8通常価格(税別):890円~