17時までのご注文で最短当日出荷可能 当日出荷対象商品135万点拡大中!

エレクトロニクス部品技術窓口

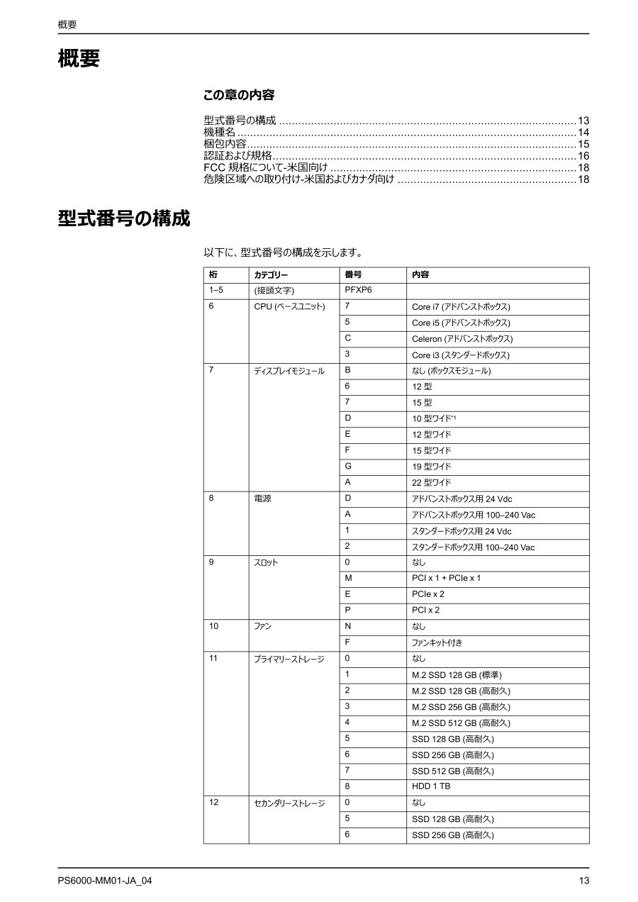
産業用コンピューター PS6000シリーズ

※写真はイメージになり、ご選定の型番によって内容や形状が異なる場合がございます。

産業用コンピューター PS6000シリーズ

販売終了

型番

PFXP6CBA0N104NCN00

2026年02月に販売終了となりました。

推奨代替品はございません。

製造現場に求められる耐環境性やメンテナンス性を備えた、産業用コンピューターです。

指定中の仕様・寸法情報

OS
Windows 10 IoT 64bit 多言語版
CPUタイプ
Intel(R) Celeron(R)
メモリ容量
4GB
PCタイプ
小型組み込み
ストレージ
SSD
電源
300W未満
光学ドライブ
LANポート数
2
LANタイプ
代表規格
CE / UL / CSA(cUL)
寸法 高さ(mm)
65
寸法 幅(mm)
290

技術サポート窓口

エレクトロニクス部品技術窓口

商品の仕様・技術のお問い合わせ

Webお問い合わせフォーム

営業時間:9:00~18:00(土曜日・日曜日・祝日は除く)

※お問い合わせフォームは24時間受付しております。

見積もり・発注後 最短当日出荷 新規会員登録で2D・3D CADデータを無料でダウンロード

比較リスト