メカニカル部品技術窓口
ミスミ品のみ対象





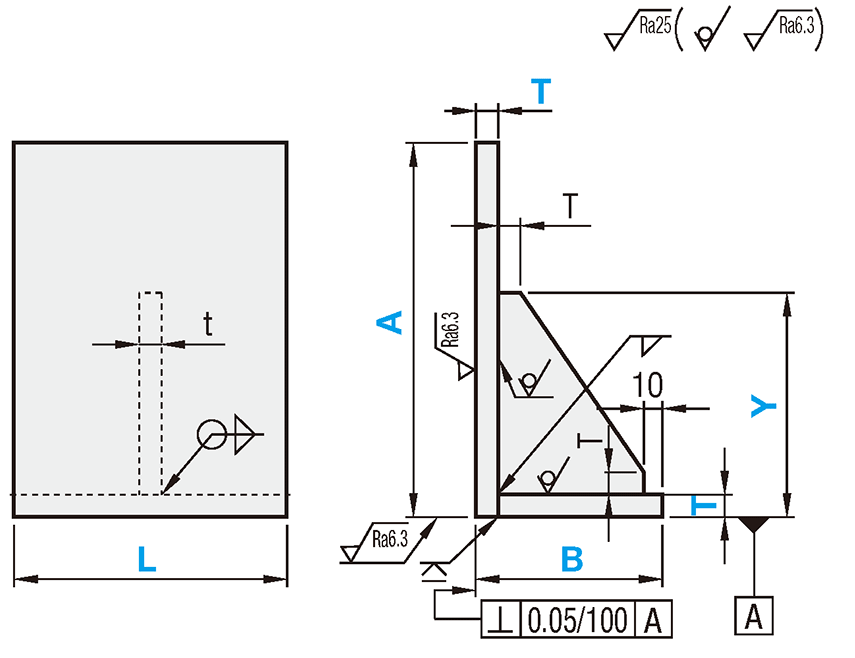
![]() | [ ! ]T寸法公差 A・B・L寸法100mmに対する各面のT寸法公差
[ ! ]リブの板厚は下表になります。
)t(10)はA5052のときの板厚です。 | ||||||||||||||||
| [ ! ]穴ピッチ寸法公差はJISB0405m級に準じる。 | [ ! ]指示なき面取りはC0.2~C0.5 |
| 取付タイプ(正面加工) | シリンダ取付タイプ(正面加工) | モータ取付タイプ(正面加工) | ||
| 正面形状B | 正面形状C | 正面形状M | ||
![]() | ![]() | ![]() | ||
| 底面2穴(シングルリブタイプ) | 底面4穴(シングルリブタイプ) | 底面長穴(シングルリブタイプ) | ||
| 底面面形状D | 底面面形状F | 底面面形状N | ||
![]() | ![]() | ![]() |
溶接ビード![]() |
|
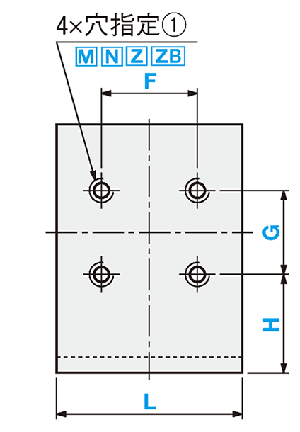
| 穴種 | タップ穴 | ボルト通し穴 | ザグリ穴 | ザグリ穴(裏) | |||||||||||||||||||||||||||||||||||
| Code | M・MA | N・NA | Z | ZB・ZBA | |||||||||||||||||||||||||||||||||||
| 形状図 | ![]() | ![]() | ![]() | ![]() | |||||||||||||||||||||||||||||||||||
| 加工 仕様 | タップ有効長 最大M・MA×2 |
| |||||||||||||||||||||||||||||||||||||
| [ ! ]穴加工無しのブランクタイプで、材質記号【ABW】【ABB】を指定した場合、右記のような 【メッキ処理用ワイヤー跡】、及び該当部分に【メッキの色ムラ】が発生する場合があります。 [ ! ]穴加工無しのブランクタイプで、材質記号【SBM】を指定した場合、右記のような 【メッキ処理用吊り下げ穴】がつく場合があります。 | ![]() *部分付近にφ3穴が空く場合があります。 |
| 型式 | [ M ]材質 | [ S ]表面処理 | 洗浄方法 | |||||||
| Type | 材質記号 | |||||||||
| ブランクタイプ | 底面2穴タイプ | 底面4穴タイプ | 底面長穴タイプ | 洗浄方法 | 洗浄環境 | 梱包形態 | 梱包環境 | |||
| シングルリブ | シングルリブ | シングルリブ | シングルリブ | |||||||
| SL-WAS | SL-WASBD | SL-WASBF | SL-WASBN | SUB | SUS304 | - | 脱脂洗浄 | 一般環境 | 防錆梱包 | 一般環境 |
| SH-WAS | SH-WASBD | SH-WASBF | SH-WASBN | 精密洗浄 | クラス1000 | 脱気2重梱包 | クラス10 | |||
| SHD-WAS | SHD-WASBD | SHD-WASBF | SHD-WASBN | 電解研磨+精密洗浄 | ||||||
| - | SL-WASCD | SL-WASCF | SL-WASCN | 脱脂洗浄 | 一般環境 | 防錆梱包 | 一般環境 | |||
| - | SH-WASCD | SH-WASCF | SH-WASCN | 精密洗浄 | クラス1000 | 脱気2重梱包 | クラス10 | |||
| - | SHD-WASCD | SHD-WASCF | SHD-WASCN | 電解研磨+精密洗浄 | ||||||
| - | SL-WASMD | SL-WASMF | SL-WASMN | 脱脂洗浄 | 一般環境 | 防錆梱包 | 一般環境 | |||
| - | SH-WASMD | SH-WASMF | SH-WASMN | 精密洗浄 | クラス1000 | 脱気2重梱包 | クラス10 | |||
| - | SHD-WASMD | SHD-WASMF | SHD-WASMN | 電解研磨+精密洗浄 | ||||||
| SL-WAS | SL-WASBD | SL-WASBF | SL-WASBN | AB | A5052 | - | 脱脂洗浄 | 一般環境 | 防錆梱包 | 一般環境 |
| SH-WAS | SH-WASBD | SH-WASBF | SH-WASBN | 精密洗浄 | クラス1000 | 脱気2重梱包 | クラス10 | |||
| SHD-WAS | SHD-WASBD | SHD-WASBF | SHD-WASBN | 電解研磨+精密洗浄 | ||||||
| - | SL-WASCD | SL-WASCF | SL-WASCN | 脱脂洗浄 | 一般環境 | 防錆梱包 | 一般環境 | |||
| - | SH-WASCD | SH-WASCF | SH-WASCN | 精密洗浄 | クラス1000 | 脱気2重梱包 | クラス10 | |||
| - | SHD-WASCD | SHD-WASCF | SHD-WASCN | 電解研磨+精密洗浄 | ||||||
| - | SL-WASMD | SL-WASMF | SL-WASMN | 脱脂洗浄 | 一般環境 | 防錆梱包 | 一般環境 | |||
| - | SH-WASMD | SH-WASMF | SH-WASMN | 精密洗浄 | クラス1000 | 脱気2重梱包 | クラス10 | |||
| - | SHD-WASMD | SHD-WASMF | SHD-WASMN | 電解研磨+精密洗浄 | ||||||
| SL-WAS | SL-WASBD | SL-WASBF | SL-WASBN | ABW | アルマイト処理(白) | 脱脂洗浄 | 一般環境 | 防錆梱包 | 一般環境 | |
| SH-WAS | SH-WASBD | SH-WASBF | SH-WASBN | 精密洗浄 | クラス1000 | 脱気2重梱包 | クラス10 | |||
| - | SL-WASCD | SL-WASCF | SL-WASCN | 脱脂洗浄 | 一般環境 | 防錆梱包 | 一般環境 | |||
| - | SH-WASCD | SH-WASCF | SH-WASCN | 精密洗浄 | クラス1000 | 脱気2重梱包 | クラス10 | |||
| - | SL-WASMD | SL-WASMF | SL-WASMN | 脱脂洗浄 | 一般環境 | 防錆梱包 | 一般環境 | |||
| - | SH-WASMD | SH-WASMF | SH-WASMN | 精密洗浄 | クラス1000 | 脱気2重梱包 | クラス10 | |||
| SL-WAS | SL-WASBD | SL-WASBF | SL-WASBN | ABB | アルマイト処理(黒) | 脱脂洗浄 | 一般環境 | 防錆梱包 | 一般環境 | |
| SH-WAS | SH-WASBD | SH-WASBF | SH-WASBN | 精密洗浄 | クラス1000 | 脱気2重梱包 | クラス10 | |||
| - | SL-WASCD | SL-WASCF | SL-WASCN | 脱脂洗浄 | 一般環境 | 防錆梱包 | 一般環境 | |||
| - | SH-WASCD | SH-WASCF | SH-WASCN | 精密洗浄 | クラス1000 | 脱気2重梱包 | クラス10 | |||
| - | SL-WASMD | SL-WASMF | SL-WASMN | 脱脂洗浄 | 一般環境 | 防錆梱包 | 一般環境 | |||
| - | SH-WASMD | SH-WASMF | SH-WASMN | 精密洗浄 | クラス1000 | 脱気2重梱包 | クラス10 | |||
| SL-WAS | SL-WASBD | SL-WASBF | SL-WASBN | SBM | SS400 | 無電解ニッケルメッキ | 脱脂洗浄 | 一般環境 | 防錆梱包 | 一般環境 |
| SH-WAS | SH-WASBD | SH-WASBF | SH-WASBN | 精密洗浄 | クラス1000 | 脱気2重梱包 | クラス10 | |||
| - | SL-WASCD | SL-WASCF | SL-WASCN | 脱脂洗浄 | 一般環境 | 防錆梱包 | 一般環境 | |||
| - | SH-WASCD | SH-WASCF | SH-WASCN | 精密洗浄 | クラス1000 | 脱気2重梱包 | クラス10 | |||
| - | SL-WASMD | SL-WASMF | SL-WASMN | 脱脂洗浄 | 一般環境 | 防錆梱包 | 一般環境 | |||
| - | SH-WASMD | SH-WASMF | SH-WASMN | 精密洗浄 | クラス1000 | 脱気2重梱包 | クラス10 | |||
| 型式 | - | T | - | A | - | B | - | L | - | Y | - | H | - | F | - | G | - | E | - | Q | - | D | - | 穴指定① Code・呼び径 | - | V | - | S | - | W | - | 穴指定② Code・呼び径 | - | K | ||||||
| Type | 正面形状 | 底面形状 | - | 材質記号 | ||||||||||||||||||||||||||||||||||||
| SL-WAS | B | D | - | SUB | - | T10 | - | A150 | - | B60 | - | L80 | - | Y120 | - | H50 | - | F50 | - | G50 | - | N6 | - | V60 | - | S20 | - | NA6 | ||||||||||||
| 材質 | T公差 |
| SUS304 | ±0.65/100 |
| A5052 | ±0.5/100 |
| SS400 |
| T | 8・10 | 14・17 | 20 |
| t | 6 | 9 | 12 |
)t(10)はA5052のときの板厚です。| 型式 | T選択 | 外形寸法 指定1mm単位 | H | F | G | E | Q | D | 穴指定① | V | S | W | 穴指定② | K | ||||||||
| Type | 正面形状 | 底面形状 | 材質記号 | A | B | L | Y | Code | 呼び径 | Code | 呼び径 | |||||||||||
| シングルリブ SL-WAS SH-WAS SHD-WAS | 取付タイプ B シリンダ取付タイプ C モータ取付タイプ M | シングルリブ D (2穴取付タイプ) F (4穴取付タイプ) N (長穴取付タイプ) | SUB AB ABW ABB SBM | 50~300 | 40~150 | 40~200 | 指定 0.1mm 単位 | 0 | 指定 0.1mm 単位 | 0 | ||||||||||||
| (8) | M | (穴なし) | MA | (穴なし) | ||||||||||||||||||
| 10 | 30~290 | N | 3 | NA | 3 | |||||||||||||||||
| 14 | [ ! ]Y>T×2 | 3~30 | [ ! ] | 4 | [ ! ] | 4 | 指定 | |||||||||||||||
| 17 | [ ! ]A>150 | (0.5mm単位) | Z | 5 | ZBA | 5 | 0.1mm | |||||||||||||||
| 20 | のとき | 31~100 | [ ! ] | 6 | [ ! ] | 6 | 単位 | |||||||||||||||
| [ ! ](8)は | Y≧A/2 | (1mm単位) | ZB | 8 | 8 | [ ! ]K≦NA×5 | ||||||||||||||||
| 材質SS400 | [ ! ] | 10 | 10 | |||||||||||||||||||
| のみ適用 | 12 | 12 | ||||||||||||||||||||
| 16 | ||||||||||||||||||||||
| 型式 | - | T | - | A | - | B | - | L | - | Y | - | H | - | F | - | G | - | E | - | Q | - | D | - | 穴指定① Code・ 呼び径 | - | V | - | S | - | W | - | 穴指定② Code・ 呼び径 | - | K | - | (CC・RBC RC・HDC FC) | ||||||
| Type | 正面 形状 | 底面 形状 | - | 材質 記号 | ||||||||||||||||||||||||||||||||||||||
| SL-WAS | B | D | - | SUB | - | T10 | - | A150 | - | B60 | - | L80 | - | Y120 | - | H50 | - | F50 | - | G50 | - | N6 | - | V60 | - | S20 | - | NA6 | - | CC10 | ||||||||||||
| Alterations | コーナーカット変更 | リブ位置変更 | 底面長穴角度変更 | D穴位置変更 | D穴公差変更 | 裏面フライス追加工 | ||||||||||||||||
![]() | シングルリブ ![]() | ![]() | ![]() | ![]() | ![]() | |||||||||||||||||
| Code | CC | RBC | RC | HDC | DC | FC | ||||||||||||||||
| Spec. | CC=指定1mm単位 [ ! ]3≦CC≦30 指定方法 CCを型式末尾に追加 (例)~-CC10 | RBC=指定1mm単位 [ ! ]2≦RBC≦L-2 (シングルリブタイプ) 指定方法 RBCを型式末尾に追加 (例)~-RBC5 | NA長穴を長穴中心に90°回 転させます。 指定方法 RCを型式末尾に追加 (例)~-RC | E寸の指定寸法を 180°回 転させます。 指定方法 HDCを型式末尾に追加 (例)~-HDC | D穴を精度穴(H7)に 変更し ます。 DC=指定1mm単位 [ ! ]3≦DC≦100 指定方法 寸法DをDCに置き換えて指定 (例)~-DC20 | 裏面をフライスで切削加工します。 [ ! ]加工はリブより10mm離します。 指定方法 FCを型式末尾に追加 (例)~-FC | ||||||||||||||||
| ¥/1Code |
| 無料 | 無料 | 無料 |
| 2,000 |
洗浄工程| ※材質がステンレスの場合、アルカリ系温水洗浄となることがあります。 | |
| ・脱脂洗浄(型式:SL-□□) | ※表面処理が低温黒色クロムメッキの場合、IPA洗浄となります。 |
作業環境:一般環境 | ||||||
|---|---|---|---|---|---|---|
![]() 炭化水素系洗浄※ Ro水洗浄 中性洗剤洗浄 | ![]() | ![]() 高圧ジェット水洗(Ro水) 後に純水(10MΩ・cm)で 洗浄 | ![]() | ![]() エアブロー(オイルフリー) 使用 | ![]() | ![]() 防錆袋使用 |
| ・精密洗浄(型式:SH-□□) | ※表面処理が低温黒色クロムメッキの場合、IPA洗浄となります。 |
作業環境:クラス1000 | 作業環境:クラス10 | |||||||
|---|---|---|---|---|---|---|---|---|
![]() 炭化水素系洗浄※ Ro水洗浄 中性洗剤洗浄 | ![]() | ![]() 高圧ジェット水洗(Ro水) 後に純水(10MΩ・cm)で 洗浄 | ![]() | ![]() 温純水(13MΩ・cm)使用 | ![]() | ![]() 窒素ブロー使用 | ![]() | ![]() クリーンベンチ(クラス10) で実施 |
作業環境:クラス1000 | 作業環境:クラス10 | |||||||||
|---|---|---|---|---|---|---|---|---|---|---|
![]() 炭化水素系洗浄 Ro水洗浄 中性洗剤洗浄 | ![]() | ![]() 材質に応じた電解研磨槽 で電解研磨 | ![]() | ![]() 高圧ジェット水洗(Ro水) 後に純水(10MΩ・cm)で 洗浄 | ![]() | ![]() 温純水(13MΩ・cm)使用 | ![]() | ![]() 窒素ブロー使用 | ![]() | ![]() クリーンベンチ(クラス10) で実施 |
梱包例| 脱脂洗浄の場合 (TYPE型番:SL-□□) | 精密洗浄または電解研磨+精密洗浄の場合 | |
| (TYPE型番:SH-□□・SHD-□□) | ||
| オーステナイト系ステンレス・アルミ材質の場合 | 鉄・マルテンサイト系ステンレス材質の場合 | |
![]() | ![]() | ![]() |
| 一部商品・サイズによっては、 梱包形態が異なる場合がございます。 | [ ! ]1重目・2重目の梱包とも、脱気されております。 | [ ! ]防錆対策として乾燥剤を同封しております。 1梱包につき1つになります。 |
洗浄効果・利用推奨環境洗浄方法 | 商品型番 | 梱包形態 | 未洗浄品と比べた効果 | ご利用環境(目安) | 利用シーン・工程 |
|---|---|---|---|---|---|
| 脱脂洗浄 | SL-□□ | 防錆梱包 | 油分除去 | 一般環境 | 通常組立工程 |
| バッテリー組立後工程 | |||||
| 精密洗浄 | SH-□□ | 脱気2重梱包 | 油分除去 粉塵除去 | クリーン環境(クラス10~1,000) | バッテリー組立工程 |
| 液晶関連組立後工程 | |||||
| 車載カメラ組立工程 | |||||
| 電解研磨+精密洗浄 | SHD-□□ | 脱気2重梱包 | 油分除去 粉塵除去 アウトガス低減 | 真空環境 クリーン環境(クラス10~1,000) | 半導体前工程 |
| 液晶成膜工程 | |||||
| 有機EL前工程 |
| 型番 |
|---|
通常単価(税別)
(税込単価) | 通常出荷日 |
|---|
- ( - ) | 8日目 |
- ( - ) | 8日目 |
- ( - ) | 8日目 |
- ( - ) | 8日目 |
- ( - ) | 11日目 |
- ( - ) | 11日目 |
- ( - ) | 11日目 |
- ( - ) | 11日目 |
- ( - ) | 11日目 |
- ( - ) | 11日目 |
- ( - ) | 11日目 |
- ( - ) | 11日目 |
- ( - ) | 11日目 |
- ( - ) | 11日目 |
- ( - ) | 11日目 |
- ( - ) | 11日目 |
- ( - ) | 11日目 |
- ( - ) | 8日目 |
- ( - ) | 8日目 |
- ( - ) | 8日目 |
- ( - ) | 8日目 |
- ( - ) | 8日目 |
- ( - ) | 8日目 |
- ( - ) | 8日目 |
- ( - ) | 8日目 |
- ( - ) | 8日目 |
- ( - ) | 8日目 |
- ( - ) | 8日目 |
- ( - ) | 8日目 |
- ( - ) | 8日目 |
- ( - ) | 8日目 |
- ( - ) | 8日目 |
- ( - ) | 8日目 |
- ( - ) | 8日目 |
- ( - ) | 8日目 |
- ( - ) | 8日目 |
- ( - ) | 8日目 |
- ( - ) | 8日目 |
- ( - ) | 8日目 |
- ( - ) | 8日目 |
- ( - ) | 8日目 |
- ( - ) | 8日目 |
- ( - ) | 8日目 |
- ( - ) | 8日目 |
- ( - ) | 8日目 |
- ( - ) | 8日目 |
- ( - ) | 8日目 |
- ( - ) | 8日目 |
- ( - ) | 8日目 |
- ( - ) | 8日目 |
- ( - ) | 8日目 |
- ( - ) | 8日目 |
- ( - ) | 8日目 |
- ( - ) | 8日目 |
- ( - ) | 8日目 |
- ( - ) | 8日目 |
- ( - ) | 8日目 |
- ( - ) | 8日目 |
- ( - ) | 8日目 |
- ( - ) | 8日目 |
| ・脱脂洗浄(防錆1重梱包) | :型番SL-□□ |
| ・精密洗浄(脱気2重梱包) | :型番SH-□□ |
| ・電解研磨+精密洗浄(脱気2重梱包) | :型番SHD-□□ |
| 商品型番 | 洗浄方法 | 梱包形態 | 未洗浄品と比べた効果 | ご利用環境(目安) | 工程別 |
| SL-□□ | 脱脂洗浄 | 防錆梱包 | 油分除去 | 一般環境 | 通常組立工程 |
| バッテリー組立後工程 | |||||
| SH-□□ | 精密洗浄 | 脱気2重梱包 | 油分除去 粉塵除去 | クリーン環境(クラス10~1,000) | バッテリー組立工程 |
| 液晶関連組立後工程 | |||||
| 車載カメラ組立工程 | |||||
| SHD-□□ | 電解研磨+精密洗浄 | 脱気2重梱包 | 油分除去 粉塵除去 アウトガス低減 | 真空環境 クリーン環境(クラス10~1,000) | 半導体前工程 |
| 液晶成膜工程 | |||||
| 有機EL前工程 |
| Type | A | B | L | ¥基準単価 | ||||||||||||||
| SUB | AB | ABW | ABB | SBM | ||||||||||||||
| (SUS304) | (A5052 表面処理なし) | (A5052 アルマイト処理(白)) | (A5052 アルマイト処理(黒)) | (SS400 無電解ニッケルメッキ) | ||||||||||||||
| T=10 | T=14・17 | T=20 | T=10 | T=14・17 | T=20 | T=10 | T=14・17 | T=20 | T=10 | T=14・17 | T=20 | T=8・10 | T=14・17 | T=20 | ||||
| SL-WAS | 50 ~ 100 | 40 ~ 100 | 40~100 | 25,990 | 27,380 | 30,190 | 21,150 | 22,070 | 23,890 | 22,130 | 23,060 | 24,880 | 22,440 | 23,360 | 25,190 | 20,680 | 21,510 | 23,160 |
| 101~150 | 28,070 | 29,680 | 32,890 | 22,360 | 23,380 | 25,450 | 23,850 | 24,880 | 26,950 | 24,300 | 25,320 | 27,390 | 22,000 | 22,930 | 24,800 | |||
| 151~200 | 30,310 | 32,150 | 35,810 | 23,590 | 24,740 | 27,060 | 25,580 | 26,730 | 29,060 | 26,120 | 27,270 | 29,600 | 23,320 | 24,370 | 26,450 | |||
| 101 ~ 150 | 40~100 | 28,760 | 30,430 | 33,780 | 22,660 | 23,730 | 25,860 | 23,650 | 24,720 | 26,850 | 23,960 | 25,030 | 27,160 | 22,150 | 23,120 | 25,040 | ||
| 101~150 | 31,330 | 33,270 | 37,130 | 24,140 | 25,350 | 27,770 | 25,930 | 27,140 | 29,560 | 26,420 | 27,620 | 30,050 | 23,770 | 24,860 | 27,040 | |||
| 151~200 | 33,910 | 36,090 | 40,480 | 25,540 | 26,880 | 29,590 | 27,930 | 29,280 | 31,980 | 28,580 | 29,920 | 32,630 | 25,290 | 26,500 | 28,950 | |||
| 101 ~ 150 | 40 ~ 100 | 40~100 | 28,820 | 30,510 | 33,870 | 23,170 | 24,290 | 26,520 | 24,160 | 25,270 | 27,510 | 24,470 | 25,580 | 27,820 | 22,900 | 23,900 | 25,930 | |
| 101~150 | 31,280 | 33,210 | 37,070 | 24,060 | 25,270 | 27,670 | 25,560 | 26,770 | 29,160 | 26,000 | 27,210 | 29,610 | 24,430 | 25,560 | 27,840 | |||
| 151~200 | 33,910 | 36,090 | 40,480 | 25,500 | 26,860 | 29,550 | 27,500 | 28,850 | 31,550 | 28,040 | 29,390 | 32,090 | 26,020 | 27,300 | 29,820 | |||
| 101 ~ 150 | 40~100 | 32,090 | 34,090 | 38,110 | 24,950 | 26,250 | 28,840 | 26,250 | 27,540 | 30,140 | 26,640 | 27,930 | 30,530 | 24,340 | 25,500 | 27,840 | ||
| 101~150 | 35,120 | 37,420 | 42,050 | 26,200 | 27,620 | 30,470 | 28,000 | 29,420 | 32,260 | 28,480 | 29,900 | 32,740 | 26,230 | 27,540 | 30,190 | |||
| 151~200 | 38,160 | 40,770 | 46,000 | 27,870 | 29,450 | 32,630 | 30,260 | 31,840 | 35,020 | 30,910 | 32,490 | 35,670 | 28,040 | 29,510 | 32,460 | |||
| 151 ~ 200 | 40 ~ 100 | 40~100 | 31,410 | 33,350 | 37,230 | 24,620 | 25,890 | 28,420 | 25,920 | 27,180 | 29,710 | 26,310 | 27,570 | 30,100 | 24,040 | 25,180 | 27,470 | |
| 101~150 | 34,310 | 36,550 | 41,000 | 25,760 | 27,130 | 29,870 | 27,550 | 28,920 | 31,660 | 28,040 | 29,410 | 32,150 | 25,880 | 27,170 | 29,730 | |||
| 151~200 | 37,130 | 39,640 | 44,670 | 27,270 | 28,810 | 31,860 | 29,670 | 31,210 | 34,260 | 30,320 | 31,850 | 34,910 | 27,580 | 29,020 | 31,850 | |||
| 101 ~ 150 | 40~100 | 34,080 | 36,300 | 40,700 | 26,380 | 27,830 | 30,700 | 27,880 | 29,320 | 32,190 | 28,320 | 29,770 | 32,640 | 25,730 | 27,030 | 29,630 | ||
| 101~150 | 37,450 | 40,010 | 45,090 | 27,760 | 29,340 | 32,490 | 29,850 | 31,430 | 34,580 | 30,420 | 32,000 | 35,150 | 27,900 | 29,380 | 32,330 | |||
| 151~200 | 40,410 | 43,250 | 48,930 | 29,420 | 31,150 | 34,650 | 32,200 | 33,940 | 37,440 | 32,970 | 34,710 | 38,200 | 29,800 | 31,420 | 34,670 | |||
| 201 ~ 250 | 40 ~ 100 | 40~100 | 34,790 | 37,070 | 41,630 | 27,600 | 29,160 | 32,290 | 29,100 | 30,660 | 33,780 | 29,540 | 31,100 | 34,230 | 26,830 | 28,250 | 31,050 | |
| 101~150 | 38,050 | 40,670 | 45,870 | 28,700 | 30,380 | 33,710 | 30,780 | 32,470 | 35,800 | 31,360 | 33,040 | 36,370 | 28,950 | 30,530 | 33,690 | |||
| 151~200 | 41,310 | 44,250 | 50,110 | 30,540 | 32,410 | 36,100 | 33,330 | 35,190 | 38,890 | 34,090 | 35,960 | 39,660 | 31,040 | 32,790 | 36,280 | |||
| 101 ~ 150 | 40~100 | 38,850 | 41,540 | 46,910 | 29,890 | 31,680 | 35,270 | 31,680 | 33,480 | 37,060 | 32,170 | 33,960 | 37,550 | 29,000 | 30,620 | 33,850 | ||
| 101~150 | 42,840 | 45,910 | 52,080 | 31,450 | 33,390 | 37,290 | 33,850 | 35,790 | 39,690 | 34,490 | 36,430 | 40,330 | 31,570 | 33,380 | 37,040 | |||
| 151~200 | 46,600 | 50,060 | 56,990 | 33,580 | 35,740 | 40,050 | 36,760 | 38,920 | 43,230 | 37,630 | 39,790 | 44,100 | 33,930 | 35,950 | 39,980 | |||
| 251 ~ 300 | 40 ~ 100 | 40~100 | 37,990 | 40,590 | 45,790 | 29,500 | 31,240 | 34,740 | 31,290 | 33,030 | 36,530 | 31,780 | 33,520 | 37,020 | 28,640 | 30,220 | 33,370 | |
| 101~150 | 41,820 | 44,800 | 50,750 | 30,870 | 32,750 | 36,520 | 33,260 | 35,150 | 38,910 | 33,910 | 35,800 | 39,560 | 31,140 | 32,910 | 36,490 | |||
| 151~200 | 45,460 | 48,810 | 55,500 | 32,920 | 35,010 | 39,190 | 36,100 | 38,190 | 42,370 | 36,970 | 39,060 | 43,240 | 33,440 | 35,400 | 39,340 | |||
| 101 ~ 150 | 40~100 | 42,530 | 45,580 | 51,690 | 32,070 | 34,070 | 38,080 | 34,140 | 36,150 | 40,150 | 34,770 | 36,770 | 40,780 | 31,060 | 32,870 | 36,500 | ||
| 101~150 | 47,160 | 50,680 | 57,710 | 33,950 | 36,130 | 40,520 | 36,630 | 38,810 | 43,210 | 37,370 | 39,540 | 43,940 | 34,020 | 36,070 | 40,170 | |||
| 151~200 | 51,320 | 55,240 | 63,100 | 36,280 | 38,710 | 43,570 | 39,870 | 42,290 | 47,150 | 40,850 | 43,280 | 48,140 | 36,630 | 38,900 | 43,430 | |||
| SH-WAS | 50 ~ 100 | 40 ~ 100 | 40~100 | 31,990 | 33,380 | 36,190 | 27,150 | 28,070 | 29,890 | 28,130 | 29,060 | 30,880 | 28,440 | 29,360 | 31,190 | 23,080 | 23,910 | 25,560 |
| 101~150 | 34,070 | 35,680 | 38,890 | 28,360 | 29,380 | 31,450 | 29,850 | 30,880 | 32,950 | 30,300 | 31,320 | 33,390 | 24,400 | 25,330 | 27,200 | |||
| 151~200 | 36,310 | 38,150 | 41,810 | 29,590 | 30,740 | 33,060 | 31,580 | 32,730 | 35,060 | 32,120 | 33,270 | 35,600 | 25,720 | 26,770 | 28,850 | |||
| 101 ~ 150 | 40~100 | 34,760 | 36,430 | 39,780 | 28,660 | 29,730 | 31,860 | 29,650 | 30,720 | 32,850 | 29,960 | 31,030 | 33,160 | 24,550 | 25,520 | 27,440 | ||
| 101~150 | 37,330 | 39,270 | 43,130 | 30,140 | 31,350 | 33,770 | 31,930 | 33,140 | 35,560 | 32,420 | 33,620 | 36,050 | 26,170 | 27,260 | 29,440 | |||
| 151~200 | 39,910 | 42,090 | 46,480 | 31,540 | 32,880 | 35,590 | 33,930 | 35,280 | 37,980 | 34,580 | 35,920 | 38,630 | 27,690 | 28,900 | 31,350 | |||
| 101 ~ 150 | 40 ~ 100 | 40~100 | 34,820 | 36,510 | 39,870 | 29,170 | 30,290 | 32,520 | 30,160 | 31,270 | 33,510 | 30,470 | 31,580 | 33,820 | 25,300 | 26,300 | 28,330 | |
| 101~150 | 37,280 | 39,210 | 43,070 | 30,060 | 31,270 | 33,670 | 31,560 | 32,770 | 35,160 | 32,000 | 33,210 | 35,610 | 26,830 | 27,960 | 30,240 | |||
| 151~200 | 39,910 | 42,090 | 46,480 | 31,500 | 32,860 | 35,550 | 33,500 | 34,850 | 37,550 | 34,040 | 35,390 | 38,090 | 28,420 | 29,700 | 32,220 | |||
| 101 ~ 150 | 40~100 | 38,090 | 40,090 | 44,110 | 30,950 | 32,250 | 34,840 | 32,250 | 33,540 | 36,140 | 32,640 | 33,930 | 36,530 | 26,740 | 27,900 | 30,240 | ||
| 101~150 | 41,120 | 43,420 | 48,050 | 32,200 | 33,620 | 36,470 | 34,000 | 35,420 | 38,260 | 34,480 | 35,900 | 38,740 | 28,630 | 29,940 | 32,590 | |||
| 151~200 | 44,160 | 46,770 | 52,000 | 33,870 | 35,450 | 38,630 | 36,260 | 37,840 | 41,020 | 36,910 | 38,490 | 41,670 | 30,440 | 31,910 | 34,860 | |||
| 151 ~ 200 | 40 ~ 100 | 40~100 | 37,410 | 39,350 | 43,230 | 30,620 | 31,890 | 34,420 | 31,920 | 33,180 | 35,710 | 32,310 | 33,570 | 36,100 | 26,440 | 27,580 | 29,870 | |
| 101~150 | 40,310 | 42,550 | 47,000 | 31,760 | 33,130 | 35,870 | 33,550 | 34,920 | 37,660 | 34,040 | 35,410 | 38,150 | 28,280 | 29,570 | 32,130 | |||
| 151~200 | 43,130 | 45,640 | 50,670 | 33,270 | 34,810 | 37,860 | 35,670 | 37,210 | 40,260 | 36,320 | 37,850 | 40,910 | 29,980 | 31,420 | 34,250 | |||
| 101 ~ 150 | 40~100 | 40,080 | 42,300 | 46,700 | 32,380 | 33,830 | 36,700 | 33,880 | 35,320 | 38,190 | 34,320 | 35,770 | 38,640 | 28,130 | 29,430 | 32,030 | ||
| 101~150 | 43,450 | 46,010 | 51,090 | 33,760 | 35,340 | 38,490 | 35,850 | 37,430 | 40,580 | 36,420 | 38,000 | 41,150 | 30,300 | 31,780 | 34,730 | |||
| 151~200 | 46,410 | 49,250 | 54,930 | 35,420 | 37,150 | 40,650 | 38,200 | 39,940 | 43,440 | 38,970 | 40,710 | 44,200 | 32,200 | 33,820 | 37,070 | |||
| 201 ~ 250 | 40 ~ 100 | 40~100 | 40,790 | 43,070 | 47,630 | 33,600 | 35,160 | 38,290 | 35,100 | 36,660 | 39,780 | 35,540 | 37,100 | 40,230 | 29,230 | 30,650 | 33,450 | |
| 101~150 | 44,050 | 46,670 | 51,870 | 34,700 | 36,380 | 39,710 | 36,780 | 38,470 | 41,800 | 37,360 | 39,040 | 42,370 | 31,350 | 32,930 | 36,090 | |||
| 151~200 | 47,310 | 50,250 | 56,110 | 36,540 | 38,410 | 42,100 | 39,330 | 41,190 | 44,890 | 40,090 | 41,960 | 45,660 | 33,440 | 35,190 | 38,680 | |||
| 101 ~ 150 | 40~100 | 44,850 | 47,540 | 52,910 | 35,890 | 37,680 | 41,270 | 37,680 | 39,480 | 43,060 | 38,170 | 39,960 | 43,550 | 31,400 | 33,020 | 36,250 | ||
| 101~150 | 48,840 | 51,910 | 58,080 | 37,450 | 39,390 | 43,290 | 39,850 | 41,790 | 45,690 | 40,490 | 42,430 | 46,330 | 33,970 | 35,780 | 39,440 | |||
| 151~200 | 52,600 | 56,060 | 62,990 | 39,580 | 41,740 | 46,050 | 42,760 | 44,920 | 49,230 | 43,630 | 45,790 | 50,100 | 36,330 | 38,350 | 42,380 | |||
| 251 ~ 300 | 40 ~ 100 | 40~100 | 43,990 | 46,590 | 51,790 | 35,500 | 37,240 | 40,740 | 37,290 | 39,030 | 42,530 | 37,780 | 39,520 | 43,020 | 31,040 | 32,620 | 35,770 | |
| 101~150 | 47,820 | 50,800 | 56,750 | 36,870 | 38,750 | 42,520 | 39,260 | 41,150 | 44,910 | 39,910 | 41,800 | 45,560 | 33,540 | 35,310 | 38,890 | |||
| 151~200 | 51,460 | 54,810 | 61,500 | 38,920 | 41,010 | 45,190 | 42,100 | 44,190 | 48,370 | 42,970 | 45,060 | 49,240 | 35,840 | 37,800 | 41,740 | |||
| 101 ~ 150 | 40~100 | 48,530 | 51,580 | 57,690 | 38,070 | 40,070 | 44,080 | 40,140 | 42,150 | 46,150 | 40,770 | 42,770 | 46,780 | 33,460 | 35,270 | 38,900 | ||
| 101~150 | 53,160 | 56,680 | 63,710 | 39,950 | 42,130 | 46,520 | 42,630 | 44,810 | 49,210 | 43,370 | 45,540 | 49,940 | 36,420 | 38,470 | 42,570 | |||
| 151~200 | 57,320 | 61,240 | 69,100 | 42,280 | 44,710 | 49,570 | 45,870 | 48,290 | 53,150 | 46,850 | 49,280 | 54,140 | 39,030 | 41,300 | 45,830 | |||
| SHD-WAS | 50 ~ 100 | 40 ~ 100 | 40~100 | 35,590 | 36,980 | 39,790 | 30,750 | 31,670 | 33,490 | - | - | - | - | - | - | - | - | - |
| 101~150 | 37,670 | 39,280 | 42,490 | 31,960 | 32,980 | 35,050 | - | - | - | - | - | - | - | - | - | |||
| 151~200 | 39,910 | 41,750 | 45,410 | 33,190 | 34,340 | 36,660 | - | - | - | - | - | - | - | - | - | |||
| 101 ~ 150 | 40~100 | 38,360 | 40,030 | 43,380 | 32,260 | 33,330 | 35,460 | - | - | - | - | - | - | - | - | - | ||
| 101~150 | 40,930 | 42,870 | 46,730 | 33,740 | 34,950 | 37,370 | - | - | - | - | - | - | - | - | - | |||
| 151~200 | 43,510 | 45,690 | 50,080 | 35,140 | 36,480 | 39,190 | - | - | - | - | - | - | - | - | - | |||
| 101 ~ 150 | 40 ~ 100 | 40~100 | 38,420 | 40,110 | 43,470 | 32,770 | 33,890 | 36,120 | - | - | - | - | - | - | - | - | - | |
| 101~150 | 40,880 | 42,810 | 46,670 | 33,660 | 34,870 | 37,270 | - | - | - | - | - | - | - | - | - | |||
| 151~200 | 43,510 | 45,690 | 50,080 | 35,100 | 36,460 | 39,150 | - | - | - | - | - | - | - | - | - | |||
| 101 ~ 150 | 40~100 | 41,690 | 43,690 | 47,710 | 34,550 | 35,850 | 38,440 | - | - | - | - | - | - | - | - | - | ||
| 101~150 | 44,720 | 47,020 | 51,650 | 35,800 | 37,220 | 40,070 | - | - | - | - | - | - | - | - | - | |||
| 151~200 | 47,760 | 50,370 | 55,600 | 37,470 | 39,050 | 42,230 | - | - | - | - | - | - | - | - | - | |||
| 151 ~ 200 | 40 ~ 100 | 40~100 | 41,010 | 42,950 | 46,830 | 34,220 | 35,490 | 38,020 | - | - | - | - | - | - | - | - | - | |
| 101~150 | 43,910 | 46,150 | 50,600 | 35,360 | 36,730 | 39,470 | - | - | - | - | - | - | - | - | - | |||
| 151~200 | 46,730 | 49,240 | 54,270 | 36,870 | 38,410 | 41,460 | - | - | - | - | - | - | - | - | - | |||
| 101 ~ 150 | 40~100 | 43,680 | 45,900 | 50,300 | 35,980 | 37,430 | 40,300 | - | - | - | - | - | - | - | - | - | ||
| 101~150 | 47,050 | 49,610 | 54,690 | 37,360 | 38,940 | 42,090 | - | - | - | - | - | - | - | - | - | |||
| 151~200 | 50,010 | 52,850 | 58,530 | 39,020 | 40,750 | 44,250 | - | - | - | - | - | - | - | - | - | |||
| 201 ~ 250 | 40 ~ 100 | 40~100 | 44,390 | 46,670 | 51,230 | 37,200 | 38,760 | 41,890 | - | - | - | - | - | - | - | - | - | |
| 101~150 | 47,650 | 50,270 | 55,470 | 38,300 | 39,980 | 43,310 | - | - | - | - | - | - | - | - | - | |||
| 151~200 | 50,910 | 53,850 | 59,710 | 40,140 | 42,010 | 45,700 | - | - | - | - | - | - | - | - | - | |||
| 101 ~ 150 | 40~100 | 48,450 | 51,140 | 56,510 | 39,490 | 41,280 | 44,870 | - | - | - | - | - | - | - | - | - | ||
| 101~150 | 52,440 | 55,510 | 61,680 | 41,050 | 42,990 | 46,890 | - | - | - | - | - | - | - | - | - | |||
| 151~200 | 56,200 | 59,660 | 66,590 | 43,180 | 45,340 | 49,650 | - | - | - | - | - | - | - | - | - | |||
| 251 ~ 300 | 40 ~ 100 | 40~100 | 47,590 | 50,190 | 55,390 | 39,100 | 40,840 | 44,340 | - | - | - | - | - | - | - | - | - | |
| 101~150 | 51,420 | 54,400 | 60,350 | 40,470 | 42,350 | 46,120 | - | - | - | - | - | - | - | - | - | |||
| 151~200 | 55,060 | 58,410 | 65,100 | 42,520 | 44,610 | 48,790 | - | - | - | - | - | - | - | - | - | |||
| 101 ~ 150 | 40~100 | 52,130 | 55,180 | 61,290 | 41,670 | 43,670 | 47,680 | - | - | - | - | - | - | - | - | - | ||
| 101~150 | 56,760 | 60,280 | 67,310 | 43,550 | 45,730 | 50,120 | - | - | - | - | - | - | - | - | - | |||
| 151~200 | 60,920 | 64,840 | 72,700 | 45,880 | 48,310 | 53,170 | - | - | - | - | - | - | - | - | - | |||
| Type | A | B | L | ¥基準単価 | ||||||||||||||
| SUB | AB | ABW | ABB | SBM | ||||||||||||||
| (SUS304) | (A5052 表面処理なし) | (A5052 アルマイト処理(白)) | (A5052 アルマイト処理(黒)) | (SS400 無電解ニッケルメッキ) | ||||||||||||||
| T=10 | T=14・17 | T=20 | T=10 | T=14・17 | T=20 | T=10 | T=14・17 | T=20 | T=10 | T=14・17 | T=20 | T=8・10 | T=14・17 | T=20 | ||||
| SL-WASBD | 50 ~ 100 | 40 ~ 100 | 40~100 | 29,130 | 30,980 | 33,790 | 23,780 | 25,080 | 26,900 | 24,760 | 26,070 | 27,890 | 25,070 | 26,370 | 28,200 | 23,310 | 24,510 | 26,170 |
| 101~150 | 31,210 | 33,300 | 36,500 | 24,970 | 26,390 | 28,460 | 26,470 | 27,890 | 29,960 | 26,910 | 28,330 | 30,400 | 24,620 | 25,940 | 27,800 | |||
| 151~200 | 33,440 | 35,750 | 39,410 | 26,210 | 27,750 | 30,060 | 28,210 | 29,740 | 32,060 | 28,750 | 30,290 | 32,600 | 25,950 | 27,370 | 29,460 | |||
| 101 ~ 150 | 40~100 | 31,900 | 34,040 | 37,390 | 25,290 | 26,730 | 28,880 | 26,280 | 27,720 | 29,860 | 26,590 | 28,030 | 30,170 | 24,780 | 26,120 | 28,050 | ||
| 101~150 | 34,470 | 36,880 | 40,740 | 26,760 | 28,350 | 30,770 | 28,550 | 30,140 | 32,560 | 29,030 | 30,620 | 33,050 | 26,390 | 27,870 | 30,040 | |||
| 151~200 | 37,060 | 39,700 | 44,090 | 28,170 | 29,880 | 32,600 | 30,560 | 32,280 | 34,990 | 31,210 | 32,920 | 35,640 | 27,920 | 29,510 | 31,960 | |||
| 101 ~ 150 | 40 ~ 100 | 40~100 | 31,960 | 34,110 | 37,470 | 25,800 | 27,300 | 29,530 | 26,790 | 28,280 | 30,520 | 27,090 | 28,590 | 30,830 | 25,530 | 26,900 | 28,930 | |
| 101~150 | 34,420 | 36,830 | 40,670 | 26,690 | 28,270 | 30,680 | 28,190 | 29,770 | 32,170 | 28,630 | 30,210 | 32,620 | 27,060 | 28,570 | 30,850 | |||
| 151~200 | 37,060 | 39,700 | 44,090 | 28,120 | 29,860 | 32,550 | 30,120 | 31,850 | 34,550 | 30,660 | 32,390 | 35,090 | 28,650 | 30,300 | 32,820 | |||
| 101 ~ 150 | 40~100 | 35,220 | 37,690 | 41,720 | 27,580 | 29,260 | 31,840 | 28,880 | 30,550 | 33,140 | 29,270 | 30,940 | 33,530 | 26,960 | 28,500 | 30,850 | ||
| 101~150 | 38,260 | 41,020 | 45,660 | 28,830 | 30,630 | 33,470 | 30,620 | 32,430 | 35,260 | 31,110 | 32,910 | 35,740 | 28,840 | 30,550 | 33,200 | |||
| 151~200 | 41,300 | 44,370 | 49,610 | 30,500 | 32,460 | 35,630 | 32,890 | 34,850 | 38,020 | 33,540 | 35,500 | 38,670 | 30,670 | 32,510 | 35,470 | |||
| 151 ~ 200 | 40 ~ 100 | 40~100 | 34,550 | 36,950 | 40,840 | 27,250 | 28,900 | 31,420 | 28,550 | 30,190 | 32,710 | 28,940 | 30,580 | 33,100 | 26,670 | 28,190 | 30,470 | |
| 101~150 | 37,450 | 40,160 | 44,620 | 28,390 | 30,130 | 32,880 | 30,180 | 31,920 | 34,670 | 30,670 | 32,410 | 35,160 | 28,500 | 30,170 | 32,740 | |||
| 151~200 | 40,270 | 43,250 | 48,270 | 29,890 | 31,810 | 34,870 | 32,290 | 34,210 | 37,270 | 32,940 | 34,850 | 37,920 | 30,210 | 32,020 | 34,860 | |||
| 101 ~ 150 | 40~100 | 37,220 | 39,900 | 44,310 | 29,000 | 30,840 | 33,710 | 30,500 | 32,330 | 35,200 | 30,940 | 32,780 | 35,650 | 28,360 | 30,040 | 32,630 | ||
| 101~150 | 40,590 | 43,610 | 48,700 | 30,390 | 32,340 | 35,500 | 32,480 | 34,430 | 37,590 | 33,050 | 35,000 | 38,160 | 30,530 | 32,390 | 35,340 | |||
| 151~200 | 43,550 | 46,860 | 52,530 | 32,040 | 34,160 | 37,650 | 34,830 | 36,950 | 40,440 | 35,600 | 37,720 | 41,200 | 32,430 | 34,430 | 37,680 | |||
| 201 ~ 250 | 40 ~ 100 | 40~100 | 37,940 | 40,670 | 45,230 | 30,230 | 32,170 | 35,300 | 31,730 | 33,670 | 36,790 | 32,170 | 34,110 | 37,240 | 29,460 | 31,250 | 34,060 | |
| 101~150 | 41,190 | 44,280 | 49,470 | 31,320 | 33,380 | 36,710 | 33,410 | 35,470 | 38,800 | 33,980 | 36,040 | 39,370 | 31,580 | 33,540 | 36,700 | |||
| 151~200 | 44,450 | 47,850 | 53,710 | 33,170 | 35,400 | 39,110 | 35,960 | 38,190 | 41,900 | 36,720 | 38,960 | 42,670 | 33,660 | 35,790 | 39,300 | |||
| 101 ~ 150 | 40~100 | 41,990 | 45,150 | 50,510 | 32,520 | 34,690 | 38,270 | 34,310 | 36,490 | 40,060 | 34,800 | 36,970 | 40,550 | 31,620 | 33,620 | 36,860 | ||
| 101~150 | 45,970 | 49,520 | 55,680 | 34,080 | 36,400 | 40,290 | 36,480 | 38,800 | 42,690 | 37,120 | 39,440 | 43,330 | 34,200 | 36,390 | 40,040 | |||
| 151~200 | 49,750 | 53,670 | 60,590 | 36,210 | 38,740 | 43,060 | 39,390 | 41,920 | 46,240 | 40,260 | 42,790 | 47,110 | 36,560 | 38,950 | 42,980 | |||
| 251 ~ 300 | 40 ~ 100 | 40~100 | 41,130 | 44,200 | 49,400 | 32,120 | 34,250 | 37,750 | 33,910 | 36,040 | 39,540 | 34,400 | 36,530 | 40,030 | 31,270 | 33,230 | 36,380 | |
| 101~150 | 44,960 | 48,410 | 54,360 | 33,500 | 35,770 | 39,530 | 35,890 | 38,160 | 41,920 | 36,540 | 38,810 | 42,570 | 33,770 | 35,920 | 39,500 | |||
| 151~200 | 48,600 | 52,430 | 59,120 | 35,550 | 38,020 | 42,200 | 38,730 | 41,200 | 45,380 | 39,600 | 42,070 | 46,250 | 36,060 | 38,420 | 42,350 | |||
| 101 ~ 150 | 40~100 | 45,670 | 49,180 | 55,300 | 34,690 | 37,080 | 41,090 | 36,770 | 39,160 | 43,160 | 37,400 | 39,780 | 43,790 | 33,690 | 35,880 | 39,500 | ||
| 101~150 | 50,300 | 54,280 | 61,320 | 36,570 | 39,140 | 43,540 | 39,250 | 41,820 | 46,220 | 39,980 | 42,550 | 46,950 | 36,650 | 39,070 | 43,170 | |||
| 151~200 | 54,450 | 58,840 | 66,710 | 38,910 | 41,720 | 46,570 | 42,500 | 45,310 | 50,150 | 43,480 | 46,290 | 51,140 | 39,260 | 41,910 | 46,440 | |||
| SH-WASBD | 50 ~ 100 | 40 ~ 100 | 40~100 | 35,130 | 36,980 | 39,790 | 29,780 | 31,080 | 32,900 | 30,760 | 32,070 | 33,890 | 31,070 | 32,370 | 34,200 | 25,710 | 26,910 | 28,570 |
| 101~150 | 37,210 | 39,300 | 42,500 | 30,970 | 32,390 | 34,460 | 32,470 | 33,890 | 35,960 | 32,910 | 34,330 | 36,400 | 27,020 | 28,340 | 30,200 | |||
| 151~200 | 39,440 | 41,750 | 45,410 | 32,210 | 33,750 | 36,060 | 34,210 | 35,740 | 38,060 | 34,750 | 36,290 | 38,600 | 28,350 | 29,770 | 31,860 | |||
| 101 ~ 150 | 40~100 | 37,900 | 40,040 | 43,390 | 31,290 | 32,730 | 34,880 | 32,280 | 33,720 | 35,860 | 32,590 | 34,030 | 36,170 | 27,180 | 28,520 | 30,450 | ||
| 101~150 | 40,470 | 42,880 | 46,740 | 32,760 | 34,350 | 36,770 | 34,550 | 36,140 | 38,560 | 35,030 | 36,620 | 39,050 | 28,790 | 30,270 | 32,440 | |||
| 151~200 | 43,060 | 45,700 | 50,090 | 34,170 | 35,880 | 38,600 | 36,560 | 38,280 | 40,990 | 37,210 | 38,920 | 41,640 | 30,320 | 31,910 | 34,360 | |||
| 101 ~ 150 | 40 ~ 100 | 40~100 | 37,960 | 40,110 | 43,470 | 31,800 | 33,300 | 35,530 | 32,790 | 34,280 | 36,520 | 33,090 | 34,590 | 36,830 | 27,930 | 29,300 | 31,330 | |
| 101~150 | 40,420 | 42,830 | 46,670 | 32,690 | 34,270 | 36,680 | 34,190 | 35,770 | 38,170 | 34,630 | 36,210 | 38,620 | 29,460 | 30,970 | 33,250 | |||
| 151~200 | 43,060 | 45,700 | 50,090 | 34,120 | 35,860 | 38,550 | 36,120 | 37,850 | 40,550 | 36,660 | 38,390 | 41,090 | 31,050 | 32,700 | 35,220 | |||
| 101 ~ 150 | 40~100 | 41,220 | 43,690 | 47,720 | 33,580 | 35,260 | 37,840 | 34,880 | 36,550 | 39,140 | 35,270 | 36,940 | 39,530 | 29,360 | 30,900 | 33,250 | ||
| 101~150 | 44,260 | 47,020 | 51,660 | 34,830 | 36,630 | 39,470 | 36,620 | 38,430 | 41,260 | 37,110 | 38,910 | 41,740 | 31,240 | 32,950 | 35,600 | |||
| 151~200 | 47,300 | 50,370 | 55,610 | 36,500 | 38,460 | 41,630 | 38,890 | 40,850 | 44,020 | 39,540 | 41,500 | 44,670 | 33,070 | 34,910 | 37,870 | |||
| 151 ~ 200 | 40 ~ 100 | 40~100 | 40,550 | 42,950 | 46,840 | 33,250 | 34,900 | 37,420 | 34,550 | 36,190 | 38,710 | 34,940 | 36,580 | 39,100 | 29,070 | 30,590 | 32,870 | |
| 101~150 | 43,450 | 46,160 | 50,620 | 34,390 | 36,130 | 38,880 | 36,180 | 37,920 | 40,670 | 36,670 | 38,410 | 41,160 | 30,900 | 32,570 | 35,140 | |||
| 151~200 | 46,270 | 49,250 | 54,270 | 35,890 | 37,810 | 40,870 | 38,290 | 40,210 | 43,270 | 38,940 | 40,850 | 43,920 | 32,610 | 34,420 | 37,260 | |||
| 101 ~ 150 | 40~100 | 43,220 | 45,900 | 50,310 | 35,000 | 36,840 | 39,710 | 36,500 | 38,330 | 41,200 | 36,940 | 38,780 | 41,650 | 30,760 | 32,440 | 35,030 | ||
| 101~150 | 46,590 | 49,610 | 54,700 | 36,390 | 38,340 | 41,500 | 38,480 | 40,430 | 43,590 | 39,050 | 41,000 | 44,160 | 32,930 | 34,790 | 37,740 | |||
| 151~200 | 49,550 | 52,860 | 58,530 | 38,040 | 40,160 | 43,650 | 40,830 | 42,950 | 46,440 | 41,600 | 43,720 | 47,200 | 34,830 | 36,830 | 40,080 | |||
| 201 ~ 250 | 40 ~ 100 | 40~100 | 43,940 | 46,670 | 51,230 | 36,230 | 38,170 | 41,300 | 37,730 | 39,670 | 42,790 | 38,170 | 40,110 | 43,240 | 31,860 | 33,650 | 36,460 | |
| 101~150 | 47,190 | 50,280 | 55,470 | 37,320 | 39,380 | 42,710 | 39,410 | 41,470 | 44,800 | 39,980 | 42,040 | 45,370 | 33,980 | 35,940 | 39,100 | |||
| 151~200 | 50,450 | 53,850 | 59,710 | 39,170 | 41,400 | 45,110 | 41,960 | 44,190 | 47,900 | 42,720 | 44,960 | 48,670 | 36,060 | 38,190 | 41,700 | |||
| 101 ~ 150 | 40~100 | 47,990 | 51,150 | 56,510 | 38,520 | 40,690 | 44,270 | 40,310 | 42,490 | 46,060 | 40,800 | 42,970 | 46,550 | 34,020 | 36,020 | 39,260 | ||
| 101~150 | 51,970 | 55,520 | 61,680 | 40,080 | 42,400 | 46,290 | 42,480 | 44,800 | 48,690 | 43,120 | 45,440 | 49,330 | 36,600 | 38,790 | 42,440 | |||
| 151~200 | 55,750 | 59,670 | 66,590 | 42,210 | 44,740 | 49,060 | 45,390 | 47,920 | 52,240 | 46,260 | 48,790 | 53,110 | 38,960 | 41,350 | 45,380 | |||
| 251 ~ 300 | 40 ~ 100 | 40~100 | 47,130 | 50,200 | 55,400 | 38,120 | 40,250 | 43,750 | 39,910 | 42,040 | 45,540 | 40,400 | 42,530 | 46,030 | 33,670 | 35,630 | 38,780 | |
| 101~150 | 50,960 | 54,410 | 60,360 | 39,500 | 41,770 | 45,530 | 41,890 | 44,160 | 47,920 | 42,540 | 44,810 | 48,570 | 36,170 | 38,320 | 41,900 | |||
| 151~200 | 54,600 | 58,430 | 65,120 | 41,550 | 44,020 | 48,200 | 44,730 | 47,200 | 51,380 | 45,600 | 48,070 | 52,250 | 38,460 | 40,820 | 44,750 | |||
| 101 ~ 150 | 40~100 | 51,670 | 55,180 | 61,300 | 40,690 | 43,080 | 47,090 | 42,770 | 45,160 | 49,160 | 43,400 | 45,780 | 49,790 | 36,090 | 38,280 | 41,900 | ||
| 101~150 | 56,300 | 60,280 | 67,320 | 42,570 | 45,140 | 49,540 | 45,250 | 47,820 | 52,220 | 45,980 | 48,550 | 52,950 | 39,050 | 41,470 | 45,570 | |||
| 151~200 | 60,450 | 64,840 | 72,710 | 44,910 | 47,720 | 52,570 | 48,500 | 51,310 | 56,150 | 49,480 | 52,290 | 57,140 | 41,660 | 44,310 | 48,840 | |||
| SHD-WASBD | 50 ~ 100 | 40 ~ 100 | 40~100 | 38,730 | 40,580 | 43,390 | 33,380 | 34,680 | 36,500 | - | - | - | - | - | - | - | - | - |
| 101~150 | 40,810 | 42,900 | 46,100 | 34,570 | 35,990 | 38,060 | - | - | - | - | - | - | - | - | - | |||
| 151~200 | 43,040 | 45,350 | 49,010 | 35,810 | 37,350 | 39,660 | - | - | - | - | - | - | - | - | - | |||
| 101 ~ 150 | 40~100 | 41,500 | 43,640 | 46,990 | 34,890 | 36,330 | 38,480 | - | - | - | - | - | - | - | - | - | ||
| 101~150 | 44,070 | 46,480 | 50,340 | 36,360 | 37,950 | 40,370 | - | - | - | - | - | - | - | - | - | |||
| 151~200 | 46,660 | 49,300 | 53,690 | 37,770 | 39,480 | 42,200 | - | - | - | - | - | - | - | - | - | |||
| 101 ~ 150 | 40 ~ 100 | 40~100 | 41,560 | 43,710 | 47,070 | 35,400 | 36,900 | 39,130 | - | - | - | - | - | - | - | - | - | |
| 101~150 | 44,020 | 46,430 | 50,270 | 36,290 | 37,870 | 40,280 | - | - | - | - | - | - | - | - | - | |||
| 151~200 | 46,660 | 49,300 | 53,690 | 37,720 | 39,460 | 42,150 | - | - | - | - | - | - | - | - | - | |||
| 101 ~ 150 | 40~100 | 44,820 | 47,290 | 51,320 | 37,180 | 38,860 | 41,440 | - | - | - | - | - | - | - | - | - | ||
| 101~150 | 47,860 | 50,620 | 55,260 | 38,430 | 40,230 | 43,070 | - | - | - | - | - | - | - | - | - | |||
| 151~200 | 50,900 | 53,970 | 59,210 | 40,100 | 42,060 | 45,230 | - | - | - | - | - | - | - | - | - | |||
| 151 ~ 200 | 40 ~ 100 | 40~100 | 44,150 | 46,550 | 50,440 | 36,850 | 38,500 | 41,020 | - | - | - | - | - | - | - | - | - | |
| 101~150 | 47,050 | 49,760 | 54,220 | 37,990 | 39,730 | 42,480 | - | - | - | - | - | - | - | - | - | |||
| 151~200 | 49,870 | 52,850 | 57,870 | 39,490 | 41,410 | 44,470 | - | - | - | - | - | - | - | - | - | |||
| 101 ~ 150 | 40~100 | 46,820 | 49,500 | 53,910 | 38,600 | 40,440 | 43,310 | - | - | - | - | - | - | - | - | - | ||
| 101~150 | 50,190 | 53,210 | 58,300 | 39,990 | 41,940 | 45,100 | - | - | - | - | - | - | - | - | - | |||
| 151~200 | 53,150 | 56,460 | 62,130 | 41,640 | 43,760 | 47,250 | - | - | - | - | - | - | - | - | - | |||
| 201 ~ 250 | 40 ~ 100 | 40~100 | 47,540 | 50,270 | 54,830 | 39,830 | 41,770 | 44,900 | - | - | - | - | - | - | - | - | - | |
| 101~150 | 50,790 | 53,880 | 59,070 | 40,920 | 42,980 | 46,310 | - | - | - | - | - | - | - | - | - | |||
| 151~200 | 54,050 | 57,450 | 63,310 | 42,770 | 45,000 | 48,710 | - | - | - | - | - | - | - | - | - | |||
| 101 ~ 150 | 40~100 | 51,590 | 54,750 | 60,110 | 42,120 | 44,290 | 47,870 | - | - | - | - | - | - | - | - | - | ||
| 101~150 | 55,570 | 59,120 | 65,280 | 43,680 | 46,000 | 49,890 | - | - | - | - | - | - | - | - | - | |||
| 151~200 | 59,350 | 63,270 | 70,190 | 45,810 | 48,340 | 52,660 | - | - | - | - | - | - | - | - | - | |||
| 251 ~ 300 | 40 ~ 100 | 40~100 | 50,730 | 53,800 | 59,000 | 41,720 | 43,850 | 47,350 | - | - | - | - | - | - | - | - | - | |
| 101~150 | 54,560 | 58,010 | 63,960 | 43,100 | 45,370 | 49,130 | - | - | - | - | - | - | - | - | - | |||
| 151~200 | 58,200 | 62,030 | 68,720 | 45,150 | 47,620 | 51,800 | - | - | - | - | - | - | - | - | - | |||
| 101 ~ 150 | 40~100 | 55,270 | 58,780 | 64,900 | 44,290 | 46,680 | 50,690 | - | - | - | - | - | - | - | - | - | ||
| 101~150 | 59,900 | 63,880 | 70,920 | 46,170 | 48,740 | 53,140 | - | - | - | - | - | - | - | - | - | |||
| 151~200 | 64,050 | 68,440 | 76,310 | 48,510 | 51,320 | 56,170 | - | - | - | - | - | - | - | - | - | |||
| SL-WASCD SL-WASMD | 50 ~ 100 | 40 ~ 100 | 40~100 | 29,970 | 31,820 | 34,630 | 22,470 | 23,770 | 25,590 | 25,450 | 26,760 | 28,580 | 25,760 | 27,060 | 28,890 | 24,000 | 25,200 | 26,860 |
| 101~150 | 32,040 | 34,120 | 37,330 | 23,660 | 25,080 | 27,150 | 27,160 | 28,580 | 30,650 | 27,600 | 29,020 | 31,090 | 25,310 | 26,630 | 28,490 | |||
| 151~200 | 34,280 | 36,580 | 40,250 | 24,900 | 26,440 | 28,750 | 28,900 | 30,430 | 32,740 | 29,440 | 30,970 | 33,280 | 26,640 | 28,060 | 30,150 | |||
| 101 ~ 150 | 40~100 | 32,730 | 34,870 | 38,220 | 23,980 | 25,420 | 27,560 | 26,970 | 28,410 | 30,550 | 27,270 | 28,720 | 30,860 | 25,470 | 26,810 | 28,740 | ||
| 101~150 | 35,310 | 37,720 | 41,570 | 25,440 | 27,040 | 29,460 | 29,240 | 30,840 | 33,250 | 29,720 | 31,320 | 33,740 | 27,080 | 28,560 | 30,740 | |||
| 151~200 | 37,890 | 40,540 | 44,920 | 26,850 | 28,570 | 31,280 | 31,250 | 32,970 | 35,680 | 31,900 | 33,610 | 36,330 | 28,610 | 30,200 | 32,650 | |||
| 101 ~ 150 | 40 ~ 100 | 40~100 | 32,790 | 34,950 | 38,310 | 24,490 | 25,980 | 28,220 | 27,480 | 28,970 | 31,210 | 27,780 | 29,280 | 31,510 | 26,210 | 27,590 | 29,630 | |
| 101~150 | 35,250 | 37,650 | 41,510 | 25,380 | 26,960 | 29,370 | 28,880 | 30,450 | 32,860 | 29,320 | 30,900 | 33,310 | 27,750 | 29,260 | 31,540 | |||
| 151~200 | 37,890 | 40,540 | 44,920 | 26,820 | 28,550 | 31,240 | 30,820 | 32,540 | 35,240 | 31,360 | 33,080 | 35,780 | 29,340 | 30,980 | 33,520 | |||
| 101 ~ 150 | 40~100 | 36,060 | 38,530 | 42,550 | 26,270 | 27,950 | 30,530 | 29,560 | 31,240 | 33,830 | 29,960 | 31,630 | 34,220 | 27,650 | 29,190 | 31,540 | ||
| 101~150 | 39,090 | 41,860 | 46,490 | 27,520 | 29,320 | 32,160 | 31,310 | 33,120 | 35,960 | 31,800 | 33,600 | 36,440 | 29,530 | 31,240 | 33,890 | |||
| 151~200 | 42,130 | 45,210 | 50,450 | 29,190 | 31,150 | 34,320 | 33,580 | 35,540 | 38,710 | 34,230 | 36,190 | 39,360 | 31,360 | 33,200 | 36,160 | |||
| 151 ~ 200 | 40 ~ 100 | 40~100 | 35,380 | 37,790 | 41,670 | 25,940 | 27,590 | 30,110 | 29,240 | 30,880 | 33,400 | 29,630 | 31,270 | 33,790 | 27,360 | 28,880 | 31,150 | |
| 101~150 | 38,290 | 40,990 | 45,440 | 27,080 | 28,830 | 31,570 | 30,870 | 32,620 | 35,360 | 31,360 | 33,100 | 35,850 | 29,190 | 30,860 | 33,430 | |||
| 151~200 | 41,110 | 44,090 | 49,110 | 28,590 | 30,500 | 33,560 | 32,990 | 34,900 | 37,960 | 33,630 | 35,540 | 38,610 | 30,900 | 32,710 | 35,550 | |||
| 101 ~ 150 | 40~100 | 38,050 | 40,740 | 45,150 | 27,700 | 29,530 | 32,400 | 31,200 | 33,020 | 35,890 | 31,640 | 33,470 | 36,340 | 29,040 | 30,730 | 33,320 | ||
| 101~150 | 41,430 | 44,450 | 49,530 | 29,080 | 31,040 | 34,190 | 33,170 | 35,130 | 38,280 | 33,740 | 35,700 | 38,850 | 31,220 | 33,080 | 36,030 | |||
| 151~200 | 44,370 | 47,690 | 53,370 | 30,730 | 32,850 | 36,340 | 35,520 | 37,640 | 41,130 | 36,280 | 38,400 | 41,890 | 33,120 | 35,120 | 38,370 | |||
| 201 ~ 250 | 40 ~ 100 | 40~100 | 38,770 | 41,510 | 46,070 | 28,920 | 30,860 | 33,990 | 32,420 | 34,360 | 37,480 | 32,860 | 34,800 | 37,930 | 30,150 | 31,940 | 34,750 | |
| 101~150 | 42,030 | 45,110 | 50,310 | 30,010 | 32,070 | 35,400 | 34,100 | 36,160 | 39,490 | 34,670 | 36,730 | 40,060 | 32,270 | 34,230 | 37,390 | |||
| 151~200 | 45,280 | 48,690 | 54,550 | 31,860 | 34,090 | 37,800 | 36,650 | 38,880 | 42,590 | 37,410 | 39,640 | 43,350 | 34,360 | 36,480 | 39,980 | |||
| 101 ~ 150 | 40~100 | 42,810 | 45,980 | 51,350 | 31,210 | 33,380 | 36,960 | 35,000 | 37,180 | 40,750 | 35,490 | 37,660 | 41,230 | 32,310 | 34,310 | 37,550 | ||
| 101~150 | 46,800 | 50,350 | 56,520 | 32,770 | 35,090 | 38,980 | 37,160 | 39,490 | 43,380 | 37,810 | 40,130 | 44,020 | 34,890 | 37,080 | 40,730 | |||
| 151~200 | 50,570 | 54,510 | 61,430 | 34,900 | 37,430 | 41,750 | 40,080 | 42,610 | 46,930 | 40,950 | 43,480 | 47,800 | 37,250 | 39,630 | 43,680 | |||
| 251 ~ 300 | 40 ~ 100 | 40~100 | 41,970 | 45,030 | 50,230 | 30,820 | 32,940 | 36,440 | 34,610 | 36,730 | 40,230 | 35,100 | 37,220 | 40,720 | 31,960 | 33,920 | 37,070 | |
| 101~150 | 45,790 | 49,240 | 55,200 | 32,190 | 34,450 | 38,220 | 36,580 | 38,850 | 42,610 | 37,230 | 39,500 | 43,260 | 34,460 | 36,610 | 40,190 | |||
| 151~200 | 49,440 | 53,260 | 59,940 | 34,240 | 36,710 | 40,890 | 39,420 | 41,890 | 46,070 | 40,290 | 42,760 | 46,940 | 36,750 | 39,100 | 43,040 | |||
| 101 ~ 150 | 40~100 | 46,500 | 50,020 | 56,130 | 33,380 | 35,770 | 39,780 | 37,460 | 39,850 | 43,850 | 38,090 | 40,470 | 44,480 | 34,380 | 36,570 | 40,190 | ||
| 101~150 | 51,140 | 55,120 | 62,150 | 35,270 | 37,830 | 42,220 | 39,950 | 42,510 | 46,910 | 40,680 | 43,240 | 47,640 | 37,330 | 39,760 | 43,870 | |||
| 151~200 | 55,280 | 59,680 | 67,540 | 37,600 | 40,410 | 45,260 | 43,190 | 45,990 | 50,840 | 44,170 | 46,980 | 51,820 | 39,950 | 42,600 | 47,130 | |||
| SH-WASCD SH-WASMD | 50 ~ 100 | 40 ~ 100 | 40~100 | 35,970 | 37,820 | 40,630 | 27,470 | 28,770 | 30,590 | 31,450 | 32,760 | 34,580 | 31,760 | 33,060 | 34,890 | 26,400 | 27,600 | 29,260 |
| 101~150 | 38,040 | 40,120 | 43,330 | 28,660 | 30,080 | 32,150 | 33,160 | 34,580 | 36,650 | 33,600 | 35,020 | 37,090 | 27,710 | 29,030 | 30,890 | |||
| 151~200 | 40,280 | 42,580 | 46,250 | 29,900 | 31,440 | 33,750 | 34,900 | 36,430 | 38,740 | 35,440 | 36,970 | 39,280 | 29,040 | 30,460 | 32,550 | |||
| 101 ~ 150 | 40~100 | 38,730 | 40,870 | 44,220 | 28,980 | 30,420 | 32,560 | 32,970 | 34,410 | 36,550 | 33,270 | 34,720 | 36,860 | 27,870 | 29,210 | 31,140 | ||
| 101~150 | 41,310 | 43,720 | 47,570 | 30,440 | 32,040 | 34,460 | 35,240 | 36,840 | 39,250 | 35,720 | 37,320 | 39,740 | 29,480 | 30,960 | 33,140 | |||
| 151~200 | 43,890 | 46,540 | 50,920 | 31,850 | 33,570 | 36,280 | 37,250 | 38,970 | 41,680 | 37,900 | 39,610 | 42,330 | 31,010 | 32,600 | 35,050 | |||
| 101 ~ 150 | 40 ~ 100 | 40~100 | 38,790 | 40,950 | 44,310 | 29,490 | 30,980 | 33,220 | 33,480 | 34,970 | 37,210 | 33,780 | 35,280 | 37,510 | 28,610 | 29,990 | 32,030 | |
| 101~150 | 41,250 | 43,650 | 47,510 | 30,380 | 31,960 | 34,370 | 34,880 | 36,450 | 38,860 | 35,320 | 36,900 | 39,310 | 30,150 | 31,660 | 33,940 | |||
| 151~200 | 43,890 | 46,540 | 50,920 | 31,820 | 33,550 | 36,240 | 36,820 | 38,540 | 41,240 | 37,360 | 39,080 | 41,780 | 31,740 | 33,380 | 35,920 | |||
| 101 ~ 150 | 40~100 | 42,060 | 44,530 | 48,550 | 31,270 | 32,950 | 35,530 | 35,560 | 37,240 | 39,830 | 35,960 | 37,630 | 40,220 | 30,050 | 31,590 | 33,940 | ||
| 101~150 | 45,090 | 47,860 | 52,490 | 32,520 | 34,320 | 37,160 | 37,310 | 39,120 | 41,960 | 37,800 | 39,600 | 42,440 | 31,930 | 33,640 | 36,290 | |||
| 151~200 | 48,130 | 51,210 | 56,450 | 34,190 | 36,150 | 39,320 | 39,580 | 41,540 | 44,710 | 40,230 | 42,190 | 45,360 | 33,760 | 35,600 | 38,560 | |||
| 151 ~ 200 | 40 ~ 100 | 40~100 | 41,380 | 43,790 | 47,670 | 30,940 | 32,590 | 35,110 | 35,240 | 36,880 | 39,400 | 35,630 | 37,270 | 39,790 | 29,760 | 31,280 | 33,550 | |
| 101~150 | 44,290 | 46,990 | 51,440 | 32,080 | 33,830 | 36,570 | 36,870 | 38,620 | 41,360 | 37,360 | 39,100 | 41,850 | 31,590 | 33,260 | 35,830 | |||
| 151~200 | 47,110 | 50,090 | 55,110 | 33,590 | 35,500 | 38,560 | 38,990 | 40,900 | 43,960 | 39,630 | 41,540 | 44,610 | 33,300 | 35,110 | 37,950 | |||
| 101 ~ 150 | 40~100 | 44,050 | 46,740 | 51,150 | 32,700 | 34,530 | 37,400 | 37,200 | 39,020 | 41,890 | 37,640 | 39,470 | 42,340 | 31,440 | 33,130 | 35,720 | ||
| 101~150 | 47,430 | 50,450 | 55,530 | 34,080 | 36,040 | 39,190 | 39,170 | 41,130 | 44,280 | 39,740 | 41,700 | 44,850 | 33,620 | 35,480 | 38,430 | |||
| 151~200 | 50,370 | 53,690 | 59,370 | 35,730 | 37,850 | 41,340 | 41,520 | 43,640 | 47,130 | 42,280 | 44,400 | 47,890 | 35,520 | 37,520 | 40,770 | |||
| 201 ~ 250 | 40 ~ 100 | 40~100 | 44,770 | 47,510 | 52,070 | 33,920 | 35,860 | 38,990 | 38,420 | 40,360 | 43,480 | 38,860 | 40,800 | 43,930 | 32,550 | 34,340 | 37,150 | |
| 101~150 | 48,030 | 51,110 | 56,310 | 35,010 | 37,070 | 40,400 | 40,100 | 42,160 | 45,490 | 40,670 | 42,730 | 46,060 | 34,670 | 36,630 | 39,790 | |||
| 151~200 | 51,280 | 54,690 | 60,550 | 36,860 | 39,090 | 42,800 | 42,650 | 44,880 | 48,590 | 43,410 | 45,640 | 49,350 | 36,760 | 38,880 | 42,380 | |||
| 101 ~ 150 | 40~100 | 48,810 | 51,980 | 57,350 | 36,210 | 38,380 | 41,960 | 41,000 | 43,180 | 46,750 | 41,490 | 43,660 | 47,230 | 34,710 | 36,710 | 39,950 | ||
| 101~150 | 52,800 | 56,350 | 62,520 | 37,770 | 40,090 | 43,980 | 43,160 | 45,490 | 49,380 | 43,810 | 46,130 | 50,020 | 37,290 | 39,480 | 43,130 | |||
| 151~200 | 56,570 | 60,510 | 67,430 | 39,900 | 42,430 | 46,750 | 46,080 | 48,610 | 52,930 | 46,950 | 49,480 | 53,800 | 39,650 | 42,030 | 46,080 | |||
| 251 ~ 300 | 40 ~ 100 | 40~100 | 47,970 | 51,030 | 56,230 | 35,820 | 37,940 | 41,440 | 40,610 | 42,730 | 46,230 | 41,100 | 43,220 | 46,720 | 34,360 | 36,320 | 39,470 | |
| 101~150 | 51,790 | 55,240 | 61,200 | 37,190 | 39,450 | 43,220 | 42,580 | 44,850 | 48,610 | 43,230 | 45,500 | 49,260 | 36,860 | 39,010 | 42,590 | |||
| 151~200 | 55,440 | 59,260 | 65,940 | 39,240 | 41,710 | 45,890 | 45,420 | 47,890 | 52,070 | 46,290 | 48,760 | 52,940 | 39,150 | 41,500 | 45,440 | |||
| 101 ~ 150 | 40~100 | 52,500 | 56,020 | 62,130 | 38,380 | 40,770 | 44,780 | 43,460 | 45,850 | 49,850 | 44,090 | 46,470 | 50,480 | 36,780 | 38,970 | 42,590 | ||
| 101~150 | 57,140 | 61,120 | 68,150 | 40,270 | 42,830 | 47,220 | 45,950 | 48,510 | 52,910 | 46,680 | 49,240 | 53,640 | 39,730 | 42,160 | 46,270 | |||
| 151~200 | 61,280 | 65,680 | 73,540 | 42,600 | 45,410 | 50,260 | 49,190 | 51,990 | 56,840 | 50,170 | 52,980 | 57,820 | 42,350 | 45,000 | 49,530 | |||
| SHD-WASCD SHD-WASMD | 50 ~ 100 | 40 ~ 100 | 40~100 | 39,570 | 41,420 | 44,230 | 30,470 | 31,770 | 33,590 | - | - | - | - | - | - | - | - | - |
| 101~150 | 41,640 | 43,720 | 46,930 | 31,660 | 33,080 | 35,150 | - | - | - | - | - | - | - | - | - | |||
| 151~200 | 43,880 | 46,180 | 49,850 | 32,900 | 34,440 | 36,750 | - | - | - | - | - | - | - | - | - | |||
| 101 ~ 150 | 40~100 | 42,330 | 44,470 | 47,820 | 31,980 | 33,420 | 35,560 | - | - | - | - | - | - | - | - | - | ||
| 101~150 | 44,910 | 47,320 | 51,170 | 33,440 | 35,040 | 37,460 | - | - | - | - | - | - | - | - | - | |||
| 151~200 | 47,490 | 50,140 | 54,520 | 34,850 | 36,570 | 39,280 | - | - | - | - | - | - | - | - | - | |||
| 101 ~ 150 | 40 ~ 100 | 40~100 | 42,390 | 44,550 | 47,910 | 32,490 | 33,980 | 36,220 | - | - | - | - | - | - | - | - | - | |
| 101~150 | 44,850 | 47,250 | 51,110 | 33,380 | 34,960 | 37,370 | - | - | - | - | - | - | - | - | - | |||
| 151~200 | 47,490 | 50,140 | 54,520 | 34,820 | 36,550 | 39,240 | - | - | - | - | - | - | - | - | - | |||
| 101 ~ 150 | 40~100 | 45,660 | 48,130 | 52,150 | 34,270 | 35,950 | 38,530 | - | - | - | - | - | - | - | - | - | ||
| 101~150 | 48,690 | 51,460 | 56,090 | 35,520 | 37,320 | 40,160 | - | - | - | - | - | - | - | - | - | |||
| 151~200 | 51,730 | 54,810 | 60,050 | 37,190 | 39,150 | 42,320 | - | - | - | - | - | - | - | - | - | |||
| 151 ~ 200 | 40 ~ 100 | 40~100 | 44,980 | 47,390 | 51,270 | 33,940 | 35,590 | 38,110 | - | - | - | - | - | - | - | - | - | |
| 101~150 | 47,890 | 50,590 | 55,040 | 35,080 | 36,830 | 39,570 | - | - | - | - | - | - | - | - | - | |||
| 151~200 | 50,710 | 53,690 | 58,710 | 36,590 | 38,500 | 41,560 | - | - | - | - | - | - | - | - | - | |||
| 101 ~ 150 | 40~100 | 47,650 | 50,340 | 54,750 | 35,700 | 37,530 | 40,400 | - | - | - | - | - | - | - | - | - | ||
| 101~150 | 51,030 | 54,050 | 59,130 | 37,080 | 39,040 | 42,190 | - | - | - | - | - | - | - | - | - | |||
| 151~200 | 53,970 | 57,290 | 62,970 | 38,730 | 40,850 | 44,340 | - | - | - | - | - | - | - | - | - | |||
| 201 ~ 250 | 40 ~ 100 | 40~100 | 48,370 | 51,110 | 55,670 | 36,920 | 38,860 | 41,990 | - | - | - | - | - | - | - | - | - | |
| 101~150 | 51,630 | 54,710 | 59,910 | 38,010 | 40,070 | 43,400 | - | - | - | - | - | - | - | - | - | |||
| 151~200 | 54,880 | 58,290 | 64,150 | 39,860 | 42,090 | 45,800 | - | - | - | - | - | - | - | - | - | |||
| 101 ~ 150 | 40~100 | 52,410 | 55,580 | 60,950 | 39,210 | 41,380 | 44,960 | - | - | - | - | - | - | - | - | - | ||
| 101~150 | 56,400 | 59,950 | 66,120 | 40,770 | 43,090 | 46,980 | - | - | - | - | - | - | - | - | - | |||
| 151~200 | 60,170 | 64,110 | 71,030 | 42,900 | 45,430 | 49,750 | - | - | - | - | - | - | - | - | - | |||
| 251 ~ 300 | 40 ~ 100 | 40~100 | 51,570 | 54,630 | 59,830 | 38,820 | 40,940 | 44,440 | - | - | - | - | - | - | - | - | - | |
| 101~150 | 55,390 | 58,840 | 64,800 | 40,190 | 42,450 | 46,220 | - | - | - | - | - | - | - | - | - | |||
| 151~200 | 59,040 | 62,860 | 69,540 | 42,240 | 44,710 | 48,890 | - | - | - | - | - | - | - | - | - | |||
| 101 ~ 150 | 40~100 | 56,100 | 59,620 | 65,730 | 41,380 | 43,770 | 47,780 | - | - | - | - | - | - | - | - | - | ||
| 101~150 | 60,740 | 64,720 | 71,750 | 43,270 | 45,830 | 50,220 | - | - | - | - | - | - | - | - | - | |||
| 151~200 | 64,880 | 69,280 | 77,140 | 45,600 | 48,410 | 53,260 | - | - | - | - | - | - | - | - | - | |||
| Type | A | B | L | ¥基準単価 | ||||||||||||||
| SUB | AB | ABW | ABB | SBM | ||||||||||||||
| (SUS304) | (A5052 表面処理なし) | (A5052 アルマイト処理(白)) | (A5052 アルマイト処理(黒)) | (SS400 無電解ニッケルメッキ) | ||||||||||||||
| T=10 | T=14・17 | T=20 | T=10 | T=14・17 | T=20 | T=10 | T=14・17 | T=20 | T=10 | T=14・17 | T=20 | T=8・10 | T=14・17 | T=20 | ||||
| SL-WASBN | 50 ~ 100 | 40 ~ 100 | 40~100 | 30,820 | 32,890 | 35,690 | 25,250 | 26,700 | 28,530 | 26,240 | 27,690 | 29,510 | 26,540 | 28,000 | 29,820 | 24,780 | 26,140 | 27,790 |
| 101~150 | 32,910 | 35,190 | 38,390 | 26,450 | 28,020 | 30,080 | 27,940 | 29,510 | 31,580 | 28,390 | 29,960 | 32,020 | 26,090 | 27,560 | 29,430 | |||
| 151~200 | 35,150 | 37,650 | 41,310 | 27,680 | 29,370 | 31,680 | 29,670 | 31,370 | 33,680 | 30,210 | 31,910 | 34,220 | 27,410 | 28,990 | 31,080 | |||
| 101 ~ 150 | 40~100 | 33,600 | 35,930 | 39,280 | 26,760 | 28,370 | 30,500 | 27,740 | 29,350 | 31,480 | 28,050 | 29,660 | 31,790 | 26,260 | 27,740 | 29,670 | ||
| 101~150 | 36,170 | 38,770 | 42,630 | 28,230 | 29,980 | 32,410 | 30,020 | 31,770 | 34,200 | 30,510 | 32,260 | 34,680 | 27,870 | 29,490 | 31,670 | |||
| 151~200 | 38,750 | 41,600 | 45,980 | 29,630 | 31,510 | 34,220 | 32,020 | 33,910 | 36,610 | 32,670 | 34,560 | 37,260 | 29,380 | 31,130 | 33,580 | |||
| 101 ~ 150 | 40 ~ 100 | 40~100 | 33,650 | 36,020 | 39,380 | 27,270 | 28,920 | 31,150 | 28,260 | 29,900 | 32,140 | 28,570 | 30,210 | 32,450 | 27,000 | 28,540 | 30,560 | |
| 101~150 | 36,110 | 38,720 | 42,570 | 28,170 | 29,890 | 32,300 | 29,660 | 31,390 | 33,790 | 30,100 | 31,830 | 34,240 | 28,530 | 30,190 | 32,470 | |||
| 151~200 | 38,750 | 41,600 | 45,980 | 29,600 | 31,490 | 34,190 | 31,590 | 33,490 | 36,180 | 32,130 | 34,030 | 36,720 | 30,120 | 31,920 | 34,450 | |||
| 101 ~ 150 | 40~100 | 36,930 | 39,600 | 43,620 | 29,060 | 30,880 | 33,470 | 30,350 | 32,170 | 34,760 | 30,740 | 32,560 | 35,150 | 28,430 | 30,140 | 32,470 | ||
| 101~150 | 39,950 | 42,930 | 47,550 | 30,300 | 32,260 | 35,100 | 32,090 | 34,050 | 36,890 | 32,570 | 34,540 | 37,380 | 30,320 | 32,170 | 34,820 | |||
| 151~200 | 42,990 | 46,280 | 51,500 | 31,970 | 34,080 | 37,250 | 34,370 | 36,480 | 39,640 | 35,010 | 37,120 | 40,290 | 32,140 | 34,140 | 37,090 | |||
| 151 ~ 200 | 40 ~ 100 | 40~100 | 36,250 | 38,850 | 42,740 | 28,720 | 30,520 | 33,050 | 30,010 | 31,810 | 34,340 | 30,400 | 32,200 | 34,740 | 28,140 | 29,810 | 32,090 | |
| 101~150 | 39,160 | 42,060 | 46,510 | 29,850 | 31,760 | 34,500 | 31,640 | 33,550 | 36,300 | 32,130 | 34,040 | 36,780 | 29,970 | 31,800 | 34,370 | |||
| 151~200 | 41,960 | 45,150 | 50,170 | 31,370 | 33,430 | 36,500 | 33,760 | 35,830 | 38,890 | 34,410 | 36,480 | 39,540 | 31,680 | 33,650 | 36,490 | |||
| 101 ~ 150 | 40~100 | 38,920 | 41,810 | 46,200 | 30,480 | 32,460 | 35,330 | 31,970 | 33,950 | 36,830 | 32,420 | 34,400 | 37,270 | 29,830 | 31,660 | 34,260 | ||
| 101~150 | 42,290 | 45,500 | 50,590 | 31,850 | 33,970 | 37,120 | 33,940 | 36,060 | 39,210 | 34,510 | 36,630 | 39,780 | 32,000 | 34,020 | 36,960 | |||
| 151~200 | 45,240 | 48,760 | 54,430 | 33,520 | 35,790 | 39,280 | 36,310 | 38,570 | 42,070 | 37,070 | 39,340 | 42,840 | 33,900 | 36,050 | 39,310 | |||
| 201 ~ 250 | 40 ~ 100 | 40~100 | 39,630 | 42,570 | 47,140 | 31,710 | 33,790 | 36,920 | 33,200 | 35,290 | 38,420 | 33,650 | 35,730 | 38,860 | 30,930 | 32,870 | 35,680 | |
| 101~150 | 42,890 | 46,170 | 51,380 | 32,790 | 35,000 | 38,330 | 34,870 | 37,090 | 40,420 | 35,450 | 37,660 | 40,990 | 33,040 | 35,160 | 38,320 | |||
| 151~200 | 46,140 | 49,740 | 55,620 | 34,640 | 37,030 | 40,740 | 37,430 | 39,810 | 43,520 | 38,190 | 40,580 | 44,290 | 35,130 | 37,410 | 40,920 | |||
| 101 ~ 150 | 40~100 | 43,680 | 47,040 | 52,410 | 34,000 | 36,320 | 39,890 | 35,790 | 38,110 | 41,680 | 36,270 | 38,600 | 42,170 | 33,090 | 35,260 | 38,480 | ||
| 101~150 | 47,670 | 51,420 | 57,580 | 35,550 | 38,020 | 41,910 | 37,950 | 40,420 | 44,310 | 38,600 | 41,070 | 44,960 | 35,660 | 38,010 | 41,660 | |||
| 151~200 | 51,440 | 55,560 | 62,500 | 37,670 | 40,370 | 44,680 | 40,850 | 43,550 | 47,860 | 41,720 | 44,410 | 48,730 | 38,020 | 40,580 | 44,620 | |||
| 251 ~ 300 | 40 ~ 100 | 40~100 | 42,820 | 46,100 | 51,290 | 33,590 | 35,870 | 39,370 | 35,380 | 37,660 | 41,160 | 35,870 | 38,150 | 41,650 | 32,730 | 34,850 | 38,000 | |
| 101~150 | 46,650 | 50,310 | 56,260 | 34,960 | 37,390 | 41,150 | 37,360 | 39,780 | 43,550 | 38,000 | 40,430 | 44,190 | 35,250 | 37,550 | 41,120 | |||
| 151~200 | 50,310 | 54,320 | 61,010 | 37,020 | 39,640 | 43,820 | 40,200 | 42,820 | 47,000 | 41,070 | 43,690 | 47,870 | 37,540 | 40,040 | 43,970 | |||
| 101 ~ 150 | 40~100 | 47,370 | 51,080 | 57,200 | 36,170 | 38,700 | 42,710 | 38,250 | 40,780 | 44,790 | 38,870 | 41,400 | 45,410 | 35,160 | 37,500 | 41,130 | ||
| 101~150 | 51,990 | 56,180 | 63,220 | 38,040 | 40,760 | 45,160 | 40,730 | 43,440 | 47,840 | 41,460 | 44,170 | 48,570 | 38,120 | 40,690 | 44,810 | |||
| 151~200 | 56,150 | 60,750 | 68,600 | 40,390 | 43,340 | 48,200 | 43,970 | 46,930 | 51,780 | 44,960 | 47,910 | 52,770 | 40,730 | 43,540 | 48,060 | |||
| SH-WASBN | 50 ~ 100 | 40 ~ 100 | 40~100 | 36,820 | 38,890 | 41,690 | 31,250 | 32,700 | 34,530 | 32,240 | 33,690 | 35,510 | 32,540 | 34,000 | 35,820 | 27,180 | 28,540 | 30,190 |
| 101~150 | 38,910 | 41,190 | 44,390 | 32,450 | 34,020 | 36,080 | 33,940 | 35,510 | 37,580 | 34,390 | 35,960 | 38,020 | 28,490 | 29,960 | 31,830 | |||
| 151~200 | 41,150 | 43,650 | 47,310 | 33,680 | 35,370 | 37,680 | 35,670 | 37,370 | 39,680 | 36,210 | 37,910 | 40,220 | 29,810 | 31,390 | 33,480 | |||
| 101 ~ 150 | 40~100 | 39,600 | 41,930 | 45,280 | 32,760 | 34,370 | 36,500 | 33,740 | 35,350 | 37,480 | 34,050 | 35,660 | 37,790 | 28,660 | 30,140 | 32,070 | ||
| 101~150 | 42,170 | 44,770 | 48,630 | 34,230 | 35,980 | 38,410 | 36,020 | 37,770 | 40,200 | 36,510 | 38,260 | 40,680 | 30,270 | 31,890 | 34,070 | |||
| 151~200 | 44,750 | 47,600 | 51,980 | 35,630 | 37,510 | 40,220 | 38,020 | 39,910 | 42,610 | 38,670 | 40,560 | 43,260 | 31,780 | 33,530 | 35,980 | |||
| 101 ~ 150 | 40 ~ 100 | 40~100 | 39,650 | 42,020 | 45,380 | 33,270 | 34,920 | 37,150 | 34,260 | 35,900 | 38,140 | 34,570 | 36,210 | 38,450 | 29,400 | 30,940 | 32,960 | |
| 101~150 | 42,110 | 44,720 | 48,570 | 34,170 | 35,890 | 38,300 | 35,660 | 37,390 | 39,790 | 36,100 | 37,830 | 40,240 | 30,930 | 32,590 | 34,870 | |||
| 151~200 | 44,750 | 47,600 | 51,980 | 35,600 | 37,490 | 40,190 | 37,590 | 39,490 | 42,180 | 38,130 | 40,030 | 42,720 | 32,520 | 34,320 | 36,850 | |||
| 101 ~ 150 | 40~100 | 42,930 | 45,600 | 49,620 | 35,060 | 36,880 | 39,470 | 36,350 | 38,170 | 40,760 | 36,740 | 38,560 | 41,150 | 30,830 | 32,540 | 34,870 | ||
| 101~150 | 45,950 | 48,930 | 53,550 | 36,300 | 38,260 | 41,100 | 38,090 | 40,050 | 42,890 | 38,570 | 40,540 | 43,380 | 32,720 | 34,570 | 37,220 | |||
| 151~200 | 48,990 | 52,280 | 57,500 | 37,970 | 40,080 | 43,250 | 40,370 | 42,480 | 45,640 | 41,010 | 43,120 | 46,290 | 34,540 | 36,540 | 39,490 | |||
| 151 ~ 200 | 40 ~ 100 | 40~100 | 42,250 | 44,850 | 48,740 | 34,720 | 36,520 | 39,050 | 36,010 | 37,810 | 40,340 | 36,400 | 38,200 | 40,740 | 30,540 | 32,210 | 34,490 | |
| 101~150 | 45,160 | 48,060 | 52,510 | 35,850 | 37,760 | 40,500 | 37,640 | 39,550 | 42,300 | 38,130 | 40,040 | 42,780 | 32,370 | 34,200 | 36,770 | |||
| 151~200 | 47,960 | 51,150 | 56,170 | 37,370 | 39,430 | 42,500 | 39,760 | 41,830 | 44,890 | 40,410 | 42,480 | 45,540 | 34,080 | 36,050 | 38,890 | |||
| 101 ~ 150 | 40~100 | 44,920 | 47,810 | 52,200 | 36,480 | 38,460 | 41,330 | 37,970 | 39,950 | 42,830 | 38,420 | 40,400 | 43,270 | 32,230 | 34,060 | 36,660 | ||
| 101~150 | 48,290 | 51,500 | 56,590 | 37,850 | 39,970 | 43,120 | 39,940 | 42,060 | 45,210 | 40,510 | 42,630 | 45,780 | 34,400 | 36,420 | 39,360 | |||
| 151~200 | 51,240 | 54,760 | 60,430 | 39,520 | 41,790 | 45,280 | 42,310 | 44,570 | 48,070 | 43,070 | 45,340 | 48,840 | 36,300 | 38,450 | 41,710 | |||
| 201 ~ 250 | 40 ~ 100 | 40~100 | 45,630 | 48,570 | 53,140 | 37,710 | 39,790 | 42,920 | 39,200 | 41,290 | 44,420 | 39,650 | 41,730 | 44,860 | 33,330 | 35,270 | 38,080 | |
| 101~150 | 48,890 | 52,170 | 57,380 | 38,790 | 41,000 | 44,330 | 40,870 | 43,090 | 46,420 | 41,450 | 43,660 | 46,990 | 35,440 | 37,560 | 40,720 | |||
| 151~200 | 52,140 | 55,740 | 61,620 | 40,640 | 43,030 | 46,740 | 43,430 | 45,810 | 49,520 | 44,190 | 46,580 | 50,290 | 37,530 | 39,810 | 43,320 | |||
| 101 ~ 150 | 40~100 | 49,680 | 53,040 | 58,410 | 40,000 | 42,320 | 45,890 | 41,790 | 44,110 | 47,680 | 42,270 | 44,600 | 48,170 | 35,490 | 37,660 | 40,880 | ||
| 101~150 | 53,670 | 57,420 | 63,580 | 41,550 | 44,020 | 47,910 | 43,950 | 46,420 | 50,310 | 44,600 | 47,070 | 50,960 | 38,060 | 40,410 | 44,060 | |||
| 151~200 | 57,440 | 61,560 | 68,500 | 43,670 | 46,370 | 50,680 | 46,850 | 49,550 | 53,860 | 47,720 | 50,410 | 54,730 | 40,420 | 42,980 | 47,020 | |||
| 251 ~ 300 | 40 ~ 100 | 40~100 | 48,820 | 52,100 | 57,290 | 39,590 | 41,870 | 45,370 | 41,380 | 43,660 | 47,160 | 41,870 | 44,150 | 47,650 | 35,130 | 37,250 | 40,400 | |
| 101~150 | 52,650 | 56,310 | 62,260 | 40,960 | 43,390 | 47,150 | 43,360 | 45,780 | 49,550 | 44,000 | 46,430 | 50,190 | 37,650 | 39,950 | 43,520 | |||
| 151~200 | 56,310 | 60,320 | 67,010 | 43,020 | 45,640 | 49,820 | 46,200 | 48,820 | 53,000 | 47,070 | 49,690 | 53,870 | 39,940 | 42,440 | 46,370 | |||
| 101 ~ 150 | 40~100 | 53,370 | 57,080 | 63,200 | 42,170 | 44,700 | 48,710 | 44,250 | 46,780 | 50,790 | 44,870 | 47,400 | 51,410 | 37,560 | 39,900 | 43,530 | ||
| 101~150 | 57,990 | 62,180 | 69,220 | 44,040 | 46,760 | 51,160 | 46,730 | 49,440 | 53,840 | 47,460 | 50,170 | 54,570 | 40,520 | 43,090 | 47,210 | |||
| 151~200 | 62,150 | 66,750 | 74,600 | 46,390 | 49,340 | 54,200 | 49,970 | 52,930 | 57,780 | 50,960 | 53,910 | 58,770 | 43,130 | 45,940 | 50,460 | |||
| SHD-WASBN | 50 ~ 100 | 40 ~ 100 | 40~100 | 40,420 | 42,490 | 45,290 | 34,850 | 36,300 | 38,130 | - | - | - | - | - | - | - | - | - |
| 101~150 | 42,510 | 44,790 | 47,990 | 36,050 | 37,620 | 39,680 | - | - | - | - | - | - | - | - | - | |||
| 151~200 | 44,750 | 47,250 | 50,910 | 37,280 | 38,970 | 41,280 | - | - | - | - | - | - | - | - | - | |||
| 101 ~ 150 | 40~100 | 43,200 | 45,530 | 48,880 | 36,360 | 37,970 | 40,100 | - | - | - | - | - | - | - | - | - | ||
| 101~150 | 45,770 | 48,370 | 52,230 | 37,830 | 39,580 | 42,010 | - | - | - | - | - | - | - | - | - | |||
| 151~200 | 48,350 | 51,200 | 55,580 | 39,230 | 41,110 | 43,820 | - | - | - | - | - | - | - | - | - | |||
| 101 ~ 150 | 40 ~ 100 | 40~100 | 43,250 | 45,620 | 48,980 | 36,870 | 38,520 | 40,750 | - | - | - | - | - | - | - | - | - | |
| 101~150 | 45,710 | 48,320 | 52,170 | 37,770 | 39,490 | 41,900 | - | - | - | - | - | - | - | - | - | |||
| 151~200 | 48,350 | 51,200 | 55,580 | 39,200 | 41,090 | 43,790 | - | - | - | - | - | - | - | - | - | |||
| 101 ~ 150 | 40~100 | 46,530 | 49,200 | 53,220 | 38,660 | 40,480 | 43,070 | - | - | - | - | - | - | - | - | - | ||
| 101~150 | 49,550 | 52,530 | 57,150 | 39,900 | 41,860 | 44,700 | - | - | - | - | - | - | - | - | - | |||
| 151~200 | 52,590 | 55,880 | 61,100 | 41,570 | 43,680 | 46,850 | - | - | - | - | - | - | - | - | - | |||
| 151 ~ 200 | 40 ~ 100 | 40~100 | 45,850 | 48,450 | 52,340 | 38,320 | 40,120 | 42,650 | - | - | - | - | - | - | - | - | - | |
| 101~150 | 48,760 | 51,660 | 56,110 | 39,450 | 41,360 | 44,100 | - | - | - | - | - | - | - | - | - | |||
| 151~200 | 51,560 | 54,750 | 59,770 | 40,970 | 43,030 | 46,100 | - | - | - | - | - | - | - | - | - | |||
| 101 ~ 150 | 40~100 | 48,520 | 51,410 | 55,800 | 40,080 | 42,060 | 44,930 | - | - | - | - | - | - | - | - | - | ||
| 101~150 | 51,890 | 55,100 | 60,190 | 41,450 | 43,570 | 46,720 | - | - | - | - | - | - | - | - | - | |||
| 151~200 | 54,840 | 58,360 | 64,030 | 43,120 | 45,390 | 48,880 | - | - | - | - | - | - | - | - | - | |||
| 201 ~ 250 | 40 ~ 100 | 40~100 | 49,230 | 52,170 | 56,740 | 41,310 | 43,390 | 46,520 | - | - | - | - | - | - | - | - | - | |
| 101~150 | 52,490 | 55,770 | 60,980 | 42,390 | 44,600 | 47,930 | - | - | - | - | - | - | - | - | - | |||
| 151~200 | 55,740 | 59,340 | 65,220 | 44,240 | 46,630 | 50,340 | - | - | - | - | - | - | - | - | - | |||
| 101 ~ 150 | 40~100 | 53,280 | 56,640 | 62,010 | 43,600 | 45,920 | 49,490 | - | - | - | - | - | - | - | - | - | ||
| 101~150 | 57,270 | 61,020 | 67,180 | 45,150 | 47,620 | 51,510 | - | - | - | - | - | - | - | - | - | |||
| 151~200 | 61,040 | 65,160 | 72,100 | 47,270 | 49,970 | 54,280 | - | - | - | - | - | - | - | - | - | |||
| 251 ~ 300 | 40 ~ 100 | 40~100 | 52,420 | 55,700 | 60,890 | 43,190 | 45,470 | 48,970 | - | - | - | - | - | - | - | - | - | |
| 101~150 | 56,250 | 59,910 | 65,860 | 44,560 | 46,990 | 50,750 | - | - | - | - | - | - | - | - | - | |||
| 151~200 | 59,910 | 63,920 | 70,610 | 46,620 | 49,240 | 53,420 | - | - | - | - | - | - | - | - | - | |||
| 101 ~ 150 | 40~100 | 56,970 | 60,680 | 66,800 | 45,770 | 48,300 | 52,310 | - | - | - | - | - | - | - | - | - | ||
| 101~150 | 61,590 | 65,780 | 72,820 | 47,640 | 50,360 | 54,760 | - | - | - | - | - | - | - | - | - | |||
| 151~200 | 65,750 | 70,350 | 78,200 | 49,990 | 52,940 | 57,800 | - | - | - | - | - | - | - | - | - | |||
| SL-WASCN SL-WASMN | 50 ~ 100 | 40 ~ 100 | 40~100 | 31,660 | 33,720 | 36,530 | 25,940 | 27,390 | 29,210 | 26,920 | 28,380 | 30,200 | 27,230 | 28,680 | 30,510 | 25,470 | 26,830 | 28,480 |
| 101~150 | 33,740 | 36,030 | 39,230 | 27,140 | 28,710 | 30,770 | 28,630 | 30,200 | 32,270 | 29,080 | 30,650 | 32,710 | 26,780 | 28,250 | 30,120 | |||
| 151~200 | 35,980 | 38,490 | 42,140 | 28,380 | 30,060 | 32,380 | 30,370 | 32,060 | 34,380 | 30,910 | 32,600 | 34,920 | 28,100 | 29,690 | 31,770 | |||
| 101 ~ 150 | 40~100 | 34,430 | 36,770 | 40,120 | 27,440 | 29,060 | 31,190 | 28,430 | 30,040 | 32,170 | 28,740 | 30,350 | 32,480 | 26,950 | 28,430 | 30,360 | ||
| 101~150 | 37,000 | 39,610 | 43,470 | 28,920 | 30,670 | 33,090 | 30,710 | 32,460 | 34,890 | 31,200 | 32,950 | 35,370 | 28,560 | 30,180 | 32,360 | |||
| 151~200 | 39,590 | 42,430 | 46,820 | 30,320 | 32,200 | 34,910 | 32,710 | 34,600 | 37,300 | 33,360 | 35,250 | 37,950 | 30,070 | 31,820 | 34,270 | |||
| 101 ~ 150 | 40 ~ 100 | 40~100 | 34,490 | 36,840 | 40,200 | 27,960 | 29,610 | 31,840 | 28,950 | 30,590 | 32,830 | 29,260 | 30,900 | 33,140 | 27,690 | 29,230 | 31,250 | |
| 101~150 | 36,950 | 39,550 | 43,410 | 28,850 | 30,590 | 32,990 | 30,350 | 32,090 | 34,480 | 30,790 | 32,530 | 34,930 | 29,230 | 30,880 | 33,160 | |||
| 151~200 | 39,590 | 42,430 | 46,820 | 30,290 | 32,180 | 34,870 | 32,280 | 34,180 | 36,870 | 32,820 | 34,720 | 37,410 | 30,800 | 32,620 | 35,140 | |||
| 101 ~ 150 | 40~100 | 37,760 | 40,430 | 44,440 | 29,740 | 31,570 | 34,160 | 31,040 | 32,860 | 35,460 | 31,430 | 33,250 | 35,850 | 29,120 | 30,830 | 33,160 | ||
| 101~150 | 40,790 | 43,760 | 48,390 | 30,980 | 32,950 | 35,790 | 32,780 | 34,740 | 37,580 | 33,260 | 35,220 | 38,070 | 31,010 | 32,860 | 35,510 | |||
| 151~200 | 43,830 | 47,110 | 52,340 | 32,660 | 34,770 | 37,950 | 35,060 | 37,160 | 40,340 | 35,700 | 37,810 | 40,990 | 32,830 | 34,830 | 37,780 | |||
| 151 ~ 200 | 40 ~ 100 | 40~100 | 37,080 | 39,690 | 43,580 | 29,410 | 31,210 | 33,740 | 30,700 | 32,500 | 35,030 | 31,090 | 32,890 | 35,430 | 28,830 | 30,500 | 32,780 | |
| 101~150 | 39,980 | 42,890 | 47,340 | 30,540 | 32,450 | 35,190 | 32,330 | 34,240 | 36,980 | 32,820 | 34,730 | 37,470 | 30,660 | 32,490 | 35,060 | |||
| 151~200 | 42,800 | 45,980 | 51,010 | 32,060 | 34,120 | 37,190 | 34,450 | 36,520 | 39,580 | 35,100 | 37,160 | 40,230 | 32,370 | 34,330 | 37,180 | |||
| 101 ~ 150 | 40~100 | 39,750 | 42,630 | 47,040 | 31,160 | 33,150 | 36,020 | 32,660 | 34,640 | 37,510 | 33,100 | 35,090 | 37,960 | 30,520 | 32,350 | 34,950 | ||
| 101~150 | 43,130 | 46,340 | 51,430 | 32,540 | 34,660 | 37,810 | 34,630 | 36,750 | 39,900 | 35,200 | 37,320 | 40,470 | 32,690 | 34,710 | 37,650 | |||
| 151~200 | 46,080 | 49,600 | 55,270 | 34,210 | 36,480 | 39,970 | 36,990 | 39,260 | 42,760 | 37,760 | 40,030 | 43,520 | 34,590 | 36,740 | 39,990 | |||
| 201 ~ 250 | 40 ~ 100 | 40~100 | 40,470 | 43,410 | 47,960 | 32,390 | 34,480 | 37,610 | 33,890 | 35,980 | 39,100 | 34,330 | 36,420 | 39,550 | 31,620 | 33,570 | 36,370 | |
| 101~150 | 43,720 | 47,010 | 52,200 | 33,490 | 35,690 | 39,020 | 35,570 | 37,780 | 41,110 | 36,150 | 38,350 | 41,680 | 33,740 | 35,850 | 39,010 | |||
| 151~200 | 46,980 | 50,580 | 56,440 | 35,330 | 37,730 | 41,430 | 38,120 | 40,510 | 44,210 | 38,880 | 41,280 | 44,980 | 35,820 | 38,100 | 41,610 | |||
| 101 ~ 150 | 40~100 | 44,520 | 47,880 | 53,240 | 34,680 | 37,010 | 40,580 | 36,480 | 38,800 | 42,370 | 36,960 | 39,280 | 42,860 | 33,780 | 35,950 | 39,170 | ||
| 101~150 | 48,500 | 52,260 | 58,420 | 36,240 | 38,710 | 42,610 | 38,640 | 41,110 | 45,010 | 39,280 | 41,750 | 45,660 | 36,360 | 38,700 | 42,350 | |||
| 151~200 | 52,280 | 56,400 | 63,320 | 38,360 | 41,070 | 45,370 | 41,540 | 44,250 | 48,550 | 42,410 | 45,110 | 49,420 | 38,710 | 41,270 | 45,310 | |||
| 251 ~ 300 | 40 ~ 100 | 40~100 | 43,660 | 46,940 | 52,130 | 34,280 | 36,560 | 40,060 | 36,070 | 38,350 | 41,850 | 36,560 | 38,840 | 42,340 | 33,420 | 35,540 | 38,690 | |
| 101~150 | 47,490 | 51,140 | 57,090 | 35,650 | 38,080 | 41,840 | 38,040 | 40,470 | 44,230 | 38,690 | 41,120 | 44,880 | 35,930 | 38,240 | 41,810 | |||
| 151~200 | 51,140 | 55,160 | 61,850 | 37,720 | 40,330 | 44,510 | 40,900 | 43,510 | 47,690 | 41,760 | 44,380 | 48,560 | 38,220 | 40,730 | 44,660 | |||
| 101 ~ 150 | 40~100 | 48,200 | 51,920 | 58,020 | 36,860 | 39,390 | 43,400 | 38,930 | 41,470 | 45,470 | 39,560 | 42,090 | 46,100 | 35,850 | 38,190 | 41,820 | ||
| 101~150 | 52,830 | 57,020 | 64,050 | 38,730 | 41,450 | 45,850 | 41,420 | 44,130 | 48,530 | 42,150 | 44,860 | 49,260 | 38,810 | 41,380 | 45,500 | |||
| 151~200 | 56,980 | 61,570 | 69,440 | 41,080 | 44,030 | 48,890 | 44,660 | 47,620 | 52,470 | 45,640 | 48,600 | 53,460 | 41,420 | 44,220 | 48,750 | |||
| SH-WASCN SH-WASMN | 50 ~ 100 | 40 ~ 100 | 40~100 | 37,660 | 39,720 | 42,530 | 31,940 | 33,390 | 35,210 | 32,920 | 34,380 | 36,200 | 33,230 | 34,680 | 36,510 | 27,870 | 29,230 | 30,880 |
| 101~150 | 39,740 | 42,030 | 45,230 | 33,140 | 34,710 | 36,770 | 34,630 | 36,200 | 38,270 | 35,080 | 36,650 | 38,710 | 29,180 | 30,650 | 32,520 | |||
| 151~200 | 41,980 | 44,490 | 48,140 | 34,380 | 36,060 | 38,380 | 36,370 | 38,060 | 40,380 | 36,910 | 38,600 | 40,920 | 30,500 | 32,090 | 34,170 | |||
| 101 ~ 150 | 40~100 | 40,430 | 42,770 | 46,120 | 33,440 | 35,060 | 37,190 | 34,430 | 36,040 | 38,170 | 34,740 | 36,350 | 38,480 | 29,350 | 30,830 | 32,760 | ||
| 101~150 | 43,000 | 45,610 | 49,470 | 34,920 | 36,670 | 39,090 | 36,710 | 38,460 | 40,890 | 37,200 | 38,950 | 41,370 | 30,960 | 32,580 | 34,760 | |||
| 151~200 | 45,590 | 48,430 | 52,820 | 36,320 | 38,200 | 40,910 | 38,710 | 40,600 | 43,300 | 39,360 | 41,250 | 43,950 | 32,470 | 34,220 | 36,670 | |||
| 101 ~ 150 | 40 ~ 100 | 40~100 | 40,490 | 42,840 | 46,200 | 33,960 | 35,610 | 37,840 | 34,950 | 36,590 | 38,830 | 35,260 | 36,900 | 39,140 | 30,090 | 31,630 | 33,650 | |
| 101~150 | 42,950 | 45,550 | 49,410 | 34,850 | 36,590 | 38,990 | 36,350 | 38,090 | 40,480 | 36,790 | 38,530 | 40,930 | 31,630 | 33,280 | 35,560 | |||
| 151~200 | 45,590 | 48,430 | 52,820 | 36,290 | 38,180 | 40,870 | 38,280 | 40,180 | 42,870 | 38,820 | 40,720 | 43,410 | 33,200 | 35,020 | 37,540 | |||
| 101 ~ 150 | 40~100 | 43,760 | 46,430 | 50,440 | 35,740 | 37,570 | 40,160 | 37,040 | 38,860 | 41,460 | 37,430 | 39,250 | 41,850 | 31,520 | 33,230 | 35,560 | ||
| 101~150 | 46,790 | 49,760 | 54,390 | 36,980 | 38,950 | 41,790 | 38,780 | 40,740 | 43,580 | 39,260 | 41,220 | 44,070 | 33,410 | 35,260 | 37,910 | |||
| 151~200 | 49,830 | 53,110 | 58,340 | 38,660 | 40,770 | 43,950 | 41,060 | 43,160 | 46,340 | 41,700 | 43,810 | 46,990 | 35,230 | 37,230 | 40,180 | |||
| 151 ~ 200 | 40 ~ 100 | 40~100 | 43,080 | 45,690 | 49,580 | 35,410 | 37,210 | 39,740 | 36,700 | 38,500 | 41,030 | 37,090 | 38,890 | 41,430 | 31,230 | 32,900 | 35,180 | |
| 101~150 | 45,980 | 48,890 | 53,340 | 36,540 | 38,450 | 41,190 | 38,330 | 40,240 | 42,980 | 38,820 | 40,730 | 43,470 | 33,060 | 34,890 | 37,460 | |||
| 151~200 | 48,800 | 51,980 | 57,010 | 38,060 | 40,120 | 43,190 | 40,450 | 42,520 | 45,580 | 41,100 | 43,160 | 46,230 | 34,770 | 36,730 | 39,580 | |||
| 101 ~ 150 | 40~100 | 45,750 | 48,630 | 53,040 | 37,160 | 39,150 | 42,020 | 38,660 | 40,640 | 43,510 | 39,100 | 41,090 | 43,960 | 32,920 | 34,750 | 37,350 | ||
| 101~150 | 49,130 | 52,340 | 57,430 | 38,540 | 40,660 | 43,810 | 40,630 | 42,750 | 45,900 | 41,200 | 43,320 | 46,470 | 35,090 | 37,110 | 40,050 | |||
| 151~200 | 52,080 | 55,600 | 61,270 | 40,210 | 42,480 | 45,970 | 42,990 | 45,260 | 48,760 | 43,760 | 46,030 | 49,520 | 36,990 | 39,140 | 42,390 | |||
| 201 ~ 250 | 40 ~ 100 | 40~100 | 46,470 | 49,410 | 53,960 | 38,390 | 40,480 | 43,610 | 39,890 | 41,980 | 45,100 | 40,330 | 42,420 | 45,550 | 34,020 | 35,970 | 38,770 | |
| 101~150 | 49,720 | 53,010 | 58,200 | 39,490 | 41,690 | 45,020 | 41,570 | 43,780 | 47,110 | 42,150 | 44,350 | 47,680 | 36,140 | 38,250 | 41,410 | |||
| 151~200 | 52,980 | 56,580 | 62,440 | 41,330 | 43,730 | 47,430 | 44,120 | 46,510 | 50,210 | 44,880 | 47,280 | 50,980 | 38,220 | 40,500 | 44,010 | |||
| 101 ~ 150 | 40~100 | 50,520 | 53,880 | 59,240 | 40,680 | 43,010 | 46,580 | 42,480 | 44,800 | 48,370 | 42,960 | 45,280 | 48,860 | 36,180 | 38,350 | 41,570 | ||
| 101~150 | 54,500 | 58,260 | 64,420 | 42,240 | 44,710 | 48,610 | 44,640 | 47,110 | 51,010 | 45,280 | 47,750 | 51,660 | 38,760 | 41,100 | 44,750 | |||
| 151~200 | 58,280 | 62,400 | 69,320 | 44,360 | 47,070 | 51,370 | 47,540 | 50,250 | 54,550 | 48,410 | 51,110 | 55,420 | 41,110 | 43,670 | 47,710 | |||
| 251 ~ 300 | 40 ~ 100 | 40~100 | 49,660 | 52,940 | 58,130 | 40,280 | 42,560 | 46,060 | 42,070 | 44,350 | 47,850 | 42,560 | 44,840 | 48,340 | 35,820 | 37,940 | 41,090 | |
| 101~150 | 53,490 | 57,140 | 63,090 | 41,650 | 44,080 | 47,840 | 44,040 | 46,470 | 50,230 | 44,690 | 47,120 | 50,880 | 38,330 | 40,640 | 44,210 | |||
| 151~200 | 57,140 | 61,160 | 67,850 | 43,720 | 46,330 | 50,510 | 46,900 | 49,510 | 53,690 | 47,760 | 50,380 | 54,560 | 40,620 | 43,130 | 47,060 | |||
| 101 ~ 150 | 40~100 | 54,200 | 57,920 | 64,020 | 42,860 | 45,390 | 49,400 | 44,930 | 47,470 | 51,470 | 45,560 | 48,090 | 52,100 | 38,250 | 40,590 | 44,220 | ||
| 101~150 | 58,830 | 63,020 | 70,050 | 44,730 | 47,450 | 51,850 | 47,420 | 50,130 | 54,530 | 48,150 | 50,860 | 55,260 | 41,210 | 43,780 | 47,900 | |||
| 151~200 | 62,980 | 67,570 | 75,440 | 47,080 | 50,030 | 54,890 | 50,660 | 53,620 | 58,470 | 51,640 | 54,600 | 59,460 | 43,820 | 46,620 | 51,150 | |||
| SHD-WASCN SHD-WASMN | 50 ~ 100 | 40 ~ 100 | 40~100 | 41,260 | 43,320 | 46,130 | 35,540 | 36,990 | 38,810 | - | - | - | - | - | - | - | - | - |
| 101~150 | 43,340 | 45,630 | 48,830 | 36,740 | 38,310 | 40,370 | - | - | - | - | - | - | - | - | - | |||
| 151~200 | 45,580 | 48,090 | 51,740 | 37,980 | 39,660 | 41,980 | - | - | - | - | - | - | - | - | - | |||
| 101 ~ 150 | 40~100 | 44,030 | 46,370 | 49,720 | 37,040 | 38,660 | 40,790 | - | - | - | - | - | - | - | - | - | ||
| 101~150 | 46,600 | 49,210 | 53,070 | 38,520 | 40,270 | 42,690 | - | - | - | - | - | - | - | - | - | |||
| 151~200 | 49,190 | 52,030 | 56,420 | 39,920 | 41,800 | 44,510 | - | - | - | - | - | - | - | - | - | |||
| 101 ~ 150 | 40 ~ 100 | 40~100 | 44,090 | 46,440 | 49,800 | 37,560 | 39,210 | 41,440 | - | - | - | - | - | - | - | - | - | |
| 101~150 | 46,550 | 49,150 | 53,010 | 38,450 | 40,190 | 42,590 | - | - | - | - | - | - | - | - | - | |||
| 151~200 | 49,190 | 52,030 | 56,420 | 39,890 | 41,780 | 44,470 | - | - | - | - | - | - | - | - | - | |||
| 101 ~ 150 | 40~100 | 47,360 | 50,030 | 54,040 | 39,340 | 41,170 | 43,760 | - | - | - | - | - | - | - | - | - | ||
| 101~150 | 50,390 | 53,360 | 57,990 | 40,580 | 42,550 | 45,390 | - | - | - | - | - | - | - | - | - | |||
| 151~200 | 53,430 | 56,710 | 61,940 | 42,260 | 44,370 | 47,550 | - | - | - | - | - | - | - | - | - | |||
| 151 ~ 200 | 40 ~ 100 | 40~100 | 46,680 | 49,290 | 53,180 | 39,010 | 40,810 | 43,340 | - | - | - | - | - | - | - | - | - | |
| 101~150 | 49,580 | 52,490 | 56,940 | 40,140 | 42,050 | 44,790 | - | - | - | - | - | - | - | - | - | |||
| 151~200 | 52,400 | 55,580 | 60,610 | 41,660 | 43,720 | 46,790 | - | - | - | - | - | - | - | - | - | |||
| 101 ~ 150 | 40~100 | 49,350 | 52,230 | 56,640 | 40,760 | 42,750 | 45,620 | - | - | - | - | - | - | - | - | - | ||
| 101~150 | 52,730 | 55,940 | 61,030 | 42,140 | 44,260 | 47,410 | - | - | - | - | - | - | - | - | - | |||
| 151~200 | 55,680 | 59,200 | 64,870 | 43,810 | 46,080 | 49,570 | - | - | - | - | - | - | - | - | - | |||
| 201 ~ 250 | 40 ~ 100 | 40~100 | 50,070 | 53,010 | 57,560 | 41,990 | 44,080 | 47,210 | - | - | - | - | - | - | - | - | - | |
| 101~150 | 53,320 | 56,610 | 61,800 | 43,090 | 45,290 | 48,620 | - | - | - | - | - | - | - | - | - | |||
| 151~200 | 56,580 | 60,180 | 66,040 | 44,930 | 47,330 | 51,030 | - | - | - | - | - | - | - | - | - | |||
| 101 ~ 150 | 40~100 | 54,120 | 57,480 | 62,840 | 44,280 | 46,610 | 50,180 | - | - | - | - | - | - | - | - | - | ||
| 101~150 | 58,100 | 61,860 | 68,020 | 45,840 | 48,310 | 52,210 | - | - | - | - | - | - | - | - | - | |||
| 151~200 | 61,880 | 66,000 | 72,920 | 47,960 | 50,670 | 54,970 | - | - | - | - | - | - | - | - | - | |||
| 251 ~ 300 | 40 ~ 100 | 40~100 | 53,260 | 56,540 | 61,730 | 43,880 | 46,160 | 49,660 | - | - | - | - | - | - | - | - | - | |
| 101~150 | 57,090 | 60,740 | 66,690 | 45,250 | 47,680 | 51,440 | - | - | - | - | - | - | - | - | - | |||
| 151~200 | 60,740 | 64,760 | 71,450 | 47,320 | 49,930 | 54,110 | - | - | - | - | - | - | - | - | - | |||
| 101 ~ 150 | 40~100 | 57,800 | 61,520 | 67,620 | 46,460 | 48,990 | 53,000 | - | - | - | - | - | - | - | - | - | ||
| 101~150 | 62,430 | 66,620 | 73,650 | 48,330 | 51,050 | 55,450 | - | - | - | - | - | - | - | - | - | |||
| 151~200 | 66,580 | 71,170 | 79,040 | 50,680 | 53,630 | 58,490 | - | - | - | - | - | - | - | - | - | |||
| Type | A | B | L | ¥基準単価 | ||||||||||||||
| SUB | AB | ABW | ABB | SBM | ||||||||||||||
| (SUS304) | (A5052 表面処理なし) | (A5052 アルマイト処理(白)) | (A5052 アルマイト処理(黒)) | (SS400 無電解ニッケルメッキ) | ||||||||||||||
| T=10 | T=14・17 | T=20 | T=10 | T=14・17 | T=20 | T=10 | T=14・17 | T=20 | T=10 | T=14・17 | T=20 | T=8・10 | T=14・17 | T=20 | ||||
| SL-WASBN | 50 ~ 100 | 40 ~ 100 | 40~100 | 30,820 | 32,890 | 35,690 | 25,250 | 26,700 | 28,530 | 26,240 | 27,690 | 29,510 | 26,540 | 28,000 | 29,820 | 24,780 | 26,140 | 27,790 |
| 101~150 | 32,910 | 35,190 | 38,390 | 26,450 | 28,020 | 30,080 | 27,940 | 29,510 | 31,580 | 28,390 | 29,960 | 32,020 | 26,090 | 27,560 | 29,430 | |||
| 151~200 | 35,150 | 37,650 | 41,310 | 27,680 | 29,370 | 31,680 | 29,670 | 31,370 | 33,680 | 30,210 | 31,910 | 34,220 | 27,410 | 28,990 | 31,080 | |||
| 101 ~ 150 | 40~100 | 33,600 | 35,930 | 39,280 | 26,760 | 28,370 | 30,500 | 27,740 | 29,350 | 31,480 | 28,050 | 29,660 | 31,790 | 26,260 | 27,740 | 29,670 | ||
| 101~150 | 36,170 | 38,770 | 42,630 | 28,230 | 29,980 | 32,410 | 30,020 | 31,770 | 34,200 | 30,510 | 32,260 | 34,680 | 27,870 | 29,490 | 31,670 | |||
| 151~200 | 38,750 | 41,600 | 45,980 | 29,630 | 31,510 | 34,220 | 32,020 | 33,910 | 36,610 | 32,670 | 34,560 | 37,260 | 29,380 | 31,130 | 33,580 | |||
| 101 ~ 150 | 40 ~ 100 | 40~100 | 33,650 | 36,020 | 39,380 | 27,270 | 28,920 | 31,150 | 28,260 | 29,900 | 32,140 | 28,570 | 30,210 | 32,450 | 27,000 | 28,540 | 30,560 | |
| 101~150 | 36,110 | 38,720 | 42,570 | 28,170 | 29,890 | 32,300 | 29,660 | 31,390 | 33,790 | 30,100 | 31,830 | 34,240 | 28,530 | 30,190 | 32,470 | |||
| 151~200 | 38,750 | 41,600 | 45,980 | 29,600 | 31,490 | 34,190 | 31,590 | 33,490 | 36,180 | 32,130 | 34,030 | 36,720 | 30,120 | 31,920 | 34,450 | |||
| 101 ~ 150 | 40~100 | 36,930 | 39,600 | 43,620 | 29,060 | 30,880 | 33,470 | 30,350 | 32,170 | 34,760 | 30,740 | 32,560 | 35,150 | 28,430 | 30,140 | 32,470 | ||
| 101~150 | 39,950 | 42,930 | 47,550 | 30,300 | 32,260 | 35,100 | 32,090 | 34,050 | 36,890 | 32,570 | 34,540 | 37,380 | 30,320 | 32,170 | 34,820 | |||
| 151~200 | 42,990 | 46,280 | 51,500 | 31,970 | 34,080 | 37,250 | 34,370 | 36,480 | 39,640 | 35,010 | 37,120 | 40,290 | 32,140 | 34,140 | 37,090 | |||
| 151 ~ 200 | 40 ~ 100 | 40~100 | 36,250 | 38,850 | 42,740 | 28,720 | 30,520 | 33,050 | 30,010 | 31,810 | 34,340 | 30,400 | 32,200 | 34,740 | 28,140 | 29,810 | 32,090 | |
| 101~150 | 39,160 | 42,060 | 46,510 | 29,850 | 31,760 | 34,500 | 31,640 | 33,550 | 36,300 | 32,130 | 34,040 | 36,780 | 29,970 | 31,800 | 34,370 | |||
| 151~200 | 41,960 | 45,150 | 50,170 | 31,370 | 33,430 | 36,500 | 33,760 | 35,830 | 38,890 | 34,410 | 36,480 | 39,540 | 31,680 | 33,650 | 36,490 | |||
| 101 ~ 150 | 40~100 | 38,920 | 41,810 | 46,200 | 30,480 | 32,460 | 35,330 | 31,970 | 33,950 | 36,830 | 32,420 | 34,400 | 37,270 | 29,830 | 31,660 | 34,260 | ||
| 101~150 | 42,290 | 45,500 | 50,590 | 31,850 | 33,970 | 37,120 | 33,940 | 36,060 | 39,210 | 34,510 | 36,630 | 39,780 | 32,000 | 34,020 | 36,960 | |||
| 151~200 | 45,240 | 48,760 | 54,430 | 33,520 | 35,790 | 39,280 | 36,310 | 38,570 | 42,070 | 37,070 | 39,340 | 42,840 | 33,900 | 36,050 | 39,310 | |||
| 201 ~ 250 | 40 ~ 100 | 40~100 | 39,630 | 42,570 | 47,140 | 31,710 | 33,790 | 36,920 | 33,200 | 35,290 | 38,420 | 33,650 | 35,730 | 38,860 | 30,930 | 32,870 | 35,680 | |
| 101~150 | 42,890 | 46,170 | 51,380 | 32,790 | 35,000 | 38,330 | 34,870 | 37,090 | 40,420 | 35,450 | 37,660 | 40,990 | 33,040 | 35,160 | 38,320 | |||
| 151~200 | 46,140 | 49,740 | 55,620 | 34,640 | 37,030 | 40,740 | 37,430 | 39,810 | 43,520 | 38,190 | 40,580 | 44,290 | 35,130 | 37,410 | 40,920 | |||
| 101 ~ 150 | 40~100 | 43,680 | 47,040 | 52,410 | 34,000 | 36,320 | 39,890 | 35,790 | 38,110 | 41,680 | 36,270 | 38,600 | 42,170 | 33,090 | 35,260 | 38,480 | ||
| 101~150 | 47,670 | 51,420 | 57,580 | 35,550 | 38,020 | 41,910 | 37,950 | 40,420 | 44,310 | 38,600 | 41,070 | 44,960 | 35,660 | 38,010 | 41,660 | |||
| 151~200 | 51,440 | 55,560 | 62,500 | 37,670 | 40,370 | 44,680 | 40,850 | 43,550 | 47,860 | 41,720 | 44,410 | 48,730 | 38,020 | 40,580 | 44,620 | |||
| 251 ~ 300 | 40 ~ 100 | 40~100 | 42,820 | 46,100 | 51,290 | 33,590 | 35,870 | 39,370 | 35,380 | 37,660 | 41,160 | 35,870 | 38,150 | 41,650 | 32,730 | 34,850 | 38,000 | |
| 101~150 | 46,650 | 50,310 | 56,260 | 34,960 | 37,390 | 41,150 | 37,360 | 39,780 | 43,550 | 38,000 | 40,430 | 44,190 | 35,250 | 37,550 | 41,120 | |||
| 151~200 | 50,310 | 54,320 | 61,010 | 37,020 | 39,640 | 43,820 | 40,200 | 42,820 | 47,000 | 41,070 | 43,690 | 47,870 | 37,540 | 40,040 | 43,970 | |||
| 101 ~ 150 | 40~100 | 47,370 | 51,080 | 57,200 | 36,170 | 38,700 | 42,710 | 38,250 | 40,780 | 44,790 | 38,870 | 41,400 | 45,410 | 35,160 | 37,500 | 41,130 | ||
| 101~150 | 51,990 | 56,180 | 63,220 | 38,040 | 40,760 | 45,160 | 40,730 | 43,440 | 47,840 | 41,460 | 44,170 | 48,570 | 38,120 | 40,690 | 44,810 | |||
| 151~200 | 56,150 | 60,750 | 68,600 | 40,390 | 43,340 | 48,200 | 43,970 | 46,930 | 51,780 | 44,960 | 47,910 | 52,770 | 40,730 | 43,540 | 48,060 | |||
| SH-WASBN | 50 ~ 100 | 40 ~ 100 | 40~100 | 36,820 | 38,890 | 41,690 | 31,250 | 32,700 | 34,530 | 32,240 | 33,690 | 35,510 | 32,540 | 34,000 | 35,820 | 27,180 | 28,540 | 30,190 |
| 101~150 | 38,910 | 41,190 | 44,390 | 32,450 | 34,020 | 36,080 | 33,940 | 35,510 | 37,580 | 34,390 | 35,960 | 38,020 | 28,490 | 29,960 | 31,830 | |||
| 151~200 | 41,150 | 43,650 | 47,310 | 33,680 | 35,370 | 37,680 | 35,670 | 37,370 | 39,680 | 36,210 | 37,910 | 40,220 | 29,810 | 31,390 | 33,480 | |||
| 101 ~ 150 | 40~100 | 39,600 | 41,930 | 45,280 | 32,760 | 34,370 | 36,500 | 33,740 | 35,350 | 37,480 | 34,050 | 35,660 | 37,790 | 28,660 | 30,140 | 32,070 | ||
| 101~150 | 42,170 | 44,770 | 48,630 | 34,230 | 35,980 | 38,410 | 36,020 | 37,770 | 40,200 | 36,510 | 38,260 | 40,680 | 30,270 | 31,890 | 34,070 | |||
| 151~200 | 44,750 | 47,600 | 51,980 | 35,630 | 37,510 | 40,220 | 38,020 | 39,910 | 42,610 | 38,670 | 40,560 | 43,260 | 31,780 | 33,530 | 35,980 | |||
| 101 ~ 150 | 40 ~ 100 | 40~100 | 39,650 | 42,020 | 45,380 | 33,270 | 34,920 | 37,150 | 34,260 | 35,900 | 38,140 | 34,570 | 36,210 | 38,450 | 29,400 | 30,940 | 32,960 | |
| 101~150 | 42,110 | 44,720 | 48,570 | 34,170 | 35,890 | 38,300 | 35,660 | 37,390 | 39,790 | 36,100 | 37,830 | 40,240 | 30,930 | 32,590 | 34,870 | |||
| 151~200 | 44,750 | 47,600 | 51,980 | 35,600 | 37,490 | 40,190 | 37,590 | 39,490 | 42,180 | 38,130 | 40,030 | 42,720 | 32,520 | 34,320 | 36,850 | |||
| 101 ~ 150 | 40~100 | 42,930 | 45,600 | 49,620 | 35,060 | 36,880 | 39,470 | 36,350 | 38,170 | 40,760 | 36,740 | 38,560 | 41,150 | 30,830 | 32,540 | 34,870 | ||
| 101~150 | 45,950 | 48,930 | 53,550 | 36,300 | 38,260 | 41,100 | 38,090 | 40,050 | 42,890 | 38,570 | 40,540 | 43,380 | 32,720 | 34,570 | 37,220 | |||
| 151~200 | 48,990 | 52,280 | 57,500 | 37,970 | 40,080 | 43,250 | 40,370 | 42,480 | 45,640 | 41,010 | 43,120 | 46,290 | 34,540 | 36,540 | 39,490 | |||
| 151 ~ 200 | 40 ~ 100 | 40~100 | 42,250 | 44,850 | 48,740 | 34,720 | 36,520 | 39,050 | 36,010 | 37,810 | 40,340 | 36,400 | 38,200 | 40,740 | 30,540 | 32,210 | 34,490 | |
| 101~150 | 45,160 | 48,060 | 52,510 | 35,850 | 37,760 | 40,500 | 37,640 | 39,550 | 42,300 | 38,130 | 40,040 | 42,780 | 32,370 | 34,200 | 36,770 | |||
| 151~200 | 47,960 | 51,150 | 56,170 | 37,370 | 39,430 | 42,500 | 39,760 | 41,830 | 44,890 | 40,410 | 42,480 | 45,540 | 34,080 | 36,050 | 38,890 | |||
| 101 ~ 150 | 40~100 | 44,920 | 47,810 | 52,200 | 36,480 | 38,460 | 41,330 | 37,970 | 39,950 | 42,830 | 38,420 | 40,400 | 43,270 | 32,230 | 34,060 | 36,660 | ||
| 101~150 | 48,290 | 51,500 | 56,590 | 37,850 | 39,970 | 43,120 | 39,940 | 42,060 | 45,210 | 40,510 | 42,630 | 45,780 | 34,400 | 36,420 | 39,360 | |||
| 151~200 | 51,240 | 54,760 | 60,430 | 39,520 | 41,790 | 45,280 | 42,310 | 44,570 | 48,070 | 43,070 | 45,340 | 48,840 | 36,300 | 38,450 | 41,710 | |||
| 201 ~ 250 | 40 ~ 100 | 40~100 | 45,630 | 48,570 | 53,140 | 37,710 | 39,790 | 42,920 | 39,200 | 41,290 | 44,420 | 39,650 | 41,730 | 44,860 | 33,330 | 35,270 | 38,080 | |
| 101~150 | 48,890 | 52,170 | 57,380 | 38,790 | 41,000 | 44,330 | 40,870 | 43,090 | 46,420 | 41,450 | 43,660 | 46,990 | 35,440 | 37,560 | 40,720 | |||
| 151~200 | 52,140 | 55,740 | 61,620 | 40,640 | 43,030 | 46,740 | 43,430 | 45,810 | 49,520 | 44,190 | 46,580 | 50,290 | 37,530 | 39,810 | 43,320 | |||
| 101 ~ 150 | 40~100 | 49,680 | 53,040 | 58,410 | 40,000 | 42,320 | 45,890 | 41,790 | 44,110 | 47,680 | 42,270 | 44,600 | 48,170 | 35,490 | 37,660 | 40,880 | ||
| 101~150 | 53,670 | 57,420 | 63,580 | 41,550 | 44,020 | 47,910 | 43,950 | 46,420 | 50,310 | 44,600 | 47,070 | 50,960 | 38,060 | 40,410 | 44,060 | |||
| 151~200 | 57,440 | 61,560 | 68,500 | 43,670 | 46,370 | 50,680 | 46,850 | 49,550 | 53,860 | 47,720 | 50,410 | 54,730 | 40,420 | 42,980 | 47,020 | |||
| 251 ~ 300 | 40 ~ 100 | 40~100 | 48,820 | 52,100 | 57,290 | 39,590 | 41,870 | 45,370 | 41,380 | 43,660 | 47,160 | 41,870 | 44,150 | 47,650 | 35,130 | 37,250 | 40,400 | |
| 101~150 | 52,650 | 56,310 | 62,260 | 40,960 | 43,390 | 47,150 | 43,360 | 45,780 | 49,550 | 44,000 | 46,430 | 50,190 | 37,650 | 39,950 | 43,520 | |||
| 151~200 | 56,310 | 60,320 | 67,010 | 43,020 | 45,640 | 49,820 | 46,200 | 48,820 | 53,000 | 47,070 | 49,690 | 53,870 | 39,940 | 42,440 | 46,370 | |||
| 101 ~ 150 | 40~100 | 53,370 | 57,080 | 63,200 | 42,170 | 44,700 | 48,710 | 44,250 | 46,780 | 50,790 | 44,870 | 47,400 | 51,410 | 37,560 | 39,900 | 43,530 | ||
| 101~150 | 57,990 | 62,180 | 69,220 | 44,040 | 46,760 | 51,160 | 46,730 | 49,440 | 53,840 | 47,460 | 50,170 | 54,570 | 40,520 | 43,090 | 47,210 | |||
| 151~200 | 62,150 | 66,750 | 74,600 | 46,390 | 49,340 | 54,200 | 49,970 | 52,930 | 57,780 | 50,960 | 53,910 | 58,770 | 43,130 | 45,940 | 50,460 | |||
| SHD-WASBN | 50 ~ 100 | 40 ~ 100 | 40~100 | 40,420 | 42,490 | 45,290 | 34,850 | 36,300 | 38,130 | - | - | - | - | - | - | - | - | - |
| 101~150 | 42,510 | 44,790 | 47,990 | 36,050 | 37,620 | 39,680 | - | - | - | - | - | - | - | - | - | |||
| 151~200 | 44,750 | 47,250 | 50,910 | 37,280 | 38,970 | 41,280 | - | - | - | - | - | - | - | - | - | |||
| 101 ~ 150 | 40~100 | 43,200 | 45,530 | 48,880 | 36,360 | 37,970 | 40,100 | - | - | - | - | - | - | - | - | - | ||
| 101~150 | 45,770 | 48,370 | 52,230 | 37,830 | 39,580 | 42,010 | - | - | - | - | - | - | - | - | - | |||
| 151~200 | 48,350 | 51,200 | 55,580 | 39,230 | 41,110 | 43,820 | - | - | - | - | - | - | - | - | - | |||
| 101 ~ 150 | 40 ~ 100 | 40~100 | 43,250 | 45,620 | 48,980 | 36,870 | 38,520 | 40,750 | - | - | - | - | - | - | - | - | - | |
| 101~150 | 45,710 | 48,320 | 52,170 | 37,770 | 39,490 | 41,900 | - | - | - | - | - | - | - | - | - | |||
| 151~200 | 48,350 | 51,200 | 55,580 | 39,200 | 41,090 | 43,790 | - | - | - | - | - | - | - | - | - | |||
| 101 ~ 150 | 40~100 | 46,530 | 49,200 | 53,220 | 38,660 | 40,480 | 43,070 | - | - | - | - | - | - | - | - | - | ||
| 101~150 | 49,550 | 52,530 | 57,150 | 39,900 | 41,860 | 44,700 | - | - | - | - | - | - | - | - | - | |||
| 151~200 | 52,590 | 55,880 | 61,100 | 41,570 | 43,680 | 46,850 | - | - | - | - | - | - | - | - | - | |||
| 151 ~ 200 | 40 ~ 100 | 40~100 | 45,850 | 48,450 | 52,340 | 38,320 | 40,120 | 42,650 | - | - | - | - | - | - | - | - | - | |
| 101~150 | 48,760 | 51,660 | 56,110 | 39,450 | 41,360 | 44,100 | - | - | - | - | - | - | - | - | - | |||
| 151~200 | 51,560 | 54,750 | 59,770 | 40,970 | 43,030 | 46,100 | - | - | - | - | - | - | - | - | - | |||
| 101 ~ 150 | 40~100 | 48,520 | 51,410 | 55,800 | 40,080 | 42,060 | 44,930 | - | - | - | - | - | - | - | - | - | ||
| 101~150 | 51,890 | 55,100 | 60,190 | 41,450 | 43,570 | 46,720 | - | - | - | - | - | - | - | - | - | |||
| 151~200 | 54,840 | 58,360 | 64,030 | 43,120 | 45,390 | 48,880 | - | - | - | - | - | - | - | - | - | |||
| 201 ~ 250 | 40 ~ 100 | 40~100 | 49,230 | 52,170 | 56,740 | 41,310 | 43,390 | 46,520 | - | - | - | - | - | - | - | - | - | |
| 101~150 | 52,490 | 55,770 | 60,980 | 42,390 | 44,600 | 47,930 | - | - | - | - | - | - | - | - | - | |||
| 151~200 | 55,740 | 59,340 | 65,220 | 44,240 | 46,630 | 50,340 | - | - | - | - | - | - | - | - | - | |||
| 101 ~ 150 | 40~100 | 53,280 | 56,640 | 62,010 | 43,600 | 45,920 | 49,490 | - | - | - | - | - | - | - | - | - | ||
| 101~150 | 57,270 | 61,020 | 67,180 | 45,150 | 47,620 | 51,510 | - | - | - | - | - | - | - | - | - | |||
| 151~200 | 61,040 | 65,160 | 72,100 | 47,270 | 49,970 | 54,280 | - | - | - | - | - | - | - | - | - | |||
| 251 ~ 300 | 40 ~ 100 | 40~100 | 52,420 | 55,700 | 60,890 | 43,190 | 45,470 | 48,970 | - | - | - | - | - | - | - | - | - | |
| 101~150 | 56,250 | 59,910 | 65,860 | 44,560 | 46,990 | 50,750 | - | - | - | - | - | - | - | - | - | |||
| 151~200 | 59,910 | 63,920 | 70,610 | 46,620 | 49,240 | 53,420 | - | - | - | - | - | - | - | - | - | |||
| 101 ~ 150 | 40~100 | 56,970 | 60,680 | 66,800 | 45,770 | 48,300 | 52,310 | - | - | - | - | - | - | - | - | - | ||
| 101~150 | 61,590 | 65,780 | 72,820 | 47,640 | 50,360 | 54,760 | - | - | - | - | - | - | - | - | - | |||
| 151~200 | 65,750 | 70,350 | 78,200 | 49,990 | 52,940 | 57,800 | - | - | - | - | - | - | - | - | - | |||
| SL-WASCN SL-WASMN | 50 ~ 100 | 40 ~ 100 | 40~100 | 31,660 | 33,720 | 36,530 | 25,940 | 27,390 | 29,210 | 26,920 | 28,380 | 30,200 | 27,230 | 28,680 | 30,510 | 25,470 | 26,830 | 28,480 |
| 101~150 | 33,740 | 36,030 | 39,230 | 27,140 | 28,710 | 30,770 | 28,630 | 30,200 | 32,270 | 29,080 | 30,650 | 32,710 | 26,780 | 28,250 | 30,120 | |||
| 151~200 | 35,980 | 38,490 | 42,140 | 28,380 | 30,060 | 32,380 | 30,370 | 32,060 | 34,380 | 30,910 | 32,600 | 34,920 | 28,100 | 29,690 | 31,770 | |||
| 101 ~ 150 | 40~100 | 34,430 | 36,770 | 40,120 | 27,440 | 29,060 | 31,190 | 28,430 | 30,040 | 32,170 | 28,740 | 30,350 | 32,480 | 26,950 | 28,430 | 30,360 | ||
| 101~150 | 37,000 | 39,610 | 43,470 | 28,920 | 30,670 | 33,090 | 30,710 | 32,460 | 34,890 | 31,200 | 32,950 | 35,370 | 28,560 | 30,180 | 32,360 | |||
| 151~200 | 39,590 | 42,430 | 46,820 | 30,320 | 32,200 | 34,910 | 32,710 | 34,600 | 37,300 | 33,360 | 35,250 | 37,950 | 30,070 | 31,820 | 34,270 | |||
| 101 ~ 150 | 40 ~ 100 | 40~100 | 34,490 | 36,840 | 40,200 | 27,960 | 29,610 | 31,840 | 28,950 | 30,590 | 32,830 | 29,260 | 30,900 | 33,140 | 27,690 | 29,230 | 31,250 | |
| 101~150 | 36,950 | 39,550 | 43,410 | 28,850 | 30,590 | 32,990 | 30,350 | 32,090 | 34,480 | 30,790 | 32,530 | 34,930 | 29,230 | 30,880 | 33,160 | |||
| 151~200 | 39,590 | 42,430 | 46,820 | 30,290 | 32,180 | 34,870 | 32,280 | 34,180 | 36,870 | 32,820 | 34,720 | 37,410 | 30,800 | 32,620 | 35,140 | |||
| 101 ~ 150 | 40~100 | 37,760 | 40,430 | 44,440 | 29,740 | 31,570 | 34,160 | 31,040 | 32,860 | 35,460 | 31,430 | 33,250 | 35,850 | 29,120 | 30,830 | 33,160 | ||
| 101~150 | 40,790 | 43,760 | 48,390 | 30,980 | 32,950 | 35,790 | 32,780 | 34,740 | 37,580 | 33,260 | 35,220 | 38,070 | 31,010 | 32,860 | 35,510 | |||
| 151~200 | 43,830 | 47,110 | 52,340 | 32,660 | 34,770 | 37,950 | 35,060 | 37,160 | 40,340 | 35,700 | 37,810 | 40,990 | 32,830 | 34,830 | 37,780 | |||
| 151 ~ 200 | 40 ~ 100 | 40~100 | 37,080 | 39,690 | 43,580 | 29,410 | 31,210 | 33,740 | 30,700 | 32,500 | 35,030 | 31,090 | 32,890 | 35,430 | 28,830 | 30,500 | 32,780 | |
| 101~150 | 39,980 | 42,890 | 47,340 | 30,540 | 32,450 | 35,190 | 32,330 | 34,240 | 36,980 | 32,820 | 34,730 | 37,470 | 30,660 | 32,490 | 35,060 | |||
| 151~200 | 42,800 | 45,980 | 51,010 | 32,060 | 34,120 | 37,190 | 34,450 | 36,520 | 39,580 | 35,100 | 37,160 | 40,230 | 32,370 | 34,330 | 37,180 | |||
| 101 ~ 150 | 40~100 | 39,750 | 42,630 | 47,040 | 31,160 | 33,150 | 36,020 | 32,660 | 34,640 | 37,510 | 33,100 | 35,090 | 37,960 | 30,520 | 32,350 | 34,950 | ||
| 101~150 | 43,130 | 46,340 | 51,430 | 32,540 | 34,660 | 37,810 | 34,630 | 36,750 | 39,900 | 35,200 | 37,320 | 40,470 | 32,690 | 34,710 | 37,650 | |||
| 151~200 | 46,080 | 49,600 | 55,270 | 34,210 | 36,480 | 39,970 | 36,990 | 39,260 | 42,760 | 37,760 | 40,030 | 43,520 | 34,590 | 36,740 | 39,990 | |||
| 201 ~ 250 | 40 ~ 100 | 40~100 | 40,470 | 43,410 | 47,960 | 32,390 | 34,480 | 37,610 | 33,890 | 35,980 | 39,100 | 34,330 | 36,420 | 39,550 | 31,620 | 33,570 | 36,370 | |
| 101~150 | 43,720 | 47,010 | 52,200 | 33,490 | 35,690 | 39,020 | 35,570 | 37,780 | 41,110 | 36,150 | 38,350 | 41,680 | 33,740 | 35,850 | 39,010 | |||
| 151~200 | 46,980 | 50,580 | 56,440 | 35,330 | 37,730 | 41,430 | 38,120 | 40,510 | 44,210 | 38,880 | 41,280 | 44,980 | 35,820 | 38,100 | 41,610 | |||
| 101 ~ 150 | 40~100 | 44,520 | 47,880 | 53,240 | 34,680 | 37,010 | 40,580 | 36,480 | 38,800 | 42,370 | 36,960 | 39,280 | 42,860 | 33,780 | 35,950 | 39,170 | ||
| 101~150 | 48,500 | 52,260 | 58,420 | 36,240 | 38,710 | 42,610 | 38,640 | 41,110 | 45,010 | 39,280 | 41,750 | 45,660 | 36,360 | 38,700 | 42,350 | |||
| 151~200 | 52,280 | 56,400 | 63,320 | 38,360 | 41,070 | 45,370 | 41,540 | 44,250 | 48,550 | 42,410 | 45,110 | 49,420 | 38,710 | 41,270 | 45,310 | |||
| 251 ~ 300 | 40 ~ 100 | 40~100 | 43,660 | 46,940 | 52,130 | 34,280 | 36,560 | 40,060 | 36,070 | 38,350 | 41,850 | 36,560 | 38,840 | 42,340 | 33,420 | 35,540 | 38,690 | |
| 101~150 | 47,490 | 51,140 | 57,090 | 35,650 | 38,080 | 41,840 | 38,040 | 40,470 | 44,230 | 38,690 | 41,120 | 44,880 | 35,930 | 38,240 | 41,810 | |||
| 151~200 | 51,140 | 55,160 | 61,850 | 37,720 | 40,330 | 44,510 | 40,900 | 43,510 | 47,690 | 41,760 | 44,380 | 48,560 | 38,220 | 40,730 | 44,660 | |||
| 101 ~ 150 | 40~100 | 48,200 | 51,920 | 58,020 | 36,860 | 39,390 | 43,400 | 38,930 | 41,470 | 45,470 | 39,560 | 42,090 | 46,100 | 35,850 | 38,190 | 41,820 | ||
| 101~150 | 52,830 | 57,020 | 64,050 | 38,730 | 41,450 | 45,850 | 41,420 | 44,130 | 48,530 | 42,150 | 44,860 | 49,260 | 38,810 | 41,380 | 45,500 | |||
| 151~200 | 56,980 | 61,570 | 69,440 | 41,080 | 44,030 | 48,890 | 44,660 | 47,620 | 52,470 | 45,640 | 48,600 | 53,460 | 41,420 | 44,220 | 48,750 | |||
| SH-WASCN SH-WASMN | 50 ~ 100 | 40 ~ 100 | 40~100 | 37,660 | 39,720 | 42,530 | 31,940 | 33,390 | 35,210 | 32,920 | 34,380 | 36,200 | 33,230 | 34,680 | 36,510 | 27,870 | 29,230 | 30,880 |
| 101~150 | 39,740 | 42,030 | 45,230 | 33,140 | 34,710 | 36,770 | 34,630 | 36,200 | 38,270 | 35,080 | 36,650 | 38,710 | 29,180 | 30,650 | 32,520 | |||
| 151~200 | 41,980 | 44,490 | 48,140 | 34,380 | 36,060 | 38,380 | 36,370 | 38,060 | 40,380 | 36,910 | 38,600 | 40,920 | 30,500 | 32,090 | 34,170 | |||
| 101 ~ 150 | 40~100 | 40,430 | 42,770 | 46,120 | 33,440 | 35,060 | 37,190 | 34,430 | 36,040 | 38,170 | 34,740 | 36,350 | 38,480 | 29,350 | 30,830 | 32,760 | ||
| 101~150 | 43,000 | 45,610 | 49,470 | 34,920 | 36,670 | 39,090 | 36,710 | 38,460 | 40,890 | 37,200 | 38,950 | 41,370 | 30,960 | 32,580 | 34,760 | |||
| 151~200 | 45,590 | 48,430 | 52,820 | 36,320 | 38,200 | 40,910 | 38,710 | 40,600 | 43,300 | 39,360 | 41,250 | 43,950 | 32,470 | 34,220 | 36,670 | |||
| 101 ~ 150 | 40 ~ 100 | 40~100 | 40,490 | 42,840 | 46,200 | 33,960 | 35,610 | 37,840 | 34,950 | 36,590 | 38,830 | 35,260 | 36,900 | 39,140 | 30,090 | 31,630 | 33,650 | |
| 101~150 | 42,950 | 45,550 | 49,410 | 34,850 | 36,590 | 38,990 | 36,350 | 38,090 | 40,480 | 36,790 | 38,530 | 40,930 | 31,630 | 33,280 | 35,560 | |||
| 151~200 | 45,590 | 48,430 | 52,820 | 36,290 | 38,180 | 40,870 | 38,280 | 40,180 | 42,870 | 38,820 | 40,720 | 43,410 | 33,200 | 35,020 | 37,540 | |||
| 101 ~ 150 | 40~100 | 43,760 | 46,430 | 50,440 | 35,740 | 37,570 | 40,160 | 37,040 | 38,860 | 41,460 | 37,430 | 39,250 | 41,850 | 31,520 | 33,230 | 35,560 | ||
| 101~150 | 46,790 | 49,760 | 54,390 | 36,980 | 38,950 | 41,790 | 38,780 | 40,740 | 43,580 | 39,260 | 41,220 | 44,070 | 33,410 | 35,260 | 37,910 | |||
| 151~200 | 49,830 | 53,110 | 58,340 | 38,660 | 40,770 | 43,950 | 41,060 | 43,160 | 46,340 | 41,700 | 43,810 | 46,990 | 35,230 | 37,230 | 40,180 | |||
| 151 ~ 200 | 40 ~ 100 | 40~100 | 43,080 | 45,690 | 49,580 | 35,410 | 37,210 | 39,740 | 36,700 | 38,500 | 41,030 | 37,090 | 38,890 | 41,430 | 31,230 | 32,900 | 35,180 | |
| 101~150 | 45,980 | 48,890 | 53,340 | 36,540 | 38,450 | 41,190 | 38,330 | 40,240 | 42,980 | 38,820 | 40,730 | 43,470 | 33,060 | 34,890 | 37,460 | |||
| 151~200 | 48,800 | 51,980 | 57,010 | 38,060 | 40,120 | 43,190 | 40,450 | 42,520 | 45,580 | 41,100 | 43,160 | 46,230 | 34,770 | 36,730 | 39,580 | |||
| 101 ~ 150 | 40~100 | 45,750 | 48,630 | 53,040 | 37,160 | 39,150 | 42,020 | 38,660 | 40,640 | 43,510 | 39,100 | 41,090 | 43,960 | 32,920 | 34,750 | 37,350 | ||
| 101~150 | 49,130 | 52,340 | 57,430 | 38,540 | 40,660 | 43,810 | 40,630 | 42,750 | 45,900 | 41,200 | 43,320 | 46,470 | 35,090 | 37,110 | 40,050 | |||
| 151~200 | 52,080 | 55,600 | 61,270 | 40,210 | 42,480 | 45,970 | 42,990 | 45,260 | 48,760 | 43,760 | 46,030 | 49,520 | 36,990 | 39,140 | 42,390 | |||
| 201 ~ 250 | 40 ~ 100 | 40~100 | 46,470 | 49,410 | 53,960 | 38,390 | 40,480 | 43,610 | 39,890 | 41,980 | 45,100 | 40,330 | 42,420 | 45,550 | 34,020 | 35,970 | 38,770 | |
| 101~150 | 49,720 | 53,010 | 58,200 | 39,490 | 41,690 | 45,020 | 41,570 | 43,780 | 47,110 | 42,150 | 44,350 | 47,680 | 36,140 | 38,250 | 41,410 | |||
| 151~200 | 52,980 | 56,580 | 62,440 | 41,330 | 43,730 | 47,430 | 44,120 | 46,510 | 50,210 | 44,880 | 47,280 | 50,980 | 38,220 | 40,500 | 44,010 | |||
| 101 ~ 150 | 40~100 | 50,520 | 53,880 | 59,240 | 40,680 | 43,010 | 46,580 | 42,480 | 44,800 | 48,370 | 42,960 | 45,280 | 48,860 | 36,180 | 38,350 | 41,570 | ||
| 101~150 | 54,500 | 58,260 | 64,420 | 42,240 | 44,710 | 48,610 | 44,640 | 47,110 | 51,010 | 45,280 | 47,750 | 51,660 | 38,760 | 41,100 | 44,750 | |||
| 151~200 | 58,280 | 62,400 | 69,320 | 44,360 | 47,070 | 51,370 | 47,540 | 50,250 | 54,550 | 48,410 | 51,110 | 55,420 | 41,110 | 43,670 | 47,710 | |||
| 251 ~ 300 | 40 ~ 100 | 40~100 | 49,660 | 52,940 | 58,130 | 40,280 | 42,560 | 46,060 | 42,070 | 44,350 | 47,850 | 42,560 | 44,840 | 48,340 | 35,820 | 37,940 | 41,090 | |
| 101~150 | 53,490 | 57,140 | 63,090 | 41,650 | 44,080 | 47,840 | 44,040 | 46,470 | 50,230 | 44,690 | 47,120 | 50,880 | 38,330 | 40,640 | 44,210 | |||
| 151~200 | 57,140 | 61,160 | 67,850 | 43,720 | 46,330 | 50,510 | 46,900 | 49,510 | 53,690 | 47,760 | 50,380 | 54,560 | 40,620 | 43,130 | 47,060 | |||
| 101 ~ 150 | 40~100 | 54,200 | 57,920 | 64,020 | 42,860 | 45,390 | 49,400 | 44,930 | 47,470 | 51,470 | 45,560 | 48,090 | 52,100 | 38,250 | 40,590 | 44,220 | ||
| 101~150 | 58,830 | 63,020 | 70,050 | 44,730 | 47,450 | 51,850 | 47,420 | 50,130 | 54,530 | 48,150 | 50,860 | 55,260 | 41,210 | 43,780 | 47,900 | |||
| 151~200 | 62,980 | 67,570 | 75,440 | 47,080 | 50,030 | 54,890 | 50,660 | 53,620 | 58,470 | 51,640 | 54,600 | 59,460 | 43,820 | 46,620 | 51,150 | |||
| SHD-WASCN SHD-WASMN | 50 ~ 100 | 40 ~ 100 | 40~100 | 41,260 | 43,320 | 46,130 | 35,540 | 36,990 | 38,810 | - | - | - | - | - | - | - | - | - |
| 101~150 | 43,340 | 45,630 | 48,830 | 36,740 | 38,310 | 40,370 | - | - | - | - | - | - | - | - | - | |||
| 151~200 | 45,580 | 48,090 | 51,740 | 37,980 | 39,660 | 41,980 | - | - | - | - | - | - | - | - | - | |||
| 101 ~ 150 | 40~100 | 44,030 | 46,370 | 49,720 | 37,040 | 38,660 | 40,790 | - | - | - | - | - | - | - | - | - | ||
| 101~150 | 46,600 | 49,210 | 53,070 | 38,520 | 40,270 | 42,690 | - | - | - | - | - | - | - | - | - | |||
| 151~200 | 49,190 | 52,030 | 56,420 | 39,920 | 41,800 | 44,510 | - | - | - | - | - | - | - | - | - | |||
| 101 ~ 150 | 40 ~ 100 | 40~100 | 44,090 | 46,440 | 49,800 | 37,560 | 39,210 | 41,440 | - | - | - | - | - | - | - | - | - | |
| 101~150 | 46,550 | 49,150 | 53,010 | 38,450 | 40,190 | 42,590 | - | - | - | - | - | - | - | - | - | |||
| 151~200 | 49,190 | 52,030 | 56,420 | 39,890 | 41,780 | 44,470 | - | - | - | - | - | - | - | - | - | |||
| 101 ~ 150 | 40~100 | 47,360 | 50,030 | 54,040 | 39,340 | 41,170 | 43,760 | - | - | - | - | - | - | - | - | - | ||
| 101~150 | 50,390 | 53,360 | 57,990 | 40,580 | 42,550 | 45,390 | - | - | - | - | - | - | - | - | - | |||
| 151~200 | 53,430 | 56,710 | 61,940 | 42,260 | 44,370 | 47,550 | - | - | - | - | - | - | - | - | - | |||
| 151 ~ 200 | 40 ~ 100 | 40~100 | 46,680 | 49,290 | 53,180 | 39,010 | 40,810 | 43,340 | - | - | - | - | - | - | - | - | - | |
| 101~150 | 49,580 | 52,490 | 56,940 | 40,140 | 42,050 | 44,790 | - | - | - | - | - | - | - | - | - | |||
| 151~200 | 52,400 | 55,580 | 60,610 | 41,660 | 43,720 | 46,790 | - | - | - | - | - | - | - | - | - | |||
| 101 ~ 150 | 40~100 | 49,350 | 52,230 | 56,640 | 40,760 | 42,750 | 45,620 | - | - | - | - | - | - | - | - | - | ||
| 101~150 | 52,730 | 55,940 | 61,030 | 42,140 | 44,260 | 47,410 | - | - | - | - | - | - | - | - | - | |||
| 151~200 | 55,680 | 59,200 | 64,870 | 43,810 | 46,080 | 49,570 | - | - | - | - | - | - | - | - | - | |||
| 201 ~ 250 | 40 ~ 100 | 40~100 | 50,070 | 53,010 | 57,560 | 41,990 | 44,080 | 47,210 | - | - | - | - | - | - | - | - | - | |
| 101~150 | 53,320 | 56,610 | 61,800 | 43,090 | 45,290 | 48,620 | - | - | - | - | - | - | - | - | - | |||
| 151~200 | 56,580 | 60,180 | 66,040 | 44,930 | 47,330 | 51,030 | - | - | - | - | - | - | - | - | - | |||
| 101 ~ 150 | 40~100 | 54,120 | 57,480 | 62,840 | 44,280 | 46,610 | 50,180 | - | - | - | - | - | - | - | - | - | ||
| 101~150 | 58,100 | 61,860 | 68,020 | 45,840 | 48,310 | 52,210 | - | - | - | - | - | - | - | - | - | |||
| 151~200 | 61,880 | 66,000 | 72,920 | 47,960 | 50,670 | 54,970 | - | - | - | - | - | - | - | - | - | |||
| 251 ~ 300 | 40 ~ 100 | 40~100 | 53,260 | 56,540 | 61,730 | 43,880 | 46,160 | 49,660 | - | - | - | - | - | - | - | - | - | |
| 101~150 | 57,090 | 60,740 | 66,690 | 45,250 | 47,680 | 51,440 | - | - | - | - | - | - | - | - | - | |||
| 151~200 | 60,740 | 64,760 | 71,450 | 47,320 | 49,930 | 54,110 | - | - | - | - | - | - | - | - | - | |||
| 101 ~ 150 | 40~100 | 57,800 | 61,520 | 67,620 | 46,460 | 48,990 | 53,000 | - | - | - | - | - | - | - | - | - | ||
| 101~150 | 62,430 | 66,620 | 73,650 | 48,330 | 51,050 | 55,450 | - | - | - | - | - | - | - | - | - | |||
| 151~200 | 66,580 | 71,170 | 79,040 | 50,680 | 53,630 | 58,490 | - | - | - | - | - | - | - | - | - | |||
| 数量区分 | 標準対応 | 個別対応 | ||
| 小口 | 大口 | |||
| 数 量 | 1 | 2〜4 | 5〜10 | 11~ |
| 値引率 | 基準単価 | 10% | 15% | お見積り |

通常価格、通常出荷日が表示と異なる場合がございます
通常価格、通常出荷日が表示と異なる場合がございます

ミスミ
L型板金 取付板・ブラケット-フリー寸法タイプ- FALCS・FALCR
4.4
ミスミ
L型板金 取付板・ブラケット-センター振り分けタイプ- FSLAS
4.5
ミスミ
L型板金 取付板・ブラケット-フリー寸法タイプ- FACAS・FACAR
4.5
ミスミ
L型板金 取付板・ブラケット-フリー寸法タイプ- FALZS・FALZR
4.7
ミスミ
L型板金 取付板・ブラケット-センター振り分けタイプ- FSMAS
4.4
ミスミ
L型板金 取付板・ブラケット-フリー寸法タイプ- FALBS・FALBR
4.3
ミスミ
L型板金 取付板・ブラケット-フリー寸法タイプ- FADBS・FADBR
4
ミスミ
L型板金 取付板・ブラケット-フリー寸法タイプ- FAMAS・FAMAR
4.3
ミスミ
L型板金 取付板・ブラケット-フリー寸法タイプ- FAMCS・FAMCR
4.3