メカニカル部品技術窓口


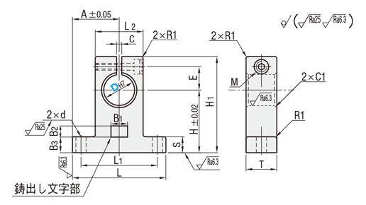
[ ! ]取付穴Dは許容差H7で加工後スリット加工をします。加工によってはH8程度に開く場合があります。
[ ! ]鋳出し文字部がない場合もあります。
| Type | [ M ]材質 | [ S ]表面処理 | [ A ]付属品 | 洗浄方法 | |||
| 洗浄方法 | 洗浄環境 | 梱包形態 | 梱包環境 | ||||
| SL-SHASS | SUS304相当 | - | 六角穴付ボルト1本(SUS) | 脱脂洗浄 | 一般環境 | 防錆梱包 | 一般環境 |
| SH-SHASS | 精密洗浄 | クラス1000 | 脱気2重梱包 | クラス10 | |||
| SHD-SHASS | 電解研磨+精密洗浄 | ||||||
| SL-SHAM | S45C相当 | 無電解ニッケルメッキ | 脱脂洗浄 | 一般環境 | 防錆梱包 | 一般環境 | |
| SH-SHAM | 精密洗浄 | クラス1000 | 脱気2重梱包 | クラス10 | |||
詳細図を記載しておりますので、ご確認ください。| 型式 |
| SL-SHASS1220 |
| 型式 | D | H | L | H1 | T | L1 | d | L2 | A | S | E | C | (B1) | (B2) | (B3) | 締付ボルト M | 質量 g | ¥基準単価 | |||||
| Type | No. | SL-SHASS | SH-SHASS | SHD-SHASS | SL-SHAM | SH-SHAM | |||||||||||||||||
| SL-SHASS SH-SHASS SHD-SHASS SL-SHAM SH-SHAM | 815 | 8 | 15 | 42 | 28 | 14 | 32 | 5.5 | 18 | 21 | 6 | 7.8 | 2 | 14 | 8 | 2 | M4 | 58 | 2,580 | 3,180 | 3,540 | 2,220 | 2,820 |
| 8 | 20 | 32.8 | 69 | 2,580 | 3,180 | 3,540 | 2,220 | 2,820 | |||||||||||||||
| 10 | 10 | 69 | 2,580 | 3,180 | 3,540 | 2,220 | 2,820 | ||||||||||||||||
| 1220 | 12 | 35 | 20 | 9.5 | 2.5 | 69 | 2,670 | 3,270 | 3,630 | 2,290 | 2,890 | ||||||||||||
| 12 | 23 | 37.5 | 87 | 2,670 | 3,270 | 3,630 | 2,290 | 2,890 | |||||||||||||||
| 1320 | 13 | 20 | 35 | 69 | 2,670 | 3,270 | 3,630 | 2,290 | 2,890 | ||||||||||||||
| 13 | 23 | 37.5 | 87 | 2,670 | 3,270 | 3,630 | 2,290 | 2,890 | |||||||||||||||
| 1625 | 16 | 25 | 48 | 42 | 16 | 38 | 25 | 24 | 8 | 12 | 121 | 2,710 | 3,310 | 3,670 | 2,330 | 2,930 | |||||||
| 16 | 27 | 44 | 116 | 2,710 | 3,310 | 3,670 | 2,330 | 2,930 | |||||||||||||||
| 2025 | 20 | 25 | 60 | 45 | 20 | 45 | 6.6 | 30 | 30 | 10 | 14 | 8 | 2 | M5 | 191 | 2,810 | 3,410 | 3,770 | 2,580 | 3,180 | |||
| 2030 | 30 | 50 | 214 | 2,810 | 3,410 | 3,770 | 2,580 | 3,180 | |||||||||||||||
| 20 | 31 | 51 | 11 | 4 | 202 | 2,810 | 3,410 | 3,770 | 2,580 | 3,180 | |||||||||||||
| 2530 | 25 | 30 | 70 | 55 | 24 | 56 | 38 | 35 | 12 | 17 | 8 | 2 | M6 | 381 | 3,090 | 3,690 | 4,050 | 2,880 | 3,480 | ||||
| 25 | 35 | 60 | 11 | 4 | 376 | 3,090 | 3,690 | 4,050 | 2,880 | 3,480 | |||||||||||||
| 3030 | 30 | 30 | 84 | 58 | 28 | 64 | 9 | 44 | 42 | 21 | 8 | 2 | 474 | 3,240 | 3,840 | 4,200 | 3,050 | 3,650 | |||||
| 30 | 42 | 70 | 11 | 4 | 520 | 3,240 | 3,840 | 4,200 | 3,050 | 3,650 | |||||||||||||
洗浄工程| ※材質がステンレスの場合、アルカリ系温水洗浄となることがあります。 | |
| ・脱脂洗浄(型式:SL-□□) | ※表面処理が低温黒色クロムメッキの場合、IPA洗浄となります。 |
作業環境:一般環境 | ||||||
|---|---|---|---|---|---|---|
![]() 炭化水素系洗浄※ Ro水洗浄 中性洗剤洗浄 | ![]() | ![]() 高圧ジェット水洗(Ro水) 後に純水(10MΩ・cm)で 洗浄 | ![]() | ![]() エアブロー(オイルフリー) 使用 | ![]() | ![]() 防錆袋使用 |
| ・精密洗浄(型式:SH-□□) | ※表面処理が低温黒色クロムメッキの場合、IPA洗浄となります。 |
作業環境:クラス1000 | 作業環境:クラス10 | |||||||
|---|---|---|---|---|---|---|---|---|
![]() 炭化水素系洗浄※ Ro水洗浄 中性洗剤洗浄 | ![]() | ![]() 高圧ジェット水洗(Ro水) 後に純水(10MΩ・cm)で 洗浄 | ![]() | ![]() 温純水(13MΩ・cm)使用 | ![]() | ![]() 窒素ブロー使用 | ![]() | ![]() クリーンベンチ(クラス10) で実施 |
作業環境:クラス1000 | 作業環境:クラス10 | |||||||||
|---|---|---|---|---|---|---|---|---|---|---|
![]() 炭化水素系洗浄 Ro水洗浄 中性洗剤洗浄 | ![]() | ![]() 材質に応じた電解研磨槽 で電解研磨 | ![]() | ![]() 高圧ジェット水洗(Ro水) 後に純水(10MΩ・cm)で 洗浄 | ![]() | ![]() 温純水(13MΩ・cm)使用 | ![]() | ![]() 窒素ブロー使用 | ![]() | ![]() クリーンベンチ(クラス10) で実施 |
梱包例| 脱脂洗浄の場合 (TYPE型番:SL-□□) | 精密洗浄または電解研磨+精密洗浄の場合 | |
| (TYPE型番:SH-□□・SHD-□□) | ||
| オーステナイト系ステンレス・アルミ材質の場合 | 鉄・マルテンサイト系ステンレス材質の場合 | |
![]() | ![]() | ![]() |
| 一部商品・サイズによっては、 梱包形態が異なる場合がございます。 | [ ! ]1重目・2重目の梱包とも、脱気されております。 | [ ! ]防錆対策として乾燥剤を同封しております。 1梱包につき1つになります。 |
洗浄効果・利用推奨環境洗浄方法 | 商品型番 | 梱包形態 | 未洗浄品と比べた効果 | ご利用環境(目安) | 利用シーン・工程 |
|---|---|---|---|---|---|
| 脱脂洗浄 | SL-□□ | 防錆梱包 | 油分除去 | 一般環境 | 通常組立工程 |
| バッテリー組立後工程 | |||||
| 精密洗浄 | SH-□□ | 脱気2重梱包 | 油分除去 粉塵除去 | クリーン環境(クラス10~1,000) | バッテリー組立工程 |
| 液晶関連組立後工程 | |||||
| 車載カメラ組立工程 | |||||
| 電解研磨+精密洗浄 | SHD-□□ | 脱気2重梱包 | 油分除去 粉塵除去 アウトガス低減 | 真空環境 クリーン環境(クラス10~1,000) | 半導体前工程 |
| 液晶成膜工程 | |||||
| 有機EL前工程 |
| 型番 |
|---|
通常単価(税別)
(税込単価) | 通常出荷日 |
洗浄不要の場合の代替品
|
|---|
- ( - ) | 3日目 |
|
- ( - ) | 3日目 |
|
- ( - ) | 3日目 |
|
- ( - ) | 3日目 |
|
- ( - ) | 3日目 |
|
- ( - ) | 3日目 |
|
- ( - ) | 3日目 |
|
- ( - ) | 3日目 |
|
- ( - ) | 3日目 |
|
- ( - ) | 3日目 |
|
- ( - ) | 3日目 |
|
- ( - ) | 3日目 |
|
- ( - ) | 3日目 |
|
- ( - ) | 3日目 |
|
- ( - ) | 3日目 |
|
- ( - ) | 3日目 |
|
- ( - ) | 3日目 |
|
- ( - ) | 3日目 |
|
- ( - ) | 3日目 |
|
- ( - ) | 3日目 |
|
- ( - ) | 3日目 |
|
- ( - ) | 3日目 |
|
- ( - ) | 3日目 |
|
- ( - ) | 3日目 |
|
- ( - ) | 3日目 |
|
- ( - ) | 3日目 |
|
- ( - ) | 3日目 |
|
- ( - ) | 3日目 |
|
- ( - ) | 3日目 |
|
- ( - ) | 3日目 |
|
- ( - ) | 3日目 |
|
- ( - ) | 3日目 |
|
- ( - ) | 3日目 |
|
- ( - ) | 3日目 |
|
- ( - ) | 3日目 |
|
- ( - ) | 3日目 |
|
- ( - ) | 3日目 |
|
- ( - ) | 3日目 |
|
- ( - ) | 3日目 |
|
- ( - ) | 3日目 |
|
- ( - ) | 3日目 |
|
- ( - ) | 3日目 |
|
- ( - ) | 3日目 |
|
- ( - ) | 3日目 |
|
- ( - ) | 3日目 |
|
- ( - ) | 3日目 |
|
- ( - ) | 3日目 |
|
- ( - ) | 3日目 |
|
- ( - ) | 3日目 |
|
- ( - ) | 3日目 |
|
- ( - ) | 3日目 |
|
- ( - ) | 3日目 |
|
- ( - ) | 3日目 |
|
- ( - ) | 3日目 |
|
- ( - ) | 3日目 |
|
- ( - ) | 3日目 |
|
- ( - ) | 3日目 |
|
- ( - ) | 3日目 |
|
- ( - ) | 3日目 |
|
- ( - ) | 3日目 |
| ・脱脂洗浄(防錆1重梱包) | :型番SL-□□ |
| ・精密洗浄(脱気2重梱包) | :型番SH-□□ |
| ・電解研磨+精密洗浄(脱気2重梱包) | :型番SHD-□□ |
| 商品型番 | 洗浄方法 | 梱包形態 | 未洗浄品と比べた効果 | ご利用環境(目安) | 工程別 |
| SL-□□ | 脱脂洗浄 | 防錆梱包 | 油分除去 | 一般環境 | 通常組立工程 |
| バッテリー組立後工程 | |||||
| SH-□□ | 精密洗浄 | 脱気2重梱包 | 油分除去 粉塵除去 | クリーン環境(クラス10~1,000) | バッテリー組立工程 |
| 液晶関連組立後工程 | |||||
| 車載カメラ組立工程 | |||||
| SHD-□□ | 電解研磨+精密洗浄 | 脱気2重梱包 | 油分除去 粉塵除去 アウトガス低減 | 真空環境 クリーン環境(クラス10~1,000) | 半導体前工程 |
| 液晶成膜工程 | |||||
| 有機EL前工程 |
通常価格、通常出荷日が表示と異なる場合がございます
通常価格、通常出荷日が表示と異なる場合がございます

ミスミ
シャフトホルダ -フランジ型(鋳造品) スリット・スタンダードタイプ-
4.5通常価格(税別):900円~

ミスミ
シャフトホルダ -T型(鋳造品) スリット・スタンダードタイプ-
4.3通常価格(税別):760円~

ミスミ
シャフトホルダ -ブラケット型スタンダードタイプ- -取付穴キリ穴/取付穴タップ穴-
4.6通常価格(税別):860円~

ミスミ
シャフトホルダ -フランジ型(鋳造品) スリット・ガイドロングタイプ-
4.8通常価格(税別):1,630円~

ミスミ
シャフトホルダ -ブラケット型スリットタイプ- -スタンダードタイプ-
4.5通常価格(税別):1,650円~

ミスミ
シャフトホルダ -ブラケット型スリットタイプ- -ガイドロングタイプ-
4.4通常価格(税別):2,220円~

ミスミ
シャフトホルダ -T型(機械加工品) 止めねじタイプ-
4.4通常価格(税別):870円~

ミスミ
シャフトホルダ ブラケット型 コンパクト スタンダード/ガイドロングタイプ
4.6通常価格(税別):1,430円~

ミスミ
【エコノミーシリーズ】 RoHS対応 シャフトホルダ T型スリット・薄型
5通常価格(税別):600円~